151207 (594649)
Текст из файла
Содержание
Введение
1. Общая часть
1.1 Общие сведения об электрических системах, сетях и источниках электроснабжения
1.2 Напряжения и способы выполнения электрических сетей
1.3 Тяговая трансформаторная подстанция, как часть системы электроснабжения
2. Специальная часть
2.1 Электроснабжение промышленных предприятий
2.2 Конструктивное исполнение цеховых сетей
2.3 Современные технологии по экономии электроэнергии
3 Техника безопасности и охрана труда
3.1 Общие сведения о технике безопасности
3.2 Воздействие электрического тока на человека
4. Экономическая часть
4.1 Технико-экономические расчёты систем электроснабжения промышленных предприятий
4.2 Методика технико-экономических расчётов
4.3 Укрупнённые показатели стоимости подстанции
4.4 Постоянная часть затрат по подстанциям
Литература
Введение
Российской акционерное общество энергетики и электрификации «ЕЭС России» (РАО «ЕЭС» России) учреждено в соответствии с указами Президента Российской Федерации от 15 августа 1992 года №923 и от 5 ноября 1992 года №1334, направленными на обеспечение управляемости Единой энергетической системы и сохранение электроэнергетики в виде единого комплекса при акционировании предприятий и организаций, выходивших из ведомственной подчиненности.
Сегодня РАО "ЕЭС России" является монополистом в сфере энергоснабжения и представляет собой финансово-производственный холдинг, в состав которого входят региональные энергокомпании, крупные федеральные электростанции, а также межсистемные электрические сети. Контрольный пакет акций (52%) РАО "ЕЭС России" принадлежит государству. Государство регулирует деятельность энергохолдинга и устанавливает цены на его услуги и продукцию.
Далее среди крупнейших держателей идет The Bank of New York International Nominees (19,96%) – а это означает, что практически 20% акций РАО «ЕЭС Россия» обращаются в виде АДР (американские депозитарные расписки) на американском фондовом рынке. Третий держатель - Некоммерческое партнерство “Национальный Депозитарный Центр” (номинальный держатель) – соответственно 6,44% акций обращаются на российском фондовом рынке. Что занятно, акции РАО «ЕЭС» (т.е. эти 6%) составляют более 95% объема российского рынка акций.
Что касается структуры управления РАО «ЕЭС», то она достаточно стандартна: Общее собрание акционеров, Совет директоров, Правление. Председателем Правления РАО «ЕЭС России» является Анатолий Борисович Чубайс. (Председателем Совета Директоров является А.С.Волошин, руководитель Администрации Президента Р.Ф. В Совете директоров заседают Министр финансов А.Л.Кудрин, Министр экономического развития и торговли РФ Г.О.Греф, Министр РФ по антимонопольной политике и поддержке предпринимательства И.А.Южанов, А.Б.Чубайс и еще 10 важных персон.
В настоящее время РАО «ЕЭС» находится в процессе реструктуризации, причем сейчас идет лишь первый этап реформирования. Процесс длительный и, естественно, поднимающий огромное количество спорных моментов.
Если говорить о реформе, то говорить придется очень долго. Если интересно, историю реформы и планы можно найти на официальном сайте РАО «ЕЭС России» - www.rao-ees.ru Ресурс, стоит заметить, очень содержательный.
Основные направления деятельности РАО "ЕЭС России":
управление Единой энергетической системой России;
производство, передача, и распределение электрической и тепловой энергии;
поддержание в надлежащем состоянии электростанций и электрических сетей;
оперативно-диспетчерское управление технологическим процессом производства и поставок электроэнергии;
технический надзор за состоянием электростанций и сетевых объектов ЕЭС России;
организация функционирования и развитие ЕЭС России, предоставление услуг на федеральном оптовом рынке электрической энергии (мощности) – ФОРЭМ;
организация работ, обеспечивающих сбалансированное развитие ЕЭС России (в том числе прогнозирование спроса на энергию, проектирование, инвестирование, строительство энергетических объектов).
1. Основная часть
1.1 Общие сведения об электрических системах, сетях и источниках электроснабжения
Работа современных промышленных предприятий связана с потреблением электрической энергии, вырабатываемой электростанциями.
Электрическая станция- это промышленное предприятие, вырабатывающее электроэнергию и обеспечивающее её передачу потребителям по электрической сети.
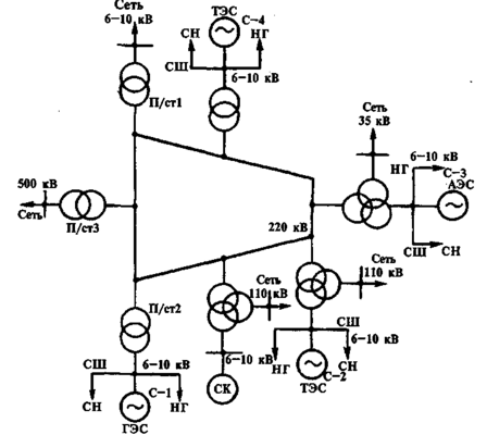
Рис.1.1. Принципиальная схема электрической системы: ТЭЦ, АЭС, ТЭС, ГЭС- теплоцентраль, атомная, тепловая, гидравлическая станции; СН- собственные нужды; СК- синхронные компенсаторы; СШ- сборные шины; НГ- нагрузка на генераторном напряжении; П/ст- трансформаторные подстанции.
Электроустановка, предназначенная для преобразования и распределения электрической энергии, называется электрической подстанцией.
Линией электропередачи (ЛЭП) называют электроустановку, предназначенную для передачи электрической энергии.
Электрическая сеть- это совокупность воздушных и кабельных ЛЭП и подстанций, работающих на определённой территории. Совокупность электростанций, электрических сетей и электропотребителей, связанных общностью процесса производства, передачи и использования электроэнергии, называют энергетической системой. На некоторых электростанциях вырабатывается не только электрическая, но и тепловая энергия.
Поэтому энергосистема охватывает и установки производства, распределение и использование теплоты. Электрическую часть энергосистемы называют электрической системой.
Источниками питания электрических систем служат электрические станции.
Основными типами электростанций являются гидроэлектрические тепловые и атомные электростанции. На гидроэлектростанции (ГЭС) в электрическую энергию преобразуют механическую энергию водного потока реки- гидравлическую энергию.
На тепловых электростанциях (ТЭС) в электрическую преобразуют энергию, выделяемую при сгорании каменного угля, торфа, сланцев, газа, нефти и других видов топлива.
Главный недостаток тепловых электростанций- низкий коэффициент полезного действия. Лишь 30- 40% теплоты, полученной при сгорании топлива, используется полезно, а остальная часть - отдаётся охлаждающей воде при конденсации пара и дымовыми газами. Эта энергия безвозвратно теряется в процессе производства электроэнергии.
Атомные электростанции (АЭС)– это тоже тепловые паротурбинные станции, но использующие в качестве топлива ядерное горючие.
В технологической схеме АЭС роль котла выполняет атомный реактор. Теплота, выделяющаяся в реакторе при делении ядер урана или плутония, передаётся теплоносителю– тяжёлой воде, гелию и т.п. От теплоносителя тепловая энергия передаётся парогенератору. Далее та же схема преобразования энергии пара в механическую энергию паровой турбины и в электрическую энергию, что и на ТЭС.
В настоящее время преимущественное развитие имеют ТЭС. Это обусловлено двумя основными факторами: удельными капиталовложениями и сроками строительства ТЭС. По мере совершенствования оборудования освоение больших единичных мощностей реакторов показатели АЭС постепенно приближаются к показателям ТЭС. В качестве резервного источника питания, а также в начальный период эксплуатации предприятий, размещенных в районах Сибири и Крайнего Севера, для временного электроснабжения применяют дизельные, газотурбинные электростанции и энергопоезда.
Основным элементом дизельных электростанций (ДЭС) является дизель – генератор. В качестве первичных двигателей в основном применяют безкомпрессорные четырёх– и двухтактные дизели мощностью 5– 1000 кВт, имеющие частоту вращения 375– 1500 об/мин. Дизели комплектуют генераторами переменного тока. В настоящее время исследуют возможность более широкого использования тепловой энергии вулканов и гейзеров– на геотермальных станциях, электростанций с магнитогидродинамическими генераторами, энергии ветра– на ветроэлектростанциях, энергии приливов и отливов– на приливных электростанциях. Опытные промышленные установки, работающие на этих видах энергии, уже имеются.
1.2 Напряжение и способы выполнения электрических сетей
Номинальным напряжением приёмников электрической энергии, генераторов и трансформаторов называют то напряжение, при котором обеспечивается их нормальная и бесперебойная работа. Каждая электрическая сеть характеризуется номинальным напряжением приёмников электроэнергии, которые от неё питаются. К приёмникам электроэнергии в данном случае относят также первичные обмотки трансформаторов.
Правилами устройствами электроустановок (ПУЭ) они разделены на установки напряжением до 1000 В и напряжением выше 1000 В.
Рассмотрим линию местной сети, питающуюся непосредственно от генератора Г с номинальным напряжением Ur = U1. В линии имеет место потеря напряжения, поэтому приёмники электроэнергии, подключённые к ней, будут находиться под разными напряжениями.
Изменение напряжения вдоль линии при заданных нагрузках изображено на рис. прямой линией U1 = U2 , причём для частного случая взято U1 = 230 В и U2 = 210 В.
Рис.1.2. Номинальное напряжение сети
Работа приёмников будет тем лучше, чем меньше на их зажимах отклонения напряжения от номинального. За номинальное напряжение электрической сети берут среднее арифметическое значение напряжений в начале U1и в концеU2 линии, т.е.
Uн. = (U1 + U2)/2
Под этим напряжением будут находиться приёмники, расположенные, например, при равномерной нагрузке линии в середине её. В нашем случае Uн.=(230+210)/2 = 220 В.
Номинальным напряжением электросети называют среднее арифметическое значении рабочих напряжений в начале и конце линии сети. Напряжение генераторов, на которое их конструируют, берется на 5% выше номинального напряжения сети. Например, при номинальном напряжении сети 6 кВ номинальное напряжение генераторов будет 6,3 кВ.
Для электроустановок до 1000 В приняты номинальные напряжения, приведённые в таблице.
Таблица1.1. Номинальные напряжения систем электроснабжения приёмников, В
| Постоянный ток | Переменный ток (частота f=50 Гц) | |||||
| источники | приемники | источники | приемники | |||
| однофазные | трехфазные | однофазные | трехфазные | |||
| 28,5 115 230 460 | 27 110 220 440 | 42 230 – – | 42 230 400 690 | 40 220 380 660 | 40 220 380 660 | |
Для установок выше 1000 В применяют следующие стандартные напряжения: 3, 6, 10, 20, 35, 110, 150, 220, 330, 500, 750, 1150 кВ. Для питания электродвигателей небольшой мощности (до 100 – 150 кВт) применяют напряжение 380 В.
Способы выполнения сетей должны обеспечивать надёжность, долговечность, пожарную безопасность, экономичность, индустриальность монтажа, а при скрытых проводах – по возможности заменяемость проводов.
В общественных, административно– бытовых, инженерно– лабораторных и других подобных зданиях, как правило, должна применяться скрытая прокладка проводов.
Характеристики
Тип файла документ
Документы такого типа открываются такими программами, как Microsoft Office Word на компьютерах Windows, Apple Pages на компьютерах Mac, Open Office - бесплатная альтернатива на различных платформах, в том числе Linux. Наиболее простым и современным решением будут Google документы, так как открываются онлайн без скачивания прямо в браузере на любой платформе. Существуют российские качественные аналоги, например от Яндекса.
Будьте внимательны на мобильных устройствах, так как там используются упрощённый функционал даже в официальном приложении от Microsoft, поэтому для просмотра скачивайте PDF-версию. А если нужно редактировать файл, то используйте оригинальный файл.
Файлы такого типа обычно разбиты на страницы, а текст может быть форматированным (жирный, курсив, выбор шрифта, таблицы и т.п.), а также в него можно добавлять изображения. Формат идеально подходит для рефератов, докладов и РПЗ курсовых проектов, которые необходимо распечатать. Кстати перед печатью также сохраняйте файл в PDF, так как принтер может начудить со шрифтами.
















