151207 (594649), страница 2
Текст из файла (страница 2)
Сети производственных и вспомогательных зданий следует выполнять открыто: кабелями и защищёнными проводами; незащищёнными изолированными проводами на изоляторах, в лотках, в коробах, в трубах; шинопроводами.
Электропроводки незащищёнными изолированными проводами на изоляторах и клицах могут применяться во всех невзрывоопасных установках, в том числе и наружных. В последнее время этот вид проводки вытесняется тросовыми электропродками.
В отдельных случаях на изоляторах целесообразно прокладывать голые провода (например, при высоких температурах, на недоступной высоте), разрешены во всех непожаро–и невзрывоопасных помещениях. Этот же вид проводки является преимущественным в установках наружного освещения – для воздушных линий.
Тросовые электропроводки могут выполняться кабелями и проводами, прокладываемыми по тросу (диаметром 1,9– 6,5мм) или проволоке (стальной оцинкованной или горячекатаной, имеющей лакокрасочные покрытия, диаметром 5,8– 8мм), а также специальными проводами.
Прокладку проводов в трубах следует ограничивать, допуская её лишь в тех случаях, когда безтрубные проводки не могут быть применены.
1.3 Тяговая трансформаторная подстанция, как часть системы электроснабжения
Подстанции 110– 330 кВ ГВ рекомендуется осуществлять с закрытой установкой всего электрооборудования, включая понижающие трансформаторы. Условия минимальной площади, занимаемой такими ПС, обуславливают целесообразность применения КРУЭ 110– 220 кВ.
Линии 110– 330 кВ ГВ целесообразно выполнять кабельными маслонаполненными низкого и среднего давления и с искусственным охлаждением токоведущих жил при крупных ПС ГВ (ориентировочно более 100– 150 МВхА). При дефиците маслонаполненных кабелей в средних городах могут применяться ВЛ ГВ.
ТП 10(6)– 20 кВ в отечественной практике обычно выполняются в виде отдельно стоящих сооружений. ТП 10(6) кВ сооружаются с применением кирпича (стены), сборного железобетона (фундаменты, крыша, внутренние перемычки), бетона и цемента (полы), лесоматериалов (двери) и стальных крепежно-монтажных изделий.
ТП универсальная с двумя трансформаторами мощностью до 630 кВхА- БКТПу-2х630. Она предназначена для электроснабжения электроприёмников жилищно-коммунальной и общественной застройки г. Москвы. БКТПу представляет собой готовое изделие, полностью укомплектованное оборудованием (за исключением силовых трансформаторов) и смонтированное. Силовые трансформаторы монтируются в БКТПу после установки её на фундамент, причём их передвижение осуществляется широкой стороной. Конструктивное выполнение БКТПу предусматривает эксплуатационное её только в Московской кабельной сети Мосэнерго.
В районах малоэтажной застройки (1– 4 этажа) для питания силовых и осветительных нагрузок потребителей промышленных, городских и поселковых сетей применяются однотрансформаторные подстанции с трансформаторами 1х160 кВА и 1х250кВА.
Оборудование подстанции размещается в отдельно стоящем двухэтажном здании. Силовой трансформатор и щит 0,38 кВ располагаются в отдельных помещениях первого этажа, а РУ 10(6) кВ- на втором этаже. РУ 10(6) кВ комплектуется из камер серии КСО-366.
Перспективными конструкциями являются: 1) комплектные ТП индустриального изготовления; 2) встроенные в жилые и общественные здания ТП; 3) специальные конструкции компактных ТП, основанных на применении специализированной аппаратуры и замене воздушной изоляции твёрдой синтетической смолой и т.п.; 4) подземные герметизированные капсульные необслуживаемые ТП.
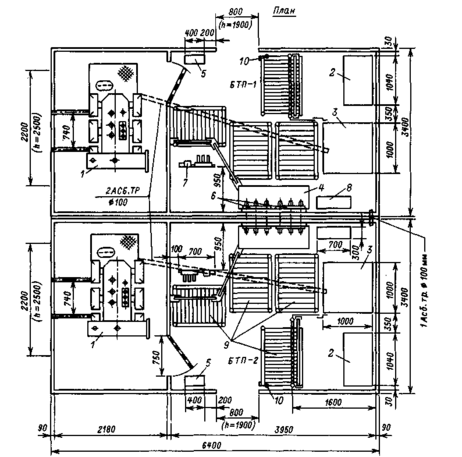
Рис.1.3 Схема конструктивного выполнения ТП 10(6)/0,38 кВ, 2х630 кВ-А с АВР на контакторах 380 В, 6 кабелей 10(6) кВ, 20 кабелей 380 В (типа БКТПу, МКС Мосэнерго): 1-силовые трансформаторы; 2- сборка 10 кВ, 400 А; 3- шкаф 10 кВ, 200 А; 4- сборка 0,38 кВ, 1000 А; 5-щиток собственных нужд: 6- рубильник 0,38 кВ, 1000 А; 7- панель управления ПДУ-8301; 8- полка для плавких предохранителей: 9- подножник, 8шт.: 10 — оперативная штанга.
РП 10(6)- 20 кВ выполняется в виде отдельно стоящих зданий; целесообразно показанное здесь конструктивное совмещение РП с ТП.
Линии электрических сетей до 20 кВ в городах, как правило, должны выполнятся кабельными. При зданиях до четырёх этажей возможно применение воздушных линий. Кабельные линии 10(6)– 20 кВ должны а основном прокладываться в земле с сечением токоведущих жил не менее 35 мм². Конструкции вводных распределительных устройств (ВРУ) 0,380 кВ в жилые и общественные здания представляют собой индустриально изготовляемые стальные распределительные шкафы, устанавливаемые в электрических помещениях жилых и общественных зданиях (в полуподвальных помещениях, встраиваются в первый этаж и т.п.).
Таблица1.2. Показатели электрических нагрузок приёмников и потребителей электроэнергии в машиностроительной и металлообрабатывающее промышленности
| Потребитель электроэнергии | Коэффициент | |||
| Кн | cosφ | Кс | Ка | |
| Сварочное оборудование трансформаторы для ручной сварки трансформаторы для автоматической и полуавтоматической сварки машины: шовные стыковые и точечные Насосы, компрессоры, двигатели-генераторы Краны, тельферы, подъёмники: Грейферные Магнитные Штабелеры Скиповой подъёмник Электротележки Многоподшипниковые автоматы для изготовления деталей из прутков | 0,3 0,35 0,25 0,35 0,7 0,35 0,5 0,16 0,05 0,1 0,2 | 0,35 0,5 0,7 0,6 0,8 − − − − − 0,5 | 0,35 0,5 0,35 0,6 0,75 0,4 0,55 0,35 0,1 0,2 0,23 | − − − − − − − − − − 0,88 |
2. Специальная часть
2.1 Электроснабжение промышленных предприятий
Система электроснабжения промышленных предприятий подразделяют на системы внешнего и внутреннего электроснабжения.
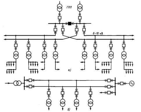
К системе внутреннего электроснабжения относят главную понизительную (ГПП) или распределительную (ГРП) подстанцию и распределительную сеть напряжением выше 1 кВ предприятия вместе с РП и ТП.
Рис.1.4. Схема электроснабжения при наличии ГПП с двухобмоточными трансформаторами: КЗ— короткозамыкатель; Р— разъединитель
Рис.1.5. Схема электроснабжения при наличии ГРП: выключатель В отключен, остальные— включены
Внешнее электроснабжение осуществляют от энергосистемы при наличии на промышленном предприятии собственной электростанции или когда последняя отсутствует. Схемы электроснабжения выбирают, исходя из требований надёжности, экономичности, удобства, безопасности эксплуатации, а также обеспечения необходимого качества электроэнергии у приёмников и возможности дальнейшего развития сети.
Приёмники электроэнергии I категории обеспечиваются электроэнергией от двух независимых взаимно резервирующих источников питания. При нарушении их электроснабжении от одного из источников питания допускается перерыв электроснабжения лишь на время автоматического восстановления питания. При наличии особой группы приёмников электроэнергии I категории предусматривают дополнительные питание от третьего независимого взаимно резервирующего источника. Независимым считают такой источник питания, на котором сохраняется напряжении в пределах, регламентированных ПУЭ для послеаварийного режима, при исчезновении его на другом или других источниках, питающих эти же приёмники электроэнергии. Две секции или системы шин одной или двух электростанций и подстанций считают независимыми источниками питания, если одновременно соблюдаются следующие условия:
а) секции (системы) шин не связаны между собой или имеют связь, автоматически отключающуюся при нарушении нормальной работы одной из секций (систем) шин;
б) каждая из секций(систем) шин в свою очередь имеют питание от независимого источника.
Кроме того, к независимыми источниками питания относят также местные электростанции, агрегаты бесперебойного питания, аккумуляторные батареи и т.д.
Приёмники электроэнергии II категории обеспечивающие электроэнергией от двух независимых взаимно резервирующих источников питания. Однако при нарушении их электроснабжения от одного из источников питания действиями дежурного персонала или выездной оперативной бригады. ПУЭ допускают питание приёмников электроэнергии II категории: по одной воздушной линии, в том числе с кабельной вставкой, если обеспечена возможность проведения аварийного ремонта этой линии за время не более 1 суток; от одного трансформатора при наличии централизованного резерва трансформаторов и возможности замены повредившегося трансформатора за время не более 1 суток.
Для приёмников электроэнергии III категории электроснабжения выполняют от одного источника питания при условии, что перерывы электроснабжения, необходимые для ремонта или замены поврежденного элемента системы электроснабжения, не превышает 1 суток.
Внутреннее и внешнее электроснабжение потребителей электроэнергии осуществляют с помощью радиальных, магистральных и смешанных схем питания.
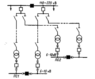
Радиальными считают такие схемы, в которых электроэнергию от источника питания (электростанции предприятия, энергосистемы и т.д.) передают непосредственно к ПС, без ответвлений на пути для питания, других потребителей.
Рис.1.6. Радиальная схема электроснабжения трансформаторных подстанций ПС1 и ПС2
Магистральными считают такие схемы, в которых электроэнергию от источника питания передают к ПС не непосредственно, а с ответвлениями на пути для питания других потребителей. Как правило, магистральные схемы обеспечивают присоединение пяти-шести ПС с общей мощностью потреблений электроэнергии не более 5000-6000 кВхА.
Рис.1.7. Магистральная схема электроснабжения: а — питание от системы; б — питание от системы и электростанции
2.2 Конструктивное исполнение цеховых сетей
Цеховые электрические сети выполняют кабелями и изолированными проводами, прокладываемыми непосредственно на строительных элементах и элементах технологического оборудования, в коробах, на лотках и в трубах, а также тросовыми проводами; комплектными шинопроводами — магистральными, распределительными и осветительными, устанавливаемыми на опорных конструкциях на полу, стенах, колоннах, фермах и т. п.; комплектными троллеями, укрепляемыми на троллейных кронштейнах, и комплектными троллейными шинопроводами, укрепляемыми на специальных конструкциях.
Электропроводка должна соответствовать условиям окружающей среды, назначению и ценности сооружений, их конструкции и архитектурным особенностям.
В цеховых электрических сетях применяют для прокладки провода марок: АПВ, АПРВ, АТПРФ непосредственно по несгораемым поверхностям; АПР на роликах и изоляторах; АПВ, АПРТО, АПРВ, АПР в пластмассовых трубах; АПВ, АПРТО, АПРВ, АПР в стальных трубах и металлорукавах; АПВ, АПР, АПРВ в коробах и на лотках. Тросовые прокладки выполняют проводами APT.
Кабели в неметаллической и металлической оболочках применяются в наружных установках и помещениях всех видов и прокладываются на поверхности стен, потолков, на лотках и в коробах, на тросах.
Кабели в неметаллической оболочке применяются в помещениях всех видов и наружных установках в металлических гибких рукавах, в стальных трубах (за исключением сырых и особо сырых помещений и наружных установок) и в неметаллических трубах и коробах, в замкнутых каналах строительных конструкций.
Магистральные шинопроводы предназначены для питания распределительных шинопроводов и пунктов, отдельных крупных электроприемников.
Таблица1.3. Технические данные магистральных шинопроводов переменного тока
| Показатель | ШЗМ 16 | ШМА 73 | ШМА 68Н | |
| Номинальный ток, А Номинальное напряжение, В Электродинамическая стойкость ударному току КЗ, кА Сопротивление на фазу, Ом/км: активное индуктивное полное Линейная потеря напряжения, В, на длину 100 м при cos φ=0,8 Количество и размеры шин на фазу, мм Степень защиты по ГОСТ 14254-80 (шины изолированы) | 1600 380/220 70 0,018 0,012 0,022 – 2(10х100) Р31 | 1600 660 70 0,031 0,017 0,036 9,7 2(90х8) Р20 | 2500 660 70 0,027 0,023 0,035 15,4 2(120х10) Р20 | 4000 660 100 0,013 0,020 0,024 16,4 2(160х12) Р20 |
2.3 Современные технологии по экономии электроэнергии
















