151124 (594627)
Текст из файла
-
Экспериментальные исследования процесса тепломассообмена и химических реакций углерода с газами.
Для получения наиболее простого экспериментального решения и проведения строгого анализа процесса горения и газификации углерода необходимо изучать процесс горения на телах определенной геометрической формы. Существуют различные методы исследования: метод канала, засыпки, метод сферической частицы и т.д.
При использовании метода канала затруднительна точная оценка так называемого «внутреннего» горения углерода, которое наблюдается в различных температурных условиях и которое при высоких температурах потребует особого внимания. Поэтому исследование было проведено на сферической частице. Частицы правильной геометрической формы в виде шара вытачивались на токарном станке из блоков графитизированного углерода марки ЭГ-14 (d= 0,015 м) плотностью
=1,73
Мг/м3 или изготавливались на заводе из графитизированного углерода марки ВТМ-4 (d = 0,0125 м). Для такого графита характерны произвольная ориентация кристаллитов и отсутствие четкой границы между зернами, где не наступает полной графитизации углерода даже при нагревании до 3900 К. Рентгенографические данные для выбранного нами графита показали, что исходный размер кристаллитов по оси С равен 15,4 им, а по оси а — 95,8 нм. Материал имеет значительное количество пор. Пористость достигает иногда 25%, при этом основную массу составляют поры размером 0.5-5*10 –6 м.
Наиболее сложной и ответственной частью работы было получение очень высоких температур в широком диапазоне. Был использован метод высокочастотного нагрева, который, как нам представляется, достаточно хорошо себя оправдал, о чем свидетельствуют работы. В настоящее время этот метод получил распространение.
Благодаря тому что углерод, как и уголь, является проводником, хотя и с высоким удельным сопротивлением, он может быть очень легко нагрет в высокочастотном электромагнитном поле. Отрицательный температурный коэффициент и возможность варьирования параметров высокочастотного генератора и индуктора в широких пределах принципиально не ограничивают достижимого верхнего температурного предела. Главными параметрами, которые определяют количество теплоты, выделяющейся на 1*10-4 м2 поверхности, глубину прогрева объекта и распределение тока по поверхности, являются мощность генератора, его частота, геометрические размеры индуктора, куда помещается нагреваемый объект, и электрические свойства нагреваемого объекта. Геометрические параметры индуктора - соотношение между размером индуктора и объекта, соотношение между диаметром индуктора и его высотой -определяют в значительной мере КПД системы.
Градиент температуры в объеме сферической частицы при ВЧ -нагреве неизбежен, как и при любом другом методе нагрева. Он определяется прежде всего характером реакции - ее эндотермикой или экзотермикой и теплообменом с окружающей средой. Качественных различий в характер распределения температур метод ВЧ -нагрева внести не может, так как источник теплоты (токи Фуко) находится в узком поверхностном слое. Глубина проникновения токов Фуко σ = 5030
мала, в нашем случае составляла 2 • 10-3 -3*10 –3 м, здесь ρ- удельное сопротивление; μ-магнитная проницаемостъ; f — частота тока. Поток теплоты, как и при нагреве потоком горячего газа, был направлен внутрь тела.
Экспериментально на примере реакции С + 02 для 1800 К показано, что метод нагрева не вносит особенностей протекание реакции.
Индукционный метод нагрева предъявляет определенные требования к системе регистрации изменения массы. Для обеспечения высокой точности наблюдения за процессом образец, нагреваемый в индукторе высокочастотного генератора, не должен смещаться по высоте индуктора при изменении его массы. Вследствие существующей неоднородности распределения напряженности электромагнитного поля по высоте индуктора смещение образца будет приводить к изменению температурного уровня нагрева и электродинамической силы, действующей на образец в индукторе. В соответствии с этими требованиями экспериментальная установка была снабжена прецизионной автоматической весовой системой. Были приняты меры к автоматической стабилизации температуры и к созданию условий нагрева образца с минимально возможным градиентом температуры на его поверхности (см. ниже). Мощность рабочего генератора составляла 5*104 Вт
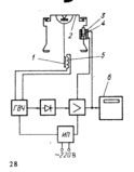
Установка (рис.1.1) состоит из следующих узлов: 1. экспериментальной камеры высокого давления с нагревательным элементом и реакционной трубкой;
2. камеры высокого давления с весовым механизмом;
3. высокочастотного генератора;
4. системы измерения, регулирования и стабилизации температуры;
5. системы приготовления и подачи газовой смеси в реакционную трубку;
6. пультов управления, регулирования и регистрации температуры тела, давления, расхода газа и измерения массы испытуемого материала.
Экспериментальная камера и камера весового устройства устанавливались на общем стенде одна над другой. Камера с весовым устройством может перемещаться вертикально по двум направляющим стежкам при помощи подъемного механизма . Последний состоит из электродвигателя, редуктора, группы шестерен и червяка, жестко скрепленного в вертикальном положении с весовой камерой. Вертикальное перемещение весовой камеры предусмотрено для смены образцов испытуемого материала и ввода их в экспериментальную камеру.
Обе камеры соединяются трубопроводом нижнего фланца весовой камеры, внутри которого проходит подвеска весового механизма; на нем крепится образец исследуемого материала. Соединение герметизируется уплотнением плунжерного типа, находящимся в верхнем фланце экспериментальной камеры.
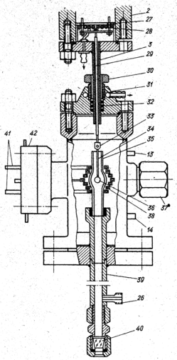
Рис. 1.1. Схема экспериментальной установки (а) и реакционной камеры (б) 1 -экспериментальная камера, 2- весовая камера, 3 –соединительный трубопровод, 4 - подъемный; механизм, 5-к высокочастотному генератору, 6- электрический пирометр к пульту управления весов, 9 - блок генератора высокой частоты (ГВЧ);. Ю - регулятор температуры "Редмет-201"; 11 - блок конденсаторов контура индуктора; 12 -водяное охлаждение; 13 — сброс газа из камеры; 14 - ввод газа в камеру; 15 - кран сброса газа; 16 - редукторы; 17 - осушка газа; 18 - очистка газа от О2; 19-- игольчатые краны регулировки рас- • хода газа; 20 - фильтр; 21 - сверхзвуковое сопло; 22 - дифманометр ДТ-150 с измерительной диафрагмой; 23 - образцовый манометр; 24 - смеситель; 25 - система приготовления и подачи газовой смеси; 26 - ввод газа в реакционную трубку; 27 - отражательный экран; 28 - змеевик водяного охлаждения; 29 - кварцевый участок подвески; 30 - гайка плунжерного уплотнения; 31 - верхний фланец экспериментальной камеры с водяным охлаждением; 32 - плунжерное уплотнение; 33 -устройство для подвешивания образца; 34 - графитовый участок подвески; 35 - кварцевая реакционная трубка; 36 -углеродная частица; 37-смотровое окно; 38 -индуктор; 39 - металлический участок реакционной трубки; 40 - оптическое стекло; 41 -вводы индуктора; 42 -фланец для вводов индуктора с водяным охлаждением.
Экспериментальная камера высокого давления представляет собой цилиндр из нержавеющей стали с приваренными к нему фланцами. Внутренний диаметр камеры 0,130 м, высота 0,400 м. Верхний съемный фланец снабжен водяным охлаждением для уменьшения подвода теплоты к весовому механизму.
В центральной части камеры помещена реакционная кварцевая трубка, соединенная нижним концом с металлической трубкой нижнего фланца камеры. Осесимметрично кварцевой трубке расположен индуктор высокочастотного генератора, вводы которого для подачи высокочастотного напряжения проходят через специальный фланец, расположенный на боковой стенке камеры. Вводы индуктора тщательно герметизированы и электроизолированы.
В кварцевую трубку симметрично относительно индуктора помещается испытуемый образец на графитовой подвеске, прикрепленной к подвеске весового механизма.
1.2.НАГРЕВАТЕЛЬНЫЙ ЭЛЕМЕНТ
Нагревательный элемент – индуктор питается от лампового высокочастотного генератора, смонтированного на базе промышленного генератора типа ИО.60.011. Для увеличения его мощности в схему включены параллельно две генераторные лампы типа Г-452. Мощность в рабочем контуре генератора составляет 50 *103 Вт. Контур индуктора соединен с рабочим контуром генератора по двухконтурной схеме со средней нулевой точкой индуктора и обратной связью по сетке генераторных ламп .
Особого внимания требует нагревательный элемент - высокочастотный индуктор. От правильного выбора его конфигурации и размеров, а также рабочей частоты генератора для заданных формы и размеров нагреваемого тела в значительной степени зависит КПД нагреваемого устройства. Это, в свою очередь, определяет максимально достижимую температуру при данной мощности генератора и характер ее распределения по поверхности и глубине нагреваемого тела.
Распределение выделяемой теплоты в теле и соответственно температуры зависят от распределения индуцируемых токов по поверхности и глубине нагреваемого тела, а также от его теплопроводности и условий теплообмена на границе тела. Известно, что для сферического тела, нагреваемого в цилиндрическом индукторе, распределение настила потока обеспечивает максимальное тепловыделение соответственно температуру на экваторе.
Экспериментальные результаты сублимации углерода были получены на цилиндрическом индукторе с раздвинутым витком. Индуктор был изготовлен из медной трубки прямоугольного сечения размером 6 х 4*10-3 м Высота индуктора 0,042 м, диаметр 0,018 м; расстояние между раздвинутыми витками 0,014 м.
Опыты по взаимодействию углерода с СО2 при повышенных давлениях были проведены с бочкообразным семи витковым индуктором из медной трубки прямоугольного сечения 6-10 -3х4-10 -3 м с толщиной стенки 5 • 10-3 м с крайними витками d = 1,5 • 10 -2 м и средним витком d = 3,5-10 -2 м.
Максимально допустимая частота, необходимая для получения достаточно высокого КПД индукционного нагрева тела сферической формы, оценивалась по формуле
fдоп >4*108 ρ/r2,
где r — радиус нагреваемого тела; ρ — его удельное сопротивление. Для сферического образца из поликристаллического графита диаметром d= 1,25 • 10 -2 м и ρ = 1,0 • 10 -5 Ом • м fдоп > 1 МГц. В качестве рабочей была выбрана часта 1,8 МГц ближайшая разрешенная по радиопомехам.
Применение выбранного индуктора при указанных параметрах высокочастотного генератора (мощность 5,0 *104 Вт и частота 1,8 МГц) позволило при нагреве сферической углеродной частицы диаметром 1,5*10 -2 — 1,25*10 -2 м достигать температуры 3500 К. Этот предел лимитировался больше прочностными свойствами графита, чем параметрами нагревательной системы.
1.3 ВЕСОВОЕ УСТРОЙСТВО
В качестве весового устройства использовались регистрирующие автоматические весы РАВ-10.Они состоят из следующих основных частей: камеры высокого давления с весовым механизмом, электронной следящей схемы автоматического уравновешивания коромысла и пульта управления с самописцем для регистрации изменения массы.
Коромысло весов двуплечее с двумя подвесками. Левая подвеска служит для подвешивания образца и имеет гиревую планку с компенсационными гирями для расширения диапазона регистрируемого изменения массы, правая также имеет гиревую планку с гирями, предназначенными для тарировки весов перед началом работы. Наложение гирь производится с помощью специальных гиревых механизмов.
Автоматический принцип работы весов с непрерывной компенсацией изменения массы осуществляется путем преобразования отклонения коромысла в электрический сигнал. Это преобразование осуществляется с помощью высокочастотного датчика угла отклонения, представляющего собой алюминиевую пластину (рис. 1.2.), жестко закрепленную на коромыле весов и расположенную между двумя катушками, каждая из которых включена в контур высокочастотного генератора (ГВЧ) синусоидальных колебаний. Перемещению пластины соответствует изменение добротности контуров генератора, приводящее к изменению напряжения на его выходе, которое в результате выпрямления и усиления преобразуется в сигнал постоянного тока. Этот сигнал одновременно поступает на потенциометр, шкала которого соответствующим образом проградуирована в единицах массы,и на компенсационные катушки магнитоэлектрического преобразователя, внутри которых могут свободно перемещаться постоянные магниты, жестко связанные с коромыслом весов. Отклвнение коромысла весов регистрируется на диаграмме автоматического потенциометра ЭГШ-09-М2Д
Характеристики
Тип файла документ
Документы такого типа открываются такими программами, как Microsoft Office Word на компьютерах Windows, Apple Pages на компьютерах Mac, Open Office - бесплатная альтернатива на различных платформах, в том числе Linux. Наиболее простым и современным решением будут Google документы, так как открываются онлайн без скачивания прямо в браузере на любой платформе. Существуют российские качественные аналоги, например от Яндекса.
Будьте внимательны на мобильных устройствах, так как там используются упрощённый функционал даже в официальном приложении от Microsoft, поэтому для просмотра скачивайте PDF-версию. А если нужно редактировать файл, то используйте оригинальный файл.
Файлы такого типа обычно разбиты на страницы, а текст может быть форматированным (жирный, курсив, выбор шрифта, таблицы и т.п.), а также в него можно добавлять изображения. Формат идеально подходит для рефератов, докладов и РПЗ курсовых проектов, которые необходимо распечатать. Кстати перед печатью также сохраняйте файл в PDF, так как принтер может начудить со шрифтами.
















