151028 (594619)
Текст из файла
-
ВВЕДЕНИЕ
Принятая энергетическая программа Республики Казахстан предусматривает завершение формирования основных узлов в единой энергетической системе страны с тем, чтобы повысить её манёвренность и надёжность. Это будет достигаться строительством новых тепловых станций на западе страны и работающих на газе, на северо-востоке страны будет предложено строительство мощных КЭС на базе Экибазтуских углей с последующей транспортировкой избытка электрической энергии зарубеж в Россию и Китай. Планируется строительство новых ЛЭП высокого и сверхвысокого напряжения с тем, чтобы направить потоки электроэнергии с востока и северо-востока в направлении юга и запада страны.
В перспективе для более надёжного и полного обеспечения центра страны и особенно юга электрической энергией возможно строительство атомной теплоэлектростанции в районе о. Балхаш. На юге страны возможно строительство нетрадиционных источников электрической энергии – ветровых и солнечных электростанций. Электроснабжение малых изолированных потребителей расположенных в труднодоступных районах возможно осуществить от небольших газотурбинных генераторов.
2. ВЫБОР СИНХРОННЫХ ГЕНЕРАТОРОВ
Таблица 1.«Технические параметры СГ»
| Тип генератора | Рном МВТ | Sном МВА | Uном кВ | cos φ | Iном А | X"d о. е. | n об/мин |
| ТВФ-120-2У3 | 120 | 125 | 10,5 | 0,8 | 6,875 | 0,192 | 3000 |
| ТВВ-220-2ЕУЗ | 220 | 258,3 | 15,75 | 0,85 | 8,625 | 0,1906 | 3000 |
Источник: (уч. 1, стр. 610), (уч. 2, стр.76-103)
X" d- сверх переходное индуктивное сопротивление в относительных единицах (о. е.)
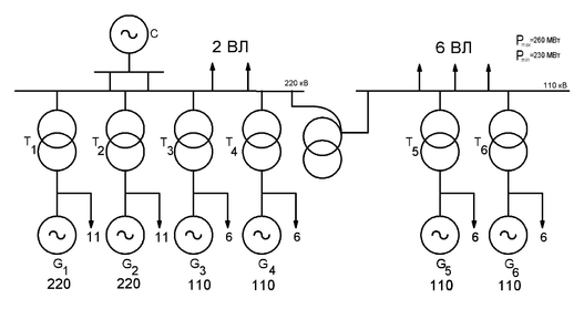
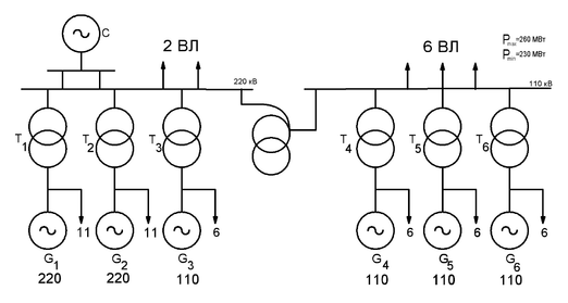
3. ВЫБОР ДВУХ СТРУКТУРНЫХ СХЕМ ЭЛЕКТРИЧЕСКОЙ СТАНЦИИ
Рис. 1 Вариант – I
Рис. 2 Вариант – II
Расход мощности на с. н. одного генератора:
Рс.н.=
×Pном.г;
=5% [уч. 1 стр. 445 таб. 5,2]
Рс.н.=
×120=6 МВт – для генераторов ТВФ-120-2УЗ
Рс.н.=
×220=11 МВт – для генераторов ТВВ-220-2ЕУЗ
Расчёт перетока через АТ связи I – варианта
Pпер.max =2×120-2×6-260=-32 МВт
Pпер.min=2×120-2×6-230=-2 МВт
Расчёт перетока через АТ связи I – варианта
Pпер.max =3×120-3×6-260=82 МВт
Pпер.min=3×120-3×6-230=118 МВт
Вывод: I - вариант по перетоку мощности более экономичен.
Провожу расчёт реактивных составляющих
Qс.н.=Рс.н.=cos
С
. Н. Qc.н.=Рс.н ×
=6×
=4,2 МВар
С
. Н. Qc.н.=Рс.н ×
=11×
=7,7 МВар
Qг1=Рг1×
=120×
=90 МВар
Qг2=Рг2×
=220×
=132 МВар
Qmax=Pmax×
=260×
=130 МВар
Qmin=Pmin×
=230×
=115 МВар
4. ВЫБОР ТРАНСФОРМАТОРОВ
4.1 Выбор блочных трансформаторов I и II варианта мощности провожу по [уч. 1, стр. 390 т. 5,4]
МВА
МВА
МВА
В качестве блочных трансформаторов принимаю [по уч. 2 стр. 146-156 табл. 3,6] на стороне:
- 110 кВ – трансформатор типа ТДЦ-200000/110
- 220 кВ – трансформатор типа ТДЦ-400000/220 – для генератора
ТВВ-220-2ЕУЗ
- 220 кВ – трансформатор типа ТДЦ-200000/220 – для генератора
ТВФ-120-2УЗ
4.2. Выбор автотрансформаторов связи
I – вариант
Sрасч.=
Sрасч.min.=
МВА
Sрасч.max.=
МВА
Sрасч.ав..=
МВА
По наиболее тяжёлому режиму выбирают мощность автотрансформатора связи.
Sтреб.АТ=
=109 мВА
Где Кn=1,4 т.к. график нагрузки и условия работы автотрансформатора неизвестны.
Выбираю два автотрансформатора: АТДЦТН-125000/220/110
II – вариант
Sрасч.=
Sрасч.min.=
МВА
Sрасч.max.=
МВА
Sрасч.ав..=
МВА
По наиболее тяжёлому режиму выбирают мощность автотрансформатора связи.
Sтреб.АТ=
=129.4 мВА
Где Кn=1,4 т.к. график нагрузки и условия работы автотрансформатора неизвестны.
Выбираю два автотрансформатора: АТДЦТН-200000/220/110
Данные выбранных трансформаторов свожу в таблицу 2
Таблица 2
| Тип трансформатора | Кол- во IВ/IIВ | Uном кВ | Р0 кВт | Рк кВт | Uк % | |||||||
| ВН | СН | НН | ВН- -СН | ВН--НН | СН- -НН | ВН- -СН | ВН- -НН | СН- -НН | ||||
| 2×АТДЦТН 200000/220/110 | -/2 | 230 | 121 | 38,5 | 105 | 430 | - | - | 11 | 32 | 20 | |
| 2×АТДЦТН 125000/220/110 | 2/- | 230 | 121 | 10,5 | 65 | 315 | - | - | 11 | 45 | 28 | |
| ТДЦ 200000/220 | 2/1 | 242 | - | 18 | 130 | - | 660 | - | - | 11 | - | |
| ТДЦ 200000/110 | 2/3 | 121 | - | 15,75 | 170 | - | 550 | - | - | 10,5 | - | |
| ТДЦ 400000/220 | 2/2 | 237 | - | 21 | 315 | - | 850 | - | - | 11 | - | |
5. ТЕХНИКО-ЭКОНОМИЧЕСКОЕ СРАВНЕНИЕ ВАРИАНТОВ
Капитальные затраты рассчитываю учитывая стоимость основного оборудования. Данные свожу в таблицу.
Капитальные затраты
Таблица 3
| Тип оборудования | Стоимость ед. обор-я тыс. у.е. | I-вариант | II-вариант | ||
| Кол-во шт. | Стоимость тыс. у.е. | Кол-во шт | Стоимость тыс. у.е. | ||
| Блочные трансформаторы | |||||
| ТДЦ-200000/110 | 222 | 2 | 444 | 3 | 666 |
| ТДЦ-400000/220 | 389 | 2 | 778 | 2 | 778 |
| ТДЦ-200000/220 | 253 | 2 | 506 | 1 | 253 |
| Автотрансформаторы связи | |||||
| АТДЦТН- 125000/220/110 | 195 | 2 | 390 | - | - |
| АТДЦТН- 200000/220/110 | 270 | - | - | 2 | 540 |
| Ячейки ОРУ | |||||
| 220 кВ | 78 | 8 | 624 | 7 | 546 |
| 110 кВ | 32 | 10 | 320 | 11 | 352 |
| Итого | 3062 | 3135 | |||
Потери электрической энергии в блочном трансформаторе ТДЦ-200000/110 присоединённом к сборным шинам 110 кВ [уч. 1 стр. 395 (5,13)]
τ кВТ×ч
Т=Тгод-Трем=8760-600=8160 час
τ=4600 час – время потерь
Тmax=6000 ч. по [уч. 1 стр. 396 рис. 5,6]
ΔW1=8160×170+550×
×4600=2,7×106 кВт× час
Потери в блочном трансформаторе ТДЦ-400000/220 – для генератора ТВВ-220
Характеристики
Тип файла документ
Документы такого типа открываются такими программами, как Microsoft Office Word на компьютерах Windows, Apple Pages на компьютерах Mac, Open Office - бесплатная альтернатива на различных платформах, в том числе Linux. Наиболее простым и современным решением будут Google документы, так как открываются онлайн без скачивания прямо в браузере на любой платформе. Существуют российские качественные аналоги, например от Яндекса.
Будьте внимательны на мобильных устройствах, так как там используются упрощённый функционал даже в официальном приложении от Microsoft, поэтому для просмотра скачивайте PDF-версию. А если нужно редактировать файл, то используйте оригинальный файл.
Файлы такого типа обычно разбиты на страницы, а текст может быть форматированным (жирный, курсив, выбор шрифта, таблицы и т.п.), а также в него можно добавлять изображения. Формат идеально подходит для рефератов, докладов и РПЗ курсовых проектов, которые необходимо распечатать. Кстати перед печатью также сохраняйте файл в PDF, так как принтер может начудить со шрифтами.
















