151028 (594619), страница 2
Текст из файла (страница 2)
ΔW2=8160×315+850×
×4600=4,09×106 кВт× час
Потери в блочном трансформаторе ТДЦ-200000/220
ΔW3=8160×130+660×
×4600=2,6×106 кВт× час
Потери электроэнергии в автотрансформаторе связи в I-варианта по [уч. 1 стр 396 (5,14)] с учётом того, что обмотка НН не нагружена.
τ
τC
I – вариант автотрансформатор АТДЦТН-125000/220/110
=
кВт×ч
Где РКВ=РКС=0,5×РКВ=0,5×315=157,5
SmaxB=SmaxC=
МВА
Т=Тгод=8760 год
II – вариант автотрансформатор АТДЦТН-200000/220/110
=
кВт×ч
Где РКВ=РКС=0,5×РКВ=0,5×430=215
SmaxB=SmaxC=
МВА
Т=Тгод=8760 год
Суммарные годовые потери I – варианта
2×1,12×106+2×2,7×106+2×4,09×106+2×2,6×106=21,02×106 кВт×ч
Суммарные годовые потери II – варианта
2×1,3×106+3×2,7×106+2×4,09×106+1×2,6×106=21,48×106 кВт×ч
Годовые эксплутационные издержки
Где Ра=6,4 %, Ро=2 %,
=0,6×10-2 у.е. кВт×ч по уч. 2 стр. 545
т. у. е.
т. у. е.
Приведённые затраты по уч. 1 стр.395
З=РН×К+U
Где РН=0,12 – нормативный коэффициент экономической эффективности для энергетики
ЗI=0,12×3062+383,328=750,8 т.у.е.
ЗII=0,12×3135+392,220=768,4 т.у.е.
Разница в затратах
Вывод: Варианты равноценны т.к. ∆З<5 %, принимаю вариант – I т. к. по перетоку мощности более экономичнее.
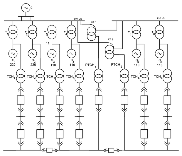
6. ВЫБОР ТРАНСФОРМАТОРОВ С. Н.
6.1 Выбор ТСН рабочих
Рабочие ТСН подключаются отпайкой к блоку их количество равно количеству генераторов. Требуемая мощность рабочих Т.С.Н.
- коэффициент спроса по уч. 1 стр. 20 т. 1,17
Требуемая мощность Т.С.Н.
SСН≥0,85×6=5,1 МВА
По каталогу принимаю для блоков 120 МВт трансформатор ТМН-6300/20
UВН=13,8 кВ
UНН=6,3 кВ
PХ=8 кВт
PК=46,5 кВт
UК= 7,5 %
Требуемая мощность Т.С.Н.
SСН≥0,85×11=9,35 МВА
По каталогу принимаю для блоков 220 МВт трансформатор ТДНС-10000/35
UВН=15,75 кВ
UНН=6,3 кВ
PХ=12 кВт
PК=60 кВт
UК= 8 %
6,2 Выбор резервных трансформаторов С.Н.
Так как на ГРЭС количество блоков больше трёх устанавливаю два РТСН. Один подключён к НН АТ связи, другой в резерве.
Требуемая мощность РТСН
SРТСН≥1,5×SСНmax=1.5×9.35=14.03 МВА
По каталогу принимаю ТДНС-16000/20
UВН=15,75 кВ
UНН=6,3 кВ
PХ=17 кВт
PК=85 кВт
UК= 10 %
Схема ТСН
Рис. 3 схема ТСН
7. ВЫБОР И ОБОСНОВАНИЕ УПРОЩЁННЫХ СХЕМ РУ ВСЕХ НАПРЯЖЕНИЙ
Для РУ 110 и 220 кВ выбираю схему с двумя рабочими и обходной системами шин с одним выключателем на цепь. Как правило, обе системы шин находятся в работе при соответствующем фиксированном распределении всех присоединений. Такое распределение присоединений увеличивает надёжность схемы, т.к. при КЗ на шинах отключается шиносоединительный выключатель QA и только половина присоединений переводят на исправную систему шин перерыв эл. снабжения половины присоединений определяется длительностью переключений.
-
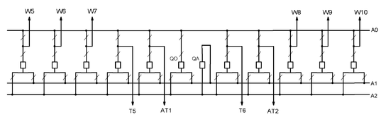
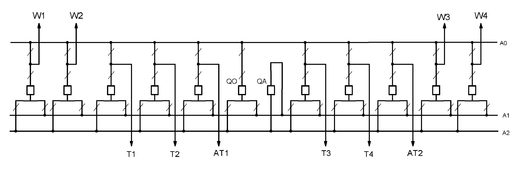
220 кВ число присоединений n=10 принимаю схему с двумя рабочими и обходной системами сборных шин по уч. 1, стр. 416 рис. 515.
Рис. 4
Фиксация на присоединение: 220 кВ
А1: W1, W2, Т1, Т2, АТ1
QO; QA
А2: W3, W4, Т3, Т4, АТ2.
2. 110 кВ число присоединений n=10 принимаю схему с двумя рабочими и обходной системами сборных шин уч. 1, стр. 416 рис. 515.
Рис. 5
Фиксация на присоединение: 110 кВ
А1: W5, W6, W7, Т5, АТ1
QO; QA
А2, W8, W9, W10 , Т6, АТ2.
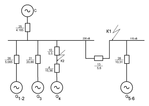
8. РАСЧЁТ ТОКОВ КЗ
8.1. Составляем схему замещения
Рис. 6 Схема замещения
Схема замещения для расчёта трёхфазного КЗ представлена на рис. 5. каждому сопротивлению в схеме присваивается свой порядковый номер, который сохраняется за данным сопротивлением в течении всего расчёта. В схеме сопротивление дробное значение, где числитель – номер сопротивления, знаменатель – численное значение сопротивления.
Определяем сопротивление схемы (рис. 5) при базовой мощности Sб=10000 МВА.
Сопротивление генераторов G1; G2; G3; G4; G5; G6.
X1*=X2*=
X3*=X4*=X5*=X6*=
Для упрощения обозначенный индекс «*» опускаю подразумеваю, что все полученные значения сопротивлений даются в относительных единицах и приведены к базовым условиям. Таким образом:
X1=X2=0.1906×
о.е.
Х3=Х4=X5=X6=0.192×
о.е.
Сопротивление трансформаторов Т1, Т2 – ТДЦ-400000/220 и Т3, Т4 – ТДЦ-200000/220
Х7=Х8=
Х9=Х10=
Х7=Х8=
о. е.
Х9=Х10=
о.е.
Сопротивление трансформаторов Т5, Т6 – ТДЦ-200000/110
Х11=Х12=
Х11=Х12=
о.е.
Сопротивление линий электропередач W1,W2.
Х16=Х17=Худ×l×
Худ=0.32 Ом/км – удельное сопротивление ВЛ-220 кВ по уч. 1 стр. 130
Х16=Х17=0,32×100×
о.е.
Сопротивление АТ связи АТДЦТН-125000/220/110
Сопротивление в процентах
ХТВ%=0,5(UкВ-Н+UкВ-С-UкС-Н)=0,5(45+11-28)=14 %
ХТС%=0,5(UкВ-С+UкС-Н-UкВ-Н)=0,5(11+28-45)=-3 %
ХТН%=0,5(UкВ-Н+UкС-Н-UкВ-С)=0,5(45+28-11)=31 %
Сопротивление в о. е.
Х13=
о. е.
Х14=0 т. к. ХТС% - отрицательное число
Х15=
о. е.
Сопротивление системы
Х18=Хс×
о.е.
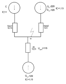
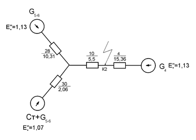
8.2. Упростим схему относительно точки КЗ К1, результирующие сопротивление цепи генератора G1
Х19=Х1+Х7=7,38+2,75=10,13 о. е. Х19=Х20=10,13 о. е. X19=X20=10.31 о. е.
Х21=Х3+Х9=15,36+5,5=20,86 о. е. Х21=Х22=20,86 о. е. X21=X22=20,86 о. е.
Х23=Х5+Х11=15,36+5,25=20,61 о. е. Х23=Х24=20,61 о. е. X23=X24=20,61 о. е.
Результирующее сопротивление цепи однотипных генераторов G1, G2, G3, G4, G5, G6.
Х26=
о. е.
Х27=
о. е.
Х28=
о. е.
Объединяются генераторы G1,G2, G3, G4.
о. е.
Х25=Х16//Х17+Х18=
о. е.
Получили схему замещения
Рис. 7 Лучевая схема замещения
Необходимо произвести разделение цепей связанных цепей КЗ т. к. через сопротивление (13) проходят токи от двух источников.
Эквивалентное сопротивление
Хэкв=Х29//Х25=
о.е.
Результирующие сопротивление
Хрез=Хэкв+Х13=1,9+5,6=7,5 о. е.
Коэффициент распределение токов КЗ по связанным ветвям КЗ
проверка: С1+С2=1 0,4+0,6=1
Результирующие сопротивление по связанным ветвям
о. е.
о. е.
Рис. 8
Начальное значение периодической составляющей тока КЗ
Ino=
Где Х* - результирующие сопротивление ветви схемы
Iб – базовый ток
кА
Ветвь энергосистемы
InoС=
кА
Ветвь эквивалентного источника G1-4
InoG1-4=
кА
Ветвь эквивалентного источника G5-6
InoG5-6=
кА
Суммарный ток
ΣInoK1=Inoc+InoG1-4+InoG5-6=2.7+4.54+5,5=12,74 кА
8.3. Короткое замыкание в точке К2 (на выводе генератора G4) использую частично результаты преобразования предыдущую схему замещения для данной точки КЗ можно представить в виде, показанном на рис. 8.
Рис. 9
Объединяю генераторы G1-2-G3 в G1-3
о. е.
Объединяю генераторы G1-3 c энергосистемой
о. е.
Рис. 10
Провожу разделение цепей для точки КЗ
Определяю эквивалентное сопротивление
Хэкв=Х28//Х30=
о. е.
Определяю результирующие сопротивление
Хрез=Хэкв+Х10=1,72+5,5=7,22 о.е.
Определяю коэффициент распределения тока КЗ по ветвям
проверка: С1+С2=1 0,16+0,84=1
Проверяю сопротивление ветвей с учётом распределения
о. е.
о. е.
Определяю начальную периодическую составляющую тока КЗ в точке К2 по ветвям
Ino=
Где Х* - результирующие сопротивление ветви схемы
Iб – базовый ток
кА
Ветвь генератора и энергосистемы (Ст-G1-3)
InoСт-G1-3=
кА
Ветвь генератора G4
InoG4=
кА
Ветвь генератора источника G5-6
InoG5-6=
кА
Суммарное значение начальной периодической составляющей тока КЗ в точке К2.
ΣInoK1=InoСт-G1-3+InoG4+InoG5-6=72,3+10,5+13,8=126,6 кА
8.4. Ударный ток
Определяем ударные коэффициенты для ветвей схемы замещения по [уч. 1 стр. 149 т. 3,7] и [уч. 1 стр. 150 т.3,8]
Таблица 4
| Точка КЗ | Ветвь КЗ | Та |
|
| К1 СШ 110 кВ | Система G1-4 G5-6 | 0,02 0,26 0,26 | 1,608 1,965 1,965 |
| К2 ввод G4 | Ст-G1-3 G5-6 G4 | 0,15 0,26 0,4 | 1,935 1,965 1,975 |
8.4.1. Ударный ток в точке К1
Где hy - ударный коэффициент
iyс=
кА
iyG1-4=
кА
iyG5-6=
кА
Суммарное значение ударного тока в точке К1
кА
8,4,2 Ударный ток в точке К2
iyСт-G1-3=
кА
iyG5-6=
кА
iyG4=
кА
Суммарное значение ударного тока в точке К2
кА
8.5. Определение токов для любого момента времени переходящего момента КЗ
Значение периодической и апериодических составляющих тока КЗ для времени τ > 0 необходимо знать для выбора коммутационной аппаратуры.
Расчётное время, для которого определяем точки КЗ выделяю как τ=tсв+0,01 сек где tсв – собственное время выключателя помечаю предварительно элегазовый выключатель типа ЯЭ-110Л-23(13)У4 [по уч. 2 стр. 242] tсв=0,04 сек, тогда τ=0,04+0,01=0,05 сек.
8,5,1 Апериодическая составляющая тока КЗ в точке К1 согласно [уч. 1 стр. 113 (3,5)]
Где е – функция определяется по типовым кривым [уч. 1 стр. 151 р. 3,25]
кА
кА
кА
Суммарное апериодической составляющей
кА
8.5.2. Апериодическая составляющая тока КЗ в точке К2 согласно [уч. 1 стр. 113 (3,5)]
Выключатель ЯЭ-220Л-11(21)У4
tсв=0,04 сек, тогда τ=0,04+0,01=0,05 сек.
Где е – функция определяется по типовым кривым [уч. 1 стр. 151 р. 3,25]
кА
кА
кА
Суммарное апериодической составляющей
кА
8.6. Определяю значение периодической составляющей тока КЗ момента времени τ методом типовых кривых [уч. 1 стр. 151 (3,44)рис. 3,26]
Для этого предварительно определяю номинальный ток генератора.
8.6.1. Точка КЗ К1
Ветвь генератора G1-4
I`номG1-4=
I`номG1-4=
кА
Отношение начального значения периодической составляющей тока КЗ от генераторов G1-4 в точке К1 к номинальному току [уч. 1 стр.152 прим.3,4]
кривая
По данному соотношению и времени τ=0,05 сек определяю с помощью кривых [уч. 1 стр. 152 рис. 3,26] отношение:
Таким образом, периодическая составляющая от генераторов G1-4 к моменту времени τ будет:
кА
Ветвь генератора G5-6
I`номG5-6=
I`номG5-6=
кА
Отношение начального значения периодической составляющей тока КЗ от генераторов G5-6 в точке К1 к номинальному току [уч. 1 стр.152 прим.3,4]
кривая
По данному соотношению и времени τ=0,05 сек определяю с помощью кривых [уч. 1 стр. 152 рис. 3,26] отношение:
Таким образом, периодическая составляющая от генераторов G5-6 к моменту времени τ будет:
кА
Ветвь энергосистемы
Периодическая составляющая тока КЗ от энергосистемы рассчитывалось как поступающая в место КЗ от шин неизвестного напряжения.
Inτc=Inoc=2.7 кА
кА
8.6.2. определяю значение периодической составляющей тока КЗ К2 для момента времени τ=0,05 сек
Периодическая составляющая тока КЗ от энергосистемы и присоединённых к ней генераторов G1-3 рассчитывалось как поступающая в место КЗ от шин неизменного напряжения через эквивалентное резертирующие сопротивление поэтому она может быть принята неизменной во времени и равной
Ветвь системы и присоединённых к ней генераторов
InτСт-G1-3=InoСт-G1-3=72,3 кА
Ветвь генератора G1-4
I`номG1-4=
I`номG1-4=
кА
Отношение начального значения периодической составляющей тока КЗ от генераторов G1-4 в точке К1 к номинальному току [уч. 1 стр.152 прим.3,4]
кривая
По данному соотношению и времени τ=0,05 сек определяю с помощью кривых [уч. 1 стр. 152 рис. 3,26] отношение:
Таким образом, периодическая составляющая от генераторов G1-4 к моменту времени τ будет:
кА
Ветвь генератора G5-6
I`номG5-6=
I`номG5-6=
кА
Отношение начального значения периодической составляющей тока КЗ от генераторов G5-6 в точке К1 к номинальному току [уч. 1 стр.152 прим.3,4]
кривая
По данному соотношению и времени τ=0,05 сек определяю с помощью кривых [уч. 1 стр. 152 рис. 3,26] отношение:
Таким образом, периодическая составляющая от генераторов G5-6 к моменту времени τ будет:
кА
кА
8.7. Расчётные токи КЗ
Таблица 5
| Точка КЗ | Ветвь КЗ | Ino; кА | iy; кА | iaτ; кА | Inτ; кА |
| 1 | 2 | 3 | 4 | 5 | 6 |
| К1 СШ 110 кВ | Система G1-4 G5-6
| 2,7 4,54 5,5 12,74 | 6,14 12,62 15,29 34,05 | 0,57 5,78 7 13,35 | 2,7 4,4 4,95 12,05 |
| 1 | 2 | 3 | 4 | 5 | 6 |
| К2 ввод G4 | Ст-G1-3 G5-6 G4
| 72,3 13,8 40,5 126,6 | 197,9 38,4 113,1 349,4 | 76,7 17,6 51,6 145,9 | 72,3 13,11 34,42 119,83 |
9. ВЫБОР ЭЛЕКТРИЧЕСКИХ АППАРАТОВ И ТОКОВЕДУЩИХ ЧАСТЕЙ
9.1. Выбор системы шин 110 кВ шины выполняются голыми сталеалюминевыми проводами марки АС
Условия выбора: Imax≤Iном; Iном=Imax
Iном=
Iном=
А
Выбираю: 2×АС – 300/66 [по уч. 1 стр. 624], Iдоп=2×680=1360 А
Имеем Imax=656,1А<1360А=Iдоп
1. На термическую стойкость проверка не проводится т. к. шины выполнены голыми проводами на открытом воздухе.
2. Проверку на коронирование не проводим т. к. провод выбран с учётом коронирования.
3. Проверку на электродинамическую стойкость не проводят т. к. Ino=10,8<20 кА.
9.2. Выбор ошиновки 110 кВ.
Выполняются таким же проводом, с тем же сечением, что и СШ 110 кВ.
qэ=
мм2
где Iэ=1 А/мм2 при Тmax=6000
принимаю два провода в фазе АС-300/66 наружный диаметр – 24,5 мм, допустимый ток 2×680=1360 А
Imax=656,1А<1360А=Iдоп
9.3. выбор связи между генератором и трансформатором, цепь выполняется комплектным пофазно-экранированным проводом
Условия выбора: Uном≥Uден; Iном≥Imax
Условия проверки: iy≤iдин
Расчётные токи продолжительных режимов
а) Нормальный:
Iнорм=Iном=
Iнорм=Iном=
А
б) Выбор провода АС по условию с учётом рекомендаций ПУЭ на отсутствие короны. Условия выбора Imax доп
Принимаю: 2×АС-400/22
q=2×400=800 мм2>qэ=787 мм2
Iдоп=2×830=1660 А>Imax=787 А
9.4. Выбор выключателей и разъединителей
СШ 110 кВ
Расчётно тепловой импульс:
Вк рас=Iпо2×(tотк+Та)
tотк=0.1-0.2 – зона 1 [по уч. 1, стр. 210 р. 3,61]
Та=0,14 - [по уч. 1, стр. 190]
Вк рас=12,742×(0,2+0,14)=55,19 кА2×сек
Дальнейший расчёт сведён в таблицу 6
Таблица 6
| Расчётные данные | Исходные данные | |
| выключатель ЯЭ-110Л-23(13)У4 | разъединитель РНД-110У/2000У1 | |
| 1) Uуст=110 кВ 2) Imax=656,1 А 3) Iпτ=12,05 кА 4) iаτ=14,69 кА 5) Iпо=12,74 кА 6) iу=31,73 кА 7) Bк рас=55,19 кА2×сек | 1) Uном=110 кВ 2) Iном=1250 А 3) Iном отк=40 кА 4) iном отк= = 5) Iдин=50 кА 6) iдин=125 кА 7) Bк зав=I2тер×tтер= =502×3=7500 кА2×с | 1) Uном=110 кВ 2) Iном=2000 А 3) 4) 5) 6) iдин=100 кА 7) Bк зав=I2×tтер= =402×3=4800 кА2×с |
βн=30% для τ=0,01+tc.в.=0,01+0,04=0,05 сек [по уч.1. стр. 296 рис. 4,54]
9,5 Выбор ТТ и ТН
Рис. 11
Тип ТТ выбирается по более нагруженному присоединению например тупиковая ВЛ.
Определяется мощность приборов подключённых к более нагруженному ТТ – см. таблицу 7.
Нагрузка ТТ 110 кВ
Таблица 7
| Прибор | Тип прибора | Нагрузка фаз (В×А) | ||
| А | В | С | ||
| 1) Амперметр | Э - 350 | 0,5 | 0,5 | 0,5 |
| 2) Ваттметр | Д - 304 | 0,5 | 0,5 | |
| 3) Ваттметр | Д - 345 | 0,5 | 0,5 | |
| 4) Счётчик активной энергии | САЗ – И 670 | 2,5 | 2,5 | |
| 5) Счётчик реактивной энергии | СР4 – И676 | 2,5 | 2,5 | |
| Итого: | 6,5 | 0,5 | 6,5 | |
Sприб=6,5 ВА – полная мощность приборов более нагруженной фазы.
Сопротивление приборов:
rприб=
=0,26
Указание: тип приборов и потребляемая мощность обмоток см. [1, стр.635-636]
ТТ=5 А – вторичный номинальный ток ТТ серии ТФЗМ 110Б – 1
[2, стр. 306 табл. 5, 9]
Допустимое сопротивление проводов
rпров=r2ном- rприб- rк=1,2-0,26-0,1=0,84 Ом
r2ном=1,2 Ом – вторичная номинальная нагрузка в Омах ТФЗМ 110Б – 1 в классе точности 0,5 который необходимо иметь при подключении счётчиков [2, стр. 306, таб. 5,9]
Определение требуемого сечения соединительных проводов.
Используется контрольный кабель с медными жилами (ρ=0,0175 ОМ/м – удельное сопротивление) т. к. на электростанции установлены генераторы мощностью более 100 мВт; соединение обмоток ТТ – «звезда», поэтому Iрасч=L=100 км [1, стр. 374-375 рис. 4]
qтреб > q×
=0,0175×
=3,125 мм2
Рекомендуется принимать сечение для медных жил (2,5 - 6) мм2, поэтому принимается кабель с жилами q=3.5 мм2.
Уточняется сопротивление проводов и вторичная нагрузка ТТ
rпров=
=0,0175×
=0,5 Ом
r2=0.26+0.5+0.1=0.86 Ом
Выбираю - ТТ 110 кВ ТФЗМ 110Б – III
Таблица 8
| Расчётные данные | Каталожные данные |
| Uуст=110 кВ | Uном=110 кВ |
| Imax=656 А | Iном=100 А |
| iу=46,71 кА | iдин=30 кА |
| Bк расч=55,19 кА2×с | Bк зав=I2тер×tтер= |
| r2=0,86 Ом | r2ном=1,2 |
Вк рас=12,742×(0,2+0,14)=55,19 кА2×сек
Выбор ТН 110кВ
Таблица 9
| Приборы | Тип прибора | S одной обмотки | Число обмоток | Число приборов |
| Потребляемая мощность | |
| Рприб | Qприб | ||||||
| Вольтметр реги- страционный | Н-394 | 10 | 1 | 2 | 0,1 | 20 | |
| Частотомер реги- страционный | Н-397 | 7 | 1 | 2 | 0,1 | 14 | |
| Вльтметр | Э-335 | 2 | 1 | 2 | 0,1 | 4 | |
| Частотомер | Э-362 | 1 | 1 | 2 | 0,1 | 1 | |
| Ваттметр | Д-304 | 2 | 2 | 8 | 0,1 | 32 | |
| Ваттметр | Д-345 | 2 | 2 | 8 | 0,1 | 32 | |
| Счётчик активной энергии | САЗ-И/ /670 | 1,5 | 2 | 7 | 0,925 0,38 | 21 | 51 |
| Счётчик реактив- ной энергии | СР-4/ /676 | 3 | 2 | 7 | 0,925 0,38 | 42 | 102 |
| 166 | 153 | ||||||
Q=P×tgφ=
=21×
=51 Вар
Суммарная вторичная нагрузка ТН
S2∑=
=225,7 ВА
По каталогу [2, стр.336, табл. 5,13] принимаем ТН типа НКФ – 110 – 83У1 кВ, имеющий в классе точности 0,5 Sном=400 ВА.
Имеем: S2∑=225,7 ВА < Sном=400 ВА, что означает, что выбранный ТН будет работать в классе 0,5, который необходимо иметь при подключении счётчиков.
Таблица 10
| Прибор | Тип прибора | Нагрузка фаз (В×А) | ||
| А | В | С | ||
| 1) Амперметр | Э - 335 | 0,5 | 0,5 | 0,5 |
| 2) Амперметр регистрирующий | Н-393 | - | 10 | - |
| 3) Ваттметр | Д - 335 | 0,5 | - | 0,5 |
| 4) Ваттметр регистрирующий | Н-395 | 10 | - | 10 |
| 5) Ваттметр | Д-335 | 0,5 | - | 0,5 |
| 6) Счётчик активной энергии | САЗ-и-681 | 2,5 | - | 2,5 |
| Итого: | 14 | 10,5 | 14 | |
Ом
R2=Rпров+Rприб+Rк=0,2+0,56+0,1=0,86 Ом
Где
Ом
I2ном – вторичный номинальный ток ТТ серии ТШ-20-10000/5 со встроенным токопроводом
А
А
Imax=9590,6 А<10000 А=Iном
Принимаю ТТ, выбор которого представлен в таблице 11. Токопровод ГРТЕ-20-10000-300
Таблица 11
| Расчётные данные | Каталожные данные: ТШ-20-10000/5 |
| Uуст=10,5 кВ | Uном=10,5 кВ |
| Imax=9590,6 А | Iном=10000 А |
| iу=349,4 кА | не проверяется |
| Bк расч=5449,4 кА2×с | Bк зав=I2тер×tтер=1602×3=76800 |
| r2=0,86 Ом | r2ном=1,2 |
Вк рас=126,62×(0,2+0,14)=5449,4 кА2×сек
Rпров=R2ном-Rприб-Rк=1,2-0,56-0,1=0,54 Ом
Выбор ТН 10,5 кВ
Таблица 12
| Приборы | Тип прибора | Мощ. одной обмотки | Число обмоток | cosφ | sinφ | Число приборов | Общая мощ. | |
| Р | Q | |||||||
| Вольтметр | Э-335 | 2 | 1 | 1 | 0 | 1 | 2 | - |
| Ваттметр | Д-335 | 1,5 | 2 | 1 | 0 | 2 | 6 | - |
| Варметр | Д-335 | 1,5 | 2 | 1 | 0 | 1 | 3 | - |
| Счётчик активной энергии | И-680 | 2 | 2 | 0,38 | 0,925 | 1 | 4 | 9,7 |
| Датчик активной энергии | Е-829 | 10 | - | 1 | 0 | 1 | 10 | - |
| Вольтметр регистрирующий | Н-344 | 10 | 1 | 1 | 0 | 1 | 10 | - |
| Датчик реактивной мощности | Е-830 | 10 | - | 1 | 0 | 1 | 10 | - |
| Ваттметр регистрирующий | Н-348 | 10 | 2 | 1 | 0 | 1 | 20 | - |
| Частотомер | Э-372 | 3 | 1 | 1 | 0 | 2 | 6 | - |
| Итого: | 71 | 9,7 | ||||||
Суммарная вторичная нагрузка ТН
S2∑=
=71,66 ВА
По каталогу принимаю ЗНОМ-15-63УII для которого Sном=75 ВА в классе точности 0,5 необходимо для подключения к счётчика.
Имею: S2∑==71,66 ВАном=75 ВА
10. ВЫБОР ЭЛЕКТРИЧЕСКИХ АППАРАТОВ ПО НОМИНАЛЬНЫМ ПАРАМЕТРАМ
10.1. СШ 220 кВ
А
Выключатель: Элегазовый ЯЭ-220Л-11(21)У4
Uном=220 кВ
Iномвык=1250 А>Iном=677,9
Iномотк=40 кА
Iдим=40 кА
iу=100 кА
Iт2×tт=502×3=7500 кА2×сек
Разъединитель: РНД-220/1000
Uном=220 кВ
Iном=1000 А>Iном=677,9
Iдим=100 кА
Iт2×tт=402×3=4800 кА2×сек
Трансформатор тока: ТФЗМ-220Б-I
Uном=220 кВ
Iном=1000 А
Iном2=5 А
R2=1,2 Ом
Трансформатор напряжения: НКФ-220-58У1
Uном=220 кВ
Sном=400 ВА
10.2. Блочная часть на стороне 110кВ
А
Трансформатор напряжения:
Принимаю: НКФ-220-58У1
Uном=15 кВ
Sном=75 ВА
Трансформатор тока: ТШВ-15-8000У3
Uном=15 кВ
Iном=8000 А
Iном2=5 А
R2=1,2 Ом
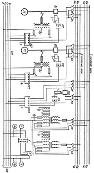
11. ВЫБОР СХЕМЫ СИНХРОНИЗАЦИИ
Схема синхронизации для электростанций с двумя системами шин показана на рис. 11. основными элементами схемы являются шинки синхронизации ШС, к которым присоединена вторичные цепи напряжения обоих генераторов и обеих систем шин через шинки аш и сш и блок контакты БК разъединителей, а также все приборы колонки синхронизации, ключи синхронизации КС1 и КС2 генераторов, ключ синхронизации КС3 шин и ключ К включения синхроноскопа.
Оба частотомера Нz и оба вольтметра V колонки соответственно показывают частоту и напряжение включаемого генератора и сети, к которой он присоединяется.
Процесс точной ручной синхронизации, например между включаемым генератором Г1 и I системой шин, протекает следующим образом. При нормальной частоте вращения (обычно n=3000 об/мин) генератору Г1 подаётся возбуждение и его напряжение доводится до номинального (10,5; 15,75.). В это время I система шин присоединена к сети и также находится под напряжением. Персонал включает ключ синхронизации КС1, подаёт оперативный ток к электромагниту включения ЭВ выключателя и, находясь на щите управления электростанции, может уровнять напряжения и частоту включаемого генератора с напряжением и частотой сети. Для этого он пользуется соответственно шунтовым реостатом схемы возбуждения генератора Г1 и ключом дистанционного управления двигателем механизма изменения частоты вращения турбины. Добившись равных значений напряжения и частоты у генератора и на шинах, персонал ключом К включает синхроноскоп S. Наблюдая за направлением и быстротой вращения стрелки синхроноскопа, более точно регулируют число оборотов генератора и его напряжение. При медленном подходе стрелки непосредственно к красной черте синхроноскопа, когда частота включаемого генератора несколько больше частоты сети, персонал кнопкой КУ включает выключатель В1 генератора и тем самым подсоединяет последний на параллельную работу с сетью. Затем приступают к набору нагрузки на генераторе, воздействуя короткими импульсами с интервалами 10-20 с на двигатель механизма изменения частоты вращения турбины. Аналогично осуществляется синхронизация генератора Г1 со II системой шин.
Генератор надо включать не тогда, когда стрелка синхроноскопа стала на красную черту, а с некоторым опережением (при подходе стрелки к черте), определяемым собственным временем включения выключателя. Это облегчает включение генератора в сеть, так как его частота несколько больше частоты сети, мощность которой весьма значительна.
Синхронизацию генератора Г2 с I и II системами шин выполняют с помощью ключа КС2, а синхронизацию I системы шин со II – с помощью ключа КС3. при этом одна из систем шин присоединяется через шинки синхронизации аг, b, сг к роторной обмотке синхроноскопа. Включение обеих систем шин на параллельную работу производят выключением ШВ.
Точная автоматическая синхронизация выполняется с помощью специальных устройств – автосинхронизаторов АСТ-4Б, АСУ-12, АСТ-44, УБАС (на полупроводниковых логических элементах), с автоматическими уравнителями частоты и напряжения, воздействующими на цепь возбуждения и двигатель механизма изменения частоты вращения турбины.
Включение генераторов на параллельную работу способом самосинхронизации заключается в том, что невозбуждённый генератор разворачивают примерно до синхронной частоты вращения и включают вручную полуавтоматически или автоматически в сеть. Затем в обмотку ротора генератора подают возбуждение и генератор входит в синхронизм. Этот способ имеет преимущества перед способом точной синхронизации: не требуется подгонки и уравнения частот и напряжений, благодаря чему генератор быстро включается в сеть, что очень важно при аварийном положении и низком уровне частоты и напряжения в энергосистеме.
Недостатками способа самосинхронизации является значительные толчки тока, возникающие при включении невозбуждённого генератора на напряжение сети, и понижение в этот момент напряжения у потребителей.
Полуавтоматическую схему используют обычно на турбогенераторах, где пуск и включение генераторов автоматизированы только частично.
На электростанциях очень часто применяют оба способа синхронизации – самосинхронизацию и точную автоматическую синхронизацию. Автосинхронизаторы используют в нормальных условиях, в особенности на гидроэлектростанциях для частого пуска генератора. В аварийных случаях, а также при резком снижении частоты в системе, когда требуется быстрый ввод новых мощностей, генераторы включают способом самосинхронизации (турбогенераторы до 200 МВт и гидрогенераторы до 500 МВт).
Перед включением генератора обмотка ротора должна быть замкнута на гасительное сопротивление или якорь возбудителя.
Самосинхронизацию можно применять и в нормальных условиях для всех гидрогенераторов и СК, когда генераторы работают в блоке с трансформаторами или когда толчки тока статора не превосходят допустимых величин.
12. РАСЧЁТ РЗ
Дифференциальная защита блока генератор-трансформатор.
Дифференциальная защита блока генератор-трансформатор является основной быстродействующей защитой трансформаторов и генераторов. Принцип действия ее основан на сравнении величины и фазы токов в начале и конце защищаемой зоны. Защита выполняется с помощью реле типа ДЗТ– 11, подключается к трансформаторам тока, установленным со стороны нулевых выводов генератора и со стороны высшего напряжения трансформатора.
Расчёт.
Первичные номинальные токи.
А
А
Выбор трансформаторов тока:
На стороне ВН выбираем ТТ - ТФЗМ-220Б-I
ВН
На стороне НН выбираем ТТ - ТШ-20
НН
Вторичные номинальные токи.
А
А
Плечо НН с большим током принимается за основное, там устанавливается тормозная обмотка реле ДЗТ-11.
Определяется первичный ток небаланса без учета третьей составляющей.
где IK max= Iпо =126,6 А ( по таблице 5 «Расчетные токи к.з.»)
(1×1×0,1+0,1)×126,6=25,32 А
Ток срабатывания защиты выбирается только по условию отстройки от броска тока намагничивания:
А
1,3×596,4=775,32 А
10.6. Определяются числа витков обмотки ДЗТ-11.
А
Fср = 100 А в - м.д.с. реле ДЗТ-11
Принимается wнеосн = 20 витков.
Ток срабатывания защиты на стороне НН
Расчетное число витков на основной стороне
Принимается wосн = 18 витков.
Определяется третья составляющая тока небаланса
Ток небаланса с учетом третьей составляющей
Окончательно принятое число витков
wосн = wурI = 18 витков
wнеосн = wур II = 19 витков
Проверка:
Определяется число витков тормозной обмотки реле ДЗТ-11, необходимое для отстройки при внешнем к.з.
где wp=18,05 - расчетное число витков рабочей обмотки на стороне НН.
Принимается wT = 5 витков.
10.13. Определяется коэффициент чувствительности защиты.
Чувствительность обеспечена.
13. ОПИСАНИЕ КОНСТРУКЦИЙ ОРУ
Для широко распространённой схемы с двумя рабочими и обходной системами шин применяется типовая компоновка ОРУ, разработанная институтам «Энергосетьпроект».
На схеме приведены разрез и план ячейки ОРУ 220 кВ рассмотренному типовому проекту. В принятой компоновке все выключатели размещаются в один ряд около второй системы шин, что облегчает их обслуживание. Такие ОРУ называется однорядными в наличие от других компоновок, где выключатели линий расположены в одном ряду, а выключатели трансформаторов – в другом. В типовых компоновках выключатель не изображается, показано лишь место его установки (узел выключателя и шинной опоры). При конкретном проектировании, когда тип выключателя выбран, разрабатывается его установочный чертёж.
Из схемы видно, что каждый полюс шинных разъединителей второй системы шин расположен под проводами соответствующей фазы сборных шин. Такое расположение (килевое) позволяет выполнить соединение шинных разъединителей (развилку) непосредственно под сборными шинами и на этом же уровне присоединить выключатель.
Рассмотренные разъединители имеют пополюсное управление.
Ошиновка ОРУ выполняется гибким сталеалюминевым проводом. При большой нагрузке или по условиям проверки на коронирование в каждой фазе могут быть два – три провода. На схеме сборные шины и ошиновка ячеек выполнены сдвоенным проводом 2 × АС с дистанционными распорками, ошиновка в сторону шинных аппаратов – одним проводом по фазе. Линейные и шинные порталы и все порталы и все опоры под аппаратами – стандартные, железобетонные.
15. ОХРАНА ТРУДА
15.1 Организация безопасной эксплуатации электроустановок
Действующими называют электроустановки, которые находятся под напряжением, либо на которых напряжения нет, но может быть подано путём включения выключатель, разъединителя, отделителя или другой коммутационной аппаратуры. В действующих электроустановках осуществляется: оперативное обслуживание, в том числе: а) периодические осмотры электрооборудования, уборка помещений, мелкий ремонт в порядке текущей эксплуатации переключения в связи с изменением схемы и режима работы электроустановки; ремонтные работы, в том числе: а) периодические ремонты и испытания электрооборудования, требующие снятия напряжения со всей электроустановки или с её части; б) аварийные ремонты; в) монтаж и демонтаж электрооборудования.
Работа в электроустановках вследствие того, что человек может быть поражен электрическим током. Основой безопасной работы являются высокая техническая грамотность обслуживающего персонала, дисциплина и неуклонное выполнение ПТЭ и ПТБ.
По степени опасности и необходимым мерам защиты работы в электроустановках напряжением выше 1000 В делят на следующие группы:
I. Работа без снятия напряжения, выполняемая вдали от токоведущих частей. Отключения оборудования не требуется. Исключены случайные приближение и прикосновения к токоведущим частям, находящимся под напряжением, т. е. вероятность поражения током.
II. Работа без снятия напряжения, выполняемая вблизи и на токоведущих частях, находящихся под напряжением. Перед работой необходимо выполнить технические и организационные меры защиты, обеспечивающие безопасность работающих. Работа на токоведущих частях выполняется с помощью изолирующих средств.
III. Работа с частичным снятием напряжения. Напряжение снято только с того присоединения, на котором ведётся работа, либо оно снято полностью с электроустановки, но открыт доступ в соседние помещение, где токоведущие части находятся под напряжением.
IV. Работа с полным снятием напряжения. Со всех элементов электроустановки напряжением выше 1000 В снято. Доступ в соседние помещения, где имеются находящиеся под напряжением выше 1000 В части, закрыт.
При производстве работ в электроустановках выполняются технические и организационные меры предосторожности для того, чтобы исключить случайную подачу напряжения к месту работы и случайное приближение или прикосновение к токоведущим частям, оставшимся под напряжением.
Персонал, обслуживающий электроустановки, называется электротехническим. Оперативный (дежурный) персонал осуществляет оперативное обслуживание электростанции, подстанции, сетевого района или распределительных электросетей, выполняет осмотры и оперативные переключения электрооборудования, подготовку рабочих мест для монтажных и ремонтных работ и организует допуск к этим работам. При обслуживании нескольких подстанций дежурный персонал называют оперативно-выездным, так как он с места дежурства выезжает к месту работ.
Ремонтный и наладочный персонал осуществляет текущие, капитальные ремонты и наладку оборудования. Некоторым лицам ремонтного и наладочного персонала, прошедшим специальное обучение, стажирование в сменах и проверку знаний оперативной работы и схем, могут быть присвоены права оперативного персонала, о чём делается запись в удостоверении. В том случае они относятся как к ремонтному или наладочному, так и к оперативному персоналу.
К работе в электроустановках допускаются только те лица, которым присвоена соответствующая квалификационная группа по технике безопасности. Таких групп пять, пятая группа – наивысшая. Основные требования к лицам, имеющим квалификационную группу, заключается в следующем.
V группа. Необходимо знать схемы и оборудование своего участка, ПТБ как в общей, так и в специальной частях. Ясно представлять, чем вызваны требования этих правил. Уметь организовать безопасное выполнение работы. Знать правила первой помощи; уметь её оказать. Уметь обучить персонал правилам техники безопасности и первой помощи.
К этой группе относятся мастера, техники, инженеры с законченным специальным образованием и стаж работы в электроустановках не иене полу года, а также электромонтёры и электрослесари с большим стажем и опытом работы в электроустановках.
IV группа. Необходимо знать электротехнику в объёме техникума, все разделы ПТБ, знать электроустановку настолько, чтобы свободно производить переключения, полностью представлять опасность работы в электроустановках; знать правила оказания первой медицинской помощи и уметь её оказать; уметь вести надзор за работающими членами бригады, организовать безопасное проведение работы.
Эту квалификационную группу могут иметь начинающие инженеры и техники, имеющие стаж работы в III группе не менее двух месяцев, а также оперативный персонал и ремонтный персонал – электромонтеры и электрослесари со стажем работы в электроустановках не менее 1 г.
III группа. Требования к этой группе те же, что и к IV, но достаточны элементарные познания в электротехнике. Стаж работы требуется не менее 6 месяцев.
II группа. Необходимы элементарное знакомство с электроустановкой, представление об опасностях электрического тока. Следует знать основные меры предосторожности и правила подачи первой помощи. К этой группе относятся электромонтеры со стажем работы в электроустановках 1 месяц и практиканты институтов, техникумов, училищ, а также лица неэлектротехнических специальностей, работающие не менее 6 месяцев.
I группа. Лица, связанные с обслуживанием электроустановок, но не имеющие электротехнических знаний, отчетливого представления об опасностях электрического тока и мерах безопасности при работах в электроустановках. К этой группе относятся персонал, не проходивший проверку знаний ПТБ.
15.2 Меры безопасности при обслуживании электроустановок
Осмотры электроустановок. Электроустановки осматриваются без снятия с них напряжения, вдали от токоведущих частей. Дефекты появляются визуально – осмотром и на слух. Право единоличного осмотра электроустановки имеет дежурный с квалификационной группой не ниже III или административно-технический работник, имеющий V группу в установках напряжением выше 1000 В и IV группу в электроустановках напряжением ниже 1000 В.
Как правило, при осмотрах нельзя проходить за ограждения, снимать их и входить в камеры распределительных устройств, не имеющие барьеров. При необходимости разрешается работнику с квалификационной группой не ниже IV войти за ограждение, но при условии, что токоведущие части недоступны, т. е. нижние фланцы изоляторов находятся от пола на расстоянии более 2 м, а неограждённые токоведущие части – на расстоянии более 2,75 м при напряжении 35 кВ и 3,5 при напряжении 110 кВ.
Во избежание проникновения в помещение электроустановки посторонних лиц или животных помещения запирают.
У дежурного персонала для каждого помещения имеется несколько комплектов ключей, из них одним комплектом пользуется дежурный, обслуживающий данную электроустановку, другой комплект – аварийный. Остальные комплекты ключей дежурный выдаёт под расписку ответственным руководителям, производителям работ и наблюдающим. Ключи выдаются только на время работы и должны сдаваться обратно по её окончании.
Оперативные переключения. Отключения и изменения в электрических схемах могут производится только по распоряжению или с ведома того дежурного персонала, в управлении или ведении которого находится данное оборудование. При пожарах, несчастных случаях или при стихийных бедствиях можно немедленно отключать электрооборудование без согласования с вышестоящим дежурным персоналом, но обязательно с последующим уведомлением его.
Лицо, отдающее распоряжение о переключениях, обязано проверить последовательность операций по оперативной схеме. Дежурный, получивший распоряжение, обязан повторить его и записать в оперативный журнал.
По оперативной схеме или макету этот дежурный начинает порядок операций. Если переключения выполняют два лица, то первое лицо, являющиеся старшим, разъясняет второму (исполнителю) задание и последовательность его выполнения.
В электроустановках напряжением выше 1000 В, не оборудованных полностью блокировкой от неправильных операций с разъединителями, сложные переключения производятся по бланкам.
В бланке переключений производится запись всех операций о включении и отключении электрооборудования точно в той последовательности, в которой эти операции должны выполнятся.
Простые переключения на одном электрическом присоединении и переключения в установках, полностью оборудованных блокировкой разъединителей от неправильных операций, могут выполнятся без бланков.
Бланки переключений заполняет и подписывает дежурный, который является непосредственным исполнителем. Старший дежурный, контролирующий выполнение операций, проверяет бланк и также его подписывает. На месте работы старший дежурный зачитывает содержание операции, исполнитель повторяет прочитанное и приступает к выполнению. Старший контролирует действия исполнителя и сразу отмечает в бланке выполнение операции. При сомнении в правильности операций работа прекращается до выяснения правильного порядка переключений. Если дежурный делает переключения единолично, то он зачитывает последовательность операций, указанных в бланке, по телефону старшему дежурному, отдавшему распоряжение. Этот дежурный является контролирующим лицом.
Разрешение на переключения исполнитель обязан получить по телефону непосредственно перед их выполнением.
Присоединение включают или отключают с помощью выключателей. Если выключатель имеет ручной привод, то операции с ним выполняются в диэлектрических перчатках, с изолирующего основания. Включать выключатель следует быстро и решительно до упора.
Отключение и включение разъединителей выполняется, как правило, без нагрузки.
Разъединители следует включать рывком. Если при этом возникает дуга, то ножи следует довести до конца. В противном случае обратный ход ножа вызывает развитие дуги и несчастный случай. Отключать разъединители следует наоборот, медленно, особенно в начальный момент. Если появится дуга при отходе ножей от гудок, то разъединитель следует включить обратно.
Разъединители отключают (включают) в диэлектрических перчатках. Разъединители с пофазным управлением и с вертикальным расположением – в диэлектрических перчатках, с использованием изолирующих штанг и стоя на изолирующем основании. Старшим может быть дежурный, имеющий не менее чем IV квалификационную группу. Простые переключения на одном электрическом присоединении разрешается выполнять оперативному персоналу, имеющему не ниже чем IV квалификационную группу, единолично.
Проверять отсутствие напряжение, накладывать и снимать переносные заземления разрешается не менее чем двум исполнителям.
В установках напряжением до 1000 В аппаратуру переключает один работник, имеющий III квалификационную группу, если он дежурный, или IV квалификационную группу, если он не является дежурным.
Персонал, выполняющий переключения, должен твердо знать, что в случае исчезновения напряжения оно может быть подано вновь без предупреждения как в условиях нормальной эксплуатации, так и при авариях.
5.3 Работа по распоряжениям
По распоряжению выполняются работы, которые производят вдали от токоведущих частей, находящихся под напряжением: а) уборка территории и помещений, в том числе за панелями щитов; б) ремонт аппаратуры, освещения и связи, замена ламп вне камер; в) возобновление надписей на ограждениях и кожухах; г) ремонт строительной части зданий, фундаментов оборудования, перекрытий кабельных каналов; ж) надзор за сушкой отключённого оборудования.
Так же по распоряжению выполняется монтаж, проверка, снятие, установка измерительных приборов устройств автоматики и связи, работы во вторичных цепях. Эти работы производятся при условии, что в помещении либо нет токоведущих частей напряжением выше 1000 В, либо они полностью закрыты, либо находятся на не доступной высоте. Работы выполняет ремонтный персонал, обслуживающий данную установку бригадой, состоящей не менее чем из двух лиц. Некоторые работы могут выполнятся оперативным персоналом или под его наблюдением.
По распоряжению разрешается выполнять небольшие кратковременные работы (до 1 ч.) с полным или частичным снятием напряжения и наложением заземления: отсоединения и присоединения питающего кабеля к электродвигателю, доливка и устранения течи масла, переключение ответвлений на трансформаторе.
5>1360>1360>20>10000>















