150668 (594573)
Текст из файла
Введение
Электрификация обеспечивает выполнение задачи широкой комплексной механизации и автоматизации производственных процессов, что позволяет усилить темпы роста производительности общественного труда, улучшить качество продукции и облегчить условия труда. На базе использования электроэнергии ведется техническое перевооружение промышленности, внедрение новых технологических процессов и осуществление коренных преобразований в организации производства и управлении им. Поэтому в современной технологии и оборудовании промышленных предприятий велика роль электрооборудования, т.е. совокупности электрических машин, аппаратов, приборов и устройств, посредством которых производится преобразование электрической энергии в другие виды энергии и обеспечивается автоматизация технологических процессов.
Электромашиностроение – одна из ведущих отраслей машиностроительной промышленности. Процесс изготовления электрической машины складывается из операций, в которых используется разнообразное технологическое оборудование. При этом основная часть современных электрических машин изготовляется методами поточно-массового производства. Специфика электромашиностроения заключается главным образом в наличии таких процессов, как изготовление и укладка обмоток электрических машин, для чего применяется нестандартизированное оборудование, изготовляемое обычно самими электромашиностроительными заводами.
Электромашиностроение характерно многообразием процессов, использующих электроэнергию: литейное производство, сварка, обработка металлов и материалов давлением и резанием, термообработка и т.д. Предприятия электромашиностроения широко оснащены электрифицированными подъемно-транспортными механизмами, насосными, компрессорными и вентиляторными установками.
Современная энергетика характеризуется нарастающей централизацией производства и распределения электроэнергии. Для обеспечении подачи электроэнергии от энергосистем к промышленным объектам, установкам, устройствам и механизмам служат системы электроснабжения состоящие из сетей напряжением до 1000 В и выше и трансформаторных, преобразовательных и распределительных подстанций. Для передачи электроэнергии на большие расстояния используются сверхдальние линии электропередач (ЛЭП) с высоким напряжением: 1150 кВ переменного тока и 1500 кВ постоянного тока.
В современных многопролетных цехах автомобильной промышленности широко используют комплектные трансформаторные подстанции (КТП), комплектные распределительные установки (КРУ), силовые и осветительные шинопроводы, аппараты коммутации, защиты, автоматики, контроля, учета и так далее. Это создает гибкую и надежную систему электроснабжения, в результате чего значительно уменьшаются расходы на электрообеспечение цеха.
Автоматизация затрагивает не только отдельные агрегаты и вспомогательные механизмы, но во все большей степени целые комплексы их, образующие полностью автоматизированные поточные линии и цехи.
Первостепенное значение для автоматизации производства имеют многодвигательный электропривод и средства электрического управления. Развитие электропривода идет по пути упрощения механических передач и приближения электродвигателей к рабочим органам машин и механизмов, а так же возрастающего применения электрического регулирования скорости приводов.
Целью настоящего дипломного проекта является проектирование электроснабжения механического цеха №5. Основной задачей настоящего проекта является проектирование надежного бесперебойного электроснабжения приемников цеха с минимальными капитальными затратами и эксплуатационными издержками и обеспечение высокой безопасности.
1. Расчетно-технологическая часть
1.1 Общая характеристика технологического процесса проектируемого цеха
Механический цех относится к основному производству машиностроительного предприятия. В нем выполняются операции по обработке деталей после отливки и доведение их до завершенного состояния с последующей отправкой в цех сборки. Преобладает оборудование по обработке металлов резанием. Присутствуют станки массового производства с ЧПУ, а также поточные конвейерные и автоматические линии.
Цех состоит из четырех пролетов, шириной по 12 м. Согласно требуемой технологии обработки изделий цех оснащен современным технологическим оборудованием – это металлорежущие станки, электропечи, точечные и шовные сварочные машины. Имеется общепромышленное оборудование – это подъемно-транспортные механизмы, насосы, вентиляторы
1.2 Характеристика потребителей электрической энергии. Выбор напряжения и схемы электроснабжения приемников цеха
Основными потребителями электрической энергии механического цеха являются металлорежущие станки, точечные и шовные сварочные машины, насосы, вентиляторы, электропечи и краны. Цех оснащен станками различного назначения: токарные, сверлильные, шлифовальные, фрезерные, плоско и круглошлифовальные, заточные, координатно-расточные, МРС с ЧПУ и другие.
Согласно Правилам Устройства Электроустановок электроприемники по бесперебойности электроснабжения относятся ко II и III категории. Электроприемники работают в повторно-кратковременном (ПКР) и длительном режимах.
Важной технической задачей, которую нужно решать при проектировании электроснабжения, является выбор напряжения силовой и осветительной сети. От правильности выбора будут зависеть потери напряжения, электроэнергии и многие другие факторы. Выбор напряжения основывается на сравнении технико-экономических показателей различных вариантов. При выборе напряжения для питания силовых и осветительных потребителей следует отдавать предпочтение варианту с более высоким напряжением, так как чем больше величина U, тем меньше ток в проводах, тем меньше сечение, меньше потери мощности и энергии.
Согласно Правилам Устройства Электроустановок и Правилам Технической Эксплуатации в Российской Федерации для электроустановок с U ≤ 1000 В приняты следующие стандартные напряжения переменного тока: 110 В, 220 В, 380 В, 660 В. Наибольшее распространение на предприятиях машиностроительной промышленности получила система трехфазного тока напряжением 380/220 В частотой 50 Гц с глухозаземленной нейтралью. Широко используется так же система напряжения 660/380 В.
Для проектируемого цеха применяем систему трёхфазного переменного тока с напряжением 380/220 В с глухозаземлённой нейтралью, что позволяет питать от одних и тех же трансформаторов силовые и осветительные нагрузки. Силовые потребители питаются напряжением 380 В, а освещение напряжением 220 В. Согласно требований Техники Безопасности питание цепей управления и местного освещения осуществляется пониженным напряжением: Цепи управления питаются напряжением 110 В, освещение 12 В или 24.
При питании силовой и осветительной сети от однотрансформаторной ТП возникает мигание света осветительных приборов, так как происходит запуск мощных двигателей и возникают большие пусковые токи. Поэтому питание осуществляют от двухтрансформаторной КТП. Силовые приемники с большими и частыми пиковыми нагрузками нужно подключить к одному из трансформаторов КТП, а более «спокойную» нагрузку к другому трансформатору. В этом случае рабочее освещение необходимо запитывать от трансформатора со «спокойной» нагрузкой, а аварийное освещение от трансформатора с «неспокойной» нагрузкой, с тем чтобы обеспечить надлежащее качество рабочего освещения.
Выбор схемы электроснабжения приемников цеха зависит от многих факторов:
-
мощности отдельных потребителей;
-
расположения потребителей;
-
площади цеха;
-
технологического процесса цеха, определяющего категорию электроприемников по бесперебойности электроснабжения.
Система электроснабжения должна удовлетворять следующим требованиям:
-
удобство и надежность обслуживания;
-
надлежащее качество электроэнергии;
-
бесперебойность и надежность электроснабжения как в нормальном, так и в аварийном режиме;
-
экономичность системы, то есть наименьшие капитальные затраты и эксплуатационные издержки;
-
гибкость системы, то есть возможность расширения производства без существенных дополнительных затрат.
Для передачи и распределения электроэнергии к цеховым потребителям применяем наиболее совершенную схему блока «трансформатор – магистраль», что удешевляет и упрощает сооружение цеховой подстанции. Такие схемы очень распространены и обеспечивают гибкость системы и ее надежность, а также экономичность в расходе материалов.
Электроснабжение выполняется магистральными шинопроводами, запитываемыми непосредственно от РУ – 0,4 цеховой КТП, к которым присоединяются распределительные шинопроводы, а от них радиальными линиями осуществляется питание всех электроприемников. Ответвления от ШМА к ШРА и от ШРА к отдельным приемникам выполняются проводами в тонкостенных трубах
1.3 Расчет осветительной и силовой нагрузки
1.3.1 Расчет мощности на электроосвещение цеха
Достаточная освещённость рабочей поверхности – это необходимое условие для обеспечения нормальной работы человека и высокой производительностью труда.
Для проектируемого цеха принимаем систему комбинированного освещения, состоящего из общего равномерного и местного освещения.
Расчёт мощности ведём методом «удельных мощностей». Суть этого метода в том, что установленная мощность светильников зависит от нормируемой освещённости цеха, высоты подвеса светильника, площади освещаемой поверхности, коэффициентов отражения потолка, рабочей поверхности и стен.
Освещение в цехе производим лампами ДРЛ. Согласно заданию среда в цехе нормальная, принимаем тип светильника УПДДРЛ. [1]
Норма освещённости согласно СНиП цехов машиностроительных заводов при освещении их лампами ДРЛ и люминесцентными лампами в зависимости от типа производства может лежать в пределах от 100 – 300 Лк.
Норму освещённости для производственных помещений цеха принимаем Енор. = 200 Лк. [1]
Высота подвеса светильника над рабочей поверхностью Нр., м определяется, в соответствии с рисунком 1, по формуле:
Нр. = Н – hc. – hp., м (1)
где Н – высота помещения цеха, м.
Н = 6 м (по заданию);
hc. – расстояние светильников от перекрытия, м. hc. = 0,7 м;
hp. – высота рабочей поверхности над полом, м. hр. = 0,8 м.
Нр. = 6 – 0,7 – 0,8 = 4,5
Площадь освещаемой поверхности данного пролёта Sпр., м2:
Sпр. = B × L, м2 (2)
где B – ширина цеха, м. B = 12 м (по заданию);
L – длина цеха, м. L = 72 м (по заданию).
Sпр. = 12 × 72 = 864 м2
Удельная мощность освещённости лампы ρуд., Вт/м2, определяется исходя из удельной мощности освещения при освещенности 100 Лк.
Для светильников УПД ДРЛ Енор. = 100 Лк, ρуд. = 5,4 Вт/м2 [1]
Для светильников УПД ДРЛ Енор. = 200 Лк, ρуд. = 5,4 2 = 10,8 Вт/м2
Допустимая мощность рабочего освещения одного пролета Рр.о.пр., Вт:
Рр.о.ц. = ρуд. × Sпр. (3)
Рр.о.пр. = 10,8 × 864 = 9331,2 Вт
Выбираем мощность лампы ДРЛ [1] и технические данные заносим в
таблицу 1.
Таблица 1 Технические данные лампы ДРЛ
| Тип лампы | Светильник | Рн., Вт | Uл., В | Ф, Лм | Срок службы, час | Размер лампы, мм | Ток лампы, А | ||
| D | L | рабочий | пусковой | ||||||
| ДРЛ 400 | УПД ДРЛ | 400 | 135 | 19000 | 10000 | 122 | 292 | 3,25 | 7,15 |
Число светильников рабочего освещения по пролету Nсв, шт.
Nсв = Рр.о.св/Рл = 9331,2/400 = 23,3 шт. (4)
Принимаем число светильников для пролета Nсв = 24 шт.
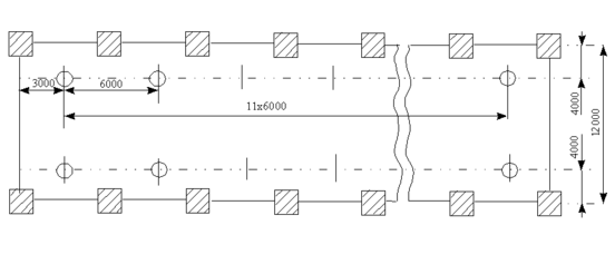
При размещении светильников учитываем требования качества освещения, в частности направление света, а так же доступность их для обслуживания. Расположение светильников в цехе производим в соответствии с рисунком 2.
Рисунок 2 – расположение светильников в пролёте
Число пролетов в цехе i = 4 (по заданию)
Мощность рабочего освещения производственных помещений цеха Pp.о, кВт
Pp.о = Nсв х Рл х i = 24 х 400 х 4 = 38400 Вт = 38,4 кВт (5)
Характеристики
Тип файла документ
Документы такого типа открываются такими программами, как Microsoft Office Word на компьютерах Windows, Apple Pages на компьютерах Mac, Open Office - бесплатная альтернатива на различных платформах, в том числе Linux. Наиболее простым и современным решением будут Google документы, так как открываются онлайн без скачивания прямо в браузере на любой платформе. Существуют российские качественные аналоги, например от Яндекса.
Будьте внимательны на мобильных устройствах, так как там используются упрощённый функционал даже в официальном приложении от Microsoft, поэтому для просмотра скачивайте PDF-версию. А если нужно редактировать файл, то используйте оригинальный файл.
Файлы такого типа обычно разбиты на страницы, а текст может быть форматированным (жирный, курсив, выбор шрифта, таблицы и т.п.), а также в него можно добавлять изображения. Формат идеально подходит для рефератов, докладов и РПЗ курсовых проектов, которые необходимо распечатать. Кстати перед печатью также сохраняйте файл в PDF, так как принтер может начудить со шрифтами.















