148400 (594495), страница 4
Текст из файла (страница 4)
-скорость роспуска, км/ч;
Данный расчёт применён в макете план роспуска составов (ПР)
-
-
Подготовка гружёных составов к отправлению
Станция Ветласян формирует вывозные поезда назначением станция Сольвычегодск, Микунь. Подготовка и формирование составов к отправлению, на отправочных путях станции, в основном производится путем уборки из-под эстакады налива (нефтебаза) гружённых групп вагонов, составителем поездов по указанию маневрового диспетчера. Данные группы выводятся маневровым локомативом на приёмо-отправочные пути станции, после взвешивания состава. Таким же порядком выводятся наливные маршруты назначением на станции Автово, Новороссийск, Грушевая. Высоцк, при наличии одновременной отгрузки грузоотправителем вагонов в адрес одной станции назначения не менее весовой нормы на участке. После вывода на пути отправления дежурный по станции по парковой или телефонной связи предъявляет состав осмотрщикам вагонов с указанием номера пути, количества вагонов в составе, времени отправления поезда. Оператор ПТО совместно с ДСП ограждают данный путь, после этого осмотрщики вагонов приступают к осмотру состава. Время на обработку гружённых вагонов установлено технологическим процессом работы ПТО –120 минут. В среднем за сутки станция Ветласян отправляет 8 поездов, из которых 6 – это наливные маршруты. Сквозные поезда назначением на станции Сольвычегодск и Микунь в размере- 2 поездов.
-
Парк цистерн, как объект управления
Одним из источников эффективности перевозок наливных грузов является качество управления работой парка цистерн. Как объект управления парк цистерн обладает тремя признаками: собственность, специализация и готовность к погрузке на периоде планирования.
В РФ признак собственности отображал принадлежность вагона парку РЖД или какому-то промышленному предприятию. Доля цистерн, принадлежавших промышленным предприятиям, составляла 70%. Сегодня на территории России находятся как российские, так и зарубежные цистерны, за нахождение которых начисляется плата. Российские цистерны подразделяются на цистерны парка ОАО «РЖД» и собственные, т.е. – находящиеся в собственности государственных и частных предприятий или частных лиц. Часть цистерн парка ОАО РЖД» отдана в аренду и относится к парку арендованных вагонов.
Независимо от собственности каждая цистерна конструкционно специализирована на перевозку определённых грузов, что отражено в обозначении её заводской модели. Первоначально различали три специализации: для тёмных, светлых и вязких нефтепродуктов. В последствии была введена более гибкая специализация, которая отражалась в типе вагона, входящего по предложению профессора Тулупова А.М. в состав его инвентарного номера. Первые три цифры номера обозначали тип. С увеличением ассортимента выпускаемых промышленностью цистерн число их типов выросло до 26. Возможности отображать тип цистерны в номере вагона были исчерпаны. Для отображения специализации стали использовать компьютерную базу данных. Сегодня число типов цистерн превышает сотню и назрела необходимость замены в базе данных кодов типов вагона кодами их моделей.
Независимо от собственности и грузовой специализации цистерна может быть готовой к погрузке или неготовой. Для того, чтобы считаться готовой, цистерна должна быть полностью выгруженной, очищенной от остатков прошлого груза и гарантированно исправной. Чтобы определять состояние цистерны, определён порядок проведения осмотра силами операторов пунктов технического и коммерческого осмотра. Пункты технического осмотра размещены таким образом, чтобы гарантийное плечо безремонтного пробега вагона составляло не более 700 километров.
Качественный осмотр внутренней поверхности котла возможен в том случае, когда цистерна очищена от груза. Поэтому техническому осмотру предшествует коммерческий осмотр, позволяющий определить наличие остатков слитого груза и решить вопрос о их судьбе, а следовательно, и месте слива. Остатки слитого груза могут быть возвращены грузополучателю или реализованы на месте дислокации цистерны, как товар, (т.е. проданы).
Технология коммерческого осмотра котла – несовершенна, т. к. основывается на методах субъективного контроля: простукивания поверхности и опускания внутрь мерного шеста. Такие методы нередко приводят к ошибочным выводам. Поэтому в РФ был разработан ГОСТ на подготовку цистерн к погрузке, предусматривающий периодическую промывку и пропарку – независимо от результатов контроля. Все типы цистерн разделены на две группы: одна промывается каждые 30 дней, другая – после пяти операций погрузки. Для поддержания парка вагонов в исправном состоянии действует система технического обслуживания и ремонта. Она предусматривает периодическое проведение деповского и капитального ремонта, а также списания на металлолом. В связи с этим осуществляется пономерное слежение за сроками, прошедшими после постройки цистерны и после прохождения последнего планового ремонта. Истекший срок сравнивается с нормативным, зависящим от типа цистерны, и на основании этого принимается решение о направлении цистерны в депо.
В связи с тем, что парк цистерн требует к себе повышенного внимания, разработаны и действуют технологические процессы обработки цистерн во всех состояниях. Вместе с тем, на практике систематически возникают ситуации, требующие вмешательства, или, как принято говорить в кибернетике, возмущения процесса.
К возмущениям относятся:
-
неполный слив груза;
-
нарушение грузовой специализации;
-
нарушение сроков промывки-пропарки;
-
нарушение сроков передачи в плановый ремонт или в списание;
-
нарушение целостности маршрутной отправки;
-
разукомплектование цистерн.
Возмущения снижают эффективность перевозок наливных грузов и требуют оперативного принятия решений по ликвидации последствий, т.е. оперативного управления по возмущениям.
-
-
-
-
Информационная структура информационно-планирующей системы станции
В работе ВНИИЖТа отмечено, что для автоматизации оперативного планирования должна применяться так называемая подсистема управления работой наливной станции – УНС. В состав комплекса задач УНС входят задачи:
-
СИ – сбора информации;
-
КВП – контроля выполнения выданных оперативных заданий;
-
ППО – планирования приема и отправления поездов;
-
УКО – управление коммерческим осмотром;
-
УТО – управление техническим осмотром;
-
УВЭ – управление выводом цистерн из эксплуатации;
-
УДВ – управление доставкой цистерн, выведенных из эксплуатации
-
УОП – управление организацией очистки и промывки цистерн
-
УДП – управление организацией досрочной промывки цистерн;
-
ЗЛ – расчета заявок на поездные локомотивы;
-
УОГ – управление отправлением гружёных цистерн;
-
ВОРС – выбор очерёдности расформирования составов на горке
Эти задачи должны решаться в определённой последовательности по мере готовности соответствующей информации. Для задания такой последовательности необходимо соблюдать определённый регламент работы, воплощаемый в новых информационных технологиях ДСЦ.
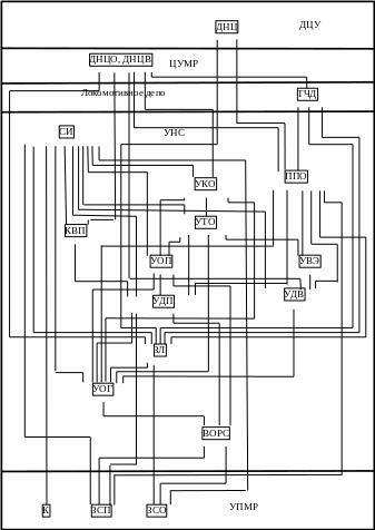
Информационная взаимосвязь задач, реализуемая в процессе их решения в масштабе реального времени отображается схемой информационной структуры УНС в составе информационно-планирующей системы (рис. 4.1). Содержание информационных связей раскрыто в табл. 4.1, где каждая связь.
Рисунок 4.1. Схема информационной структуры подсистемы УНС
Условные обозначения к рис. 4.1:
УНС – подсистема управления работой наливной станции в целом;
УПМР – подсистема управления поездной и маневровой работой в парках;
Задачи:
К – контроль выполнения плана работы парков;
ЗСП – прием и обработка заданий ДСЦ для парков прибытия;
ЗСО – прием и обработка заданий ДСЦ для парков отправления;
представлена в виде набора имён массивов информации, представляемых по макетам, описанным ниже.
Таблица 4.1 Информационное обеспечение задач
| Задачи УНС | Вход | Выход | |||
| Переменная информация | Источник | Информация | Приемник | ||
| СИ | Содержание файла «mo» | База данных АСУ | ПРП | ЗЛ, ЗСП, УКО, УДВ | |
| Содержание файла «рр» | То же | ХГН | КВП, ЗЛ | ||
| ТСЗД | УКО | ||||
| Содержание файла «mm» | – «- | ТСПП | ЗЛ, УКО, УТО | ||
| ТССП | ЗЛ | ||||
| Содержание файлов 0530, 0531 | – «– | СПС | ЗЛ | ||
| Сообщение о прибытии | ЛИУК – ПП | СПП | КВП | ||
| Сообщения о прибытии и отправлении | ЛИУК – ПП ЛИУК – ПО | СПТ | КВП | ||
| Сообщение об отправлении | ЛИУК – ПО | СПО | КВП | ||
| Сообщения о погрузке и выгрузке | АРМы ТВК | ГИ | КВП | ||
| Продолжение таблицы 4.1 | |||||
| 1 | 2 | 3 | 4 | 5 | |
| КВП | СПП, СПО, ГИ, ХГН | СИ | ВЗД, СОП 1, ВП 1 | ДСЦ | |
| ЗД | ДСЦО | ||||
| Аналогично | Аналогично | ТСЗД | ДСЦ | ||
| ППО | ППП | ДЦУ | ПРП | ЗСП | |
| ПМУ | ДНЦВ | ||||
| ППП | ДЦУ | ПО | УВЭ, ЗЛ, УДВ | ||
| ЗЛ | ПО | ППО | ЗЛ | ДНЦО, ТЧД | |
| ПЛ | ТЧД | ||||
| ОГР | ДНЦ | ||||
| ХГН | СИ | ||||
| ТССП | То же | ||||
| ТСПП | |||||
| ПРП | |||||
| ЗЛ | ЗЛ | ПОЛ | УОГ | ||
| ПОГ | ТЧД | ||||
| УДП | ПОП | ДСЦ | ПДП | ВОРС | |
| ТСЗД | КВП | ||||
| ТСПП | СИ | ||||
| ТССП | |||||
| ПО | ППО | ||||
| УОГ | ТСПП | СИ | ПО | ||
| ТСПО | |||||
| ХГН | |||||
| ПО | ППО | ||||
| ПОЛ | ЗЛ | ||||
| ПН | УОП, УДП | ||||
| РКО | УКО | ||||
| РТО | УТО | ||||
| РДВ | УДВ | ||||
| УОП | РКО | УКО | ПОП | ВОРС, УДП | |
| ТСПП | СИ | ||||
| ПГП | ЗСО | ||||
| РТО | УТО | ||||
| УТО | РКО | УКО | РТО | УОП, УОГ, УВЭ | |
| ТСПП | СИ | ||||
| Продолжение таблицы 4.1 | |||||
| 1 | 2 | 3 | 4 | 5 | |
| УКО | ПРП | СИ | РКО | УОП, УТО, УОГ | |
| ТСПП | |||||
| ТСЗД | |||||
| УВЭ | РТО | УТО | ПВЭ | УДВ | |
| ПО | ППО | ||||
| УДВ | ПВЭ | УВЭ | ПДВ | УОГ | |
| ПО | ППО | ||||
| Депо | ДНЦО | ||||
| ВОРС | ПОП | УОП | ПН, ПО | ЗСО | |
| ПДП | УДП | ||||
| ПР | ЗСП | ||||
| ПО | УОГ | ||||
-
-
-
-
Организационная структура подсистемы
-
Персонал, участвующий в процессе оперативного управления
Типовой перечень штатных единиц оперативного персонала станции определён нормативно-технологическими документами ОАО «РЖД». В дипломной работе рассматривается грузовая станция Ветласян с её штатным расписанием. В перечень единиц оперативного персонала (табл. 5.1) включены также представители других хозяйств, участвующих в работе сортировочной системы.
















