148100 (594452), страница 9
Текст из файла (страница 9)
Эта автосцепка также обеспечивает повышение безопасности движения поездов благодаря использованию разработанного ВНИИЖТом нового расцепного привода.
Его расцепкой рычаг 1 дополнительно оборудован третьим блокирующим плечом 2, которое связано с нижней частью балансира валика подъемника 3 блокирующей цепью 4 в дополнение к имеющейся на всех вагонах расцепкой цепи 5. Такая модернизация расцепного привода не препятствует расцеплению автосцепок при переформировании поездов.
1 – расцепной рычаг; 2- блокирующее плечо; 3 – валик подъемника; 4 – блокирующая цепь; 5 – расцепная цепь; 6 – ограничитель вертикальных перемещений.
Рисунок 5. Новый расцепной приыод.
Вместе с тем, в случае обрыва автосцепки обе цепи натягиваются одновременно и при дальнейшем расхождении вагонов сначала обрывается расцепная цепь 5, выполненная меньшей прочности, а затем блокирующая 4. При этом расцепления автосцепок не происходит. Таким образом, при наличии нового расцепного привода оборвавшаяся автосцепка сохраняет сцепленное положение со смежной и не падает на путь. Такой расцепной привод может использоваться не только с автосцепкой жесткого типа, но и с типовой, оборудованной ограничителем вертикальных перемещений 6.
Предложенные конструкции автосцепного устройства представлены в статье старшего научного сотрудника ВНИИЖТа, кандидата технических наук Беляева В.И., заведующего лабораторией автосцепки ВНИИЖТа Ступина Д.А. , заместителя руководителя департамента пассажирских сообщений МПС РФ Кузнецова А.
Произведен анализ износов и неисправностей корпуса автосцепки и определены причины их возникновения. В связи с этим, предложены меры повышения надежности корпуса автосцепки в эксплуатации, связанные с процессом ремонта и улучшением конструкции автосцепных устройств. Эти меры призваны уменьшить износы при перемещении вагонов, исключить возможность саморасцепов и увеличить межремонтные сроки.
4. БЕЗОПАСНОСТЬ И ЭКОЛОГИЧНОСТЬ РЕШЕНИЙ ПРОЕКТА
4.1 Обеспечение безопасности работ на контрольном пункте автосцепки
Ремонт пассажирских вагонов производят в вагонном депо, специализирующимся на ремонте цельнометаллических вагонов, в соответствии с руководством и инструкциями по деповскому ремонту.
В контрольном пункте автосцепки (КПА) производят ремонт автосцепного устройства на нескольких производственных участках в соответствии с технологическим процессом.
При выполнении работ по сварке и наплавке деталей автосцепного устройства на рабочем месте сварщика возникают определенные потенциальные опасности. При пробоях изоляции на токоведущей части сварочного оборудования и оснастки, при прикосновении к токоведущим частям или при поражении напряжением шага возникает опасность получения электротравм. Во время сварки и наплавки образуются брызги расплавленного металла, соприкосновение с которыми может привести к ожогам различной степени кожного покрова и повреждению глаз сварщика. Воздействие лучей открытой сварочной дуги приводит к поражению глаз и кожи. При очиcтке сварочных швов от шлака и окалины или не достаточной механизации на участке может возникнуть опасность получения механических травм. Газы, образующиеся при сварочных работах, насыщены вредными примесями, которые отрицательно влияют на здоровье сварщика, через дыхательные пути попадает в легкие и оседает в виде сажи.
Для устранения или уменьшения воздействия перечисленных выше опасностей предлагаются организационные и технические мероприятия по охране труда. При разработке мероприятий по безопасности при выполнении электросварочных работ базовым документом является ГОСТ 12.3.003-86
Организационные предприятия включают в себя: проведение всех необходимых инструктажей по технике безопасности; наличие предупреждающих и разъяснительных плакатов в близи рабочего места; контроль за соблюдением работниками всех требований по технике безопасности.
При выполнении работ обеспечивают надлежащую организацию труда, техническое оснащение оборудованием рабочих мест и создают на них безопасное условия работы, соответствующие ГОСТ 32.15-81 техническое обслуживание и ремонт вагонов. Требования безопасности, а также требования действующей документации и указаниям по охране труда.
Технические мероприятия разработаны в соответствии с существующими СНиПами и ГОСТами и привязаны к виду опасности.
Для избежания электротравм проводят такие мероприятия, как надежное защитное зануление корпусов электроустановок; зануление электросварочных агрегатов и зажима вторичной обмотки сварочных трансформаторов, к которому подключается обратный провод, а также защитное зануление столов и стендов для установки деталей, в соответствии с ГОСТ12.11.030-81. Обеспечивают надежную изоляцию и защиту от механических повреждений рабочих проводов, подводящих ток от сварочной машины или трансформатора. Применяют диэлектрические материалы при изготовлении рукояток электрододержателей. Не допускают соединение сварочной цепи электросварочного аппарата с зануленным проводом или корпусом аппарата. Сварщики имеют средства индивидуальной защиты (диэлектрические коврики, перчатки, для исключения попадания брызг расплавленного металла на кожу и глаза сварщика используют специальную одежду и обувь, защитные щитки и шлемы, а также козырьки на рукоятках электрододержателей.)
Для уменьшения воздействия лучей открытой электрической дуги на сварщика и работающих на других участках людей работы выполняют в кабинах, каркас которых изготавливают из труб или уголков, а стенки из тонкой листовой стали, стенки кабин окрашивать в светлые тона (серый, голубой, желтый) с добавлением в краску окиси цинка, которая уменьшает отражение ультрафиолетовых лучей дуги; снабжают рукоятки электрододержателей экранами, отражающими лучи дуги; обеспечивают сварщиков масками или щитками со вставленными в них защитными темными стеклами различной прозрачности в зависимости от величины сварочного тока.
Во избежание механических повреждений обеспечивают работающих очками с бесцветными стеклами для защиты глаз при очистке сварочных швов. Обеспечивают максимальную механизацию, особенно при перемещении и транспортировке деталей на участке. При эксплуатации кран-балки в соответствии с ГОСТ 12.2065-81 ограждают все доступные движущиеся либо вращающиеся части механизмов, исключают не предусмотренные контакты работающих с перемещаемым грузом, обеспечивают надежную прочность механизмов, вспомогательных и захватных приспособлений.
Для уменьшения вредного воздействия газов, образующихся при сварке каждое рабочее место сварщика оборудовано местной вытяжной вентиляцией для отвода газов и приточной вентиляцией в зону дыхания сварщика. Для улучшения вентиляции стенки кабин не доводят до пола на 100-150 мм. Наличие приточной вентиляции необходимо для обеспечения температурного режима на участке.
Рисунок 4.1. Схема системы местной приточно-вытяжной вентиляции
1 — вытяжной зонт; 2 — приточный патрубок; 3 — вытяжной вентилятор; 4 — приточный вентилятор; 5 — калорифер
Важную роль в обеспечении безопасности на участке сварки и наплавки играет освещение. Нормирование освещения производят в соответствии с СНиП 23.05-95. На участке применяют боковое естественное освещение через оконный проем и искусственное в виде общего и местного. Общее искусственное освещение обеспечивает нормальный рабочий процесс на участке в темное время суток. В качестве источников света применяют люминесцентные лампы с исправленной цветностью ЛДЦ. Местное освещение применяют на рабочих местах для контроля за качеством выполняемых работ, в качестве источников света используют лампы накаливания.
Напряжение стационарных светильников местного освещения не превышает 50 В. При использовании искусственного освещения следят за выполнением основных требований: освещение предусмотрено достаточное, равномерное и экономичное. Лампы электрические эксплуатируют в соответствии с ГОСТ 12.2.007.13-88. Еmin = 300лк.
К мерам электробезопасности, указанным выше, и выполняемых на участке сварки и наплавки, добавляют мероприятия, общие для всего отделения: расположение электропроводки в недоступном для работающих месте при условии обеспечения надежной ее изоляции и защиты от анических повреждений; использование в сети зануления предохранителей в плавкими вставками.
Участок сварки и наплавки относят к горячим цехам, следовательно, большое внимание уделяют вопросам пожарной безопасности, которая обеспечивает как в рабочем состоянии объекта, так и в случаях возникновения пожара, в соответствии с ГОСТ 12.1.004-91. На участке предусматривают наличие пожарных проходов, пожарного оборудования (гидранты, пожарные краны), устройств пожарной сигнализации с автоматическим пуском, одного огнетушителя ОХП-10.
Выполнение всех мероприятий по технике безопасности, разработанных в проекте, обеспечивает безопасное условия труда на участке сварки и наплавки в контрольном пункте автосцепки, уменьшение случаев травматизма и клинических заболеваний работающих.
Проверка правильности выбора плавкой вставки предохранителя.
Для обеспечения электробезопасности при возникновении тока короткого замыкания в сети зануления электрооборудования, каждая фаза имеет предохранитель с плавкой вставкой.
Проверка плавкой вставки на срабатывание в четырехпроходной сети длиной 300м; сечение фазного провода Sф=25мм2, нулевого провода Sо=16мм2; провода алюминиевые, =0,0295Оммм2/м. Номинальная сила тока установленного плавкого предохранителя Iп.в.=60А, напряжение сети 380/220В.
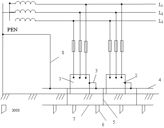
1,2 – электроустановки; 6 – трубчатые заземлители; 3 – зануляющий проводник; 7 – соединительная полоса; 4 – зануляющая магистраль; 8 – нулевой ввод; 5 – выводы контура повторного заземления нулевого провода;
Рисунок 4.2. Принципиальная схема устройства защитного зануления с повторным заземлением нулевого провода
Определяем сопротивление фазного и нулевого проводов
Определяем силу тока короткого замыкания в сети
Из условия
необходимая сила тока плавкой вставки составит
т.е. условие срабатывания плавкого предохранителя выдержано.
Из расчета следует, что выбранный предохранитель с плавкой вставкой будет срабатывать при возникновении в сети зануления тока короткого замыкания.
4.2 Охрана окружающей среды
Общая характеристика контрольного пункта автосцепки c точки зрения его влияния на окружающую среду. Требования законов РФ к этим влияниям.
Рассматриваемое в проекте депо находится в городе Ростове-на-Дону, который входит в список наиболее неблагополучных по состоянию атмосферы городов Российской Федерации. В виду этого вопросом экологии и охраны окружающей среды на предприятии должно уделяться еще больше внимания, тем более что депо находится в центре города вблизи жилых массивов. Наличие зеленых насаждений в районе размещения депо в какой-то степени улучшает экологическую ситуацию.
Вредные вещества попадают в атмосферу через системы вытяжной вентиляции, дымовую трубу котельной, системы удаления загрязненного воздуха от механических станков по обработке металлов и других материалов. Наиболее опасными с точки зрения загрязнения атмосферы производственными процессами являются: сборочный участок; малярное, механическое и кузнечное отделение; а также сварочные, аккумуляторный, гальванический участки. В результате их работы в атмосферу выбрасывается значительное количество таких токсичных веществ, как окись железа, марганец и его соединения, сили никеля, пары щелочей и кислот, масляные аэрозоли.
При производстве сварочных работ в воздушную среду выделяется вредные для здоровья человека и окружающей среды вещества. Среди них фтористый водород, соединения марганца, фториды, металлы и их оксиды, сварочные аэрозоли. Кроме того, может происходить загазованность помещения при неполном сгорании газа и недостаточной вентиляции и тяге, неудовлетворительном регулировании процесса горения. Выделение вредных веществ и их распространение в воздушной среде должны предотвращаться хорошей организацией технологического процесса и рациональным размещением атмосферно охранного оборудования.
При выполнении всех требований закона РФ «Об охране окружающей среды», 2002г., нормативных актов и «Экологической программой по охране окружающей среды 2001-2005гг.», а также при внедрении в процессы производства современных очистных технологий предприятие сможет существенно снизить выбросы вредных примесей в атмосферу, а значит, и плату за них. В 2002 году в Российской Федерации был принят закон «Об охране окружающей среды». Основными принципами охраны окружающей среды являются плотности природоиспользования и возмещения вреда окружающей среде обусловленного вредными выбросами, а так же обеспечение снижения вредных выбросов. Негативное воздействие на окружающую среду является платным статья 16 пункт 1.
Значение нормативов предельно допустимых значений выбросов для каждого предприятия вредного источника выброса устанавливаются с учетом результатов расчетов загрязнения атмосферного воздуха. Согласно законодательства РФ закреплена обязанность предприятия и организаций, деятельность которого связаны с выбросами загрязняющих веществ в атмосферу, проводить организационно хозяйственные технические мероприятия для выполнения условий и требований, предусмотренных решений на выброс принимать меры по снижению выбросов загрязняющих веществ, обеспечивать эффективную бесперебойную работу и поддерживать в исправном состоянии сооружений и оборудований для очистки выбросов и контроля.
Для оценки хозяйственной емкости эко системы и определенно-допустимого на них антропогенного воздействия на окружающую среду и на его основе осуществляют экологическую экспертизу.
Правовой базой экологической экспертизы являются законы, постановления и указы , а также различные документы международного характера.
















