97319 (594080), страница 4
Текст из файла (страница 4)
В соответствии с приложением 11 [8], по рассчитанным
и
принимаем: для подающего трубопровода – 80 мм, для обратного – 80 мм.
1.8.2 Расчет П-образного компенсатора
Компенсаторы должны иметь достаточную компенсирующую способность lк для восприятия температурного удлинения участка трубопровода между неподвижными опорами, при этом максимальные напряжения в радиальных компенсаторах не должны превышать допускаемых (110 МПа). Необходимо также определить реакцию компенсатора, используемую при расчетах нагрузок на неподвижные опоры. Тепловое удлинение расчетного участка трубопровода L, мм, определяют по формуле
L = t L (1.30)
где - средний коэффициент линейного расширения стали, мм/(мо С) для типовых расчетов можно принять = 1.2 10 - 2 мм/(моС);
t - расчетный перепад температур, определяемый по формуле:
t =1 - to (1.31)
где 1 - расчетная температура теплоносителя, оС;
tо - расчетная температура наружного воздуха для проектирования отопления, оС;
L - расстояние между неподвижными опорами, м.
t = 95-(-31)=126 оС
Для расчетного участка теплосети (компенсатор К5):
L=26,8+27=53,6 м
L=1,2*10 –2 *126 * 53,6=81,7 мм
Из справочных данных [8] подбираем П-образный компенсатор с гнутыми отводами. Вылет компенсатора 2,0 м, компенсирующая способность 160 мм (с учетом предварительной монтажной растяжки компенсаторов на 50% расчетного температурного удлинения). Осевая сила при этом составляет 0,6*8,17=4,9 кН.
Схема компенсатора приведена на Рис.1. .
Рис. 1. – Схема П-образного компенсатора
1.8.3 Расчет самокомпенсации
При расчете самокомпенсации основной задачей является определение максимального напряжения у основания короткого плеча угла поворота трассы и определение упругого отпора.
Максимальное напряжение определяют для углов поворотов 90о по формуле:
(1.32)
где L - удлинение короткого плеча, м;
L - длина короткого плеча, м;
Е - модуль продольной упругости, равный в среднем для стали 2*105 МПа;
d - наружный диаметр трубы, м;
n = L1/L - отношение длины длинного плеча к короткому.
При расчетах углов на самокомпенсацию величина максимального напряжения не должна превышать [] = 80 МПа.
L=1,2*10 –2 *126 * 7=10,7 мм
n=19,5/7=2,8
Что ниже 80 Мпа. Для расчета упругого отпора необходимо определить удлинение длинного плеча:
L=1,2*10 –2 *126 * 20=30,5 мм
Координаты упругого центра:
Приведенная длина оси:
Радиус гнутья (для сварного отвода):
где rср – радиус поперечного сечения трубы (по середине толщины стенки);
=15 для сварных отводов, составленных из двух секторов, =11 для отводов из трех и четырех секторов.
Параметры
где - толщина стенки трубы, м.
Для трубы диаметром 0,159х4.5:
Результаты работы программы:
ПОДБОР Г-ОБРАЗНОГО КОМПЕНСАТОРА
Результаты расчета
Сила упругой деформации по оси Х Px=1287.88 H
Сила упругой деформации по оси У Pу=220.42 H
Изгибающее продольное компенсационное напряжение в точке жесткого крепления меньшего плеча б(a)= 45.53 МПа Изгибающее продольное компенсационное напряжение в точке жесткого крепления большего плеча б(b)= 11.77 МПа Изгибающее продольное компенсационное напряжение в точке изгиба б(c)= 20.53 Мпа. За расчетные приняты результаты работы программы Px=1287.88 H
1.8.4 Расчет усилий на подвижные опоры
Вертикальную нормативную нагрузку на подвижную опору Fv, Н, следует согласно [1] определять по формуле
Fv= Gh L (1.33)
где Gh - вес одного метра трубопровода в рабочем состоянии включающий вес трубы, теплоизоляционной конструкции и воды, Н/м;
L - пролет между подвижными опорами, м.
Величина Gh по справочным данным для трубы диаметром 159 мм составляет 513 Н/м. Величина L по требования [1] не должна превышать 5 м.
Соответственно вертикальная нагрузка на опору составит:
Fv= 513*5=2565 H
1.8.5 Расчет усилий на неподвижные опоры
При определении нормативной горизонтальной нагрузки на неподвижную опору следует учитывать: неуравновешенные силы внутреннего давления при применении сальниковых компенсаторов, на участках имеющих запорную арматуру, переходы, углы поворота, заглушки; следует также учитывать силы трения в подвижных опорах и о грунт для бесканальных прокладок, а также реакции компенсаторов и самокомпенсации. Горизонтальную осевую нагрузку на неподвижную опору следует определять:
на концевую опору - как сумму сил действующих на опору;
на промежуточную опору - как разность сумм сил действующих с каждой стороны опоры.
Неподвижные опоры должны рассчитываться на наибольшую горизонтальную нагрузку при различных режимах работы трубопроводов (охлаждение, нагрев) в том числе при открытых и закрытых задвижках.
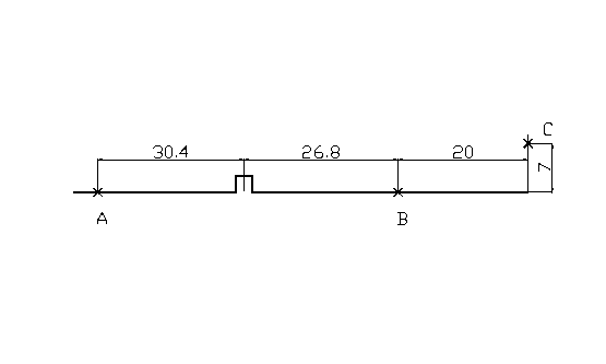
Схема прилегающих участков к рассчитываемой неподвижной опоре Н6 изображена на рисунке 1. .
Рис. 1. – Схема для определения горизонтальных усилий на неподвижную опору
Формулы для определения осевого усилия на неподвижную опору (В) [6]:
при нагреве
при охлаждении
где p – давление теплоносителя, Па;
D – диаметр трубопровода, м
Рк – сила упругого отпора П-образного компенсатора, Н;
Рх – сила упругого отпора Г-образного компенсатора, Н;
q – весовая нагрузка на 1 м длины трубопровода, Н/м (515 Н/м);
- коэффициент трения скользящих опор (=0.3).
Расстояния l1, l2, l3 по схеме соответственно равны 26,8; 20 и 7 м.
при нагреве
при охлаждении
За расчетное усилие принято большее значение Р=7464 Н.
Для двух трубопроводов соответственно 14,9 кН.
1.8.6 Определение диаметров спускников
Определение диаметров спускных устройств производится с целью обеспечения слива воды из трубопровода теплосети за определенный период времени. Диаметр штуцера и запорной арматуры d, м, для спуска воды из секционируемого участка трубопровода определяют по формуле [1]:
(1.34)
где d red, l, i red - соответственно приведенный диаметр, м; общая длина, м; приведенный уклон секционируемого участка трубопровода определяемые по следующим формулам:
d red = ( d1 l1 + d2 l2 + ... + dn ln ) / l (1.35)
i red = ( i1 l1 + i2 l2 + ... + in ln ) / l (1.36)
где l1, l2, ... , ln - длины отдельных участков трубопровода, м, с диаметра
ми d1, d2, ..., dn ,м, при уклонах i1, i2, ..., i3;
m - коэффициент расхода арматуры, принимаемый для вентилей
m = 0.0144, для задвижек m = 0.011;
n - коэффициент, зависящий от времени спуска воды t
при t = 2 ч (для труб диаметром 150 мм) n = 0.72
d red = 0,159 м (т.к. диаметр не меняется);
Для расчета выбран участок теплосети (см. профиль трассы в графической части) с установкой спускника в камере УТ2.
Уклон прилегающих участков определяется по формуле:
В соответствии с требованием [1] принимаем диаметр спускника 50 мм.
Диаметр воздушников по требованиям [1] составил 20 мм.
2. Проектирование ЦТП (специальный раздел)
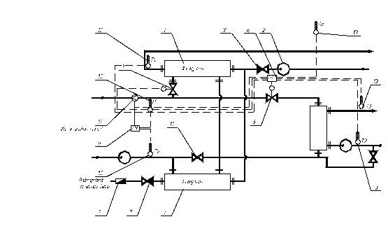
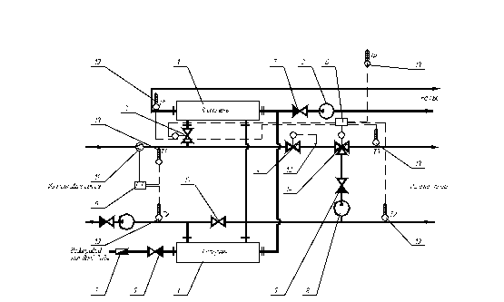
При расчете и подборе оборудования ЦТП необходимо учитывать тепловой и гидравлический режим присоединяемых систем. Нами рассмотрено два варианта подключения нагрузки отопления и горячего водоснабжения абонентов котельных №3,22,28 к теплосети от врезки в ЦТК 337/03:
закрытая, с зависимым подключением нагрузки отопления (Рис.2.1)
закрытая, с независимым подключением нагрузки отопления (Рис.2.2)
Учитывая меньшие капитальные и эксплуатационные затраты к рассмотрению принята первая схема. Приготовление воды для нужд горячего водоснабжения осуществляется при этом в двухступенчатом теплообменнике. Приготовление теплоносителя для системы отопления производится с помощью смесительного клапана 14 и подмешивающего насоса 8. Снижение давления теплоносителя до допустимого в местных системах производится клапаном 4.
Для прокачки теплоносителя через теплообменники горячего водоснабжения и систему отопления необходимо установить циркуляционный насос на обратной линии. Ниже приведен расчет и подбор оборудования ЦТП.
Рис.2.1 – Двухступенчатая схема подогревателей ГВС с зависимым подключением системы отопления
Рис. 2.2 - Двухступенчатая схема подогревателей ГВС с независимым подключением системы отопления
Таблица 2.1 – Обозначение к Рис.2.1,Рис.2.2
2.1 Тепловой и гидравлический расчет пластинчатых водонагревателей
Схема подключения водонагревателей горячего водоснабжения в закрытых системах теплоснабжения выбирается в зависимости от соотношения максимального теплового потока на горячее водоснабжение
и максимального теплового потока на отопление
При таком соотношении применяют двухступенчатую схему присоединения водонагревателей горячего водоснабжения.
Расчет пластинчатых водонагревателей горячего водоснабжения произведен по методике, приведенной в [18].
Порядок расчета:
1) Максимальный расход сетевой воды на отопление:
2) Максимальный расход греющей воды на горячее водоснабжение:
3) Для ограничения максимального расхода сетевой воды на ЦТП в качестве расчетного принимается больший из двух расходов, полученных по пп 1,2:
4) Максимальный расход нагреваемой воды через и II ступени водоподогревателя:
5) Температура нагреваемой воды за водоподогревателем ступени:
6) Расчетная производительность водоподогревателя ступени:
7) Расчетная производительность водоподогревателя II ступени:
















