144046 (594018), страница 4
Текст из файла (страница 4)
Расход порошка, необходимого для приготовления расширяющейся смеси, определяется из расчета 2 г на 1 см3 шпура. Водотвердое отношение по массе должно находиться в пределах 0,30—0,32. Расширяющее усилие увеличивается со временем и за сутки достигает ЗОМПа.
Преимуществами их перед другими средствами являются отсутствие осколков и шума, большое количество одновременно заполняемых шпуров, которые через сутки вызывают растрескивание неограниченных в объеме массивов.
Разрушение массивов из бетона марки 300 и более, а также густоармированных массивов производится с предварительным бурением вертикальных или наклонных шпуров. При этом увеличивается производительность взрывогенератора, которая в зависимости от прочности разрушаемых конструкций составляет 42... 150 м3/ч.
Недостатками взрывогенераторов являются большой разлет осколков, значительный шум (до 108 дБ в радиусе 50 м) и выделение токсичных газов.
При выборе способов разборки и разрушения конструкций одними из основных показателей являются трудоемкость и сроки выполнения работ, однако эффективность применения того или иного способа существенно зависит также от выхода годных к повторному использованию материалов.
Разработка и создание эффективных технологий по переработке строительных отходов при разборке зданий и сооружений направлены на решение актуальных проблем экологической безопасности:
— ликвидация свалок и захоронений строительного мусора и отходов строительного производства;
— повышения чистоты воздушного бассейна от загрязнений в результате сжигания строительного мусора и отходов;
— создание ресурсосберегающих технологий по переработке строительных отходов, позволяющих обеспечивать экономию строительных материалов: щебня, песка, битума, наполнителей, лаков, красок и т.п.
В России успешно работают технологические дробильно-сортировочные комплексы по переработке твердых строительных отходов.
1.3.1 Зарубежный опыт переработки строительных отходов
В мировой практике применяются два основных принципа организации переработки тяжелых строительных отходов и некондиционной продукции стройиндустрии:
-переработка образовавшихся отходов на месте их возникновения (на стройплощадке);
-переработка отходов на специальных комплексах.
Первый вариант не позволяет применять высокопроизводительное оборудование, обеспечивающее получение чистого и фракционированного продукта. Кроме этого, оно требует особых мер экологической защиты близлежащих жилых домов, исключает возможность непрерывной работы дробильной установки.
Второй вариант предусматривает дополнительные транспортные расходы на доставку отходов к месту переработки, которые компенсируются эффективной работой дробильно-сортировочного комплекса большой мощности, возможностью более глубокой переработки, отбором всех посторонних включений, возможностью организации постоянной логистики и маркетинга, относительно простым решением экологических проблем.
Например, в Германии в каждой земле существуют крупные перерабатывающие комплексы. Только в Берлине (где снос построенных во времена ГДР панельных пятиэтажек даже не планируется) их более 20.
Как правило, комплекс состоит из нескольких участков.
Участок приема отходов, где осуществляется их складирование, предварительная сортировка и разделка негабаритных плит или обломков до размеров, которые способна пропустить дробилка. Этот участок обычно обслуживают экскаваторы с гидрокусачками.
Участок подготовленного материала, где работают фронтальные погрузчики с емкостью ковша 4 - 5 м3 способные обеспечить непрерывную работу высокопроизводительной дробилки.
Перерабатывающая установка, включающая приемный бункер, дробильный агрегат, магнитный сепаратор и сортировочный узел. На крупных перерабатывающих предприятиях в состав установки входят также дробилка вторичного дробления, более полный набор грохотов, система воздушной сепарации легких частиц (остатки утеплителя, обоев, линолеума и др.), а иногда и установка для мойки вторичного щебня.
Склад готовой продукции может быть укомплектован поворотными конвейерами, отсыпающими щебень разных фракций в конические отвалы, или автоматизированными силосными складами, где в силосах хранится щебень, распределяемый по фракциям и по прочности, откуда он автоматически отгружается заказчику в заданном процентном соотношении.
Обычно комплексы оборудованы автомобильными весами для взвешивания поступающего материала и отпускаемой продукции.
В качестве первичных дробильных агрегатов чаще всего используют щековые дробилки, а также роторные агрегаты ударно-отражательного действия, причем последние часто не требуют установки дробилки второй ступени.
Работающие за рубежом комплексы не только выполняют важную экологическую и экономическую задачи государственного значения, но также являются высокорентабельными предприятиями. Их доходы складываются из платы за приемку материала на переработку (поставщик экономит транспортные расходы на доставку к месту свалки и плату за свалку) и доходов от продажи вторичного щебня, который дешевле природного и ему обеспечен сбыт. Производительность комплексов в зависимости от их комплектации и загрузки составляет 100-800 тыс. т в год.
1.4. Электроразрядные технологии
1.4.1 Электрогидравлический эффект
Наряду с общеизвестными средствами разрушения в последние годы все более широкое применение находят для разрушения железобетонных и других конструкций такие шпуровые средства, как установки электрогидравлического эффекта (ЭГЭ), гидроклиновой раскалыватель, гидропороховой скалолом, расширяющиеся смеси, а также взрыво-генераторные установки.
Принцип действия электрогидравлических установок (ЭГУ) основан на применении электрогидравлического эффекта Л.А. Юткина, который представляет собой высоковольтный импульсный разряд электрического тока в жидкости, сопровождающийся выделением энергии в виде ударных и акустических волн и др. В электрогидравлическом эффекте (ЭГЭ) используется энергия, накопленная в конденсаторной батарее. В результате электрического разряда, происходящего в жидкой среде, формируется канал, представляющий собой парогазовую полость, расширение которой сопровождается волнами давления и скоростным потоком, образующим электрогидравлический удар, который разрушает материал разбираемой конструкции. Искровой разряд происходит в жидкости, залитой в шпур глубиной 0,3–0,5 м и диаметром 25–42 мм, пробуренный в теле конструкции.
В настоящее время для разрушения строительных конструкций (бетона и железобетона) применяют ЭГУ типа «Вулкан», ЭГУРН, «Базальт» и др.
В технологический комплекс по разрушению железобетонных конструкций ЭГЭ входят: установка ЭГУРН, источник электроэнергий напряжением 380/220 В установленной мощностью 20кВА, источник сжатого воздуха производительностью 5 м3/мин, источник технической воды (водопровод, емкость), аппаратура для резки арматуры (газо- или электросварка), средства бурения шпуров (перфораторы, шланги, буровые штанги), средства разборки бетона (клинья, ломы, пневмомолотки), подъемно-транспортные средства для погрузки и удаления бетонного боя и кусков арматуры.
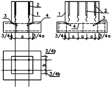
Электрогидравлический способ подразделяется на электрогидравлический клин и электрогидравлические установки. Первый из них является инвентарным инструментом, основанный на действии гидравлического удара. Разрушаемая конструкция предварительно «подрезается» системой горизонтальных щелей (для разрезки арматуры) и вертикальных шпуров для размещения в них специального устройства «клина». Схемы шпуров и щелей при разрушении конструкций представлены на рисунке 7.
Рисунок 7 - Устройство шпуров в бетонных массивах:
1—фундамент; 2—вертикальный шпур; 3—горизонтальный шпур для «подрезки» арматуры; 4—стержни армокаркаса
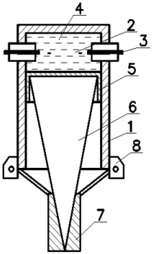
Само устройство для электрогидравлического разрушения бетона представляет собой электрогидравлический клин ЭКГ-4 и электрогидравлический взрыватель ЭГВ-10. В разрушаемом изделии в предварительно образованный шпур устанавливается приспособление ЭКГ-4. При этом клин (6) и поршень (5) занимают верхнее положение. В полость (4) заливается вода и электровзрыватель (2) подсоединяется к силовой установке. Импульсный разряд электрогидравлического взрывателя вызывает динамический удар клина, который перемещаясь посредством разрезной втулки (7), вниз «разрывает» железобетонную конструкцию по ослабленному шпурами сечению.
Рисунок 8 - Электрогидравлический клин ЭКГ-4:
1 – корпус клина; 2 – взрыватель; 3 – электрод разрядника; 4 – полость клина с водой; 5 – поршень; 6 – клин; 7 – разъемная втулка; 8 – косынки крепления подвесок; 9 – подвески втулки.
Силовая установка электрогидравлического клина, монтируемая на шасси автомашины типа ЗИЛ, состоит из следующих узлов: повысительно-выпрямительного устройства; импульсного конденсатора; разрядного устройства; пульта управления.
Рисунок 9 – Автомашина ЗИЛ
Повысительно-выпрямительное устройство предназначено для повышения сетевого напряжения 220/380 В до напряжения 15000 В. Импульсные конденсаторы большой емкости являются накопителями энергии для очередного взрыва.
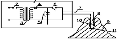
Разрядное устройство передает импульсный разряд на электроды (3). Энергия импульсного разряда, достигающая 300 кДж, позволяет этим способом разрушать практически любую массивную монолитную конструкцию. Разница в применяемых методах заключается в мощности импульсного разряда. Установки подобного типа за счет значительной энергии, накопленной в батареях импульсных конденсаторов, обеспечивают давление в камере 10 разряда порядка 102-103 МПа, что превышает конструктивную прочность разрушаемого массива. Это позволяет разрушать габаритные фундаменты под каркас, под технологическое оборудование. Схема установки приведена на рисунке 10.
Рисунок 10 - Схема для установки для разрушения строительных конструкций электрогидравлическим способом:
1 – платформа автомобиля: 2 – выключатель; 3 – высоковольтный трансформатор; 4 – выпрямитель; 5 – батарея конденсаторов; 6 – управляемый разрядник; 7 – кабель; 8 – «шпур»; 9 – разрушаемый массив; 10 – вода; 11 – искровой промежуток
Таблица 2 - Технические характеристики электрогидравлических установок.
| Наименование показателей | Тип установки | ||||||
| вулкан К-32 | гранит-3 | ЭГУРН | ЭНУ | ПЭНУ | базальт - 2 | импульс | |
| 1 | 2 | 3 | 4 | 5 | 6 | 7 | |
| 1. Рабочее напряжение, кВ 2. Энергия взрыва, кДж | 5 40 2 | 5 70 3 | 6 150 4 | 5 100 5 | 10 200 6 | 6 100 7 | 5 100 8 |
| 3.Потребляемая мощность, кВт 4. Удельный расход энергии, кВт-ч/м3 5. Напряжение питания, В 6. Число взрывателей, шт 7. Габариты (м) -высота -ширина -длина 8. Масса установки, т | 2,5 0,25 380 2 3,35 2,87 6 10,8 | 4 2 220 1 3,30 2,40 4,74 5 | 2 0,2 380 1-6 2 2 3,4 4 | 15 1,5 380 1-4 3,35 2,8 6 5 | 4 0,5 380 4 …. …. …. 9 | 5 0,15 380 5 1,46 1,46 2,5 3,25 | 5 0,15 380 2-4 2,25 2,4 4,85 5,5 |
1.4.2 Электроимпульсная технология
Важнейшей особенностью электроимпульсной технологии является высокая селективность разрушения материала, проявляющаяся в лучшем раскрытии зерен полезных минералов и лучшей их сохранности от разрушения.
Рабочим инструментом при электроимпульсном разрушении является искра, не возникает проблемы с загрязнением продукта измельчения аппаратурным железом, материалом мелющих тел, свойственным механическим способом измельчения материалов.
















