144046 (594018), страница 7
Текст из файла (страница 7)
Заготовка 1 установлена над матрицей 2. Рабочая полость в матрице, как правило, вакуумируется. Отражатель 4 с электродной системой 3 заполнен водой. После пробоя рабочего промежутка в жидкости формируется волна давления. Взаимодействуя с заготовкой, волна передает ей свою энергию и производит работу деформации.
Параметры разрядного контура устройств электрогидравлической штамповки обычно выбираются так, чтобы получить необходимое качество штампуемых деталей при максимальной производительности процесса. Использование взрывающегося проводника позволяет снизить напряжение накопителя до U = 4÷5 кВ. При этом обеспечивается значение энергии в разряде от 0,5 до 50 кДж.
Сварка. Одним из способов повышения качества соединений является импульсная сварка труб с трубными решетками. Она основана на возникновении металлических связей в результате совместных влияний пластических деформаций и нагрева. Механизм электровзрывной сварки отличается от механизма электровзрывной запрессовки тем, что в отверстия трубной решетки вводится конусная разделка, а патрону сообщается большая энергия. Труба, дефорируясь с высокой скоростью, скользит по поверхности конусной разделки, образует сварное соединение на ее части. При косом соударении трубы и решетки образуются волны, способствующие зацеплению металлов. Полученные электровзрывной сваркой соединения имеют высокую герметичность (до 400·105 Па и более), а также прочность на уровне материала трубы.
Прессование металлокерамических деталей. Способ прессования металлических и неметаллических порошков электрическим взрывом проводника позволяет изготавливать металлокерамические детали типа втулок и колец без использования прессового оборудования в бесстержневой и беспуансонной пресс-форме, в которой функцию внутреннего пуансона (сердечника) выполняет промежуточная среда. Такой способ обеспечивает получение малопоритых и высокопрочных изделий, так как процесс можно вести при высокой температуре и с применением связующих металлов, например кобальта, который действует как смазка и обеспечивает текучесть частиц порошка для заполнения пустот и трещин.
Давление, необходимое для прессования порошков, создается в промежуточной среде в результате электрического взрыва проводника, расположенного по оси ее объема. Давление от взрыва проводника передается через промежуточную среду на порошок, расположенный между средой и матрицей. Промежуточную среду выполняют из полиэтилена, воска, вакуумной резины, капрона, каолина и т.п. Механические свойства изделий, спрессованных в условиях импульсного нагружения, значительно повышаются.
Электрогидравлическим установкам, основанным на использовании импульсного высоковольтного разряда в жидкости, присущи некоторые характерные особенности. Это нестабильность и плохая воспроизводимость процесса, низкая эффективность преобразования энергии и существенное влияние на нее параметров жидкости, размеров электродов, их взаимного расположения и др., что обусловлено непроизводительным расходом энергии, запасенной в емкости накопителя, на создание условий для возникновения электрического пробоя рабочего промежутка.
Инициирование разряда взрывающимся проводником позволяет локализовать место пробоя вплоть до обеспечения в ряде случаев заданной геометрии разрядного канала, существенно снизить рабочие напряжения. Кроме того, известно, что введение в разрядный канал элементов I группы периодической таблицы (например, меди) путем ЭВП способствует повышению эффективного показателя адиабаты γэ, который определяет КПД процесса преобразования энергии, запасенной в накопителях, в работу по расширению канала [5].
Преимуществами способа ЭВП являются возможности осуществления электрогидравлических ударов вблизи проводящих объектов и в растворах сильных электролитов, а также в расплавах некоторых металлов и солей. По сравнению со свободным разрядом в жидкости ЭВП обеспечивает более высокую эффективность и стабильность процесса.
2. ЭКСПЕРИМЕНТАЛЬНАЯ ЧАСТЬ
2.1 Методика проведения экспериментов
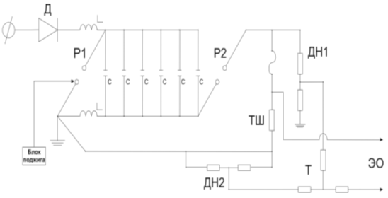
Принципиальная схема электрической установки для проведения исследований ЭВП в твердом теле приведена на рисунке 19.
Рисунок 19 - Принципиальная электрическая схема экспериментальной установки:
Д – высоковольтный выпрямитель; L – зарядная индуктивность; ДН1, ДН2 – омические делители напряжения; Т – тройник; ТШ – токовый шунт; Р1 – поджигающий разрядник; Р2 – выходной разрядник, ЭО – электронный осциллограф.
Основными элементами установки являются: генератор импульсных токов (ГИТ), блок осциллографической регистрации разрядного тока и напряжения на взрывающемся проводнике (ВП), разрядная камера и объект исследования.
ГИТ собран на базе шести конденсаторов КМКИ 60-2 емкостью С = 0,16 мкФ. Регулирование выходного напряжения ГИТ осуществлялось зарядным напряжением и изменением расстояния между шарами разрядников. Запуск ГИТ осуществлялся с помощью генератора запускающих импульсов.
Основные технические характеристики ГИТ:
Максимальное выходное напряжение – 70 кВ;
Емкость – 0,96 мкФ;
Индуктивность разрядной цепи – 3,8 мкГ;
Амплитуда запускающего сигнала – 15 кВ.
Регистрация импульсных токов и падения напряжения на ВП осуществлялась с помощью устройств, преобразующих исследуемые сигналы до величины, приемлемой для последующей записи сигнала на электронно-лучевом осциллографе. В качестве преобразовательных устройств использовались омические делители напряжения ДН1, ДН2 по схеме Балыгина и токовый шунт (ТШ), сигналы от которых с помощью коаксиальных кабелей РК-75 передавались к осциллографу типа С8-17. Градуировка ДН и ТШ проводилась согласно ГОСТ 17512-82 «Электрооборудование и электроустановки на напряжение 3 кВ и выше».
При проведении исследований были использованы образцы бетона размером 100×100×100 мм, в которые при их изготовлении помещали медные проволочки диаметром 0,1; 0,25 и 0,4 мм, а также нихромовые и манганиновые проволочки диаметром 0,4 мм. Образцы бетона приготовлялись из бетона марки М200 Томского завода ЖБК.
ЭВП осуществлялся при следующих параметрах: напряжение ГИТ U = 61 кВ, емкость C = 0,96 мкФ, индуктивность разрядной цепи L = 3,8 мкГ, запасаемая энергия W = 1800 Дж.
При взрыве проводника в бетонном образце последний разрушался. Для оценки эффективности разрушения проводился ситовый анализ продуктов разрушения бетона на ситах с модулем √2, по результатам которого находились гранулометрические характеристики.
Ситовой анализ измельченных материалов основан на механическом разделении частиц по крупности. Материал загружается на сито с ячейками известного размера и путем встряхивания, постукивания, вибрации или другими способами разделяется на две части – остаток и проход. Просеивая материал через набор различных сит, можно разделить пробу на несколько фракций. Размеры частиц этих фракций ограничены размерами отверстий используемых в анализе сит.
Под размером сита обычно понимают длину стороны квадратной ячейки. Отношение размера ячеек сита к размеру (ширине) отверстия последующего более мелкого сита является постоянной величиной и называется модулем набора сит.
Достоинствами ситового анализа является простота и одновременное получение нескольких фракций. Погрешность измерения составляет 1–2 %. Недостаток – длительное время просеивания.
По найденным гранулометрическим характеристикам определялась поверхность образовавшихся осколков бетона Sвн и их средний диаметр Dср. При нахождении Sвн расчетной формулой для элементарного класса крупности являлась:
dS = 6dP/xρ0,
где dP – весовой выход элементарного класса крупности, х – средний размер класса крупности, ρ0 – плотность бетона.
Исчисление среднего рамера кусков бетона производилось по формуле:
D = ΣdP/ΣdP/x.
2.2 Анализ гранулометрических характеристик продуктов электрического взрыва проводников разного диаметра
В первой серии экспериментов для исследования влияния диаметра взрываемого проводника на характер разрушения бетона использовались медные проводники диаметром 0,1; 0,25 и 0,4 мм.
На осциллограммах тока и напряжения наблюдается различие во времени начала и длительности взрыва проводников разного диаметра. В качестве примера на рисунке 20 приведены осциллограммы тока и напряжения при взрыве медных проводников в бетоне.
Рисунок 20 - Осциллограммы тока и напряжения при взрыве медных проводников в бетоне
Определенные по результатам ситового анализа гранулометрические характеристики продуктов разрушения для различных диаметров представлены в таблицах 5 и 6. Х, мм – средний размер класса крупности
На рисунке 21 представлены суммарные характеристики крупности образцов бетона, показывающие долю частиц, размер которых больше данного класса крупности.
Таблица 5 - Суммарные характеристики крупности продуктов разрушения бетона при ЭВ медных проводников, %
| Диаметр ВП, мм | ||||
| X, мм | 0, 1 | 0,25 | 0,4 | |
| 2,8 | 99,9 | 99,9 | 100 | |
| 3,77 | 99,8 | 99,8 | 100 | |
| 5,33 | 99,6 | 99,5 | 100 | |
| 7,54 | 99 | 98,5 | 100 | |
| 10,67 | 97,5 | 97,5 | 99,9 | |
| 15,09 | 93 | 95,5 | 99,9 | |
| 21,34 | 87 | 89,5 | 96,5 | |
| 30,18 | 82 | 83 | 95 | |
| 42,68 | 80 | 76 | 92 | |
| 60,36 | 70 | 64 | 90 | |
Рисунок 21 - Суммарные гранулометрические характеристики продуктов разрушения бетона при взрыве медных проводников разных диаметров
Для образцов с медными проводниками диаметром 0,1 и 0,25 мм характеристики имеют примерно одинаковый вид, с меньшей эффективностью разрушены кубики бетона с проводниками 0,4 мм. Это подтверждают и результаты расчета вновь образованной поверхности S и среднего размера осколков D, приведенные в таблице.
Таблица 6 - Площадь вновь образованной поверхности и средний размер кусков бетона
| Материал проводника | Диаметр проводника, мм | S, см2 | Dср, см |
| медь | 0,1 | 1217 | 3,3 |
| 0,25 | 1044 | 3,4 | |
| 0,4 | 443 | 5,4 |
На рисунке 22 представлены частные характеристики крупности образцов бетона, показывающие долю частиц, приходящихся на каждый класс крупности.
Таблица 7 - Частные характеристики крупности разрушения бетона в области от 2,2 до 45мм при ЭВ медных проводников, %.
| Диаметр ВП, мм | |||
| X,мм | 0, 1 | 0,25 | 0,4 |
| 2,8 | 0,1 | 0,2 | 0,1 |
| 3,77 | 0,2 | 0,3 | 0,1 |
| 5,33 | 0,5 | 0,7 | 0,2 |
| 7,54 | 1,8 | 0,9 | 0,6 |
| 10,67 | 2,1 | 1,8 | 0,7 |
| 15,09 | 6,2 | 3,9 | 2,8 |
| 21,34 | 4,2 | 6,7 | 1,2 |
| 30,18 | 2,5 | 5 | 2,9 |
| 42,68 | 9,6 | 13 | 1,8 |
Рисунок 22 - Частные гранулометрические характеристики продуктов разрушения бетона при взрыве медных проводников разных диаметров
















