125509 (593123), страница 2
Текст из файла (страница 2)
Расчёт ведётся по [1].
Главными параметрами роторных дробилок являются диаметр и длина ротора.
У однороторных дробилок диаметр ротора
, м, определяется размером наибольших кусков загружаемого материала
, (1)
Где
- максимальный размер куска загружаемого материала,
.
.
Длина ротора дробилки
, м, вычисляется по формуле
, (2)
При этом для дробилок крупного дробления с целью получения большего момента инерции ротора при меньшей его массе необходимо чтобы выполнялось условие
, (3)
.
Условное число бил ротора
зависит от диаметра ротора и назначения дробилки по крупности дробления.
По выбранному модулю ротора определяют условное число бил
, (4)
Где
- модуль ротора, для дробилок крупного дробления
.
.
Определение критического диаметра
, м, куска дробимого материала
, (5)
где
- предел прочности породы, Па;
- плотность материала, кг/м3;
- скорость удара, равная скорости вращения ротора, м/с.
Дробимый материал – известняк с пределом прочности на растяжение
и плотностью
. Для разных скоростей вращения ротора:
,
,
.
Размер выходной щели для дробилки СМД-86 устанавливается
, (6)
.
1.6 Расчёт производительности модернизированной дробилки
Производительность дробилки
, м3/ч, считается по формуле
, (7)
где
- производительность дробилки при
;
;
;
;
;
;
- коэффициент, учитывающий влияние угла установки отражательной плиты;
, (8)
- угол установки первой отражательной плиты;
,
- коэффициент, учитывающий влияние размера кусков материала, определяется из выражения
;
- коэффициент, учитывающий влияние ширины выходной щели;
, (9)
,
,
- коэффициент, учитывающий влияние закругления передней кромки била,
;
- коэффициент, учитывающий влияние физических свойств дробимого материла;
, (10)
- критерий прочности;
,
,
- коэффициент, учитывающий влияние внешней поверхности била, для волнообразной формы
;
.
Как видим, производительность модернизированной дробилки больше производительности базисной дробилки на 19 м3/ч.
1.7 Расчёт мощности привода
Мощность электродвигателя
, кВт, привода дробилки рассчитывается по формуле
, (11)
где
- удельный энергетический показатель дробилки, при дробимом материале известняке
[1];
- производительность дробилки, м3/ч;
- степень дробления, для роторной дробилки типоразмера 12501000 мм
[1];
- средневзвешенный диаметр исходного продукта, м;
- к.п.д. дробилки,
;
- к.п.д. привода,
.
.
.
Выбираем трёхфазный асинхронный электродвигатель А315М8 с фазным ротором мощностью N=100кВт и числом оборотов n=730об/мин.
1.8 Расчёт ременной передачи
Расчёт ведём по [6].
Принято:
электродвигатель А315М8
N=100 кВт, n=730 об/мин;
ремень клиновой Г-500-Т2А130 ГОСТ 1284.1 – 80;
диаметр ведущего шкива
мм.
Окружные скорости ротора согласно ГОСТ 12375-70 должны соответствовать:
20±0,6 м/с;
26,5±0,8 м/с;
35±1,05 м/с.
Определяем частоту вращения ротора
, об/мин, согласно ГОСТ 12375-70
, (12)
,
,
.
Определяем диаметры ведомых шкивов
, мм
, (13)
где
- диаметр ведущего шкива принятого электродвигателя,
;
- число оборотов ротора принятого электродвигателя,
;
- к.п.д. электродвигателя,
.
,
,
.
Принимаем по ГОСТу 1284.1-80 диаметры шкивов:
,
,
.
Определяем передаточные числа
, (14)
,
,
.
Фактические скорости ротора определяются по формуле
, м/с (15)
,
,
.
Фактическое число оборотов ротора будет
,
,
.
Определяем межцентровое расстояние между шкивами ротора и привода
, мм, по формуле
, (16)
где
- расчётная длина ремня, измеряемая по нейтральному слою, мм.
, (17)
,
,
.
Определяем расчётную длину ремня, измеряемую по нейтральному слою по формуле
, (18)
где
- длина шкива электродвигателя,
;
- средний диаметр, мм.
,
,
,
,
,
,
,
,
,
.
Наименьшее расстояние, необходимое для надевания ремня
, определяется по формуле
.
Наибольшее расстояние, необходимое для компенсации вытяжки ремней
, определяется по формуле
.
Требуемый ход электродвигателя на салазках
.
Определим необходимое число шкивовых ремней
по формуле
, (19)
где
- окружное усилие, кг;
- допустимое полезное напряжение в ремне, кг/см2;
- площадь сечения ремня, см2.
, (20)
где
- мощность электродвигателя,
;
- окружная скорость шкива, м/с.
, (21)
,
,
.
Принимаем
.
.
Допустимое полезное напряжение в ремне определяется по формуле
, (22)
где
- полезное напряжение при
и предварительном натяжении
,
;
- коэффициент влияния угла обхвата;
- коэффициент влияния центробежных сил,
;
- коэффициент режима работы,
.
, (23)
, град (24)
,
,
,
,
,
,
,
,
,
,
,
.
Практически принимаем
ремней.
-
Расчёт ротора на прочность
Ротор представляет собой стальную отливку из стали 30ГЛ с пределом текучести
.
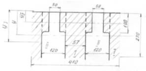
Рисунок 4 – Схема для расчёта опасных сечений
На ротор при дроблений максимального размера куска материала (известняк объёмом 0,216 м3 и объёмной плотностью
при падении с высоты 2 м от уровня ротора) через била «Г» действует сила
, равная 3920000 Н, действие которой может разрушить ротор по сечениям А-А, Б-Б, В-В. В сечении А-А ротор может быть разбит на две части вращением левой части относительно точки «К». Момент силы
относительно точки «К» равен
.
Подсчитываем момент инерции сечения А-А
, относительно оси КК
, (25)
Момент инерции
, каждой из этих площадок равен
, (26)
причём
и
.
Таблица 1 – Длины площадок
|
|
|
| |
| Для площадок А и Д | 400 | 440 | 600 |
| Для площадок Б и Е | 400 | 0 | 160 |
| Для площадки В | 440 | 500 | 600 |
| Для площадки Г | 440 | 0 | 100 |
Момент сопротивления сечения А-А
, считается по формуле
.
Максимальное напряжение в сечении А-А (по оси Л-Л)
.
Изгибающий момент относительно сечения Б-Б
.
Так как весь удар может быть воспринят только одним билом (из трёх монтируемых по длине в каждом пазу), в запас расчёта принимаем, что в сопротивлении участвует только часть ротора, расположенная против одного била.
Рисунок 5 – Сечение части ротора, расположенное против одного била
Момент инерции части сечения Б-Б
, расположенного против одного била
, (27)
где
- момент инерции части 1, м4;
- момент инерции части 2, м4.
.
и
.
,
,
,
,
,
.
Момент сопротивления относительно сечения В-В
, расположенного против одного била
,
.
Из расчётов видно, что максимальное напряжение в сечении Б-Б
.
Принимая во внимание, что полученное напряжение более чем в два раза ниже предела текучести стали 30ГЛ, а также принятое нами допущение, что работает только часть сечения ротора, расположенная против одного била, считаем полученное напряжение допустимым.
1.10 Расчет показателей надёжности
1.10.1 Определение среднего и гамма-процентного ресурсов до первого капитального ремонта
Расчёт ведется по [8] и [9].
Предполагаемый закон распределения ресурса для роторных дробилок – нормальный. Для вычисления значений функции распределения предварительно определяются порядковые номера
групп изделий, израсходовавших ресурс
, (28)
где
- порядковый номер предшествующей группы, для данной выборки в первом интервале
;
- очередное приращение порядкового номера.
, (29)
где
- суммарное число приостановленных
и израсходовавших
ресурс изделий, предшествующих данной группе.
Значение
находим по формуле
, (30)
Результаты всех вычислений сводим в таблицу 2.
Таблица 2 – Результаты вычисления функции распределения
| Середина интервала |
|
|
|
|
|
|
|
|
|
| 11500 | - | 1 | 1 | 1 | 1 | 0,06 | |||
| 12500 | 1 | 2 | 2 | 15 | 14 | 1,07 | 2,14 | 3,14 | 0,19 |
| 13500 | 1 | - | |||||||
| 14500 | - | - | |||||||
| 15500 | 1 | 3 | 6 | 12,86 | 10 | 1,28 | 3,84 | 6,98 | 0,44 |
| 16500 | - | 1 | 1,28 | 1,28 | 8,26 | 0,52 | |||
| 17500 | - | 1 | 1,28 | 1,28 | 9,54 | 0,60 | |||
| 18500 | - | - | |||||||
| 19500 | - | 3 | 1,28 | 3,84 | 13,38 | 0,84 | |||
| 20500 | - | - | |||||||
| 21500 | 1 | - |
По значениям эмпирической функции распределения
и значениям середин интервалов строим график эмпирической функции распределения ресурса.
















