125460 (593117), страница 5
Текст из файла (страница 5)
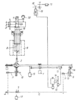
Кинематическая схема модернизированной машины УИМ-5 представлена на рисунке 4.
Изменение длины образца О вызывает замыкание управляющих контактов контактного устройства К, связанного с экстензометром, и включение при помощи реле реверсивного электродвигателя М, который вращает червячное колесо 7. Вращение оси 6 червячного колеса передается на большой фрикционный ролик 5. На ось 4 ролика 5 намотан тросик 3, при помощи которого перемещается конец рычага 2. Конец малого плеча рычага 2 через тягу со встроенным динамометром Д соединен с концом нагружающего рычага 1. Таким образом, в зависимости от направления вращения электродвигателя конец нагружающего рычага перемещается вверх или вниз, соответственно уменьшая или увеличивая нагрузку на образец. Величина усилия регистрируется динамометром, соединенным с диаграммным механизмом, осуществляющим запись кривой релаксации напряжения.
Контактное устройство К, управляющее изменением нагрузки, имеет подвижный и два неподвижных контакта. Подвижный контакт, представляющий собой кусочек расплющенной серебряной проволоки, припаян к стрелке индикатора. Оба неподвижных контакта (небольшие серебряные пластинки) укреплены на плексигласовом стекле, заменяющем покрывающее стекло циферблата. Использование в качестве контактного устройства индикаторной головки с ценой деления 0,002 мм позволяет обеспечить постоянство замеряемой длины образца в пределах ±1 мкм при суммарном зазоре между контактами около 1 мм. Замыкание подвижного контакта с одним из неподвижных контактов вызывает вращение двигателя в ту или другую сторону.
Рисунок 4 – Кинематическая схема модернизированной машины УИМ-5
При модернизации нагружающего устройства были использованы двигатель и червячная передача, которые в машине УИМ-5 служат для вращения бункера. Асинхронный двигатель типа МШ мощностью 75 Вт снабжен переменным сопротивлением, позволяющим регулировать число оборотов. Возможность реверсирования достигается изменением схемы питания щеток двигателя. Для реверсирования нагрузки введено дополнительное реле, срабатывающее от замыкания второго неподвижного контакта. Передаточное число червячной передачи равно 100. Большой фрикционный ролик 5 представляет собой текстолитовый диск с насаженным стальным кольцом. Диаметр валика 4, на который наматывается тросик 3, равен 4,3 мм, диаметр гибкого тросика 1,5 — 2 мм. Для обеспечения фрикционного сцепления один из подшипников, в которых вращается вал 4, движется свободно в вертикальном направлении. При натяжении тросика 3 создается контактное давление между фрикционными роликами, пропорциональное натяжению.
Это давление минимум в 95 раз больше, чем окружное усилие во фрикционном сцеплении, что гарантирует отсутствие проскальзывания при любом натяжении тросика.
Для того чтобы тросик наматывался на валик 4 по одной окружности независимо от угла подъема рычага 2 (это требуется для исключения возможности аксиального скольжения тросика по валику 4), соединение тросика с рычагом сделано подвижным. К концу тросика прикреплена горизонтальная ось с сидящими на ней двумя подшипниками, на которые опирается рычаг 2. Для устранения бокового давления на подшипники при отклонении рычага от горизонтали опорная поверхность рычага выполнена в виде эвольвенты. Эвольвентная поверхность пересекает плоскость намотки тросика под прямым углом при любом положении рычага, поэтому направление усилия, действующего на подшипники со стороны рычага, совпадает с осью тросика. В связи с заметной кривизной эвольвентной поверхности подшипники с достаточной точностью «находят» нужное положение, обеспечивая правильность намотки тросика.
Соотношение плеч рычага 2 равно в среднем 1:5. Опора рычага укреплена на плите (из листа толщиной 10—15 мм), подведенной под станину машины и жестко связанной с ней посредством анкерных болтов. Второй конец рычага 2 при помощи серьги соединен с резьбовой головкой динамометра Д. Другая резьбовая головка соединяется с концом нагружающего рычага 1.
Устройство для автоматической записи нагрузки состоит из барабанного часового механизма с недельным заводом и диаграммного пера. Перо укреплено на тонкой нити, которая наматывается на плексигласовый шкив, укрепленный на оси индикатора динамометра. Таким образом, изменение нагрузки, вызывающее поворот стрелки индикатора, приводит и к вертикальному перемещению пера. Так как характеристика динамометра линейна, смещение пера строго пропорционально нагрузке. Вся система уравновешена так, что ось индикатора не испытывает изгибающих нагрузок. Барабан помещен над нагружающим рычагом 1 и укреплен на траверсе, соединенной с тягой динамометра. Такое крепление необходимо для того, чтобы изменение наклона нагружающего рычага 1 не сказывалось на положении барабана.
Динамометр и диаграммное устройство тарируются на машине при помощи образцового динамометра, укрепляемого вместо образца и захватах машины. По данным тарировки строят тарировочные графики, которые позволяют по показаниям динамометра и по диаграмме рассчитать нагрузку на образец в процессе испытания.
Для нормальной работы нагружающего устройства угол наклона рычага 2 должен находиться в пределах 0—55° от горизонтали; соответственно максимально допустимый ход тросика составляет ~150 мм. Этого хода недостаточно для обеспечения нужной степени разгрузки образца в процессе испытания. Кроме того, колебания температуры помещения вызывают деформацию станины и наружных частей захватов. Происходящее при этом изменение натяжения образца автоматически компенсируется соответствующим перемещением рычага. Эти обстоятельства могут вывести рычаг 2 из нормального положения и нарушить правильный ритм работы машины. Чтобы этого избежать, на рычаге установлено реле, при помощи которого подается сигнал (звонок), указывающий на приближение рычага к крайнему верхнему или нижнему положению. С включением звонка останавливается двигатель. Перевод рычага 2 в нормальное положение (угол подъема 35—45°) осуществляется плавным подтягиванием или ослаблением цепочки при помощи рукоятки редуктора нижнего захвата. Так как длина образца автоматически поддерживается постоянной, то при помощи двигателя соответственно опускается, или поднимается рычаг.
Обслуживание машины с указанным выше нагружающим устройством состоит в наблюдении за температурой образца, периодической регистрации показаний индикатора динамометра и в редких случаях в подтягивании или ослаблении цепочки с образцом. Начальное натяжение образцу задается следующим образом. Рычаг 2 переводится в крайнее верхнее положение. С индикатора К снимается неподвижный контакт, управляющий увеличением нагрузки. Поворотом шкалы индикатора стрелка совмещается с делением, соответствующим заданной деформации образца (неподвижный контакт, управляющий разгружением, установлен на индикаторе так, что при соприкосновении с ним подвижного контакта стрелка совмещается с нулевым делением). Затем с помощью редукторного механизма подтягивают цепочку. При этом стрелка индикатора К движется до соприкосновения контакта, укрепленного на ней, с неподвижным контактом. В этот момент достигается заданная деформация, и двигатель начинает работать, разгружая образец. Второй неподвижный контакт установлен на индикаторе так, чтобы суммарный зазор составил 1 мм. После этого нагружающее устройство работает автоматически.
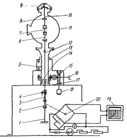
Кинематическая схема релаксационной машины 5ИМ, также сконструированной Н.Д. Зайцевым, приведена на рисунке 5. Она характеризуется большой скоростью нагружения и разгружения, позволяющей изучать кратковременную релаксацию напряжений при высоких температурах. Испытание на машине производят следующим образом.
Нагрев образца 8 производится в электропечи 9. После достижения необходимой температуры груз 1 устанавливают на рычаге 2 на расстоянии, соответствующем заданному начальному напряжению; электрический контакт 3 рычажка тензометра занимает нейтральное положение в узком зазоре между неподвижными контактами 4 и 5. Нагружение осуществляется снятием рычага с арретира 6. Одновременно вращением микрометрического винта 7 поддерживается установленное положение контакта 3. В момент отрыва рычага от арретира включают питание двигателя и диаграммного механизма. Барабан диаграммного аппарата вращается от сельсина 15 коробки скоростей 18 (υ =500 мм/ч). В дальнейшем процесс релаксации и регистрация изменений остаточного напряжения во времени происходят автоматически.
При накоплении пластической деформации определенной величины положение экстензометра 19 изменяется, что приводит к замыканию контактов 3 и 5 и срабатыванию электромагнитного реле. Под действием ртутного контакта 14 реле замыкается, цепь электродвигателя 13 и груз перемещаются в сторону уменьшения нагрузки, в результате чего напряжение снижается, образец сокращается до первоначальной длины, контакт тензометра приходит в исходное положение и снова начинается процесс релаксации в образце, но уже при меньшем растягивающем усилии и т. д. Одновременно с перемещением груза при вращении электродвигателя вращается ротор сельсина, закрепленного на стрелке рычага. Сельсин рычага электрически соединен с сельсином перемещения пера 16 диаграммного механизма, вследствие чего на барабане 17 регистрируется изменение нагрузки в процессе испытания.
Нагружение образца в машинах типа Рел-5 производят с помощью двуплечего рычага. Грузовое плечо рычага связано с парой пружин, которые можно заменять в зависимости от требуемого диапазона нагрузок [2500—12500, 5000—2500, 10000—50000 Н (250—1250, 500—2500, 1000—5000 кг)].
Пружины через винт, червячную пару и ременную передачу связаны с двигателем, вращение винта приводит к натягиванию или ослаблению пружин и соответственно нагружению или разгрузке образца. Система нагружения сопряжена с самопишущим диаграммным прибором, записывающим изменение нагрузки во времени. Измерение и передачи деформации производят с помощью трех кварцевых стержней тензометра. Величину деформации определяют измерительным микроскопом с винтовым окулярным микрометром. Для автоматического управления нагрузкой, действующей на образец, измеряемая деформация превращается в электрический сигнал с помощью датчика фотоэлемента. Луч света, направленный проекционной лампой через объектив к фотоэлементу, диафрагмируется в фокусе объектива специальной шторкой, прикрепленной к концу рычажной системы экстензометра. В условиях компенсации шторка диафрагмирует фотоэлемент примерно наполовину.
Рисунок 5 – Кинематическая схема машины 5ИМ для испытаний на релаксацию
Датчик фотоэлемента питается стабилизированным напряжением. Изменения тока фотоэлемента переносятся на ламповый мостик, который в свою очередь при разбалансировке передает соответствующий сигнал реле и блок контактам системы управления нагрузкой, действующей на образец.
Нагружение образца до заданной начальной деформации происходит с помощью измерительного микроскопа.
Для высокотемпературных испытаний на релаксацию в вакууме были приспособлены машины типа ПВ-152 и ПВ-3012 для испытаний на длительную прочность.
Указанные машины имеют вакуумную камеру для радиационного нагрева образцов вольфрамовыми стержневыми нагревателями до температуры 2000°С. Нагружающее устройство рычажное (передаточное отношение 1:60). Постоянная температура поддерживается стабилизацией напряжения с помощью специальных блоков регулирования, не допускающих колебаний температуры во время испытания не более ±2°С.
Машины снабжены устройством для автоматического перемещения верхнего захвата со скоростью 2 мм/мин во время нагрева и охлаждения образца без нарушения вакуумной плотности системы.
1— тяга нижняя; 2— упругий элемент; 3— тяга верхняя; 4— упор; 5— указатель положения подъемного винта; 6— захват нижний, 7— образец; 8— захват верхний; 5— шарнир специальный; 10— переходник; 11—электропечь; 12— тяга нижнего захвата; 13— винт подъемный; 14— сильфон; 15— редуктор; 16— рукоятка ручного перемещения винта; 17— диафрагма; 18— электродвигатель; 19—электронный потенциометр; 20— тензометрический мост
Рисунок 6 – Кинематическая схема машины ПВ-152М для испытаний на релаксацию
Видоизменение кинематической схемы машин ПВ-152М и ПВ-3012 для проведение испытаний на релаксацию состояло в демонтаже Системы нагружения, установке упругого элемента с тензодатчиками и жестком прикреплении цепочки с упругим элементом к станине.
Образец 1 (рисунок 6) закреплен в верхнем 2 и нижнем 3 захватах из молибденового сплава и может свободно расширяться при нагреве. Верхний захват через переходник 4 связан с опорным шарниром 5, а нижний — тягой 6 через упругий элемент 7 с корпусом машины. Тяга уплотнена с помощью резиновой диафрагмы. Нагружение образца производится автоматически путем подъема корпуса печи от электродвигателя 8 или вручную рукояткой 9 через редуктор 10.
Тензодатчики сопротивлением 100 Ом с базой 15 мм были изготовлены из константана и имели коэффициент тензочувствительности 2—2,2. Температурная компенсация (для исключения влияния колебаний температуры помещения) достигалась включением в симметричные плечи моста 11 константановых сопротивлений. Питание моста осуществлялось постоянным током 4—8 В от батарей. Рабочий ток составлял 15—90 МА в зависимости от диапазона тарировки.
Тарировку упругого элемента до 2000 Н (200 кг) производили методом непосредственного нагружения грузом определенной массы, при этом устанавливали зависимости показаний электронного потенциометра 12 (ЭПП-09) от величины нагрузки. Тарировку тензодатчика на 5000 и 10 000 Н (500 и 1000 кг) производили по образцовому динамометру, встроенному в цепочку нагружения. Цепочку с протарированным упругим элементом собирали таким образом, чтобы при откачке камеры не было подъема нижней тяги 13 под действием атмосферного давления; возникающее усилие воспринималось упругим элементом и электронный потенциометр фиксировал величину вакуумного груза.
Испытание на релаксацию осуществляется следующим образом. После достижения заданной температуры и установления силы тока заданной величины включаются электромеханический привод подъема печи 14 (скорость подъема 2 мм/мин) и привод диаграммы потенциометра ЭПП-09. По достижении нагрузки заданной величины привод подъема печи отключается и на диаграмме автоматически записывается кривая релаксации.















