180698 (592884), страница 3
Текст из файла (страница 3)
Таким образом, передаточная функция объекта регулирования
. (3.21)
В общем случае коэффициент усиления
, время запаздывания
, постоянная времени
являются величинами, изменяющимися внутри диапазона регулирования, и, следовательно, получить одинаковое качество регулирования во всем диапазоне регулирования без принятия специальных мер невозможно.
Если величины
и
в заданном диапазоне регулирования изменяются незначительно, то можно линеаризовать статическую характеристику за счет, например, специально подобранного сочленения исполнительного механизма с регулирующим органом и получить практически одинаковое качество регулирования во всем диапазоне регулирования. Если величины
и
изменяются значительно, то речь может идти об обеспечении качества «не хуже» заданного в диапазоне регулирования.
С учетом вышесказанного передаточные функции по основным каналам регулирования имеют вид:
«влажность наружного воздуха – влажность воздуха на выходе из установки кондиционирования»
;
«влажность наружного воздуха – влажность воздуха в помещении»
;
«температура наружного воздуха – температура на выходе из установки кондиционирования»
;
«температура наружного воздуха – температура воздуха в помещении»
;
«соотношение холодной и рециркуляционной воды – температура воды»
.
Рис. 3.2 – Кривая разгона малоинерционного объекта (температура воздуха на выходе из установки кондиционирования)
Рис. 3.3 - Кривая разгона инерционного объекта (температура воздуха в помещении)
Рис 3.4. - Кривая разгона малоинерционного объекта (влажность воздуха на выходе из установки кондиционирования)
Рис. 3.5 - Кривая разгона инерционного объекта (влажность в помещении)
Рис. 3.6 - Кривая разгона инерционного объекта (изменение соотношения «холодная-рециркуляционная вода).
4. Разработка системы регулирования
4.1 Автоматические системы регулирования температуры воздуха
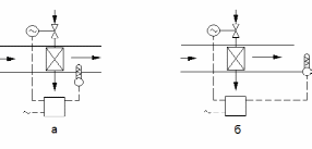
На рис. 4.1 приведены структурные схемы автоматических систем регулирования температуры воздуха с помощью теплообменника (калорифера), типичные для установок кондиционирования воздуха. К объекту регулирования в этом случае относятся кондиционируемое помещение, воздуховод, воздухонагреватель и регулирующий вентиль; к регулятору – измерительный и управляющий элементы и исполнительный механизм.
Как видно из схем, при установке преобразователя после теплообменника (в объекте регулирования) система регулирования замкнута, при установка преобразователя перед теплообменником (в потоке наружного воздуха) – разомкнута, так как изменение температуры в объекте регулирования не вызывает изменений положения регулирующего органа. При наличии двух преобразователей, один из которых установлен в регулируемом объекте, а другой – в потоке наружного воздуха, регулирующее воздействие является алгебраической суммой воздействий.
Основные автоматические системы регулирования температуры воздуха, применяемые в установках кондиционирования воздуха, показаны на рис. 4.2.
При размещении преобразователя в воздуховоде обеспечивается постоянная температура воздуха, поступающего в помещение, где температура воздуха не регулируется, и ее отклонения не могут вызвать изменений положения регулирующего органа (рис. 4.2, а).
Регулятор, преобразователь которого расположен в кондиционируемом помещении, при отклонении температуры от заданного значения воздействует на регулирующий вентиль, изменяющий количество пара, поступающего в воздухонагреватель (рис. 4.2, б).
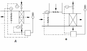
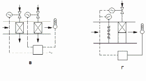
Система регулирования, состоящая из двух теплообменников – калорифера подогрева воздуха и поверхностного охладителя, работающих последовательно (поверхностный охладитель включается при полностью закрытом вентиле, регулирующем подачу теплоносителя (рис. 4.2, в)), может быть также системой релейного регулирования, если в зависимости от знака отклонения температуры, включается калорифер подогрева или поверхностный охладитель.
Рис. 4.1 – Функциональные и структурные схемы автоматических систем регулирования температуры воздуха:
а – при установке измерительного преобразователя после калорифера; б – при установке измерительного преобразователя перед калорифером; в – при наличии двух измерительных преобразователей;
- регулируемая величина;
- заданное значение;
- отклонение регулируемой величины от заданного значения;
- регулирующее воздействие; М – возмущение по нагрузке.
В системе состоящей из теплообменника, регулятора и регулируемого клапана (рис. 4.2, г), регулирование осуществляется изменением соотношения между объемом воздуха, проходящего через нагреватель, и холодного воздуха. Преимущество этой схемы заключается в том, что небольшое изменение положения подвижных клапанов сразу сказывается на температуре приточного воздуха и таким образом уменьшается запаздывание системы регулирования.
Широко применяются автоматические системы регулирования температуры воздуха, состоящие из регулятора с преобразователем, калорифера и воздухоохладителя, двух регулирующих вентилей и одного воздушного клапана (рис. 4.2, д). Температура воздуха поддерживается постоянной регулированием соотношения между нагретым и охлажденным воздухом и смеси. Регулирующие вентили в системах тепло- и хладоносителей открываются в зависимости от знака отклонения температуры воздуха в воздуховоде.
В системе (рис. 4.2, е), состоящей из смесительно-регулирующего клапана и калорифера подогрева воздуха, исполнительные механизмы могут работать последовательно, т.е. калорифер подогрева воздуха включается тогда, когда температура не может быть обеспечена за счет изменения температуры смеси приточного и рециркуляционного воздуха.
Рис. 4.2 – Основные автоматические системы регулирования температуры воздуха, применяемые в установках кондиционирования воздуха:
а – с преобразователем в воздуховоде; б – с преобразователем в помещении; в – с калорифером и поверхностным охладителем; г – с регулируемым воздушным клапаном; д – с двумя теплообменниками и воздушным клапаном; е – со смесительно-регулирующим воздушным клапаном.
На рис. 4.3 приведены автоматические системы регулирования температуры воздуха одновременно с изменением соотношения количества наружного и рециркуляционного воздуха и последующей обработкой смеси и с помощью теплообменников. Изменение соотношения расходов наружного и рециркуляционного воздуха осуществляется регулятором, чувствительный элемент которого установлен в потоке наружного воздуха. Наличие соленоидного вентиля обеспечивает более быстрое охлаждение воздуха.
Рис. 4.3 – Автоматические системы регулирования температуры с последующей обработкой смеси наружного и рециркуляционного воздуха:
а – с моторными исполнительными механизмами; б – с соленоидным вентилем на подаче холодоносителя.
Приведенные схемы регулирования применяются в различных комбинациях почти во всех установках кондиционирования воздуха.
Регулирование температуры воздуха регулятором, преобразователь которого расположен непосредственно в объекте, обладающем большим емкостным запаздыванием, может привести к значительному перерегулированию за счет того, что регулирующий орган может занимать крайние положения (особенно при релейном регулировании). Специальный регулятор-ограничитель, расположенный в воздуховоде, обеспечивает изменение температуры приточного воздуха в заранее заданных пределах (рис. 4.4).
Рис. 4.4 – Автоматические система регулирования при минимальном и максимальном ограничениях температуры воздуха:
1 – регулятор температуры в помещении; 2 – регулятор-ограничитель.
Возможны два вида ограничения – по минимальной температуре и максимальной. Если температура воздуха в объекте регулирования при максимальном ограничении ниже значения, заданного регулятору-ограничителю, то управляющий сигнал в линии регулирующего органа определяется только отклонением от заданного значения температуры воздуха в объекте регулирования (управляющий сигнал проходит через регулятор-ограничитель неизменным). Если же температура воздуха достигает значения, заданного регулятору-ограничителю, то последний своим управляющим элементом (например, устройством сопло-заслонка) соответствующим образом изменит давление в линии регулирующего органа, вследствие чего уменьшится расход теплоносителя, поступающего в калорифер. Температура воздуха в объекте регулирования понизится, и регулятор- ограничитель не будет работать.
При минимальном ограничении и достижении температурой воздуха значения, заданного регулятору-ограничителю, этот регулятор увеличивает подачу теплоносителя, и дальнейшее регулирование осуществляется основным регулятором. Основной регулятор и регулятор-ограничитель включены в управляющую магистраль сжатого воздуха последовательно. На рис. 4.4 показано минимальное и максимальное ограничение с помощью двух регуляторов-ограничителей.
Рис. 4.5 – Автоматические системы регулирования температуры приточного воздуха:
а – разомкнутая система регулирования: 1 – регулятор температуры в воздуховоде; 2 – электропневмореле, блокирующее работу вентилятора и воздушных клапанов; б – регулирование температуры с минимальным ограничением: 1 – регулятор температуры в помещении; 2 – регулятор-ограничитель; 3 – электропневматическое реле; в – регулирование температуры воздуха с минимальным ограничением и изменением соотношения расходов наружного и рециркуляционного воздуха: 1 – регулятор температуры; 2 – регулятор-ограничитель; 3 – регулятор положения воздушных клапанов; 4 – электропневматическое реле.
Максимальное и минимальное ограничение возможно и с помощью одного регулятора-ограничителя. В этом случае регулирующим органом управляет только регулятор-ограничитель, а роль регулятора температуры воздуха в объекте регулирования сводится к изменению значения, заданного регулятору-ограничителю, при отклонениях температуры воздуха от заданного значения в объекте регулирования.
Рассмотрим несколько типовых схем автоматического регулирования температуры приточного воздуха (рис. 4.5)
Регулятор, преобразователь которого расположен в приточном канале, управляет степенью открытия регулирующего вентиля в калорифере.
Система регулирования температуры воздуха в объекте разомкнута, и изменение тепловой нагрузки не влияет на степень открытия регулирующего вентиля (рис. 4.5, а).
Регулятор температуры объекта управляет регулирующим вентилем калорифера, а регулятор, преобразователь которого расположен в канале, является минимальным ограничителем и включается в том случае, если температура воздуха ниже заданного минимума (рис. 4.5, б).
Система регулирования температуры воздуха в объекте с минимальным ограничением и регулированием соотношения расходов наружного и рециркуляционного воздуха (рис. 4.5, в), характеризуется наличием регулируемых воздушных клапанов. Регулирующие органы калорифера и воздушных клапанов включены последовательно. Порядок работы воздушных клапанов и калориферов определяется экономичностью работы системы и необходимым количеством свежего воздуха.
В системе регулирования температуры удаляемого воздуха при минимальном ограничении температуры приточного воздуха (рис. 4.6,а) регулирование температуры приточного и рециркуляционного воздуха осуществляется отдельным регулятором, преобразователь которого расположен в канале притока. Для предотвращения замерзания через калорифер проходит предварительно подогретый воздух. Последовательная работа регулятора температуры удаляемого воздуха и минимального регулятора-ограничителя обеспечивает регулирование по средней температуре объекта, однако в этом случае увеличивается запаздывание.
Рис. 4.6 – Автоматические системы регулирования температуры приточного воздуха:
а – регулирование температуры удаляемого воздуха; б – регулирование температуры удаляемого воздуха при наличии байпаса; в – многозональное регулирование при минимальном ограничении температуры приточного воздуха: 1-4 – регуляторы.
















