63325 (588928), страница 6
Текст из файла (страница 6)
Цикл АЦП выполняется при нулевом значении сигнала на входе
. По истечении 30 мкс на выводе
формируется сигнал готовности низкого уровня, а на выводы D10...D1 выставляется цифровой код, эквивалентный значению входного сигнала. В остальное время выходы находятся в третьем состоянии. Цикл преобразования заканчивается при
, а последующий цикл можно начать не ранее, чем через 2 мкс. По этому принципу построен алгоритм управляющей программы.
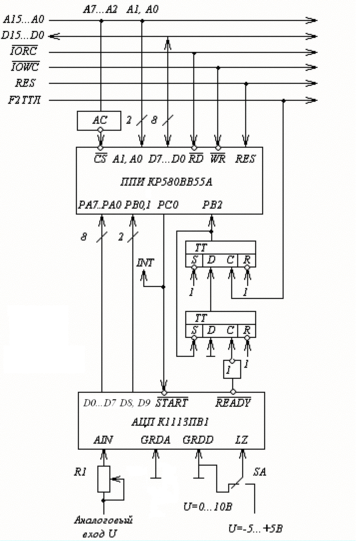
Структура аналогово-цифрового интерфейса на БИС АЦП К1113ПВ1 и ППИ КР580ВВ55А представлена на Рисунок 1.14, а временные диаграммы его работы – на рисунке 1.22
.
Рисунок 1.22 Структура АЦП интерфейса на БИС К1113ПВ1
Рисунок 1.23 Временные диаграммы работы АЦП интерфейса на БИС К1113ПВ1
АЦП может работать в диапазонах входного сигнала 0…10, 24В или -5…+5В. Переключатель П предназначен для выбора диапазона преобразования. Резистором R1 можно регулировать шкалу преобразования. Если диапазон входного аналогового сигнала составляет
, то сопротивление R1 выбирается в пределах 5…50 Ом, если диапазон входного сигнала 0…10В, то сопротивление R1 от 100 до 200 Ом.
2 Аппаратно-программные средства контроля и диагностики устройства
2.1 Аппаратные средства контроля микросистем
Назначение: При помощи данных измерительных приборов возможна полная наладка и подготовка устройства к работе, а также профилактика в дальнейшем
2.1.1 Логический пробник (одноконтактный)
Однокристальный логический пробник – прибор для индикации двоичного состояния элементов дискретных схем (см. рисунок 2.1).
Задача логического пробника – упростить проверку логических схем, давая пользователю возможность наблюдать логические уровни без настройки и калибровки, которые необходимы при измерениях с помощью осциллографов.
Очень важным достоинством логических пробников является возможность работы с различными ИС, например, ЭСЛ, ТТЛ и др. Это очень удобно при эксплуатации вычислительных систем, где, как правило, используются различные комплексы ИС.
Важное качество пробника – это четкость и однозначность показаний.
Основные преимущества логических пробников – компактность, возможность работы в труднодоступных местах, питание от источника проверяемого логического устройства, удобство работы.
Рисунок 2.1 Логический пробник (режим запоминания одиночных импульсов)
2.1.2 Осциллограф (С1-65А)
Осциллограф – это контрольно-измерительный прибор для измерения параметров сигналов.
Осциллографы компонуют с другими измерительными приборами для повышения их эффективности при эксплуатации, например с мультиметром, приставкой для подсчета логических переключений, цифровым индикатором для отсчета значений напряжений и временных параметров.
1. Основные сведения:
-
Осциллограф универсальный С1 - 65А предназначен для исследования формы электрических сигналов путем визуального исследования и измерения их амплитуды и временных параметров.
1.2 Осциллограф может эксплуатироваться в следующих условиях:
а) температура окружающего воздуха от 243 К ( - 30 С) до 323 К (+50 С);
б) относительная влажность окружающего воздуха до 98% при температуре до 308 К ( +35 С);
в) атмосферное давление 100
4 кПа.
1.3 Осциллограф удовлетворяет требования ГОСТа 22261 – 76 и 22737 – 77.
По точности воспроизведения формы сигнала, точности измерения временных интервалов и амплитуд осциллограф С1 – 65А относится ко II классу ГОСТа 22737 – 77.
2. Технические данные:
2.1 Рабочая часть экрана осциллографа:
по горизонтали – 80 мм ( 10 делений)
по вертикали – 64 мм (8 делений)
-
Минимальная частота следования развертки, при которой обеспечивается наблюдение исследуемого сигнала на наиболее быстрой развертки , не более 50 Гц.
-
Нормальный диапазон амплитудно-частотной характеристики тракта вертикального отклонения находиться в пределах от 0 до 10 МГц. При коэффициенте отклонения 0,005 В/дел. – от 0 до 7 МГц.
-
Время нарастания переходной характеристики тракта вертикального отклонения в положениях 0,1; 0,2; 0,5; 1; 2; 5; 10; переключателя V/дел. не превышает 8 нс; в положении 0,005 переключателя V/дел. не превышает 10 нс; в положениях 0,01; 0,02; 0,05; не превышает 7 нс.
-
Неравномерность переходной характеристики (отражения, синхронные наводки) после времени установления 3
, от считываемого от точки на фронте ПХ, расположенной на уровне 0,1, не должна превышать 1,5%. -
Параметры входа канала вертикального отклонения:
а) входное сопротивление 1
0,03 МОм;
б) входная ёмкость, параллельная входному сопротивлению, не превышает 25 пФ
в) входное сопротивление с выносным делителем 1: 10 10
1 МОм с ёмкостью, параллельной входному сопротивлению, 10
2 пФ;
г) вход закрытый и закрытый.
2.7 Коэффициент отклонения устанавливается одиннадцатью ступенями от 0,005 до 10V/дел. с плавной регулировкой коэффициента отклонения относительно калиброванного положения не менее чем в 2,5 раза.
2.8 Нелинейность отклонения не превышает 10%
2.9 Пределы перемещения луча по вертикали не менее
64 мм.
2.10 Допускаемое суммарное значение постоянного и переменного напряжения исследуемого сигнала на закрытом входе усилителя вертикального отклонения (УВО) 300 В.
2.11 Максимальная допускаемая амплитуда исследуемого сигнала не превышает:
а) при работе без выносного делителя 60 В
б) при работе с выносным делителем 300 В.
2.12 Минимальное значение исследуемого сигнала, при котором обеспечивается класс точности осциллографа, не более 15 мВ.
2.13 Минимальная длительность исследуемого временного интервала , при которой обеспечивается класс точности осциллографа, не более 35 нс.
2.14 Предел допускаемой основной погрешности измерения напряжения не превышает
5% в нормальных условиях применения и 6% в рабочих условиях применения.
2.15 Значение коэффициента развертки: 0,01; 0,02; 0,05; 0,1; 0,2; 0,5; 1; 2; 5; 10; 20; 50 мкс/дел.; 0,1; 0,2; 0,5; 1; 2; 5; 10; 20; 50 мс/дел.
2.16 Предел допускаемой основной погрешности измерения временных интервалов во всем диапазоне развертки ( кроме растянутой ) при размере изображения по горизонтали не менее двух делений не превышает
5% в нормальных условиях применения и
6% в рабочих условиях применения.
2.17 Внешняя синхронизация развертки осуществляется гармоническими сигналами частотой 10 Гц до 50 МГц при размахе напряжения сигнала от 0,5 до 30 В и импульсными сигналами обеих полярностей длительностью от 0,05 мкс до 1 с при амплитуде напряжения сигнала от 0,5 до 30 В. В режиме автозапуска синхронизации осуществляется сигналами частотой не менее 30 Гц.
2.18 Канал Z обеспечивает наблюдение яркостных меток при подаче на его вход среднеквадратичного значения испытательного напряжения от 1,5 до 20 В в полосе частот от 20 Гц до 10 МГц.
2.19 Параметры входа Z:
а) входное сопротивление 50
5 кОм;
б) входная емкость, параллельная входному сопротивлению, не более 140 пФ.
2.20 Сопротивления изоляции цепей питания между входом сетевого разъема и корпусом осциллографа не менее:
а) 20 МОм в нормальных условиях
б) 5 МОм при повышенной температуре
в) 2 МОм при повышенной влажности
2.21 Осциллограф сохраняет свои технические характеристики в пределах норм , установленных в ТУ , при питании его от сети переменного тока :
а) напряжением 220
22 В, частотой 50
0,5 Гц, 60 Гц
б) напряжением 115
5,75/220
11 В частотой 400
Гц
2.22 Осциллограф обеспечивает свои технические характеристики в пределах норм, установленных ТУ после времени установления рабочего режима, равного 15 мин.
2.23 Мощность потребляемая осциллографом от сети при нормальных условиях, не превышает 125 ВА.
2.24 Наработка на отказ не менее 1500 ч.
Срок службы осциллографа 7 лет.
Технический ресурс 10000 ч.
2.1.3 Вольтметр В7-16А.
Вольтметр универсальный В7 – 16А предназначен для измерения напряжения постоянного и переменного токов, активного сопротивления при регламентных, ремонтных и регулировочных работах в различных областях электроники ,а также для проверки приборов более низкого класса.
Условия эксплуатации вольтметра:
- температура окружающей среды – от 263 К ( минус 10 С) до 323 К (+50 С);
- атмосферное давление (100
4) кПа
- относительная влажность - до 95% при температуре до 303 К ( +300 С)
1. Технические данные:
-
Время измерения напряжения постоянного тока при включенном входном фильтре не превышает:
- 200 мс при времени преобразования 100мс и четырехзначном цифровом отсчете;
- 40 мс при времени преобразования 20 мс и четырехзначном отсчете;
- 2 мс при времени преобразования 1 мс в трехзначном цифровом отсчете;
1.2 Диапазоны измерений электрических величин соответствуют значениям , указанными в таблице 2.1.
1.3 Диапазоны измерений разбиты на поддиапазоны , указанные в таблице 2.1.
1.4 Выбор поддиапазонов измерения осуществляется ручным способом.
1.5 Частотный диапазон измеряемых напряжений переменного тока:
от 20 Гц до 50 МГц на пределе «1»
от 20 Гц до 30 МГц на пределе « 10»
от 20 Гц до 20 кГц на пределах «100» и «1000»
1.6 При измерении напряжений переменного тока вольтметр градуируется в эффективных значениях. Основная погрешность обеспечивается при измерении напряжений синусоидальной формы с содержание гармоник не более 0,1% на пределе «1» , не более 0,2% на остальных пределах ,не более 1% в диапазоне частот 100 кГц – 50 МГц.
-
Вольтметр обеспечивает следующие режимы запуска:
- автоматически от внутреннего источника импульсов с периодом повторения 0,1 – 5 с при времени преобразования 1 мс и 20 мс, 0,2 – 5 с при времени преобразования 100 мс;
- вручную нажатии кнопки;
- дистанционно от источника импульсов частотой не более 1 кГц , 50 Гц; 10 Гц соответственно;
1.9 Предел допускаемой основной погрешности вольтметра при измерении напряжения постоянного тока обеих полярностей:
- при времени преобразования 20 мс и 100 мс
- при времени 1 мс
- где Uк – конечное значение установленного предела измерений;
Uх – показание вольтметра.
1.10 Вольтметр имеет встроенный фильтр для дополнительного подавления помех последовательного вида в режиме измерения напряжения постоянного тока. Подавлением прибором помех синхронных с частотой питающей цепи, равной 50 Гц, при времени преобразования 20 и 100 мс в случае включенного фильтра составляет не менее 60 дБ.
-
Входное сопротивление вольтметра составляет:
- не менее 10 МОм при измерении напряжения постоянного тока;
, от считываемого от точки на фронте ПХ, расположенной на уровне 0,1, не должна превышать 1,5%. 















