63325 (588928), страница 4
Текст из файла (страница 4)
В регистре признаков имеется еще три разряда, которые можно использовать для управления действиями МП путем записи в них 0 или 1. Запись 1 в разряд признака направления DF вызывает автодекремент при выполнении операций со строками данных. Это означает, что строки обрабатываются от старших адресов к младшим адресам (справа налево). Запись 0 в DF вызывает автоинкремент, т.е. обработку строк слева направо. Если признак разрешения прерывания IF равен 1, то МП реагирует на внешние маскируемые запросы прерывания. Запись 0 в IF запрещает эти прерывания. При этом IF не влияет на внутренние и немаскируемые прерывания. Для перевода МП в пошаговый режим выполнения программы необходимо записать 1 в разряд признака пошагового режима TF. В этом режиме после выполнения каждой команды МП автоматически генерирует прерывание.
Распределение сигналов по выводам приведено на рисунке 1.16.
Рисунок 1.16 Микропроцессор К1810ВМ86
Функциональное назначение выводов микропроцессора К1810ВМ86 приведено в табл. 1.3.
| Вывод | Обозначение | Функциональное назначение |
| 1, 20 | OV | Общий |
| 16-2, 39 | AD0-AD15 | Шина адреса/данных |
| 17 | NMI | Немаскируемый запрос прерывания |
| 18 | INTR | Маскируемый запрос прерывания |
| 19 | CLK | Тактовые импульсы |
| 21 | CLR | Установка (сброс) |
| 22 | RDY | Готовность |
| 23 | TEST | Вход, проверяемый по команде |
| 32 | RD | Чтение |
| 33 | | Минимальный/Максимальный режим |
| 34 | BHE/S7 | Разрешение передачи по старшим разрядам D8-D15 шины данных/состояние |
| 38-35 | A16/S3-A19/S6 | Старшие разряды адреса/состояние |
| 40 | +5V | Напряжение питания |
| Минимальный режим | ||
| 24 | INTA | Подтверждение прерывания |
| 25 | STB | Строб адреса |
| 26 | DE | Разрешение обмена данными |
| 27 | ID/OD | Ввод данных/Вывод данных |
| 28 | M/IO | Память/Внешнее устройство |
| 29 | WR | Запись |
| 30 | HLDA | Разрешение прямого доступа |
| 31 | HOLD | Запрос прямого доступа (захвата шины) |
| Максимальный режим | ||
| 25, 24 | QS0, QS1 | Состояние очереди команд |
| 26-28 | | Тип цикла обмена |
| 29 | LOСK | Сигнал блокировки, индицирующий, что другое устройство не может занять системную магистраль |
| 31, 30 | RQ/E0, RQ/E1 | Запрос/Разрешение доступа к шине |
Табл. 1.3. Функциональное назначение выводов МП К1810ВМ86
Вход
служит для выбора режима функционирования, который предлагает пользователю выбор состава выходных сигналов в соответствии со степенью сложности проектируемой МП системы. В минимальном режиме (вывод
подсоединен к шине питания), ориентированном на малые вычислительные системы, МП выдает сигналы управления обменом с памятью и внешними устройствами, а также обеспечивает доступ к системной магистрали по запросу прямого доступа к памяти, используя сигналы HOLD и HLDA. Если вывод
подключен к шине «Земля» (общий), то МП находится в максимальном режиме и может работать в сложных одно- и многопроцессорных системах. При работе в этом режиме изменяются функции ряда выводов МП. Восемь сигналов состояния, которые выдает МП, могут быть использованы внешними устройствами. Сигналы на выводах
определяют тип цикла обмена по шине адреса/данных. Эти сигналы состояния МП декодируются системным контроллером К1810ВГ88, и он выдает расширенный набор сигналов управления обменом. Сигналы на выводах S3, S4 определяют, какой сегментный регистр используется в текущем цикле обмена для вычисления физического адреса ячейки памяти. Сигнал на выводе S5 определяет состояние триггера разрешения прерывания регистра признаков, на выводе S6 всегда находится в состоянии 0, а на выводе S7 является вспомогательным сигналом и его состояние в процессе работы МП не определено. В максимальном режиме МП выдает на выводы QS0 и QS1 сигналы состояния очереди команд, предназначенные для того, чтобы внешние процессоры могли принимать от МП команды и операнды с помощью команды ESC. Сигналы, полученные в текущем такте, описывают состояние очереди в предыдущем такте. Отслеживание состояния очереди команд позволяет обрабатывать расширение системы команд с помощью сопроцессора.
Система команд МП К1810ВМ86 содержит 135 команд, подразделяющихся по функциональному назначению на команды передачи данных, арифметические, поразрядной обработки данных, обработки строк данных, передачи управления, управления процессором.
Команды передачи данных (общего назначения, пересылки адреса и признаков, ввода/вывода и перекодирования) обеспечивают пересылку операнда-источника на место операнда-приемника без содержательного их преобразования. Арифметические команды (сложения, вычитания, умножения, деления и преобразования форматов данных) предназначены для выполнения операций над 8- и 16-разрядными целыми двоичными числами с фиксированной и плавающей точками, упакованными и распакованными двоично-десятичными числами. Команды поразрядной обработки данных выполняют логические операции булевой алгебры, операции линейных и циклических сдвигов вправо и влево. Команды обработки строк данных позволяют не только производить расчеты, но и обрабатывать тексты. Длина обрабатываемых строк может достигать 64 Кбайт. Команды передачи управления позволяют осуществлять безусловные переходы, вызовы и возвраты, условные переходы, управление циклами и обслуживание прерываний. Команды управления процессором обеспечивают управление состоянием определенных разрядов регистра признаков, а также используются для синхронизации работы с внешними событиями и процессорами.
1.5.3 Микропроцессор К1810ВМ88
Архитектура МП ВМ88 тождественна архитектуре ВМ86. Программное обеспечение одного МП может быть использовано другим без изменения. Он имеет архитектуру, практически идентичную структуре МП К1810ВМ86, и отличается уменьшенным до четырех числом регистров очереди команд и 8-разрядной внешней шиной данных (внутренняя структура, как и у К1810ВМ86, 16-разрядная). Для передачи данных используются младший байт шины адреса/данных, а старший байт шины, как и в МП К1821ВМ85А, - для передачи адреса. По системе команд МП абсолютно идентичен К1810ВМ86. Все программные усовершенствования К1810ВМ86 можно переносить на системы, построенные на основе К580ВМ80А и К1821ВМ85А, простой установкой платы нового центрального процессора на основе К1810ВМ88. Необходимо лишь согласовать временные параметры отдельных элементов. Из-за увеличения вдвое времени выборки 16-разрядных слов производительность К1810ВМ88 будет ниже, чем у его 16-разрядного прототипа, но не обязательно в 2 раза. Так, время обработки однобайтовых операндов с помощью К1810ВМ88 только на 5% меньше. Функциональное назначение выводов К1810ВМ88 и К1810ВМ86 практически совпадает.
В процессоре ВМ88 длина очереди уменьшена до 4 байт, тогда как в ВМ86 она составляет 6 байт или 3 слова. Длина очереди была сокращена для уменьшения времени занятия системной магистрали блоком сопряжения, необходимого для заполнения очереди. Вместе с этим был оптимизирован алгоритм предварительной выборки. Так, если в ВМ86 новое слово программного кода считывается из памяти и вводится в буфер всякий раз, когда в очереди освобождается два байта, то в ВМ88 новый байт программного кода пересылается в буфер при наличии в нем хотя бы одного места. Алгоритм такого типа сглаживает возможные колебания длины очереди, обеспечивая практически постоянное ее заполнение.
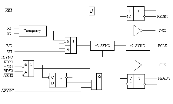
1.5.4 Генератор тактовых импульсов ГФ84
Микросхема К1810ГФ84 является однокристальным ГТИ, специально спроектированным для МП К1810ВМ86. В состав микросхемы (рисунке 1.17) входит стабилизируемый кварцем генератор, делитель на 3, а также логика синхронизации сигналов готовности и сброса.
Рисунок 1.17 Структурная схема ГТИ ГФ84
Встроенный в БИС генератор рассчитан для работы с внешним кварцевым резонатором, который подключается к входу Х1 и выходу Х2. Частота подключаемого кварцевого резонатора должна быть в 3 раза больше, чем требуемая МП частота CLK. Для достижения наиболее стабильной работы входных цепей генератора рекомендуется точки Х1 и Х2 подключить к общей шине через резисторы сопротивлением 510 Ом. Полезно также последовательно с кварцевым резонатором подключить конденсатор небольшой емкости (около 15 пФ). Выход генератора подключается непосредственно к выводу OSC, так что внешние средства при необходимости могут воспользоваться основной тактовой частотой ГТИ.
Основная системная частота CLK получается путем деления частоты OSC на 3. Длительность импульсов на выходе CLK составляет 1/3 периода, что соответствует требованиям, предъявляемым МП. Еще один выходной синхросигнал PCLK представляет собой меандровую последовательность импульсов с частотой, равной половине частоты CLK. В случае стандартного значения частоты CLK 5 МГц, частота PCLK составляет 2,5 МГц. Этот синхросигнал предназначен для формирования основной тактовой последовательности CCLK для ПУ. Установочный вход CSYNC позволяет синхронизировать CLK и PCLK , например, с другим ГТИ.
Микросхема предусматривает возможность работы от внешнего генератора импульсов OSC, которые подаются на вход EFI. Выбор между внутренним и внешним генератором OSC реализуется с помощью управляющего входа
. При
выбирается внутренний генератор, в противном случае – внешний.
Логика формирования сигнала сброса RESET включает триггер Шмидта и синхронизирующий D-триггер, срабатывающий по срезу CLK. Применение на входе RES пороговой схемы позволяет формировать сигнал сброса при нажатии клавиши RESET с помощью простой RC-цепочки. Полученный на выходе RESET сигнал сброса соответствует требованиям, накладываемым на него МП К1810ВМ86.
Логика формирования сигнала готовности READY предусматривает синхронизацию входного сигнала готовности RDY1 или RDY2. Выбор входа осуществляется управляющими сигналами
и
. Симметричность пары RDY,
допускает использование в качестве входа готовности инверсную линию
, тогда как прямая линия RDY может служить управляющей.
















