63322 (588926), страница 4
Текст из файла (страница 4)
Разработаны базовые конструкции ЛБВ в миллиметровом диапазоне длин волн с уровнем выходной мощности 10...50 Вт (рисунок 1).
Рисунок 1- Типичная АЧХ ЛБВ миллиметрового диапазона
Разработаны и производятся сверхширокополосных спиральных ЛБВ средней и большой мощностей, а также комплексированных устройств на их основе. Основные технические характеристики проанализированы с позиции их взаимосвязи с особенностями конструкции и технологии изготовления.
Современный этап развития СВЧ-приборов такого класса, характеризующийся успехами в области их миниатюризации и комплексирования совместно с твердотельными устройствами , требует разработки новых конструкторско-технологических работ, решений и подходов.
2. ТЕХНИЧЕСКИЕ ТРЕБОВАНИЯ ПО РЕАЛИЗАЦИИ УСИЛИТЕЛЯ МОЩНОСТИ НА ЛБВ КА ДИАПАЗОНА
2.1 Требования технического задания
Анализ современного состояния разработок ЛБВ миллиметрового
диапазона длин волн показал, что наиболее подходящее для проектируемого усилителя является ЛБВ типа ТW-33-200 имеющая следующие параметры.
Требования технического задания.
1. Рабочий диапазон частот, ГГц 33 – 34;
2. Выходная импульсная мощность, Вт 200;
3. Входная мощность,мВт 75-100;
4. Ток катода импульсный,мА <250;
5. Неравномерность АЧХ в рабочей полосе, дБ 3;
6. Напряжение замедляющей системы, кВ 24,5-25,5;
7. Напряжение коллектора, кВ 10-12;
8. Напряжение управляющего электрода
относительно катода, кВ
-в паузе между импульсами, кВ 2,2;
-во время импульса, В 50;
9. Напряжение накала (переменное), В 3,15-3,5;
10. Ток накала, А 2,0-2,5;
11. Ток замедляющей системы, мА 20;
12. Длительность импульса, мкС 6-10;
13. Частота повторений, кГц 8;
14. Максимальный коэффициент заполнения, % 10;
15. Непрерывная работа, час не менее 4;
16. Способ охлаждения : принудительно-воздушное охлаждение;
17. Масса, кг 4,8;
18. Вывод энергии - прямоугольный волновод
сечением, мм 21.86х10,16;
19. КСВН нагрузки 1,5;
20. Средняя наработка на отказ, час 1000.
2.2 Анализ требований к источникам питания
В соответствии с техническим заданием на разработку высоковольтных источников питания для СВЧ передатчиков необходимо разработать два источника питания, удовлетворяющие нижеприведенным техническим требованиям.
Технические требования к источнику питания №1 (ИП-1).
Электрические требования:
1. Выходное напряжение 10-12кВ;
2. Характер потребляемого тока импульсный;
3. Ток в импульсе 250мА;
4. Частота повторения импульсов тока нагрузки 8кГц;
5. Длительность импульса 6-10мкС;
6. Гальваническая развязка выходных цепей питания
от шин источника входной электроэнергии.
7. Частота преобразования 8-40кГц с возможностью
синхронизации от внешнего задающего генератора
8. Защита по перегрузкам по выходному току и
напряжению и автоматическое восстановление работы
после снятия перегрузки;
9. Первичная сеть 220В 50Гц;
10. Нестабильность первичной сети 5%;
Технические требования к источнику питания №2 (ИП-2)
Электрические требования:
1.Выходное напряжении 2,5-3,5кВ;
3.Характер потребляемого тока импульсный;
4.Ток в импульсе 20мА;
5.Частота повторения импульсов тока 8кГц;
6.Длительность импульса 10 – 20 мкc;
7.Первичная сеть 220В 50Гц;
8.Нестабильность первичной сети 5%;
Предварительный анализ технических требований показывает, что оба источника питания работают в импульсном режиме потребления выходного тока со скважностью Q > 12.
Определим максимальную среднюю мощность, потребляемую от первичной сети ИП- 1 и ИП –2 по формуле:
Рср=Ри/(
*Q), (2.1)
где Ри –мощность потребляемая нагрузкой в импульсе,
- коэффициент полезного действия вторичного источника питания,
Q -скважность.
Принимая
=0,85, Q=12, получим:
для ИП-1 Рср=300ВA;
для ИП-2 Рср=50ВА.
Таким образом, ИП-1 можно отнести к высоковольтным вторичным источникам питания (ВВИП) средней мощности, а ИП-2 к ВВИП малой мощности.
Хотя деление ВВИП по мощности весьма условно, тем не менее принципы построения и структура источников питания малой и средней мощности могут существенно отличатся друг от друга в зависимости от электрических требований и наличия необходимой элементной базы для построения высоковольтной части ВВИП. При выборе структуры построения ВВИП наличие необходимой элементной базы и необходимой технологии изготовления высоковольтных узлов играет не последнюю роль. Дополнительные требования к выбору структуры построения ВВИП обусловлены условиями эксплуатации и конструктивно технологическими требованиями.
2.3 Анализ требований к импульсному модулятору для ЛБВ
Импульсный модулятор предназначен для формирования мощных видеоимпульсов, управляющих напряжением на управляющем электроде ЛБВ. Модулятор является сложным и ответственным устройством любого передатчика и от его устойчивой работы зависит обеспечение ряда важных характеристик блока.
Сформируем требования к модулятору.
Таблица 2.1 – Требования к модулятору
| №/№ п/п | Параметр | Значение параметра | Примечания |
| 1 | 2 | 3 | 4 |
| 1. | Частота повторения импульсов, Гц | 8000 | |
| 2. | Длительность импульса, мкс | 12 | |
| 3. | Длительность переднего фронта импульса, мкс | 0,1 | |
| 4. | Длительность заднего фронта импульса, мкс | <0.2 | |
| 5. | Скважность | 10 | |
| 6. | Напряжение на выходе модулятора, В Отрицательное в паузе, Положительное в импульсе | 1800 0-100 | ТЗ на ЛБВ |
| 7. | Емкость нагрузки Спар, пф | 50 | |
| 8. | Ток нагрузки в импульсе, mA | 2 | |
| 9. | Питание модулятора, В | Уточняется при проектировании | |
| 10. | Импульс запуска (ИЗМ) от синхронизатора, В | ТТЛ |
Проведем анализ требований к модулятору, представленных в таблице.
Пункты 1, 2, 5, 6 являются директивными и обсуждению не подлежат.
Пункт 3, 4. Длительность импульса модулятора может быть больше длительности СВЧ импульса, так как длительность фронтов огибающей СВЧ импульса всегда меньше, чем у модулирующего импульса в силу действия закона степени 3/1.
Пункт 7. Определяется параметрами ЛБВ.
Пункт 8. Определяется параметрами ЛБВ.
Пункт 9. Определяется параметрами ЛБВ.
В соответствии с техническими характеристиками ЛБВ амплитуда импульса должна быть не менее 1500 В. Длительность фронта импульса tфи = 0.2 мкс. Емкость управляющий электрод – катод – Свх = 50 пФ. Определим мощность которую должен обеспечить модулятор (Рфи), чтобы зарядить входную емкость Свх на 1500 В, за время длительности фронта импульса.
Рфи = (СU)2/2tфи = 300 Вт. (2.2)
Видно, что несмотря на отсутствие тока управляющего электрода, импульсный модулятор должен обеспечивать очень большую мощность для формирования заданного значения длительности фронта импульса.
3. Разработка и обоснование структурной схемы проектируемого устройства
3.1 Структурная схема усилителя
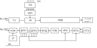
Структурная схема усилителя мощности на ЛБВ приведена на рисунке 3.1. Усиливаемый входной сигнал поступает на вход твердотельного усилителя мощности на ЛПД (ТУ). Коэффициент усиления ТУ 16 дБ. Выходная мощность более 100 мВт. С выхода усилителя СВЧ сигнал поступает на управляемый аттенюатор. Ослабление вносимое аттенюатором выбирается таким образом, чтобы сквозной коэффициент усиления со входа усилителя на его выход не зависел от АЧХ ЛБВ. Для этого измеряется АЧХ ЛБВ и дешифратор программируется таким образом, что вносимое аттенюатором ослабление равно по величине и противоположно по знаку изменению коэффициента усиления ЛБВ, выраженному в дБ. Применение аттенюатора позволяет установить оптимальное значение мощности сигналы на входе ЛБВ, имеющей неравномерную АЧХ. При отсутствии кода частоты возможно некоторое уменьшение мощности выходного сигнала и увеличение фазовых искажений на выходе ЛБВ. При использовании усилителя в передающем устройстве РЛС частота передатчика всегда известна и формирование кода частоты усиливаемого сигнала не вызывает трудностей. С выхода УА сигнал поступает на ЛБВ. Питание ЛБВ осуществляется от высоковольтных источников питания ИП1 и ИП2. ИП1 обеспечивает питание замедляющей системы ЛБВ и имеет напряжение 25 кВ, мощность ИП1 - 40 вт. ИП2 обеспечивает питание коллектора ЛБВ и имеет напряжение 10 –15 кВ, мощность более 300 вТ. Для уменьшения массы и габаритов ИП1 и ИП2 выполнены по схеме высокочастотного преобразователя и работают на частотах 30 – 40 кГц. На управляющий электрод ЛБВ подается импульсный сигнал модулятора. Амплитуда импульса более 1.5 кВ. Для уменьшения влияний пульсаций источников питания и улучшения параметров и электромагнитной совместимости усилителя мощности на ЛБВ, частота высокочастотного преобразователя, должна быть кратна частоте повторения импульсов. Это может быть обеспечено путем синхронизации частот ИП1 и ИП2 сигналом опорного кварцевого генератора РЛС. Это позволяет обеспечить когерентность сигналов РЛС и высокочастотных преобразователей ИП1 и ИП2, частоты которых задаются сигналом с выхода делителя с переменным коэффициентом деления ДПКД1. При таком построении частота следования импульсов на выходе передатчика может задаваться сигналом с выхода ДПКД2. Выбирая требуемые значения коэффициентов деления ДПКД1 и ДПКД2, можно обеспечить необходимое значение частоты импульсов на выходе передатчика. При этом частота высокочастотных преобразователей будет равна 32 – 40 кГц.
Рисунок 3.1 - Структурная схема усилителя на ЛБВ
а)
б)
Рисунок 3.2 - а) Блок схема параллельного включения;
б) Блок схема последовательного включения.
Такое построение передатчика устраняет возможность появления комбинационных составляющих в спектре доплеровских частот принимаемого сигнала, образованных частотой повторения импульсов и частотой источника питания, позволяет снизить требования к коэффициенту пульсаций источника питания. Для работы усилителя мощности при отсутствии сигнала ОКГ, через коммутатор (Ком) в схему подается сигнал собственного генератора ЗГ. Частота генератора ЗГ выбрана равной 10 МГц.
Основное отличие разных реализаций современных бортовых источников питания ЛБВ заключается в способе включения коллекторного источника.
На рисунке 3.2 представлены блок-схемы для двух таких способов.
С точки зрения обеспечения заданных напряжений на электродах ЛБВ, обе схемы совершенно эквивалентны, и обе широко распространены в отечественной и мировой практике, однако имеются соображения к предпочтительному выбору.
Схема на рисунке 3.2 б) более компактна, поскольку около 50-60% напряжения получаем как бы “бесплатно” за счет суммирования коллекторного напряжения. В схеме на рисунке 3.2 а) проще реализуются требования по пульсациям и защитные функции при переходных процессах.
Конкретный выбор обычно зависит от уровня мощности источника и, в некоторой степени, от личного опыта разработчика. Как и при выборе охлаждения и в проблемах с высотностью, здесь мы сталкиваемся с пограничным случаем. Обычно при мощностях УМ 500 Вт выбирают параллельный вариант.
При отсутствии жестких требований к массе и габаритам источника питания целесообразно использовать раздельные источники питания цепи коллектора и замедляющей системы. При этом защита по току цепей коллектора и замедляющей системы может быть осуществлена в выходных каскадах высокочастотных преобразователей.
Для увеличения времени наработки на отказ питание цепи накала должно осуществляться переменным напряжением 3 В, при частоте источника питания 50 или 400 Гц. Цепь накала ЛБВ обладает индуктивностью. Для частот 50 – 400 Гц этой индуктивностью можно пренебречь, сопротивление цепи накала считается чисто активным, значение индуктивности цепе накала ЛБВ неизвестно и может иметь большой разброс для различных экземпляров ЛБВ одного типа. При питании накала частотой 30 – 40 кГц, значение индуктивного сопротивления цепи накала увеличивается в сотни раз и пренебрегать его значением нельзя. Устранить влияния индуктивности можно путем питания цепи накала от источника тока. Однако источники питания цепей коллектора и замедляющей системы (ИП1 и ИП2) – источники напряжения. Поэтому для увеличения выходного сопротивления источника питания цепи накала напряжением 3 В, на обмотке накала трансформатора ИП2 формируется напряжение 12 В, а ток цепи питание задается резистором, значение которого равно
R = (12 – 3)/Iн, (3.1)
где I – ток накала ЛБВ ( А).
Схема цепи накала ЛБВ приведена на рисунке 3.3.
L
Rн
Рисунок 3.3 - Схема цепи накала
Для устранения самовозбуждения ЛБВ и улучшения стабильности АЧХ и ФЧХ усилителя при неидеальной нагрузке, на выходе ЛБВ установлен ферритовый вентиль.
3.2 Структурные схемы источника питания и выбор элементной базы
Источник питания цепи коллектора (ИП-1) по мощности относится к ИП средней мощности. С учетом анализа технических требований за основу для предварительного расчета выберем один из известных вариантов структурных схем для ключевого источника питания средней мощности. В ИП (рис.3.4) входит входной выпрямитель, ключевой стабилизатор напряжения, мостовой преобразователь напряжения, высоковольтный трансформаторно-выпрямительный модуль, цепь обратной связи, по которой поступает информация о напряжении и токе в нагрузке, а также служебный маломощный источник питания для питания стабилизированным напряжением схемы управления и защиты +15 В. Такая структурная схема не является окончательной, в процессе отработки режимов работы всего устройства в целом она может претерпевать определенные изменения, но она позволяет провести предварительные расчеты режимов по токам и напряжениям и выбрать необходимую элементную базу для высоковольтного источника питания в целом или сформировать необходимые требования к отдельным компонентам ИП.
Рисунок 3.4 - Структурная схема ИП-1
Входной выпрямитель.
Сетевой выпрямитель выполняется на полупроводниковых диодах по мостовой однофазной схеме, преимуществами которой является удвоенная частота пульсаций и достаточно «мягкие» требования к диодам по импульсному току и напряжению по сравнению с однополупериодной однофазной схемой выпрямления. Выбор диодов производится по результатам расчетов по допустимому обратному импульсному напряжению Uобри и прямому среднему Iо и импульсному току Iпр. и. Для сетевого напряжения 220В +-5% и мостовой схемы выпрямления амплитуду обратного напряжения на диодах определим как:
Uобр.и =1,5 U0, ( 3.2)
где U0 - максимальное напряжение питающей сети, с учетом нестабильности
Uo=220+220*0,05=231В, (3.3)
Максимальный средний выпрямленный ток Io определим при наименьшем напряжении питающей сети и максимальной нагрузке, из соотношения.
Iо=Рср/Uсети мин =300/210=1,43А; (3.4)
Прямой импульсный ток диода найдем по формуле:
Iпри= 3,5Io =5А; (3.5)
Таким образом без учета эксплуатационных и конструкторско технологических требований диоды выпрямителя, выполненного по мостовой схеме должны удовлетворять следующим требованиям по напряжению и току:
Uобри>=350B,
Iпри>=5A,
Io>=1,43A.
Ниже будет показано, что для обеспечения заданной надежности и с учетом эксплуатационных требований диоды следует выбирать с некоторым запасом, как по напряжению, так и по току.
Исходя из конструктивно-технологических соображений в большинстве случаев целесообразнее использовать однофазный мост вместо дискретных диодов. Сглаживающий фильтр, включенный на выход выпрямителя, выполняет функцию сглаживания пульсаций переменного сетевого напряжения до величины приемлемой для нормальной работы преобразователя напряжения. Для ИП малой и средней мощности целесообразнее всего использовать простой емкостной фильтр, состоящий из конденсаторов, удовлетворяющих требованиям по прямому постоянному и импульсному напряжению, амплитуде пульсаций переменного тока питающей частоты и пульсаций тока частоты преобразования, которая составляет десятки килогерц, а с учетом высших гармоник -сотни кГц. Конденсаторы фильтра должны иметь низкие потери на высокой частоте (количественная характеристика –tg
), низкий импеданс Z (эквивалентное сопротивление на высоких частотах, которое учитывает активные потери и реактивное сопротивление эквивалентной емкости и паразитной индуктивности, включенных последовательно). Эквивалентная емкость и паразитная индуктивность образуют последовательный резонансный контур частотой fр, причем конденсатор эффективно может работать на частотах меньших fр. Эффективным способом увеличения резонансной частоты и уменьшения потерь на высоких частотах является параллельное подключение к электролитическому конденсатору высокочастотных керамических или пленочных конденсаторы емкостью 0,1…1мкф, имеющих значительно большую резонансную частоту. Для снижения величины активной составляющей эквивалентного сопротивления, и паразитной индуктивности вместо одного конденсатора номинальной емкости можно включить несколько параллельно включенных конденсаторов аналогичного типа с суммарной емкостью, равной номинальной. При этом эквивалентное активное сопротивление уменьшается в соответствующее число раз, а следовательно уменьшается амплитуда переменной составляющей и потери на проводимости. Для ключевых источников питания разработаны специальные электролитические конденсаторы с малыми потерями на высоких частотах, низким эквивалентным последовательным сопротивлением, с большими значениями амплитуд пульсаций переменного тока.
Расчет величины конденсатора фильтра проводится по заданному коэффициенту пульсаций (кпо1) выпрямленного напряжения на частоте основной гармоники пульсаций выпрямленного напряжения. Для двухполупериодного выпрямителя частота основной гармоники пульсаций равна удвоенной частоте питающей сети т.е.
fп= 2*fc=100Гц. (3.6 )
где fc - частота питающей сети
Величина кпо1 определяется как:
, ( 3.7 )
где U01 амплитуда первой гармоники пульсации напряжения
U0 –среднее значение выпрямленного напряжения.
Величина коэффициента пульсаций не задана, а является промежуточной величиной, определяемой схемой управления (ШИМ-контроллером) и схемой выходного каскада преобразователя напряжения. Фактически это означает, что величина коэффициента пульсаций должны быть такой, чтобы обеспечить нормальную работу преобразователя напряжения с выполнением требований по допустимой амплитуде пульсаций на выходе высоковольтного источника и суммарной стабильности выходного напряжения от воздействия всех дестабилизирующих факторов. Неоправданное уменьшение коэффициента пульсаций влечет за собой увеличение емкостей сглаживающего фильтра, а следовательно увеличение габаритов, веса и стоимости устройства. Приближенно величину емкости фильтра не заданной частоте можно определить по инженерной формуле
C=
. (3.8)
где Iн - ток в нагрузке (среднее значение);
f - частота пульсаций;
U01 - амплитуда основной гармоники выпрямленного напряжения.
Типичные значения емкости конденсатора для мощностей 200-1000ВА, составляет величину порядка 200мкф...1000мкф соответственно, при постоянном напряжении 350…450Вольт. Выбор типа конденсаторов для сглаживающего фильтра весьма широк, поэтому при выборе конденсаторов следует главным образом обращать внимание на такие параметры, как низкое эквивалентное сопротивление, малые потери на высоких частотах, допустимые амплитуды пульсаций тока на основной частоте и на высоких частотах. Кроме этого также следует обратить внимание на условия эксплуатации, такие, как температура и давление окружающей среды, так как электролитические конденсаторы весьма критичны к этим параметрам.
Заметим, что величина емкости, необходимая для обеспечения прохождения высокочастотной составляющей тока преобразователя напряжения всегда намного меньше той, которая требуется для обеспечения необходимых пульсаций на частоте выпрямленного напряжения. Определяющее значение для высокочастотных составляющих имеет правильный выбор типа конденсатора по минимуму потерь на высоких частотах. В случае применения электролитических конденсаторов рекомендуется параллельно подключать высокочастотные керамические или пленочные конденсаторы емкостью 0,1…1мкф с низким значением tg
и малой собственной индуктивностью. Максимальная амплитуда пульсаций переменного тока на частоте преобразования не должна превышать допустимого значения, чтобы температура конденсатора в процессе эксплуатации при заданной температуре окружающей среды не превышала допустимого значения. При этом сумма постоянной и переменной составляющей, приложенной к конденсатору не должна превышать номинального значения напряжения, на который рассчитан конденсатор.
















