62954 (588874), страница 3
Текст из файла (страница 3)
где R2* - регулируемая часть сопротивления R2, кОм.
На инвертирующий вход DA1.1 подается напряжение от источника питания +5 В через делитель R4, R5 с коэффициентом деления меньше единицы. Исходя из параметров ОУ , выбираем сопротивления из ряда Е24 R5=91 кОм, R4=10 кОм.
Напряжение на инвертирующем входе равно
Выбираем резистор:
R1 – МЛТ - 0.125- 47 кОм ±5%;
R2 – СП-2-2а - 0.5 - 10 кОм ±10%;
R3 – МЛТ- 0.125 - 5.1 кОм ±5%;
R4 – МЛТ- 0.125 - 10 кОм ±5%;
R5 - МЛТ - 0.125- 91 кОм ±5%;
6 – МЛТ- 0.125 - 10 кОм ±5%.
Компаратор 2- сравнивает напряжение с выхода аккумулятора с опорным напряжением Uоп2 в аварийном режиме. Если напряжение на выходе аккумулятора меньше, то напряжение на выходе компаратора равно 0 В, что соответствует низкому уровню сигнала (лог.0) для блока управления
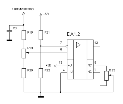
На неинвертирующий вход DA1.2 подается напряжение + 24В с выхода аккумулятора через делитель R18, R19, R20 с коэффициентом деления обеспечивающим напряжение +5 В. Расчет делителя аналогичен расчету напряжения инвертирующего входа компаратора 1. Сопротивление R19 позволяет точно установить напряжение разряженного аккумулятора.
На инвертирующий вход DA1.2 подается напряжение от источника питания +5 В через делитель R21, R22 с коэффициентом деления меньше единицы. Данное напряжение будет являться Uоп2. Расчет делителя аналогичен расчету напряжения инвертирующего входа компаратора 1.
Выбираем резистор:
R18 – МЛТ - 0.125- 47 кОм ±5%;
R19 – СП-2-2а - 0.5 - 10 кОм ±10%;
R20 – МЛТ- 0.125 - 5.1 кОм ±5%;
R21 – МЛТ- 0.125 - 10 кОм ±5%;
R22 - МЛТ - 0.125- 91 кОм ±5%;
R23 – МЛТ- 0.125 - 10 кОм ±5%.
Рис.1.3.1.5. Схема подключения компаратора 2
Емкость C3 предназначена для сглаживания пульсаций напряжения от аккумулятора. Выбираем конденсатор: С3 – К-50-31- 40 В- 4700 мкФ ±20%.
Компаратор 3- сравнивает пониженное напряжение с выхода инвертора опорным напряжением Uоп3 в аварийном режиме. Если напряжение на выходе инвертора меньше, то напряжение на выходе компаратора равно 0 В, что соответствует низкому уровню сигнала (лог.0) для блока управления.
На неинвертирующий вход DA2.1 подается напряжение с выхода выпрямителя инвертора VD9-VD12 через делитель R24, R25, R26 с коэффициентом деления обеспечивающим напряжение +5 В.
Согласно расчетов действующее значение напряжения на входе выпрямителя VD9-VD12 равно U2=10 В.Так как был произведен выбор диодов мостового выпрямителя при напряжении U2=23.8 В, то диоды выбираем по данным предыдущего расчета.
Выбираем диоды, исходя их условия:
Uобр max (диода) > Uобр max = 45.53 В;
Iср. пр (диода) > Iср. пр = 1.5 А;
Iпр max (диода) > Iпр max = 4.71 А.
В качестве диодов VD9 ÷ VD12 выбираем диод типа КД213А имеющего параметры: Uобр max (диода) =200 В, Iср. пр (диода) =1.5 А, Iпр max (диода) =10 А, Uпр (диода)= 1В, частотный рабочий диапазон равен 50 кГц. Постоянная составляющая на выходе мостового выпрямителя равна
U2/U0=1.11,
U0=U2/1.11=10/1.11=9 В.
Расчет делителя аналогичен расчету напряжения инвертирующего входа компаратора 1. Сопротивление R25 обеспечивает плавную подстройку напряжения срабатывания компаратора.
На инвертирующий вход DA2.21 подается напряжение от источника питания +5 В через делитель R27, R28 с коэффициентом деления меньше единицы. Данное напряжение будет являться Uоп3. Расчет делителя аналогичен расчету напряжения инвертирующего входа компаратора 1.
Выбираем резистор:
R24 – МЛТ - 0.125- 47 кОм ±5%;
R25 – СП-2-2а - 0.5 - 10 кОм ±10%;
R26 – МЛТ- 0.125 - 5.1 кОм ±5%;
R27 – МЛТ- 0.125 - 10 кОм ±5%;
R28 - МЛТ - 0.125- 91 кОм ±5%;
R29 – МЛТ- 0.125 - 10 кОм ±5%.
Емкость C34 предназначена для сглаживания пульсаций напряжения от выпрямителя инвертора. Выбираем конденсатор: С4 – К-50-31- 40 В- 4700 мкФ ±20%.
Расчет схемы блока управления, ключей, индикации
В качестве устройства управления используем однокристальный микроконтроллер семейства МК51 К1816ВЕ751.
Прибор выполнен на основе однокристального микроконтроллера К1816ВЕ751, работающего с внутренней памятью программ, что обеспечивается подачей высокого уровня напряжения на вывод
(
=1). Для генерации тактовой частоты fCLK микроконтроллера к выводам XTAL1 и XTAL2 подключен кварцевый резонатор ZQ1 на частоту 4.8 МГц. Конденсаторы С2, С3 обеспечивают надежный запуск внутреннего генератора МК при включении питания. Цепочка С1, R1 служит для начальной установки (сброса) МК при подачи электропитания. Конденсатор С4 служит для фильтрации импульсных помех, возникающих на выводах источника питания при работе цифровых микросхем.
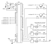
Рис.1.3.1.6. Схема электрическая принципиальная блока управления ключами и светодиодной индикации
Приведенные параметры являются типовой схемой подключения и расчету не подлежат.
Выбираем резисторы и конденсаторы:
R30 – МЛТ - 0.125- 8.2 кОм ±5%;
C5, C6 – КТ4-21-100 В – 20 пФ±20%;
C7 - К-50-31- 40 В- 10 мкФ ±20%;
C8 – К-53-1- 30 В- 0.1 мкФ ±20%;
Расчет ключей. Ключи обеспечивает коммутацию сети и нагрузки в нормальном и аварийном режиме. Таким образом, они должны обеспечивать коммутацию напряжения и тока:
Uком = 220 В, Iком =400/220= 1.8 А.
Выбираем исходя из этих параметров в качестве ключей двухконтактное реле РЭС-22 типа РФ 4.500.130.
Электрическая принципиальная схема реле имеет ви.
Рис.1.3.1.7 Электрическая принципиальная схема реле РЭС-22
Параметры реле типа РФ 4.500.130:
- параметры катушки управления Rобм=2500 Ом, Iсраб=10.5 мА, Iотп=2.5 мА;
- параметры силовых контактов Uком = 220 В, Iком =0.5 А.
При расчете ток коммутации Iком =400/220= 1.8 А. Так как срабатывание реле происходит при токе Iсраб=10.5 мА, а максимальный выходной ток линии порта Р3 не превышает 1,6 мA, то для управления реле применяем транзисторный ключ VT7, VT8.
Выбираем транзистор типа КТ502А с параметрами:
Iк max=150 мА; Uкэ max= 25 В; Uкэ нас = 0,6 В; Pк max = 350 мВт; β= 120.
Максимально необходимый ток базы:
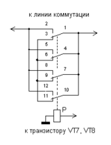
Рис.1.3.1.8 Схема соединения линий коммутации реле РЭС-22
Отпиранием электрического ключа управляет низкий уровень (логический 0) на выводе Р3.3 и Р3.4. Используя справочные данные [10] на микроконтроллер К1816ВЕ751, проверяем возможность управления транзистором VT7, VT8 от МК:
I0вых Р3imax =1,6 Ма> IБ VT7,8max = 0.09 Ма.
Задаваясь током управления I0вых Р3i=1 Ма (с целью надежного насыщения транзистора), рассчитаем номинал токоограничительного резистора R31, R32:
Выбираем номинал R31, R32 равным 4,3 кОм. Номинал резисторов R33, R34, служащих для более надежного отпирания и запирания транзисторов выбираем равным также 4,3 кОм.
Выбираем резисторы и конденсаторы: R31, R32, R33, R34 – МЛТ – 0.125- 4.3 кОм ±5%.
Расчет индикации. Светодиодная индикацию обеспечивает три режима работы - “Аварийный режим”, “Аккумулятор разряжен”, “Смените источник питания”. В качестве индикаторов VD13, VD14, VD15 применяем светодиоды типа АЛ336Б. Параметры светодиодов: Uпр=2.0 В, Iпр=10 мА. Диоды подключены к МК через мощные инверторы с открытым коллектором DD2.1, DD2.2, DD2.3 (микросхема К155ЛН5). Это объясняется тем, что максимальный выходной ток линии порта Р3 не превышает 1,6 мA [10], а для нормального свечения светодиода необходимо задать через него ток 10 мA . Инвертор микросхемы К155ЛН5 обеспечивает: I0вых=40 мА при U0вых=0.7 В, I1пот=48 мА [2].
Таким образом включение светодиодов следует производить выводом логического 0 на выход инвертора. Так как после начальной установки (сброса) МК все его порты настроены на ввод информации, т.е. на их выводах будут логические 1, то в программе работы МК необходимо сразу же после включения электропитания вывести логический 0 в разряды Р3.5, Р3.6, Р3.7 для гашения светодиодов.
Рассчитаем номиналы токоограничительных резисторов R35, R36, R37:
Ом.
Выбираем из ряда Е24 резисторы: R35, R36, R37 – МЛТ – 0.125- 220 Ом ±5%.
Расчет блока стабилизатора
Стабилизатор обеспечивает постоянное напряжение питания +5В для микросхем устройства, также является источником опорных напряжений для схем компараторов.
Мощность потребляемая ИМС, ОЭВМ, светодиодной индикацией и ключами равна:
Рпот=3∙РDA+РМК+3∙РVD+РDD+2∙Ркл,
где Р=Uип∙Iпот – активная мощность потребляемая элементами схемы.
Используя данные расчетов п.3.1-3.4 и приложения А находим
Рпот=3∙5∙2.8+5∙220 +3∙2∙10+5∙48+2∙5∙10.5=1547 мВт.
С учетом мощности потребляемой активными сопротивлениями цепи принимаем Рпот=2 Вт.
Ток который должен обеспечивать стабилизатор равен:
Iстаб=Рпот/Uип=2/5=0.4 А.
В качестве схемы стабилизатора выбираем ИМС типа К142ЕН4. Справочные параметры ИМС приведены в таблице
Таблица - Справочные параметры ИМС К142ЕН4
| Uвх min, В | Uвх max, В | Iвых max, mA | К нс U, % | К нс I, % | Uвых, В | Pрас max, Вт |
| ≥ 9 | ≤ 45 | ≤ 103 | ≤ 0,05 | ≤ 0,25 | 3 ÷ 30 | ≤ 6 |
Схема подключения ИМС имеет вид согласно рисунка 1.3.1.9. ИМС является регулируемым стабилизатором напряжения повышенной защиты от перегрева и перегрузки по току.
Рис.1.3.1.9 Схема подключения ИМС К142ЕН4
Рекомендуемые справочные значения C9, C10, R38 и R39 равны: C9= 2.2 мкФ, C10= 4700 нФ, R38= 1.6 кОм, R39= 22кОм.
Выбираем резисторы и конденсаторы:
R38 – МЛТ - 0.125- 1.6 кОм ±5%;
R39 – СП-2-2а - 0.5 - 22 кОм ±10%;
C9 - К-53-25- 40 В- 2.2 мкФ ±20%;
C10 – К-53-25- 40 В- 4.7 мкФ ±20%.
1.3.2 Выбор элементной базы
Описание и общие сведения о микроконтроллере К1816ВЕ751
Восьмиразрядные высокопроизводительные однокристальные микроЭВМ (ОМЭВМ) семейства МК51 выполнены по высококачественной п-МОП технологий (серия 1816) и КМОП технологии (серия 1830).
Использование ОМЭВМ семейства МК51 по сравнению с МК48 обеспечивает увеличение. объема памяти команд и памяти данных. Новые возможности ввода-вывода и периферийных устройств расширяют диапазон применения и снижают общие затраты системы. В зависимости от условий использования, быстродействие системы увеличивается минимум в два с половиной раза и максимум в десять раз.
Семейство МК51 включает пять модификаций ОМЭВМ (имеющих идентичные основные характеристики), основное различие между которыми состоит в реализации памяти программ и мощности потребления.
ОМЭВМ КР1816ВЕ51 и КР1830ВЕ51 содержат масочно-программируемое в процессе изготовления кристалла ПЗУ памяти программ емкостью 4096 байт и рассчитаны на применение в массовой продукции. За счет использования внешних микросхем памяти общий объем памяти программ может быть расширен до 64 Кбайт.
ОМЭВМ КМ1816ВЕ751 содержит ППЗУ емкостью 4096 байт со стиранием ультрафиолетовым излучением и удобна на этапе разработки системы при отладке программ, а также при производстве небольшими партиями или при создании систем, требующих в процессе эксплуатации периодической подстройки. За счет использования внешних микросхем памяти общий объем памяти программ может быть расширен до 64 Кбайт.
ОМЭВМ КР1816ВЕ31 и КР1830ВЕ31 не содержат встроенной памяти программ, однако могут использовать до 64 Кбайт внешней постоянной или перепрограммируемой памяти программ и эффективно использоваться в системах, требующих существенно большего по объему (чем 4 Кбайт на кристалле) ПЗУ памяти программ.Каждая из перечисленных выше микросхем является соответственно аналогом БИС 8051, 80С51, 8751, 8031, 80С31 семейства MCS-51 фирмы Intel (США).
Каждая ОМЭВМ рассматриваемого семейства содержит встроенное ОЗУ памяти данных емкостью 128 байт с возможностью расширения общего объема оперативной памяти данных до 64 Кбайт за счет использования внешних микросхем ЗУПВ.
Общий объем памяти ОМЭВМ семейства МК51 может достигать 128 Кбайт: 64 Кбайт памяти программ и 64 Кбайт памяти данных.
При разработке на базе ОМЭВМ более сложных систем могут быть использованы стандартные ИС с байтовой организацией, например, серии КР580. В дальнейшем обозначение "МК51" будет общим для всех моделей семейства, за исключением случаев, которые будут оговорены особо.
ОМЭВМ содержат все узлы, необходимые для автономной работы:
1) центральный восьмиразрядный процессор;
2) память программ объемом 4 Кбайт (только КМ1816ВЕ751, КР1816ВЕ51 и КР1830ВЕ51);
3) память данных объемом 128 байт;
4) четыре восьмиразрядных программируемых канала ввода-вывода;
5) два 16-битовых многорежимных таймера/счетчика;
6) систему прерываний с пятью векторами и двумя уровнями;
7) последовательный интерфейс;
8) тактовый генератор.
Система команд ОМЭВМ содержит 111 базовых команд с форматом 1, 2, или 3 байта.
ОМЭВМ имеет:
- 32 РОН;
- 128 определяемых пользователем программно-управляемых флагов;
- набор регистров специальных функций.
РОН и определяемые пользователем программно-управляемые флаги расположены в адресном пространстве внутреннего ОЗУ данных. Регистры специальных функций (SFR, SPECIAL FUNCTION REGISTERS) с указанием их адресов приведены в таблице 1.3.2.1.
Таблица 1.3.2.1 Регистры специальных функций















