62232 (588748), страница 4
Текст из файла (страница 4)
высоковольтного АП с повышенной линейностью
Результаты моделирования схемы АП (рис. 5.1) приведены на рисунках 5.2 и 5.3. Оценка погрешности перемножения производилась в режиме «квадратора», когда на входы X и Y перемножителя подавался один и тот же сигнал. Отклонение от линейности определялось как разность между идеальным (математическим) возведением в квадрат того же сигнала с соответствующим масштабным коэффициентом, отнесенным к максимальному выходному напряжению АП в заданном диапазоне изменения входного напряжения.
Рис. 5.2. Погрешность перемножителя (рис. 5.1) в режиме квадратора
Рис. 5.3. Частотная характеристика АП (рис. 5.1)
Погрешность перемножителя в режиме квадратора не превышает 0,01 % в диапазоне входных напряжений 10 В.
Частотная характеристика АП исследовалась на нагрузке сопротивлением 50 Ом. Отметим, что частота среза АЧХ собственно множительного ядра (при токовом выходе) составляет 1,5 ГГц при сопротивлении нагрузки 50 Ом. Снижение полосы пропускания (до 1 ГГц) обусловлено низким качеством транзисторов p-n-p-типа, однако использование схемотехнического способа снижения влияния емкости коллектор-база p-n-p транзисторов дает вполне приемлемый результат по полосе пропускания [14].
Рис. 5.4. Упрощенная принципиальная схема низковольтного АП
Аналогично предыдущему случаю исследовались характеристики низковольтного АП (рис. 5.4), выполненного на транзисторах АБМК.1 (НПО «Интеграл»). Его погрешность в режиме квадратора не превышает 0,008 % в диапазоне входного напряжения 1 В (рис. 5.5).
Рис. 5.5. Погрешность низковольтного перемножителя в режиме квадратора
Амплитудно-частотные характеристики каналов X и Y приведены на рисунке 5.6 (нижний график), разность фаз между каналами перемножителя – на верхнем графике. Разность фаз между каналами не превышает 0,1о вплоть до частоты 100 МГц, что позволяет использовать такие перемножители в синхронных узкополосных фильтрах [15, 16].
Рис. 5.6. Амплитудно-частотная и фазочастотная характеристики
низковольтного АП
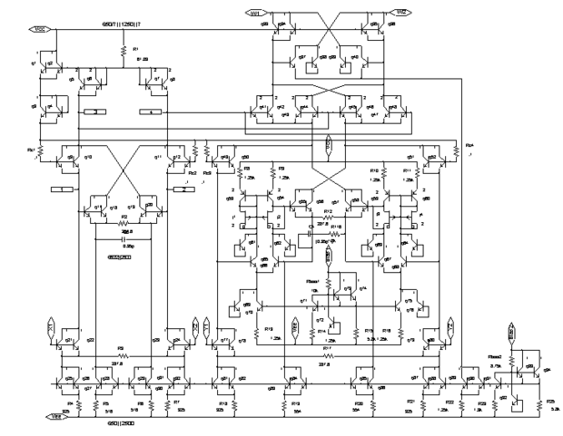
Принципиальная электрическая схема низковольтного АП на основе элементной базы АБМК НПО «Интеграл» приведена на рисунке 5.7. На ней показаны реальные элементы (транзисторные ячейки Джильберта), часть транзисторов которых не используется. Также показаны неиспользуемые полевые транзисторы, интегрированные при изготовлении с боковыми транзисторами p-n-p-типа [13]. Такое представление схемы при моделировании позволяет учесть влияние паразитных элементов, существующих на подложке АБМК, и получить результаты, адекватные практической реализации. Эта схема АП выпущена в виде опытной партии, и ее характеристики практически полностью совпадают с параметрами АП AD834 фирмы Analog Devices.
Важным параметром АП является частотная характеристика по каналам Х и Y. Причем, если АП используется в качестве балансного перемножителя или фазового детектора, важным становится и такой параметр, как согласованность фазовых характеристик каналов. Действительно, если между каналами существует фазовый сдвиг , то при подаче на входы опорного и измерительного сигнала с заведомо известным фазовым сдвигом /2 напряжение на выходе АП может быть представлено как
.
Постоянная составляющая в этом случае может быть представлена через синус дополнительного угла:
,
если фазовый сдвиг достаточно мал.
В этом случае погрешность выделения фазы пропорциональна фазовому сдвигу между каналами. Например, при = 1о погрешность, отнесенная к максимальному выходному напряжению, составит 1,74 % [3]. Справедливым оказывается и обратное утверждение – погрешность линейности перемножителя порождает дополнительное постоянное напряжение на выходе, которое эквивалентно фазовой погрешности. В лучших зарубежных образцах АП [17, 18] рассогласование фаз между каналами нормируется на частоте 3,58 МГц и составляет 0,2о. В общем случае рассогласование фазочастотных характеристик (ФЧХ) каналов начинает существенно увеличиваться вблизи частоты среза. Коррекцию ФЧХ можно осуществить двумя способами – введением запаздывания в одном из каналов или опережения – в другом. Вводить запаздывание целесообразно в том случае, если частоты среза в каналах отличаются несущественно, чтобы общая полоса пропускания АП изменилась незначительно.
Рис. 5.7. Принципиальная электрическая схема низковольтного АП
на основе элементной базы АБМК НПО «Интеграл»
Таблица 5.1
Характеристики аналоговых перемножителей
| Характеристики | Типы аналоговых перемножителей напряжения (производитель) | |||||
AD632А(AD) | AD835AN/AR(AD) | AD834J(AD) | 525ПС1(RUS) | Рис. 5.1(Пульсар) | Рис. 5.4(Интеграл) | |
| Коэффициент передачи | | | | | | |
| Ошибка перемножения, % | 1 (Х и У 10 В) | – | 0,5 (Х и У 1 В) | 1 | 0,01 | 0,008 |
| Нелинейность по каналу Х, % | 0,4 (Х=20 мВ, У=10 В) | 0,3 (Х=1В, У=1 В) | 0,5 | – | 0,015 | 0,01 |
| Нелинейность по каналу У, % | 0,2 (У=20 мВ, Х=10 В) | 0,1 (У=1В, Х=1 В) | 0,5 | – | 0,015 | 0,01 |
| Прямое прохождение, f=50 Гц, Х=0 (Y=0), дБ, Y=1 В (Х=1 В) | -80 дБ (-50 дБ) | -46 (-60) | 0,2 % (0,1 %) (от масштабной шкалы вых. тока) | -46 (-46) | -76 дБ (-50 дБ) | -80 дБ (-60 дБ) |
| Полоса пропускания (-3дБ), МГц | 1 | 250 | 500 (в режиме удвоителя частоты | 1 | 1000 | 320 |
| Разность фаз между каналами X и У, не более, град (в полосе частот) | – | 0,2 (на частоте 3,58 МГц) | – | – | – | 0,1 (до частоты 100 МГц) |
| Скорость нарастания, В/мкс | 20 | 1000 | – | – | – | 600 |
| Подавление несущей в режиме балансного смесителя, дБ (частота несущей) | – | -70 (10 МГц) -40 (50 МГц) | -70 (10 МГц) -50 (100 МГц) | -46 | -70 (10 МГц) -50 (100 МГц) | -70 (10 МГц) -50 (100 МГц) |
| Спектральная плотность шума, нВ/Гц | 800 | 50 | 16 | – | 20 | 12 |
| Максимальное выходное напряжение, В | 11 | Макс. вых. ток 7,5 мА | Макс. вых. ток 8,4 мА | – | 10 | Макс. вых. ток 4 мА |
| Выходное сопротивление, Ом | 0,1 | – | – | 30 | – | |
| Максимальное входное напряжение (при заданной линейности), В | 10 | 1,4 | 1,3 | 10 | 10 | 1 |
| Входной ток, мкА | 0,8 | 10 | 45 | – | 40 | 30 |
| Разность входных токов, мкА | 0,1 | 2 | – | – | 2 | 1 |
| Входное сопротивление, МОм | 10 | 0,1 | 0,025 | 0,02 | 0,02 | 0,025 |
| Напряжение питания, В | 15 | 5 | 4 9 | 15 | 15 | 5 |
| Потребляемый ток, мА | 4 | 16 | 11 от +Епит 28 от -Епит | 5,6 | 18 | 16 |
В таблице 5.1 приведены параметры аналоговых перемножителей, выпускаемых отечественной и зарубежной промышленностью и разработанных на основе рассмотренных методов. Характеристики разработанных АП получены по результатам моделирования. Статистичекие исследования в среде PSpice, проведенные по методу Монте-Карло и для наихудшего случая для разброса параметров компонентов 5 %, показывают, что параметры ухудшаются не более чем в 3 раза.















