151857 (580659)
Текст из файла
Министерство Высшего образования РФ
Иркутский государственный технический университет
Кафедра релейной защиты и автоматики
Дисциплина «Релейная защита и автоматика энергетических систем»
Контрольная работа по теме:
«Выбор типов и расчет уставок релейных защит сетевого района»
Выполнил:
студент группы ЭПзс-03
Мальцев В.Н.
Шифр 03051133
Проверил:
Якушев Ю.А.
Иркутск 2007 г.
Задание
Для заданной сети 110 кВ с глухим заземлением нейтрали произвести выбор принципов и расчет релейной защиты и АПВ для каждого участка.
Для защиты элемента системы, согласно варианта, разработать полную схему. Напряжение источника постоянного оперативного тока на п/ст. 220 В (или 110 В).
Удельное сопротивление прямой последовательности линии 110 кВ X1л= 0,4 Ом/км. Сопротивление нулевой последовательности линии 110 кВ Хол = 3,5 X1л
Коэффициент мощности нагрузки всех подстанций Cos φ = 0,85.
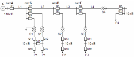
В таблице и схеме к заданию приведены длины участков L1; L2; L3; L4; мощность
системы при трехфазных коротких замыканиях, отношение сопротивления нулевой последовательности системы xос к сопротивлению прямой последовательности системы X1С. Мощности трансформаторов S1,S2, S3, S4 и мощности нагрузок потребителей P1, P2, P3, Р4.
Таблица№1
| Длина линий, км |
|
| Мощность трансформаторов, МВА | Мощность нагрузки, МВт | Специальный объект защиты | ||||||||||||
| L1 | L2 | L3 | L4 | S1 | S2 | S3 | S4 | P1 | P2 | Р3 | Р4 | ||||||
| 20 | 20 | 15 | 18 | 1850 | 1,3 | 20 | 20 | 7,5 | 7,5 | 6 | 4,7 | 6 | 6 | L1 | |||
Рис.1. Схема заданной сети
Введение
Энергетическая программа на длительную перспективу предусматривает дальнейшее развитие ЕЭС. Ввод в эксплуатацию линий электропередач высокого и сверхвысокого напряжения, электростанций большой мощности, интенсивное развитие основных и распределительных сетей чрезвычайно усложнили проблему управления
В связи с этим идет непрерывный процесс развития и совершенствования техники релейной защиты. Создаются и вводятся в эксплуатацию новые защиты для дальних ЛЭП, для крупных генераторов, трансформаторов и энергоблоков. Разрабатываются новые виды полупроводниковых дифференциально-фазных защит, которые проще и надежнее в эксплуатации.
Релейная защита является основным видом электрической автоматики, без которой невозможна надежная работа современных энергетических систем. Она осуществляет непрерывный контроль за состоянием и режимом работы всех элементов энергосистемы и реагирует на возникновение повреждений и ненормальных режимов. При возникновении повреждений защита выявляет и отключает от системы поврежденный участок. При возникновении ненормальных режимов защита выявляет из и в зависимости от характера нарушения производит операции необходимые для восстановления нормального режима или подает сигнал дежурному персоналу.
В современных электрических системах релейная защита тесно связана с электрической автоматикой, предназначенной для быстрого автоматического восстановления нормального режима и питание потребителей.
Основные требования предъявляемые к релейной защите:
-
Селективность.
-
Быстрота действия.
-
Чувствительность.
-
Надежность.
1. Выбор типов и расчет релейной защиты для линии L1
Согласно требований ПУЭ, в сетях с глухозаземленной нейтралью для защиты линий должны быть предусмотрены устройства релейной защиты от многофазных замыканий и от замыканий на землю.
Для защиты от междуфазных коротких замыканий одиночных линий при одностороннем питании, с питающей стороны устанавливается максимальная токовая защита и отсечка.
Для защиты от короткого замыкания на землю в сетях с глухозаземленной нейтралью, на одиночных линиях при одностороннем питании устанавливаются МТЗ нулевой последовательности, а для ускорения отключения коротких замыканий на землю применяют токовые отсечки нулевой последовательности.
Основным параметрами токовых релейных защит является:
-
ток срабатывания защиты;
-
коэффициент чувствительности защиты.
IСЗ – ток срабатывания защиты – это наименьший ток при котором срабатывают пусковые органы защиты.
Кч – коэффициент чувствительности защиты – отношение параметра к которому защита должна быть чувствительна к току срабатывания защиты.
Ток срабатывания защиты определяется из условия "отстройки" от тока, при котором защита, не должна срабатывать.
Условие отстройки защиты в общем виде :
IСЗ ImaxОТС.З., где
ImaxОТС.З – максимальный ток от которого отстраивается защита (зависит от вида защиты и способа обеспечения селективности)
2. Максимальная токовая защита
МТЗ отстраивается от максимального тока нагрузки линии.
Селективность МТЗ обеспечивается ступенчатой характеристикой выдержки времени срабатывания (наименьшую выдержку имеет элемент системы наиболее удаленный от источника питания). Ступень селективности МТЗ – Δt=0,5с. Коэффициент чувствительности МТЗ определяется в минимальном режиме системы:
(требование ПУЭ),
где
– ток, при двухфазном коротком замыкании в конце следующего участка сети или на шинах низкого напряжения (для трансформаторов).
2.1 Расчет максимальной токовой защиты
Максимальный рабочий ток определяется по формуле
, А
где Рmax – суммарная активная мощность, кВт;
Uн – номинальное напряжение, кВ;
cos – коэффициент мощности системы.
Ток срабатывания защиты определяется по формуле
, А
где Кн – коэффициент надежности, 1,2 – 1,3
Квоз – коэффициент возврата реле, 0,85 – 0,9
Iраб.max – максимальный ток нагрузки линии, А
Принимаем ступень селективности МТЗ – Δt=0,5с
Для проверки МТЗ по условию чувствительности требуется рассчитать токи трехфазного и двухфазного коротких замыканий
Ток двухфазного короткого замыкания:
, кА
где
– ток при трехфазном коротком замыкании, кА
Ток трехфазного короткого замыкания:
, кА
где Хс – реактивное эквивалентное сопротивление системы, Ом
Хi – реактивное эквивалентное сопротивление линии до точки КЗ, Ом
Реактивное эквивалентное сопротивление системы
, Ом
где
- мощность трехфазного КЗ на шинах системы, МВА
Ом
Реактивное эквивалентное сопротивление линии
, Ом
где Х1л – удельное реактивное сопротивление линии, Ом/км
Li – длина линии до точки КЗ, км
Ом
Ом
Ток трехфазного и двухфазного к.з.
При определении коэффициента чувствительности должны выполнятся требования ПУЭ
, требование ПУЭ выполняется.
2.2 Селективность МТЗ
Для обеспечения селективности максимальные защиты выполняются с выдержкой времени, нарастающими от потребителей к источнику питания, как показано на рис.2
Рис.2. Селективность максимальной токовой защиты в радиальной сети с односторонним питанием
3. Токовая отсечка и токовая отсечка с выдержкой времени
Токовая отсечка (Т.О.) отстраивается от максимального тока короткого замыкания в конце защищаемой линии.
Условие
обеспечивает селективность токовой отсечки без выдержки времени. Другими словами, селективность токовой отсечки обеспечивается за счет сокращения ее зоны действия.
Отсечка с выдержкой времени – это вторая ступень защиты, которая устанавливается на каждом участке (кроме тупикового) при условии обеспечения коэффициента чувствительности Кч1,3. Отсечка имеет первичный ток срабатывания меньше, тока короткого замыкания в конце защищаемого участка.
Это означает что ТОВ чувствительна и к току короткого замыкания в начале соседней линии, которая имеет токовую отсечку.
Ток срабатывания Т.О. с выдержкой времени определяется отстройкой от тока срабатывания Т.О. без выдержки времени на соседнем участке. Чтобы избежать неселективные действия ТОВ, ток срабатывания определяется из условия:
, А
где IСЗ ТО2 – ток срабатывания токовой отсечки следующей линии, А
Кн – коэффициент надежности, Кн = 1,15-1,2
Выдержка времени Т.О : t3= 0,5 с.
3.1 Расчет токовой отсечки
Ток трехфазного короткого замыкания в конце линии:
Ток срабатывания защиты ТО1:
Чувствительность защиты определяется требованием: зона действия защиты 20% длины линии. Из рисунка 2 видно, что требование чувствительности выполняется.
3.2 Расчет токовой отсечки с выдержкой времени
Ток срабатывания защиты ТО2:
Ток срабатывания защиты ТОВ1:
Коэффициент чувствительности защиты:
где
– ток при коротком двухфазном замыкании в конце линии, А.
Характеристики
Тип файла документ
Документы такого типа открываются такими программами, как Microsoft Office Word на компьютерах Windows, Apple Pages на компьютерах Mac, Open Office - бесплатная альтернатива на различных платформах, в том числе Linux. Наиболее простым и современным решением будут Google документы, так как открываются онлайн без скачивания прямо в браузере на любой платформе. Существуют российские качественные аналоги, например от Яндекса.
Будьте внимательны на мобильных устройствах, так как там используются упрощённый функционал даже в официальном приложении от Microsoft, поэтому для просмотра скачивайте PDF-версию. А если нужно редактировать файл, то используйте оригинальный файл.
Файлы такого типа обычно разбиты на страницы, а текст может быть форматированным (жирный, курсив, выбор шрифта, таблицы и т.п.), а также в него можно добавлять изображения. Формат идеально подходит для рефератов, докладов и РПЗ курсовых проектов, которые необходимо распечатать. Кстати перед печатью также сохраняйте файл в PDF, так как принтер может начудить со шрифтами.















