148254 (580364)
Текст из файла
1. Опишите и покажите на схеме устройство и взаимодействие деталей ГРМ двигателя ЯМЗ-236
Процесс газообмена, т.е. впуск свежего воздуха и выпуск отработавших газов в соответствии с протеканием рабочего процесса, в каждом из цилиндров двигателей ЯМЗ-236 регулируется механизмом газораспределения.
Механизм газораспределения ЯМЗ-236 характерен наличием двух клапанов на цилиндр, одного распределительного вала, качающихся толкателей, штанг и коромысел (рисунок 1).
Распределительный вал расположен в средней части развала цилиндров и приводится во вращение от коленчатого вала парой цилиндрических шестерен со спиральными зубьями. Боковой зазор в зацеплении 0,09 - 0,22 мм. Высота подъема впускных и выпускных клапанов составляет 13,5 мм.
Рисунок 1. - Механизм газораспределения ЯМЗ-236
1 - распределительный вал; 2 - толкатель; 3 - штанга толкателя; 4 - впускной клапан; 5 - направляющая втулка; 6 - шайба пружин клапана; 7 - наружная пружина; 8 - внутренняя пружина; 9 - тарелка пружин клапана; 10 - втулка тарелки пружин клапана; 11 - сухарь; 12 - коромысло; 13 - гайка регулировочного винта; 14 - регулировочный винт; 15 - ось толкателей; 16 - ось коромысла; 17 - болт крепления оси коромысла; 18 - седло выпускного клапана; 19 - выпускной клапан.
Во время такта сжатия и рабочего хода клапаны 4, 19 неподвижны и под действием пружин 8, 9 плотно прижаты к седлу 18.
При вращении распределительного вала кулачок вала 1 набегает на толкатель 2 и поднимает его вместе со штангой 3 вверх. Штанга поворачивает на оси 16 коромысло 12, которое нажимает на стержень клапана. Вследствие этого клапан опускается вниз, и цилиндр двигателя соединяется с впускным или выпускным трубопроводом. При дальнейшем вращении распределительного вала кулачок выходит из-под толкателя, и клапанный механизм под действием пружин возвращается в первоначальное положение, толкатель опускается вниз. В короткое плечо коромысла ввернут регулировочный винт 14, имеющий контргайку 13. Клапана с пружинами соединяются при помощи тарелки 9 и сухарей 11. Под нижний конец пружины установлена опорная шайба 6.
Распределительный вал приводится во вращение шестернями (рисунок 2).
Рисунок 2. – Сопрягаемые детали привода газораспределительного механизма ЯМЗ-236
1 - шестерни привода масляного насоса; 2 - шестерня промежуточная; 3 - распределительная шестерня коленчатого вала; 4, 7 – установочные метки; 5 - шестерня распределительного вала; 6 - шестерня привода топливного насоса; 8 — шестерня привода вентилятора; 9 — ведомая шестерня привода топливного насоса.
Распределительный вал (рисунок 3). Для своевременного открытия и закрытия впускных и выпускных клапанов на распределительном валу имеются кулачки. Закрытие и открытие клапанов обеспечивается распределительным валом и пружинами клапанов.
Рисунок 3. - Распределительный вал дизеля ЯМЗ-236 и сопрягаемые с ним детали
1 - распределительный вал; 2 - шестерня распределительного вала; 3 - ведущая шестерня привода топливного насоса; 4 - упорный фланец; 5 - передняя опорная втулка; 6 - задняя опорная втулка; 7 - опорные шейки; 8 - кулачки распределительного вала.
Толкатели 2 (рисунок 1). Усилия от кулачка распределительного вала к клапану или штанге передает толкатель. В двигателях ЯМЗ-236 вместо общепринятых плоских толкателей применены качающие роликовые унифицированные толкатели. Толкатель представляет собой жесткий качающийся рычажок. На одном конце толкателя имеется отверстие, в которое запрессовываются заподлицо две втулки. На противоположном конце толкателя установлена опорная пята штанги и ролик. Ролик с игольчатым подшипником расположен в прорези на неподвижной оси, запрессованной в отверстие, выполненное непосредственно в толкателе. Над роликом в теле толкателя выполнено отверстие, ось которого перпендикулярна оси ролика; в отверстие запрессовывается пята, которая имеет сферическое углубление, служащее опорой для сферического наконечника штанги толкателя.
Штанги 3 (рисунок 1). Усилие от толкателя к коромыслу передают штанги. Их изготовляют из стальной трубки. На концы штанг напрессовывают стальные, термически обработанные наконечники для шарнирного соединения с толкателем и регулировочным винтом коромысла. Верхний конец штанги движется не прямолинейно, а описывает дугу, радиус которой равен малому плечу коромысла.
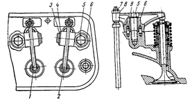
Коромысла (рисунок 4). Усилие от штанги к клапану передает коромысло, которое представляет собой стальной неравноплечий рычаг: длинное плечо расположено над клапаном, а короткое - над штангой. В коротком плече есть отверстие, в которое ввернут регулировочный винт, удерживаемый от самоотвертывания контргайкой. При работе двигателя штанга нажимает на короткое плечо коромысла, а его длинное плечо нажимает на стержень клапана. Для уменьшения хода толкателя и штанги, а также снижения сил инерции коромысло выполняют неравноплечим. В головку блока ввернуты шпильки, на которых установлены стойки и ось с коромыслами. На дизеле ЯМЗ-236 оси коромысел выполнены как одно целое со стойками. Каждое коромысло качается на отдельной оси.
Клапаны 4, 19 (рисунок 1). Назначение клапана - открывать и закрывать впускное или выпускное отверстие, расположенное в головке блока. Клапаны перемещаются в направляющих втулках. Каждый клапан имеет по две пружины, комплекты которых являются унифицированными для обоих клапанов. Наличие двух пружин обеспечивает приводу высокую резонансную характеристику.
Рисунок 4. - Коромысла клапанов ЯМЗ-236
1 - коромысло впускного клапана; 2 - коромысло выпускного клапана; 3 - стопорное кольцо; 4 - упорная шайба; 5 - болт крепления оси коромысла; 6 - ось коромысла; 7 - регулировочный винт; 8 - гайка; 9 - штифт.
Наружная и внутренняя пружины клапана имеют противоположно направленную навивку. Нижними концами пружины опираются на шайбы, верхними концами - на тарелки пружин клапана. Тарелки пружин клапана крепятся на стержне клапана с помощью двух сухарей, образующих в сложенном состоянии усеченный конус; выступающие пояски сухарей входят в кольцевую канавку на стержне клапана. Существенно повышается долговечность рабочих фасок клапанов, седел и торцов стержней клапанов, если клапану обеспечить возможность проворачивания относительно седла. В двигателях ЯМЗ-236 клапанные сухари зажимаются не непосредственно верхней тарелкой пружин, а через дополнительную коническую втулку. Коническая втулка своим нижним концом опирается на плоскую поверхность донышка тарелки. Момент трения на этой поверхности очень мал, что дает возможность клапану проворачиваться при работе.
2. Опишите и покажите на схеме работу пускового подогревателя двигателя автомобиля ГАЗ-66
Пусковой подогреватель автомобиля ГАЗ-66 предназначен для прогрева двигателя перед его пуском при низкой температуре окружающего воздуха Им можно прогревать двигатель, система охлаждения которого заполнена, водой или низкозамерзающей жидкостью. Подогреватель работает на бензине, применяемом для двигателя.
Подогреватель 10 (рисунок 1) состоит из теплообменника и горелки. Теплообменник представлен двумя газоходами - внутренним и наружным и двумя жидкостными рубашками, соединенными между собой. Подогреватель постоянно включен в систему охлаждения двигателя. В камеру сгорания подогревателя бензин подается самотеком из бачка 3 через электромагнитный запорный клапан 1.
При включении переключателя пульта управления ток поступает в катушку 1 (рисунок 2) электромагнитного клапана, сердечник 2 при этом оттягивается, и бензин беспрепятственно проходит в камеру сгорания подогревателя. При выключении переключателя сердечник 2, на котором расположен резиновый уплотняющий клапан, под действием пружины 3 перекрывает бензопровод.
Рисунок 1. – Схема подключения пускового подогревателя
1 - электромагнитный клапан; 2—заливная горловина; 3 - бензиновый бачок; 4 - переключатель электровентилятора и электромагнитного клапана; 5 - пульт управления; 6 - электровентилятор; 7 - свеча накаливания; 8 – дренажная трубка; 9 - пробка; 10 - подогреватель; 11 - газоотводящий патрубок; 12 - сливной краник; 13 - направляющий кожух.
Рисунок 2. - Электромагнитный запорный клапан
1 - катушка электромагнитного клапана; 2 - сердечник в сборе с клапаном; 3 - пружина сердечника; 4 - основание электромагнитного клапана; 5 - регулировочная игла.
Воздух для горения подается электровентилятором 6 (рисунок 1).
Первоначальное воспламенение смеси производится свечой накаливания 7. После того, как в камере установится устойчивое горение, свеча выключается.
В цепь свечи последовательно включена контрольная спираль, которая установлена на пульте управления. По накалу контрольной спирали судят о работе свечи.
Для нормальной работы подогревателя и получения оптимальной теплопроизводительности игла 5 (рисунок 2) должна быть отрегулирована таким образом, чтобы язык пламени не выходил из газоотводящего патрубка 11 (рисунок 1), но находился на его конце.
Нормальная работа подогревателя определяется по равномерному гулу при горении в котле и выходу отработавших газов без дыма и пламени.
Образующиеся в результате горения газы закрученным потоком проходят по газоходам и отдают тепло жидкости, находящейся в теплообменнике. Газы, пройдя через выпускной и газоотводящий патрубки, попадают в направляющий кожух 13, где используются для обогрева масла в картере. Жидкостная полость теплообменника подогревателя посредством штуцеров и трубок соединена с системой охлаждения двигателя.
3. Какие конструктивные особенности имеют системы смазки двигателей ЗМЗ-24, ЗМЗ-66, ЗИЛ-130, ЯМЗ-236, КамАЗ
Система смазки двигателя ЗМЗ-24.
Система смазки двигателя ЗМЗ-24 (рисунок 1) комбинированная: под давлением и разбрызгиванием. Маслом под давлением смазываются коренные и шатунные подшипники коленчатого вала, подшипники распределительного вала, упорные подшипники коленчатого и распределительного валов, втулки коромысел и верхние наконечники штанг толкателей. Остальные детали смазываются разбрызгиванием маслом.
В систему смазки входят маслоприемники, масляный насос (установлен внутри масляного картера) с редукционным клапаном, масляные каналы, фильтры очистки масла с перепускным клапаном, масляный картер, измеритель уровня масла, маслоналивной патрубок с крышкой-фильтром вентиляции картера и масляный радиатор (установлен перед радиатором охлаждающей жидкости) с ограничительным клапаном и запорным краном.
Рисунок 1. – Система смазки двигателя ЗМЗ-24
1. Фильтр вентиляции картера - крышка маслоналивной горловины. 2. Отверстие для подвода масла к коромыслу. 3. Отверстие для смазки. 4. Вертикальный канал в блоке и головке цилиндров. 5. Горизонтальный канал в блоке и головке цилиндров. 6. Вертикальный канал в блоке и головке цилиндров. 7. Маслоотражательный колпачок. 8. Поперечное сверление в регулировочном винте. 9. Канал в коромысле для подвода масла к регулировочному винту. 10. Канал в регулировочном винте. 11. Маслосьемное поршневое кольцо. 12. Продольный масляный канал. 13. Канавки на шейках распределительного вала. 14. Распределительный вал. 15. Отверстие для слива. 16. Каналы для подвода масла к шестерням. 17. Заглушки. 18. Сливная пробка масляного картера. 19. Маслоприемник. 20. Сливная пробка масляного фильтра. 21. Канавки на шейке распределительного вала. 22. Масляный радиатор. 23. Трубка подвода масла на шестерни распределительного вала. 24. Канал в коленчатом вале для подвода масла к шатунной шейке. 25. Канал коренного подшипника коленчатого вала. 26. Канал для подвода масла к шейкам распределительного вала. 27. Канал для подвода масла к коренным подшипникам коленчатого вала. 28. Канал в шатуне для смазки зеркала цилиндра. 29. Канал в шатунной шейке коленчатого вала. 30. Полость в шатунной шейке коленчатого вала. 31. Пробка крана масляного радиатора. 32. Корпус крана масляного радиатора. 33. Корпус предохранительного клапана масляного радиатора. 34. Клапан. 35. Пружина клапана. 36. Колпак клапана.
Масло, забираемое насосом из масляного картера, поступает через маслоприемник 19 по каналам в корпусе насоса и наружной трубке в корпус масляного фильтра. Далее, пройдя через фильтрующий элемент, масло направляется в полость второй перегородки блока цилиндров, откуда по сверленому каналу - в продольный масляный канал 12. Из продольного канала масло по наклонным каналам 27 и 26 и каналу 25 в перегородке блока подается на коренные подшипники коленчатого из пятой опоры распределительного вала и в полость блока между валом и заглушкой, отводится в картер через отверстие 15 в шейке вала. На шатунные шейки масло поступает по каналам 24 в шейках и каналу 29 в шейке коленчатого вала. В ось коромысел масло подводится от задней опоры распределительного вала, имеющего посередине кольцевую канавку 13, которая сообщается через каналы 6, 5 и 4 в блоке, головке цилиндров и в четвертой стойке оси коромысел с осью коромысел. Через отверстия 2 в оси коромысел масло поступает на втулки коромысел и далее по каналам 9, 8 и 10 в коромыслах и регулировочных винтах на верхние наконечники штанг толкателей. К шестерням привода распределительного вала масло подводится по трубке 23, периодически сообщающейся с масляным каналом в блоке через канавки 21 на шейке первого подшипника распределительного вала. Из выходного отверстия тpубки, имеющей малый диаметр, в момент, когда она сообщается с масляным каналом, выбрасывается струя масла, направленная на шестерни. Через канал в шейке первого подшипника распределительного вала масло из тех же канавок шейки поступает и на упорный фланец распределительного вала. Шестерня привода масляного насоса и распределителя зажигания смазывается струей масла, выбрасываемой из канала 16 в блоке, соединенного с четвертой опорой распределительного вала, также имеющей кольцевую канавку. Стенки цилиндров смазываются брызгами масла от струи, выбрасываемой из отверстия 28 в нижней головке шатуна при совпадении этого отверстия с каналом 29 в шейке коленчатого вала. Все остальные детали (стержень клапана, торец клапана, ось привода масляного насоса и распределителя зажигания, кулачки распределительного вала) смазываются маслом, вытекающим из зазоров в подшипниках и разбрызгиванием движущимися деталями двигателя.
Подшипники водяного насоса смазываются через отдельную масленку, установленную на его корпусе.
Характеристики
Тип файла документ
Документы такого типа открываются такими программами, как Microsoft Office Word на компьютерах Windows, Apple Pages на компьютерах Mac, Open Office - бесплатная альтернатива на различных платформах, в том числе Linux. Наиболее простым и современным решением будут Google документы, так как открываются онлайн без скачивания прямо в браузере на любой платформе. Существуют российские качественные аналоги, например от Яндекса.
Будьте внимательны на мобильных устройствах, так как там используются упрощённый функционал даже в официальном приложении от Microsoft, поэтому для просмотра скачивайте PDF-версию. А если нужно редактировать файл, то используйте оригинальный файл.
Файлы такого типа обычно разбиты на страницы, а текст может быть форматированным (жирный, курсив, выбор шрифта, таблицы и т.п.), а также в него можно добавлять изображения. Формат идеально подходит для рефератов, докладов и РПЗ курсовых проектов, которые необходимо распечатать. Кстати перед печатью также сохраняйте файл в PDF, так как принтер может начудить со шрифтами.
















