148254 (580364), страница 2
Текст из файла (страница 2)
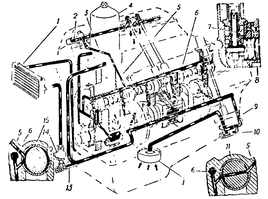
В систему включен масляный радиатор 22. Масло в него поступает через штуцер, который крепит наружную трубку к блоку, предохранительный клапан и кран по резиновому шлангу. Охлажденное масло также по резиновому шлангу отводится в нижнюю часть крышки распределительных шестерен, откуда сливается в картер. На месте входа в крышку имеется перегородка, препятствующая излишнему разбрызгиванию масла.
Система смазки двигателя ЗМЗ-66.
Система смазки двигателя комбинированная - под давлением и разбрызгиванием, с полнопоточной фильтрацией (рисунок 2). Через маслоприемник масло засасывается масляным насосом и через фильтр подается в масляную магистраль. На насосе установлен редукционный клапан. В проставке фильтра установлен предохранительный клапан, пропускающий масло в магистраль помимо фильтра при его чрезмерно большом сопротивлении (засорение, пуск холодного двигателя). Под давлением смазываются коренные и шатунные подшипники коленчатого вала, подшипники распределительного вала, упорный фланец распределительного вала, втулки коромысел и верхние наконечники штанг.
Рисунок 2. – Схема системы смазки двигателя ЗМЗ-66
1 - масляный радиатор; 2 - полость оси коромысел; 3 - канал в головке блока; 4 - масляный фильтр; 5 - канал в блоке; 6 - главная масляная магистраль; 7 - отверстие в корпусе привода распределителя; 8 - полость; 9 - масляный насос; 10 - редукционный клапан масляного насоса; 11 - четвертая шейка распределительного вала; 12 - маслоприемник; 13 - предохранительный клапан; 14 - кран масляного радиатора; 15 - вторая шейка распределительного вала.
К головкам блока для смазки втулок коромысел и верхних наконечников штанг масло пульсирующим потоком подается от второй 15 (к правой головке) и от четвертой 11 (к левой головке) шеек распределительного вала по каналам 5 в блоке и 3 в головке.
Разбрызгиванием смазываются цилиндры, втулки верхних головок шатунов, поршневые кольца, клапаны, толкатели и кулачки распределительного вала.
Шестерни привода распределительного вала смазываются маслом, поступающим из масляной магистрали через трубку, а привод распределителя зажигания и его шестерни — маслом, поступающим из полости 8, расположенной между пятой шейкой распределительного вала и заглушкой в блоке.
Система смазки двигателя ЗиЛ-130.
Смазочная система ЗиЛ-130 (рисунок 3) является типичным примером комбинированной смазочной системы.
В смазочной системе этого двигателя масло из поддона картера 20 через неподвижный маслоприемник 22, нагнетается верхней секцией масляного насоса 3 и по маслопроводу 4 подается к фильтру (полнопоточная центрифуга) 8. При вращении ротора центрифуги происходит очистка масла, которое затем поступает в маслораспределительную камеру 5, расположенную в задней части блока цилиндров. Из камеры масло нагнетается в левый 11 и правый 21 магистральные каналы, а из них поступает к коренным подшипникам коленчатого вала, подшипникам распределительного вала и толкателям. В коленчатом валу имеются каналы 18 для подачи масла к шатунным подшипникам и грязеулавливающие полости 19 для предназначенные для очистки масла.
Рисунок 3. - Схема смазочной системы двигателя ЗиЛ-130
a - общая схема; б - подача масла в ось коромысла; в - смазывание регулировочного винта и верхнего наконечника штанги; г - смазывание стенок цилиндра.
1 - трубопровод подачи масла в масляный радиатор; 2 - кран включения масляного радиатора; 3 - масляный насос; 4 - маслопровод от насоса к центрифуге; 5 - маслораспределительная камера; 6 - указатель давления масла (манометр); 7 - контрольная лампа аварийного снижения давления масла; 8 - полнопоточная центрифуга; 9 - воздушный фильтр; 10 – кривошипо-шатунная группа компрессора (смазывание разбрызгиванием); 11 - левый магистральный канал; 12 - трубопровод подачи масла для смазывания компрессора; 13 - трубка для слива масла из компрессора; 14 - масляный радиатор; 15 - трубопровод для слива масла из радиатора; 16 зубчатое колесо распределительного вала; 17 - зубчатое колесо коленчатого вала; 18 - канал, соединяющий коренную шейку с шатунной; 19 - грязеуловительная полость; 20 -поддон; 21 - правый магистральный канал; 22 - маслоприемник; 23 - канал в стойке оси; 24 — полая ось коромысла; 25 — отверстие в шатуне для подачи масла на стенку цилиндра.
К подшипнику задней шейки распределительного вала масло поступает по каналу из маслораспределительной камеры 5, а к четырем остальным - по вертикальным каналам от коренных подшипников коленчатого вала. В передней шейке распределительного вала имеется канал, через который масло подается на упорный фланец и затем стекает на зубчатые колеса газораспределения.
Нижняя головка шатуна имеет радиальное отверстие 25, при совпадении которого с каналом шатунной шейки масло выбрызгивается на зеркало цилиндра, откуда оно через отверстие в канавке маслосъемного кольца отводится внутрь поршня для смазывания поршневого пальца в бобышках поршня и во втулке верхней головки шатуна.
Бойки коромысел и стержни клапанов смазываются масляным туманом или маслом поступающим самотеком.
Из правого магистрального канала по трубопроводу 12 масло подается к компрессору, откуда по трубке 13 сливается в поддон двигателя. Нижняя секция масляного насоса при открытом кране 2 нагнетает масло по трубопроводу 1 в масляный радиатор 14, из которого оно по трубопроводу 15 сливается в поддон 20. Масляный радиатор воздушного охлаждения установлен перед основным радиатором системы охлаждения.
Система смазки двигателя ЯМЗ-236.
На двигателях ЯМЗ трущиеся пары смазываются под давлением и разбрызгиванием. Масло под давлением подводится к коренным и шатунным подшипникам коленчатого вала, к подшипникам распределительного вала, толкателей и коромысел клапанов, к сферическим опорам штанг толкателей, к втулкам верхней головки шатуна, к подшипникам масляного насоса и его привода, а также к шатунным подшипникам компрессора пневмотормозов. Зеркало цилиндров, зубчатые передачи, подшипники качения, кулачки распределительного вала и другие трущиеся поверхности, не требующие обильной смазки, смазываются маслом, вытекающим из зазоров в подшипниках и разбрызгиваемым вращающимися деталями двигателя (рисунок 4).
Топливная аппаратура двигателя, а также подшипники водяного насоса и натяжного приспособления имеют автономную смазку, не связанную с системой смазки двигателя. Емкостью для масла служит поддон двигателя, куда масло заливается через специальный патрубок, расположенный на крышке головки цилиндров. Количество масла в поддоне контролируется проволочным щупом, на стержне которого нанесены метки верхнего и нижнего уровней масла.
Рисунок 4. - Схема смазочной системы двигателя ЯМЗ-236
I — слив масла в поддон; II — подача масла к масляному радиатору; III — слив масла из радиатора в поддон; 1 — перепускной клапан; 2 — фильтр грубой очистки; 3 — фильтр центробежной очистки; 4 — маслозаливная горловина; 5 — центральный масляный канал; 6 — сливной клапан; 7 — предохранительный клапан радиаторной секции; 8 — редукционный клапан нагнетающей секции.
В системе предусмотрена двойная фильтрация масла. Основным фильтром, пропускающим все масло, идущее в двигатель, является фильтр грубой очистки. Тонкой очистке в центробежном фильтре подвергается около 10% циркулирующего в системе масла. Этот фильтр включен в систему параллельно с главной масляной магистралью двигателя. Очищенное в нем масло сливается в картер двигателя, снижая общий уровень механических примесей и осмоляющихся в процессе работы веществ в масле.
Циркуляция масла в системе смазки двигателя создается основной нагнетающей секцией масляного насоса.
Масло из картера двигателя через сетчатый заборник подается масляным насосом к фильтру грубой очистки по вертикальному сверленому каналу в передней стенке блока цилиндров. Очищенное предварительно масло поступает в центральный масляный канал, расположенный в левой боковой стенке блока. Параллельно часть масла отводится для повторной очистки к центробежному масляному фильтру. Из центрального масляного канала по сверлениям в поперечных стенках блока масло подается к коренным подшипникам коленчатого вала и к подшипникам распределительного вала. Верхние вкладыши коренного подшипника коленчатого вала имеют кольцевые канавки, которые постоянно сообщаются с диаметральными отверстиями в коренных шейках, соединенных наклонными каналами с полостями в шатунных шейках. В этих полостях масло Дополнительно очищается от тяжелых механических частиц и поступает в шатунные подшипники коленчатого вала через отверстия в шатунных шейках, а отсюда по каналу в стержне шатуна — к подшипникам поршневого пальца. Через передний подшипник распределительного вала при совпадении каналов в шейке и опоре масло подается в полую ось толкателя, откуда поступает к подшипникам толкателей, к сферическим опорам штанг и через полые штанги — к подшипникам коромысел клапанов. Масло для смазки компрессора подводится специальной трубкой из центрального масляного канала.
Смазочная система двигателя КамАЗ.
Система смазки КамАЗ (рисунок 5) комбинированная, с «мокрым» картером. Масло под давлением подается к коренным и шатунным подшипникам коленчатого вала, к подшипникам распределительного вала, втулкам коромысел, топливному насосу высокого давления, компрессору. Предусмотрена пульсирующая подача масла к верхним сферическим опорам штанг толкателей.
Система смазки включает масляный насос, фильтр очистки масла, центробежный фильтр очистки масла, масляный картер двигателя, воздушно-масляный радиатор, масляные каналы в блоке и головках цилиндров, передней крышке и картере маховика, клапаны для обеспечения нормальной работы системы, контрольные приборы, масляные трубопроводы и маслозаливную горловину.
Особенностью смазочной системы дизеля является то, что в ней имеется два фильтра тонкой очистки: полнопоточный 7 со сменным фильтрующим элементом и центробежный масляный фильтр 1, включенные между собой параллельно.
Двухсекционный смазочный насос, состоящий из нагнетательной 9 и радиаторной 10 секций, приводится в действие от коленчатого вала. Секцией 9 смазочного насоса по каналу в правой стенке блока цилиндров масло подается в полнопоточный фильтр 7 со сменным фильтрующим элементом тонкой очистки, откуда оно направляется в главную масляную магистраль 6.
Из главной магистрали по каналам в блок цилиндров масло поступает к коренным подшипникам коленчатого вала и по отверстиям в его щеках поступает к шатунным подшипникам. Поступающее к шатунным подшипникам масло проходит дополнительную центробежную очистку в грязеуловительных полостях коленчатого вала. Одновременно масло по вертикальным каналам в блоке цилиндров поступает к опорным шейкам распределительного вала и по наклонным - к втулкам коромысел, а от них направляется к регулировочным винтам и верхним наконечникам штанг.
Рисунок 4. - Смазочная система двигателя КамАЗ
1 - центробежный масляный фильтр; 2 - кран включения масляного радиатора; 3 - перепускной клапан центробежного масляного фильтра; 4 - сливной клапан центробежного фильтра; 5 - перепускной клапан фильтра очистки масла; 5 - главная масляная магистраль; 7 - фильтр очистки масла; 8 - клапан системы смазки; 9 - нагнетающая секция масляного насоса; 10 - радиаторная секция масляного насоса; 11 - предохранительный клапан нагнетающей секции; 12 - масляный радиатор; 13 - предохранительный клапан радиаторной секции; 14 - масляный картер; 15 - гидромуфта привода вентилятора; 16 - выключатель (термосиловой датчик); 17 - кран включения гидромуфты; 18 - топливный насос высокого давления; 19 - компрессор; 20 - сапун; 21 - указатель уровня масла; 22 – манометр.
Стекая по внутренним отверстиям штанг масло, смазывает толкатели и кулачки распределительного вала двигателя.
На стенки цилиндров дизеля масло поступает разбрызгиванием, где оно снимается маслосъемным кольцом, отводится внутрь поршня и смазывает поршневой палец. Из наклонных каналов блока масло поступает для смазывания подшипников компрессора 19 и топливного насоса 18 высокого давления. Кроме того, от нагнетательной секции насоса через кран 17 и регулятор-выключатель 16 масло подается в гидромуфту 15 привода вентилятора.
Радиаторная секция 10 насоса по маслопроводу подает масло к центробежному масляному фильтру 1, из которой оно постоянно сливается в поддон картера через клапан 4 (ограничивает давление масла в радиаторе до 0,12 МПа при повышении сливается в поддон, минуя радиатор) или проходит в радиатор 12, если кран 2 маслопровода открыт. Перепускной клапан 3 ограничивает давление масла, проходящего через центрифугу, до 0,6—0,65 МПа, а клапан 8 в корпусе масляного насоса, ограничивает давление в главной смазочной магистрали и открывается при давлении 0,4 - 0,45 МПа.
4. Покажите на схеме работу карбюратора К-126 Г на режиме полной мощности
Карбюратор К-126Г - эмульсионный, двухкамерный, с падающим потоком, с последовательным открытием дроссельных заслонок и балансированной поплавковой камерой. Схема карбюратора на рисунке 1.
















