126327 (578063)
Текст из файла
Размещено на http://www.allbest.ru/
ЕЛЕКТРОПРИВІД ДОЇЛЬНИХ УСТАНОВОК МАШИН ДЛЯ ПЕРВИННОЇ ОБРОБКИ МОЛОКА
Рівень механізації доїння корів і первинної обробки молока досягає нині 90 - 95 %. До первинної обробки молока відносять його охолодження, пастеризацію та очищення. Механізація та електрифікація процесу доїння значно полегшує працю доярок, при цьому підвищується продуктивність праці у 2 - 4 рази порівняно з ручним доїнням.
Первинну обробку молока здійснюють з метою збереження його харчової і технологічної цінності на тривалий проміжок часу.
Широкого розповсюдження набув доїльний агрегат АДМ-8А з молокопроводом, призначений для машинного доїння корів у стійлах, транспортування молока у молочне приміщення, групового обліку видоєного молока, фільтрації, охолодження та подавання до резервуарів на зберігання. Доїльні апарати з'єднуються із скляними вакуум- та молокопроводами, які встановлено над стійками корівника, за допомогою суміщених молочно-вакуумних кранів. У приміщенні молочної змонтовані системи промивання і первинної обробки молока. Привід силової вакуумної установки електричний. Молоко з доїльного апарата надходить до пристрою зоотехнічного обліку (за умови контрольних доїнь) або безпосередньо до молокопроводу, а потім транспортується у молочне приміщення до дозаторів та молокоприймальника, відокремлюється від повітря молочним насосом, через фільтр і охолодник перекачується до резервуара-холодильника для зберігання. Під час промивання миючий розчин відсмоктується з посудини через доїльні апарати, систему молочних трубопроводів і надходить до молокоприймальника. Розчин за допомогою насоса перекачується назад до посудини для повторного використання або зливання у каналізацію.
Агрегат випускається у двох варіантах: АДМ-8А-1 і АДМ-8А-2. Порівняно з агрегатом АДМ-8, продуктивність праці підвищується на 14 %, надій молока за рахунок зниження захворюваності корів — на 18 %. Завдяки використанню спрощеної схеми молочно-вакуумної лінії, точнішого вимірювання кількості видоєного молока за допомогою пристрою зоотехнічного обліку молока ПЗМ-1А, зменшуються затрати праці на монтаж і технічне обслуговування, а також виключаються втрати і забруднення молока під час наповнювання молокоприймальника.
Для малих ферм використовують доїльний агрегат з молокопроводом АДМ-8А-1 (виконання 05 та 06) замість ДАС-2В і АД-100Б. У цьому агрегаті відсутній пластинчастий охолодник, автоматичну систему обмивання вимені замінено на механічну, пристрій керування молочним насосом виробництва Німеччини — вітчизняним.
Для машинного доїння корів у доїльних станках з індивідуальним впусканням та випусканням, транспортуванням молока у молочне відділення, фільтрації та охолодження використовується доїльна установка "Тандем-автомат" УДА-8А. Установка складається з комплекту станків (стійл) на 8 місць, технологічної лінії та лінії промивання, 8 маніпуляторів доїння. Порівняно з УДА-8 конструкція доїльних станків простіша.
Доїльна автоматизована установка "Ялинка-автомат" УДА-16А використовується для машинного доїння корів у групових доїльних станках та первинної обробки молока на молочних фермах. Установка складається з двох секцій (кожна на 8 корів). У кожній секції вісім дозаторів роздавання концентрованих кормів, які подаються транспортером. Молоко з доїльного автомата через індикатор обліку надходить до молокопроводу молочного відділення і молочним насосом крізь фільтр та пластинчастий охолодник подається в місткість для зберігання. Установка промивається автоматично згідно з заданою циклограмою. До установки додатково може постачатися кормороздавач УДА-102.000.
Доїльні автоматизовані установки "Ялинка" УДА-16А і "Тандем" УДА-8А із зніманням інформації та АСУТП призначені для машинного доїння корів у доїльному залі з автоматизацією доїння, збирання та обліку молока, автоматичного індивідуального нормованого годування корів концентрованими кормами залежно від їх фізіологічного стану (стадія лактації, продуктивність тощо), одержання, обробки, зберігання та передачі інформації для керування зооветеринарною роботою, а також виділення тварин за низкою ознак для зооветеринарного обслуговування.
Для машинного доїння корів в індивідуальних доїльних станках у літніх таборах і пасовищних центрах використовують доїльні табірні установки УДЛ-Ф-12 і УДЛ-Ф-12-1.
Електропривід вакуум-насосів. Для роботи доїльних апаратів необхідний вакуум, який одержують за допомогою вакуумних насосів. Сучасні доїльні установки комплектуються ротаційними вакуумними насосами УВУ-60/45.
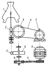
Ротаційний лопатевий вакуум-насос (рис. 1) складається з ребристого чавунного корпуса 3, ротора 1 з текстолітовими лопатками 2, задньої та передньої ребристих кришок. Чотири текстолітові лопатки розміщені радіально в пазах ротора і при його обертанні під дією відцентрової сили притискаються до внутрішньої поверхні циліндричного корпуса. Внаслідок ексцентричного розміщення ротора об'єм простору між кожною парою лопаток змінюється. З одного боку відбувається всмоктування повітря з трубопроводу, з іншого — стискання і викидання його в атмосферу.
Таким чином, вакуум-насос перетворює механічну енергію на потенціальну енергію тиску (з від'ємним знаком), яка потім перетворюється на кінетичну енергію всмоктування молока з вимені і транспортування його до місця приймання та очищення.
До складу вакуумної установки входять також вакуум-регулятор 4, вакуумметр 5, вакуум-балон 6 та вакуум-провід 7.
Рис. 1. Технологічна схема вакуумної установки:
1 ~ ротор вакуум-насоса; 2 — лопатки; 3 — корпус; 4 —вакуум-регулятор; 5 - вакуумметр; 6 — вакуум-балон; 7 — вакуум-провід; 8 — вихлопний пристрій
Вакуум-насос з'єднується з електродвигуном за допомогою клинопасової передачі.
Механічна характеристика вакуум-насоса має слабковиявлений вентиляційний характер, а навантажувальна діаграма являє собою незалежний від часу роботи насоса графік, паралельний осі абсцис після пуску. Оскільки доїння корів відбувається протягом 2 год, режим роботи тривалий. Потужність електродвигуна Р, Вт, для привода ротаційного вакуум-насоса визначається за формулою
де фн — подача насоса, м /с;
Нн — вакуум, який розвиває
насос, Па;
г|п — коефіцієнт корисної дії передачі; г)н — коефіцієнт корисної дії вакуум-насоса.
Подача насоса має забезпечити необхідну витрату повітря, яка визначається як сума витрат повітря усіма доїльними апаратами і різних втрат повітря внаслідок нещільності у вакуум-проводі та молокопроводі, просмоктувань крізь доїльні стакани під час надівання їх на дійки, просмоктувань між дійками та сосковою гумою, а також внаслідок спадання шлангів з кранів.
Подача (?н, м3/с, ротаційного вакуум-насоса визначається за виразом
де Ь — довжина ротора, м;
В — внутрішній діаметр циліндра, м;
Ь — товщина лопатки, м;
г — кількість лопаток ротора;
є — ексцентриситет, м;
ю — кутова швидкість ротора, 1/с;
г| — об'ємний ККД, ті = 0,75 - 0,8.
Виходячи з потрібного вакууму і подачі, вибирають потрібну кількість вакуум-насосів з урахуванням резерву.
Під час роботи вакуумної установки необхідно підтримувати вакуум 47-48 кПа, необхідний для нормальної роботи доїльних стаканів. На практиці рекомендується підбирати діаметр вакуум-проводу та його конфігурацію такими, щоб падіння у ньому вакууму не перевищувало 2,5 кПа.
Під час вибору вакуум-насоса необхідно звертати увагу на його основну характеристику, які відбиває залежність подачі насоса від величини вакууму, а також на забезпечення нормального вакууму у вакуум-проводі.
При машинному доїнні корів для створення вакууму потрібна вакуумна уніфікована установка УВУ-60/45А. На відміну від УВУ-60/45 вона має меншу масу, більш високу продуктивність, забезпечує зручність монтажу і технічного обслуговування. Для привода вакуум-насоса використовується асинхронний короткозамкнений двигун із номінальною частотою обертання 1430 об/хв потужністю 4 кВт. При цьому забезпечується подача 60 м3/год. Клинопасова передача дає змогу на шківах інших діаметрів одержати швидкість вакуум-насоса 1220 об/хв, при цьому потужність електродвигуна становить 3 кВт, а подача насоса — 45 м3/год.
Електропривід молочних насосів. Молочні насоси призначені для транспортування молока трубопроводами та по технологічній апаратурі, не обладнаній власними напірними пристроями. Для цього використовують відцентрові та діафрагмові насоси. Для в'язких рідин (вершків тощо) використовують шестеренчасті насоси. їх встановлюють нижче рівня місткості, щоб виключити необхідність заповнення насоса рідиною перед пуском.
Потужність електродвигуна Р, Вт, для привода насоса визначають за виразом
де Сі — подача насоса, м /с; Н — напір, необхідний для подачі молока на певний рівень з урахуванням втрат, м; у — питома вага рідини, Н/м3; г|м — механічний ККД насоса, пм = 0,8 - 0,9 — для поршневих, г|м = 0,1 — для відцентрових, г]м = 0,5 — для діафрагмових насосів.
Найширше використовують універсальний молочний насос НМУ-б. Він найкраще задовольняє техніко-економічні та гігієнічні вимоги. Насос складається з корпуса із всмоктувальним і нагнітальним патрубками, електродвигуна закритого обдувного виконання потужністю 1,1 кВт і частотою обертання 2880 об/хв. Ротор електродвигуна передає обертання крильчатці насоса. Подача води з місткості під вакуумом 0,6 МПа становить від 2 до 6 м3/год за умов напору 1 та 0,6 МПа відповідно. Для вмикання та вимикання насоса мо-локозбірник доїльної установки оснащений автоматом пуску. Згідно з технологією насос забезпечує промивання всієї системи в технологічній лінії, після чого частково розбирають і вручну промивають деталі насоса. Механічна характеристика насоса має вентиляторний характер, а навантажувальна діаграма — вигляд прямої, паралельної осі абсцис. При виборі потужності електродвигуна враховують тривалий режим роботи молочного насоса.
Рис. 2. Кінематична схема електропривода сепаратора:
1 — барабан; 2 — черв'як; 3 — шестірня;4 — клинопасова передача; 5 — електродвигун; 6 — відцентрово-фрикційна муфта(або шків)
Подача відцентрового насоса залежить від напору та частоти обертання, тому, користуючись напірними характеристиками, можна визначити інші характеристики насоса.
Електропривід сепараторів молока. Для виділення молочного жиру з молока використовують сепаратори. Принцип дії сепаратора ґрунтується на здатності механічних сумішей розподілятися у полі дії відцентрових сил за рахунок різної густини сумішей, з яких вони складаються. Розподіл відбувається всередині сепараторного барабана, який обертається з великою частотою, причому щільніші частинки (молочний жир) пересуваються до периферії. Виходячи з технологічного процесу, до електропривода сепаратора висувають жорсткі вимоги відносно частоти обертання барабана. За умови значних коливань швидкості порушується процес сепарування і стає можливим момент, коли вершки будуть відходити до молочник відвійок, а ті, навпаки, зможуть потрапляти до вершків. Тому для привода сепараторів використовують трифазні асинхронні електродвигуни, які мають жорстку механічну характеристику.
Незважаючи на різноманітне технологічне призначення молочних сепараторів, конструктивно вони відрізняються тільки будовою барабана. Кінематичну схему електропривода сепаратора наведено на рис. 2. Від електродвигуна 5 обертання через клинопасову передачу 4, відцентрово-фрикційну муфту (або шків) 6, шестірню 3 та черв'як 2 передається барабану 1. Характерним для привода барабана є те, що передаточне число менше за одиницю:
Барабани сепараторів мають частоту обертання, яка у 2 - 4 рази перевищує найбільшу швидкість обертання ротора асинхронного електродвигуна, тому зведений момент інерції системи двигун — робоча машина досить великий. Виходячи з основного рівняння руху електропривода, час розгону сепаратора перебуває у прямій залежності від зведеного моменту інерції. Залежно від типу сепаратора і схеми пуску розгін барабана триває 100 - 480 с.
Механічна характеристика сепаратора має вентиляторний характер і без урахування резонансних піків може бути виражена залежністю
де Мс — момент опору сепаратора, зведений до вала електродвигуна, Н * м; Мо — початковий момент опору, Мо = (0,2 - 1,0) Н • м; Ь — коефіцієнт пропорційності, який залежить від якості обробки елементів кінематичної схеми привода, маси барабана, ступеня шорсткості поверхні барабана, Н • м/(рад/с)2; со — кутова швидкість барабана, рад/с. Для сепараторів продуктивністю 50 - 1000 л/год
Характеристики
Тип файла документ
Документы такого типа открываются такими программами, как Microsoft Office Word на компьютерах Windows, Apple Pages на компьютерах Mac, Open Office - бесплатная альтернатива на различных платформах, в том числе Linux. Наиболее простым и современным решением будут Google документы, так как открываются онлайн без скачивания прямо в браузере на любой платформе. Существуют российские качественные аналоги, например от Яндекса.
Будьте внимательны на мобильных устройствах, так как там используются упрощённый функционал даже в официальном приложении от Microsoft, поэтому для просмотра скачивайте PDF-версию. А если нужно редактировать файл, то используйте оригинальный файл.
Файлы такого типа обычно разбиты на страницы, а текст может быть форматированным (жирный, курсив, выбор шрифта, таблицы и т.п.), а также в него можно добавлять изображения. Формат идеально подходит для рефератов, докладов и РПЗ курсовых проектов, которые необходимо распечатать. Кстати перед печатью также сохраняйте файл в PDF, так как принтер может начудить со шрифтами.
















