126327 (578063), страница 2
Текст из файла (страница 2)
Ь = 1,8 • 10~6 Н • м/(рад/с)2.
Потрібна потужність електродвигуна Р, кВт, для привода сепаратора у робочому режимі може бути визначена за виразом
де к — 1,2-2 — коефіцієнт, який враховує потужність, необхідну для надання кінетичної енергії рідині, що надходить до барабана, а також для подолання гідродинамічних втрат, втрат тертя у підшипниках, передавальному механізмі тощо.
Під час розгону сепаратора в механічній характеристиці його можливе виникнення резонансних піків. Особливо небезпечні вони на початковій стадії розгону, коли пік в механічній характеристиці сепаратора збігається при початковій швидкості з мінімальним моментом на механічній характеристиці асинхронного електродвигуна. Тому робоча частота обертання вала барабана сепаратора не повинна знаходитися У зоні резонансу коливань. Це основна умова нормальної роботи сепаратора.
Рис. 3. Механічні характеристики двошвидкісного електродвигуна (1, 2)і сепаратора (3) Рис. 4. Відцентрово-фрикційна муфта сепаратора:
1 — диск; 2 — палець; З — колодки; 4 —ведений барабан; 5 — привідний вал сепаратора
При вмиканні сепаратора у роботу розрізняють такі три режими:
-
пуск у дію, коли потужність електродвигуна зменшується від пускової до потужності холостого ходу;
-
прикладання навантаження, коли потужність трохи збільшується, а потім спадає;
-
усталений режим при постійному навантаженні та частоті обертання.
В умовах перехідного режиму під час пуску момент, що створюється механічними коливаннями системи в період першого резонансу та биття, більший за сумарний статичний момент в 1,5 - 2 рази. Пускова потужність сепаратора в 1,3-2 рази більша за потрібну потужність у робочому режимі.
Якщо для привода сепаратора встановити трифазний асинхронний короткозамкнений електродвигун згідно з потужністю сталого режиму сепарування, то кратність пускового моменту має бути не менше за 1,8 - 2, кратність максимального моменту — 2,2-2,4, а кратність мінімального моменту — 1,0. Встановлювати для привода сепаратора двигуни із завищеною потужністю недоцільно, оскільки під час пуску виникають додаткові динамічні зусилля, які можуть призвести до поломки черв'ячної пари. Тому для полегшення пуску використовують двошвидкісні двигуни, або одношвидкісні з відцентрово-фрикційною муфтою.
Механічні характеристики двошвидкісного двигуна та сепаратора, наведені на рис. 3, показують, що динамічний момент на першій швидкості майже у 2 рази більший, ніж на другій. Тому розгін здійснюється за умов великого моменту і меншої швидкості. Коли швидкість двигуна досягає певного значення, автоматично відбувається перемикання обмотки статора двигуна на другу підвищену швидкість. З цією метою на валу електродвигуна встановлено тахогенератор, який підключено до обмотки проміжного реле. Оскільки розгін здійснюється при більшому моменті, то час пуску скорочується, зменшується і нагрівання двигуна. Загальні втрати у двигуні в цьому випадку у два рази менші, ніж при одноступінчастому пуску.
Відцентрово-фрикційну муфту наведено на рис. 4. При вмиканні електродвигуна диск, закріплений шпонкою на валу електродвигуна, починає обертатися. Пальці 2 починають тягти колодки 3, які ковзають по внутрішній циліндричній поверхні барабана 4, насадженого на горизонтальний вал привода сепаратора. Коли швидкість диска 1 дорівнює нулю або близька на нього, то зчеплення колодок із внутрішньою поверхнею барабана дорівнює нулю, тому момент від вала двигуна до веденого привідного вала 5 не передається. При збільшенні частоти обертання відцентрова сила зростає, колодки притискаються до внутрішньої поверхні барабана і відповідно зростає сила тертя між колодками і барабаном. Розміри барабана, колодок та матеріали для їх виготовлення вибирають так, щоб механічні характеристики електродвигуна і відцентрово-фрикційної муфти перетинались на робочій ділянці механічної характеристики за умови значення моменту, близького до критичного (рис. 5). При цьому починається розгін електропривода при великому надлишковому моменті. Струм електродвигуна у початковий момент досягає пускового, а потім за частки секунди знижується до 1,5 — 2 кратного значення, при якому і відбувається розгін сепаратора. При вмиканні без відцентрово-фрикційної муфти пусковий струм впливає на обмотки практично увесь час періоду розгону. Нагрівання електродвигуна при пуску з відцентрово-фрикційною муфтою знижується у кілька разів, при цьому зменшується час розгону електропривода внаслідок того, що надлишковий момент є досить значним. У зв'язку з тим, що під час розгону сили тертя і ковзання також значні, відбувається посилене нагрівання муфти, тому рекомендується здійснювати не більше 2 пусків-розгонів підряд.
доїння молоко вакуумний механізація
Рис. 5. Привідні характеристики сеператора:
а — механічні характеристики двигуна (і), сепаратора (2) та муфти (3); б — навантажувальна діаграма електродвигуна на період розгону сепаратора
При вмиканні електродвигуна швидкість ротора майже миттєво досягає значення сосв, при цьому встановлюється момент Мсв, за умов якого починається розгін привідного вала сепаратора. Від моменту Мсв до Му відцентрово-фрикційна муфта працює із значним ковзанням, при цьому швидкість привідного вала сепаратора зростає від 0 до <ву.
За час і]_, який триває частки секунди, момент електродвигуна змінюється від пускового значення Мп до Мсв, яке визначається моментом зчеплення між колодками муфти та веденим барабаном. За час £2 відбувається розгін барабана від нерухомого стану до швидкості юсв, а на дільниці і% момент електродвигуна зменшується від значення Мсв до сталого М , який визначається точкою перетину механічних характеристик сепаратора та електродвигуна.
Тривалість періодів і± та і3 становить 5 - 7 % загальної тривалості розгону.
Електропривід молочних сепараторів належить до нерегу-льованих приводів із запуском вхолосту і тривалим режимом роботи. Тривалість безперервної роботи сепаратора при відокремленні вершків досягає 2 год, очищенні молока 4 год, після чого необхідне розбирання та очищення барабана сепаратора.
Технічна характеристика сепараторів, які використовуються на молочних фермах, сепараторних пунктах і молокозаводах, наведена в табл. 1.
1. Технічна характеристика сепараторів
| Показник | СОМ-3-1000М | Марка се СПМФ | паратора ОСП-ЗМ | ОМА-ЗМ |
| Маса барабана, кг Подача, м3/год Частота обертання барабана, об/хв Потужність електродвигуна, кВт Тип електродвигуна | 16,3 1 8100 0,6 4АМ71А4У2 | 60 2 7200 3,0 4АМ10054У2 | 125 3 6500 4,0 4АМ100І4У2 | 207 5 6500 5,5 4АМ112М4У2 |
ЕЛЕКТРОПРИВІД ХОЛОДИЛЬНИХ МАШИН І ПАСТЕРИЗАТОРІВ МОЛОКА
Електропривід холодильних машин. Використання штучного холоду для технологічних цілей у виробництві молока — неодмінна умова забезпечення якості та зберігання продукту. Для великих ферм придатні компресорні установки. Принцип роботи холодильної машини ґрунтується на властивостях деяких речовин перебувати у рідкому стані при підвищеному тиску, перетворюватись на пару зі зниженням тиску та кипіти при низьких температурах. Робочий процес холодильної машини проходить за замкненим циклом. Як холодоагент для холодильних машин найчастіше використовують фреон.
Поршневий компресор у холодильній установці перетворює механічну енергію на потенціальну енергію тиску газу, нагнітаючи його до конденсатора, який омивається ззовні холодною водою, і де газ перетворюється на рідину. Цей процес супроводжується перетворенням потенціальної енергії тиску газу на теплову, що відбирається водою, та кінетичну, за рахунок якої рідина надходить через дроселюючий клапан до випарника.
Тут внаслідок зниження тиску рідина випаровується. З випарника газ знову надходить до компресора і цикл повторюється.
Для визначення потрібної потужності двигуна та витрат на охолодження певного об'єкта треба, виходячи з технологічних умов і продуктивності молочної, знати необхідну холодопродуктивність (3, кДж/год, яка залежить від продуктивності компресора Ь, м3/год, та об'ємної холодопродуктивності відсмоктуваних парів холодильної рідини ^, кДж/м3, тобто ф = Ьд.
Подачу компресора Ь, м3/с, визначають за виразом
де і — кількість всмоктувальних сторін поршня;
Р — площа поршня, м2;
5 — хід поршня, м;
п — число ходів поршня за секунду;
X — коефіцієнт подачі компресора (або об'ємний ККД, що дорівнює 0,85 - 0,95), який залежить від нещільностей, характеру рідини тощо;
І,о — питома продуктивність компресора, м3/с.
Потрібна потужність поршневого компресора складається з потужності, яка витрачається всередині циліндрів на всмоктування, стиск і нагнітання газу, і потужності, яка витрачається на механічні втрати.
Потужність на валу компресора залежить від кута повороту кривошипа і змінюється за синусоїдальним законом. У поршневих компресорів одинарної дії подача здійснюється тільки за умов руху поршня вперед, а у механізмах подвійної дії — при ході поршня в обидва боки.
Середню потужність для компресора подвійної дії визначають за виразом
При роботі поршневого компресора на магістраль з постійним тиском під час кожного ходу поршня долається постійне середнє зусилля незалежно від кутової швидкості, тому двигун працює з постійним моментом, незалежним від кутової швидкості. Потужність Р, кВт, визначають за виразом
де Є} — подача компресора, м /с;
Н — тиск, який розвиває компресор, Па;
Рх — початковий тиск газу, Па;
Р2 — кінцевий тиск стисненого газу, Па;
лк — ККД компресора;
г)п — ККД передачі від двигуна до компресора.
Режим роботи компресора може бути тривалим і повторно-короткочасним з великою кількістю вмикань за годину залежно від обраної схеми та устаткування для керування роботою установки й двигуна.
З урахуванням режиму роботи після підрахунків вибирають електродвигуни найближчої більшої потужності.
Електропривід в установках пастеризації молока. Основні режими пастеризації (теплової обробки молока) визначаються технологією його обробки. За умов дотримання технології зберігаються поживні властивості молока без зміни його якості. Недотримання за часом викликає збереження мікрофлори в молоці, перетримання веде до втрати вітамінної цінності молока, карамелізації молочного цукру, змін у білковому складі.
У сучасних пастеризаційних установках електропривід використовується для привода молочних і водяних насосів, молокоочисників, які розглянуто у попередніх розділах.
Потрібна потужність Р, кВт, на обертання мішалки складається з потужності на подолання опору обертання Рс та потужності на надання кінетичної енергії рідинам Рк, які видаляються з пастеризатора, і дорівнює:
де V — швидкість рідини на виході, м/с;
є — коефіцієнт опору (у середньому є = 0,2);
р — густина рідини, кг/м3;
г)„ — ККД передачі;
5 — поверхня тертя, м ;
т — маса рідини, кг.
Параметри привода мішалки у молочному танку визначають так, як і для пастеризатора.
Для привода хитної трубчастої мішалки у вершкодозрі-вальних ваннах потрібна потужність Р, кВт, пропорційна густині рідини, поверхні мішалки, що пронизує рідину, а також швидкості руху мішалки:
де «і — діаметр труби мішалки, м; р — густина вершків, кг/м3; / — довжина мішалки, м; к — кількість труб; исер — середня швидкість середньої труби, м/с.
Режим роботи пастеризаційних установок тривалий, тому й електродвигуни працюють у тривалому режимі. Проте за наявності у технологічній лінії молокоочисних сепараторних барабанів безперервність роботи установки лімітується об'ємом грязьового простору сепаратора барабана і становить 2,5-3 год залежно від забрудненості молока механічними домішками.
Електропривід танка-охолодника молока ТОМ-2А. Танк-охолодник молока ТОМ-2А призначений для збирання, охолодження і зберігання молока на фермі, де розміщено до 400 корів. Він складається з молочної ванни 9 (рис. 6) з мішалкою 8, фреонового компресора 1, конденсатора 2, ресивера З, фільтра-осушника 4, теплообмінника 5, випарника 6, водяного насоса 7, акумулятора холоду.
За 3 - 4 год до початку доїння вмикають компресор й здійснюють попереднє охолодження води в акумуляторі холоду та наморожування льоду на панелях випарника. Це відбувається внаслідок руху фреону по замкненому контуру. Пари фреону, які відсмоктуються з випарника 6, компресором 1 стискаються, нагріваються й нагнітаються у конденсатор 2. У ньому фреон охолоджується повітряним потоком, який утворюється за допомогою вентилятора, віддає тепло, стає рідким й зливається до ресивера 3. Під тиском він надходить до фільтра-осушника 4, очищується від парів масла, охолоджується зустрічним потоком парів фреону у теплообміннику 5 і крізь отвір у терморегулювальному вентилі впорскується у внутрішню порожнину пластин випарника 6. Опинившись у розрідженому просторі, фреон кипить (переходить з рідкої у газоподібну фазу) зі споживанням теплоти.
При цьому пластини випарника охолоджуються до мінус 8-10 С і на них наморожується вода, в яку вони занурені.
Перед початком подавання молока вмикають мішалку 8 і водяний насос 7. Холодна вода омиває днище молочної ванни та охолоджує молоко, що надходить до неї.
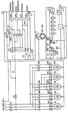
Принципіальну електричну схему керування танком-охолодником молока ТОМ-2А наведено на рис. 7.
При вмиканні автоматичного вимикача С^Р напруга живлення подається на головні контакти магнітних пускачів КМ1 - КМ4 та на коло керування, при цьому загоряються лампи НЬІ, НЬ2. Схема передбачає три режими роботи: ручний, автоматичний, миття.
У положенні перемикача 8А "Ручний" керування електроприводами здійснюється тумблерами 51, 52, 53, 54 у колах відповідних магнітних пускачів. Вмиканням тумблера 51 у ручному режимі здійснюється початкове наморожування льоду на панелях випарника.
У положенні перемикача 5А "Автоматичний" керування технологічним циклом реалізується за допомогою блока логічного керування Е залежно від стану контакту датчика температури 8К2. Блок Е призначений для вироблення тимчасових сигналів необхідної тривалості, забезпечення технологічного алгоритму та організації вихідних сигналів у вигляді "сухих" контактів герконових реле К2 і КЗ. Як датчик температури використовується термоконтакт 8К2, контакт якого замкнений ртутним стовпчиком при температурі + 4 С та вище. Логічний сигнал про необхідність вмикання системи охолодження, надходячи до блока Е, викликає спрацювання вихідних реле К2 і КЗ. Замикаючий контакт реле К2, який увімкнено в коло котушки магнітного пускача КМ1, забезпечує роботу мішалки, а контакт КЗ вмикає пускач КМ2 і подає команду на ввімкнення насоса охолодження.
Рис. 6. Технологічна схема танка-охолодника молока ТОМ-2: 1 — компресор; 2 — конденсатор; 3 — ресивер; 4 — фільтр-осушник; 5 — теплообмінник; 6 — випарник; 7 — водяний насос; 8 — мішалка; 9 — молочна ванна
Надалі алгоритм керування передбачає таке функціонування схеми керування:
-
за умов досягнення в процесі охолодження молока температури, нижчої за + 4 С, контакт 8К2 розмикається, вихідне реле КЗ вимикається і відповідно розмикає свій контакт у колі котушки пускача КМ2, що викликає вимикання насоса охолодження;
-
мішалка після вимикання системи охолодження працюватиме, а після закінчення часу 3 ± 1 хв блок Е виробить команду вимикання вихідного реле К2, контакт якого вимкне пускач мішалки КМІ;
-
у процесі зберігання охолодженого молока блок Е вмикає мішалку на 3 хв. через кожні 30 хв..;
-
через зменшення кількості льоду на панелях випарника, який витрачається на охолодження молока, температура вихідних парів хладону з випарника підвищується, контакти температурного реле 8К1 у колі магнітного пускача КМЗ замикаються І вмикається привід компресора і вентилятора;
-
для контролю системи мащення компресора передбачене реле РКС. При кожному запуску компресора контакт реле РКС повинен замкнутися протягом 20 с, що контролюється елементом ДА9 (7-312), який у разі успішного функціонування системи замикання контакту РКС не дозволить вимкнутися проміжному реле К1. У випадку, коли контакт РКСза 20 с від початку запуску компресора не замкнеться, електромагнітне реле в елементі ДА9 знеструмиться, контакт його розімкнеться, вимикаючим реле К\, замикаючі контактиК1 розмикаючись вимкнуть ланцюг живлення, що забезпечить аварійне вимкнення устаткування ТОМ-2А;
-
за умов неприпустимого підвищення тиску, який контролюється датчиком реле тиску 5Р, та спрацюванні теплових реле КК\ - КК4 при можливих перевантаженнях електродвигунів МІ - МЬ їх розмикаючі контакти знеструмлюють коло живлення реле К1 і відбувається аварійне вимкнення устаткування ТОМ-2А, загоряється сигнальна лампа НЬ2"Аварія". Деблокування сигналу "Аварія" відбувається шляхом вимикання ввідного автоматичного вимикача С?Р та його повторного вмикання;
-
технологічна операція "Миття" здійснюється у відповідному положенні перемикача 5А. У цьому режимі передбачається керування електроприводом насоса мийки та електроприводом мішалки. Вмикання мішалки та насоса здійснюється за допомогою тумблера 54;
-
за умов підвищення температури молока контакти 8К2 замикаються і робота схеми повторюється.
Захист електроприводів та електроустаткування ящика керування від струмів короткого замикання забезпечується автоматичними вимикачами.
Типи та електричні параметри апаратів захисту для Т0М-2А наведені у табл. 2.
Рис. 7 Принципіальна електрична схема керування танком-охолодником ТОМ-2А
Табл.. 2. Технічна характеристика апаратів захисту
| Тип ящика керування | Електродвигун, Рн, кВт | Автоматичний вимикач | Теплове реле | ||||
| Тип | Ін, А | Ін.уст. А | Тип | Позна- чення | Діапазон регулювання струму, А | ||
| ЯОА540-3474ВМУХЛ3.1 | 0,12 1,5 5,5 0,75 1,1 | АЕ2043М | 63 | 25 | РТЛ1004 РТЛ1008 РТЛ1016 РТЛ1007 РТЛ1008 | КК1 КК2 ККЗ КК4 КК5 | 0,38 - 0,65 2,4 - 4,0 9,5 - 14 1,5 - 2,6 2,4 - 4,0 |
Размещено на Allbest.ru
















