126303 (578052)
Текст из файла
Размещено на http://www.allbest.ru/
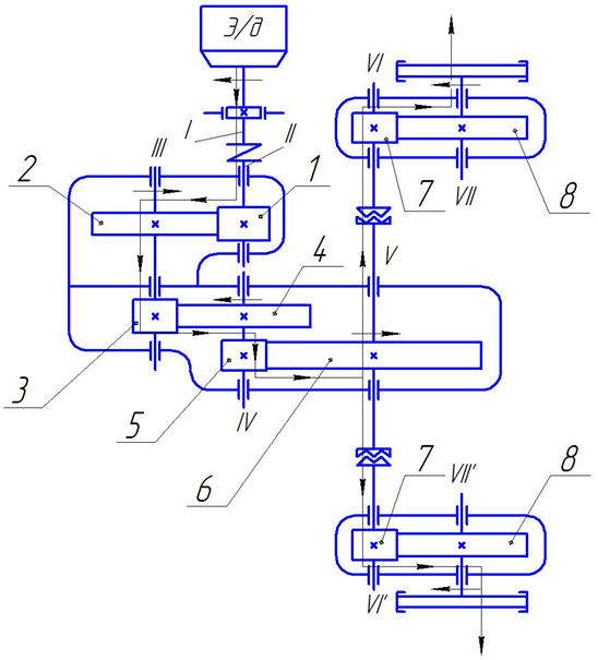
Произвести анализ горно-транспортной машины по заданной кинематической схеме (рис. 1). В задаче следует:
1. Определить диаметры зубчатых колес: делительный, вершин и впадин. Определить межосевые и конусные расстояния. Колеса рассматривать как нулевые, т.е. нарезанные без смещения инструмента.
2. Изобразить в масштабе кинематическую схему зубчатого механизма (на миллиметровой бумаге).
3. Показать на кинематической схеме направление передачи мощности.
4. Определить передаточные числа ступеней, знак и величину передаточного отношения всего механизма.
5. Определить частоту вращения всех валов механизма (валы обозначить римскими цифрами).
6. Определить общий КПД механизма.
7. Определить мощности на всех валах механизма.
8. Определить крутящие моменты на всех валах механизма.
9. Построить диаграммы частот вращения, мощностей и крутящих моментов валов передачи.
10. Расчет прочности зубьев для одной ступени по контактным (σH) напряжениям.
11. Расчет прочности зубьев для одной ступени по изгибным (σF) напряжениям.
12. Выбор материала для изготовления зубчатых колес, разработка конструкции вала и его проектный расчет. Выбор шпонки.
Исходные данные приведены в табл. 1.
Рис. 1 Кинематическая схема ходового механизма экскаватора
Таблица 1
| Пара-метр | Z1, Z2 | m1-2, мм | Z3, Z4 | m3-4, мм | Z5, Z6 | m5,6, мм | Z7, Z8 | m7,8, мм | Pдв, кВт | n, мин-1 |
| 0 | 15;85 | 7 | 11;59 | 10 | 16;66 | 20 | 12;32 | 26 | 54 | 1280 |
Решение
Обозначим все колеса арабскими цифрами, а валы – римскими.
1. Определим геометрические размеры зубчатых колес, полагая их нулевыми, т.е. нарезанными без смещения инструмента.
Для цилиндрических колес.
Диаметры начальных (делительных) окружностей:
(2.1)
где β – угол наклона зуба. Для косозубых колес β = 8...20°, для шевронных – β = 25...40°.
Диаметры окружностей вершин:
(2.2)
Диаметры окружностей впадин:
(2.3)
Межосевое расстояние:
(2.4)
где Zк – количество зубьев колеса;
Zш – количество зубьев шестерни.
Все рассчитанные размеры для рассматриваемой передачи сведены в табл. 2. Все колеса считаем прямозубыми.
Таблица 2
| № | Z | m, мм | β° | d, мм | da, мм | df, мм | i |
| 1 | 15 | 7 | 0 | 105 | 119 | 87,5 | 5,67 |
| 2 | 85 | 7 | 0 | 595 | 609 | 577,5 | |
| 3 | 11 | 10 | 0 | 110 | 130 | 85 | 5,36 |
| 4 | 59 | 10 | 0 | 590 | 610 | 565 | |
| 5 | 16 | 20 | 0 | 320 | 360 | 270 | 4,125 |
| 6 | 66 | 20 | 0 | 1320 | 1360 | 1270 | |
| 7 | 12 | 26 | 0 | 312 | 364 | 247 | 2,67 |
| 8 | 32 | 26 | 0 | 832 | 884 | 767 |
2. Определим кинематические параметры колес.
Передаточные отношения по абсолютной величине последовательно зацепляющихся колес:
Общее передаточное отношение многоступенчатой зубчатой передачи:
где k - число цилиндрических пар с внешним зацеплением.
Частота вращения валов передачи.
Частота вращения nI I вала равна частоте вращения вала двигателя
nI = nII = nдв = 1280 об/мин;
об/мин;
об/мин;
об/мин;
об/мин;
3. Определяем мощность на всех валах механизма.
Принимаем КПД пары цилиндрических колес η = 0,98 (ηп – пары подшипников и ηМ - муфты пренебрегаем).
Тогда
PI = PII = PДВ = 54 кВт;
PIII=PII ∙ η = 54 ∙ 0,98 = 52,92 кВт;
PIV=PIII ∙ η = 52,92 ∙ 0,98 = 51,86 кВт;
PV=PIV ∙ η = 51,86 ∙ 0,98 = 50,82 кВт.
Поток мощности на V валу разветвляется на два:
PV=PVI+PVI’
Мощности на рабочих органах распределяются равномерно:
PVI=PVI’=25,41 кВт.
PVII=PVI ∙ η = 25,41 ∙ 0,98 = 24,9 кВт.
Находим общий КПД передачи
ηпер = PVII / PI = 24,9/54 = 0,46
4. Определяем крутящие моменты на валах передачи.
,
,
5. Полученные значения частот вращения, мощности и крутящих моментов на валах сводим в таблицу 3.
Таблица 3
| № вала | I | II | III | IV | V | VI | VII |
| n, мин-1 | 1280 | 1280 | 225,7 | 42,1 | 10,2 | 10,2 | 3,8 |
| Р, кВт | 54 | 54 | 52,92 | 51,86 | 50,82 | 25,41 | 24,9 |
| T, Н·м | 403 | 403 | 2239,3 | 11762,6 | 47550,3 | 23780,7 | 62224,6 |
По полученным данным строим диаграммы частот вращения, мощности и крутящих моментов, показанные на рис. 2.
6. Проверочный расчет активных поверхностей зубьев на контактную выносливость.
Расчет проводим для пары 5 – 6 зацепляющихся колес. Рассматриваемая пара прямозубая. Величина действующих контактных напряжений для цилиндрических зубчатых колес определяется по формуле
(2.5)
Коэффициент, учитывающий форму сопряженных поверхностей зубьев
ZH = 1,77cosβ, для прямозубых колес ZH = 1,77.
Коэффициент, который учитывает механические свойства материала зубчатых колес:
ZM = 275 МПа.
Коэффициент, который учитывает суммарную длину контактных линий
,
где
коэффициент торцевого перекрытия
коэффициент, учитывающий колебание суммарной длины контактной линии, для прямозубых передач
.
Рис. 2 Диаграммы частот вращения, мощности и крутящих моментов
Расчетная величина удельной окружной нагрузки
,
где Т1 – крутящий момент на ведущем валу рассчитываемой пары,
Т1 = ТIV = 11762,6 Н·м;
bw – рабочая ширина зубчатых колес, которая определяется по формуле
где аw – межосевое расстояние, аw = 820 мм;
ψba – коэффициент ширины венца зубчатого колеса относительно межосевого расстояния, назначают в зависимости от твердости поверхностей и расположения колес относительно опор.
Принимаем ψba = 0,315, тогда bw = 0,315∙820 = 258 мм
КНβ – коэффициент концентрации нагрузки определяется в зависимости от отношения bw/d5 = 258/320 = 0,81 и твердости рабочих поверхностей зубьев; при НВ < 350 принимаем КНβ = 1,07.
– коэффициент динамической нагрузки, определяется в зависимости от окружной скорости, твердости поверхностей зубьев и степени точности. Выбираем степень точности 7, что соответствует передачам общего машиностроения. Окружная скорость
.
В соответствии с этим для НВ < 350 находим
= 1,05. В соответствии с этим будем иметь
.
Определяем действительное контактное напряжение по формуле (2.5)
Допускаемая величина контактных напряжений для сталей при НВ ≤ 350 (подвергаемых нормализации или улучшению):
(2.6)
где SH = 1,1...1,2 – коэффициент безопасности.
С формулы (2.6) определим необходимую твердость поверхности зубьев, полагая
, получим
.
Примем для колеса НВк = 220, а для шестерни
НВш = 220 + (10…15) = 230.
Выбираем материал сталь 45, улучшение.
7. Проверочный расчет по напряжениям изгиба.
Характеристики
Тип файла документ
Документы такого типа открываются такими программами, как Microsoft Office Word на компьютерах Windows, Apple Pages на компьютерах Mac, Open Office - бесплатная альтернатива на различных платформах, в том числе Linux. Наиболее простым и современным решением будут Google документы, так как открываются онлайн без скачивания прямо в браузере на любой платформе. Существуют российские качественные аналоги, например от Яндекса.
Будьте внимательны на мобильных устройствах, так как там используются упрощённый функционал даже в официальном приложении от Microsoft, поэтому для просмотра скачивайте PDF-версию. А если нужно редактировать файл, то используйте оригинальный файл.
Файлы такого типа обычно разбиты на страницы, а текст может быть форматированным (жирный, курсив, выбор шрифта, таблицы и т.п.), а также в него можно добавлять изображения. Формат идеально подходит для рефератов, докладов и РПЗ курсовых проектов, которые необходимо распечатать. Кстати перед печатью также сохраняйте файл в PDF, так как принтер может начудить со шрифтами.
















