126303 (578052), страница 2
Текст из файла (страница 2)
Для цилиндрических колес:
(2.7)
где YF – коэффициент, зависящий от формы зуба, определяется в зависимости от эквивалентного числа зубьев
где β – угол наклона зубьев, для прямозубых колес Zv = Z.
Для шестерни 5 Z5 = 16, YF1 = 4,25; для колеса Z6 = 66, YF2 = 3,18.
Коэффициент учитывающий перекрытие зуба
, для прямозубых колес
.
Коэффициент, учитывающий наклон зуба
.
Модуль зубьев m = m5,6 = 20 мм.
Расчетная окружная нагрузка
= 1,12;
для колеса 5 – ψbd = bw/d5 = 258/320 = 0,81,
= 1,07;
для колеса 6 – ψbd = bw/d6 = 258/1320 = 0,2,
= 1,02.
Тогда окружная нагрузка на колесе 5 будет равна
Окружная нагрузка на колесе 6
.
Определяем напряжение изгиба на колесе 5
,
Напряжение изгиба на колесе 6
,
где
допускаемые значения напряжений изгиба:
,
где SF = 1,75 – коэффициент запаса прочности для марки стали 45.
Так как
, следовательно передача удовлетворяет условиям выносливости по изгибу.
8. Проектный расчет вала.
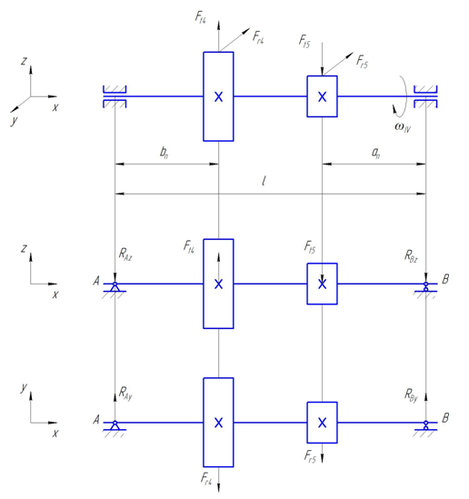
Проектный расчет вала делаем для промежуточного вала IV (рис. 1).
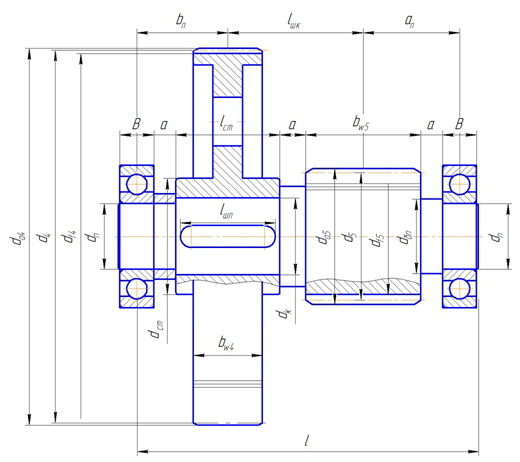
Выполним эскиз промежуточного вала (рис. 3).
Ориентировочный диаметр конца промежуточного вала, диаметр вала под подшипник:
где [τ]к – допускаемое напряжение при кручении, для промежуточного вала принимаем [τ]к = 25 МПа.
Рис. 3 Эскиз промежуточного вала редуктора
Учитывая, что на конец промежуточного вала устанавливается подшипник принимаем диаметр вала кратный 5: dп = 130 мм.
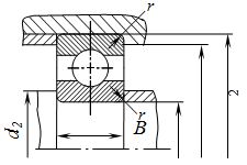
В качестве опор промежуточного вала принимаем шарикоподшипник радиальный 326 ГОСТ 8338-75. Основные размеры подшипника для промежуточного вала редуктора сведены в табл. 4 (рис. 4).
Рис. 4 Шарикоподшипник радиальный однорядный типа 0000
Таблица 4. Габаритные и установочные размеры подшипника, мм
| Условное обозначение | d | D | B | r | d2 мин | D2 макс | Шарики | |
| DТ | z | |||||||
| 326 | 130 | 280 | 58 | 5 | 145 | 265 | 47,99 | 12 |
Диаметр вала под колесо:
dк = dп + 5 = 130 + 5 = 135 мм.
Диаметр вала под буртик подшипника:
dбп = dк + 3f = 135 + 3·3 = 144 мм,
где f – фаска ступицы конического колеса, принимаем f = 3 мм.
Конструктивно принимаем dбп = 145 мм.
Расстояние от середины шестерни до левой опоры вала:
где bw5 – ширина шестерни,
а – расстояние между шестерней и подшипником, конструктивно принимаем, а = 10 мм.
Расстояние между опорами подшипников:
,
где lст – длина ступицы, lст = 170 мм.
Расстояние между колесом и правой опорой вала:
.
9. Расчет шпоночного соединения.
Для вала диаметром dk = 135 мм принимаем шпонку, которая соединяет промежуточный вал с колесом:
32×18 мм.
Рабочая длина шпонки
,
где [σсм] - допускаемое напряжение смятия, для стальных колес [σсм] =100 МПа.
Расчетная длина шпонки
l = lр + b = 116 + 32 = 148 мм.
Принимаем стандартную длину шпонки l = 160 мм.
Тогда длина ступицы колеса равна:
lст = l + 10…15 = 160 + 10…15 = (170…175) мм.
Конструктивно принимаем lст = 170 мм.
10. Проверочный расчет подшипников промежуточного вала.
Покажем на схеме направление сил действующих на колесо и шестерню зубчатой цилиндрической передачи, и направление реакций в опорах промежуточного вала от действия этих сил (рис. 5).
Определим силы действующие в зацеплении колес 3 – 4 и 5 – 6.
Силы действующие в зацеплении цилиндрической передачи:
окружная сила
;
радиальная сила
;
окружная сила
;
радиальная сила
.
Для определения вертикальной реакции в подшипнике составим уравнение равновесия:
Откуда находим:
.
Для определения вертикальной реакции в подшипнике составим уравнение равновесия:
Откуда находим:
Проверка:
Проверка выполняется.
Для определения горизонтальной реакции в подшипнике составим уравнение равновесия:
Откуда находим:
Для определения горизонтальной реакции в подшипнике составим уравнение равновесия:
Рис. 5 Реакции опор промежуточного вала IV
экскаватор вал ходовой механизм
Откуда находим:
Проверка:
Проверка выполняется.
Суммарные реакции опор
;
Грузоподъемность подшипника 326: C = 229000 Н, C0 = 193000 Н.
Коэффициент радиальной нагрузки Х = 0,58. Коэффициент вращения кольца, при вращении внутреннего кольца V = 1.
Коэффициент безопасности, при нагрузке без рывков Кσ = 1,3.
Температурный коэффициент, Кt = 1. Требуемая долговечность подшипника, для зубчатых колес: Lh = 10000 ч.
Fa = 0 – осевая нагрузка отсутствует.
Эквивалентная нагрузка для более нагруженной правой опоры:
Номинальная долговечность подшипника в миллионах оборотов:
Номинальная долговечность подшипника:
Что приемлемо для заданной долговечности подшипников.
Error: Reference source not foundError: Reference source not found103,445
Литература
Методические указания к заданиям.
Конструирование узлов и деталей машин: Учеб. Пособие для студ. техн. спец. Вузов /П.Ф. Дунаев, О.П. Леликов. – 8-е изд., перераб. и доп. – М.: Издательский центр «Академия», 2004. – 496 с.
Шейнблит А.Е. Курсовое проектирование деталей машин: Учеб. Пособие для техникумов. – М.: Высш. Шк.., 1991.– 432 с.: ил.
Расчет и проектирование деталей машин, ч. 1. Киркач Н. Ф., Баласанян Р. А.— 2-е изд., перераб. и доп.— X.: Вища шк. Изд-во при Харьк. ун-те, 1987.—136 с.
Размещено на Allbest.ru
26
















