124870 (577778), страница 2
Текст из файла (страница 2)
При анализе характеристик апериодических звеньев (рисунок 24) можно сделать следующие выводы:
-
апериодическое звено 2-го порядка можно аппроксимировать апериодическим звеном 1-го порядка, если первая постоянная времени намного меньше второй, т.к. в таком случае влияние первой экспоненты на форму выходного сигнала несущественно.
Исследование колебательного звена
При исследовании колебательного звена необходимо пронаблюдать за характером его частотных характеристик при изменении постоянной времени и декремента затухания в пределах, указанных в индивидуальном задании. Т.е. необходимо исследовать частотные характеристики при постоянных времени
и декременте затухания
.
-
Исследование частотных характеристик колебательного звена при изменении постоянной времени (
) и неизменном декременте затухания (
)
Для исследования колебательного звена при изменении постоянной времени (
) и неизменном декременте затухания в прикладном пакете Proteus\ISIS составляем структурную схему, представленную на рисунке 25. Логарифмические частотные характеристики колебательного звена представлены на рисунке 26, графики переходной функции – на рисунке 27.
Рисунок 25 – Структурная схема для исследования колебательных звеньев при изменении постоянной времени (
) и неизменном декременте затухания (
)
Рисунок 26 – Логарифмические частотные характеристики колебательных звеньев при изменении постоянной времени (
) и неизменном декременте затухания (
)
Рисунок 27 – Переходные функции колебательных звеньев при изменении постоянной времени (
) и неизменном декременте затухания (
)
-
Исследование частотных характеристик колебательного звена при изменении постоянной времени (
) и неизменном коэффициенте демпфирования (
)
Для исследования колебательного звена при изменении постоянной времени (
) и неизменном декременте затухания (
) в прикладном пакете Proteus\ISIS составляем структурную схему, представленную на рисунке 28. Логарифмические частотные характеристики колебательного звена представлены на рисунке 29, графики переходной функции – на рисунке 30.
Рисунок 28 – Структурная схема для исследования колебательных звеньев при изменении постоянной времени (
) и неизменном декременте затухания (
)
Рисунок 29 – Логарифмические частотные характеристики колебательных звеньев при изменении постоянной времени (
) и неизменном декременте затухания (
)
Рисунок 30 – Переходные функции колебательных звеньев при изменении постоянной времени (
) и неизменном декременте затухания (
)
-
Исследование частотных характеристик колебательного звена при неизмененной постоянной времени (
) и изменении декремента затухания (
).
Для исследования колебательного звена при неизмененной постоянной времени (
) и изменении коэффициента демпфирования (
) в прикладном пакете Proteus\ISIS составляем структурную схему, представленную на рисунке 31. Логарифмические частотные характеристики колебательного звена представлены на рисунке 32, графики переходной функции – на рисунке 33.
Рисунок 31 – Структурная схема для исследования колебательного звена при неизмененной постоянной времени (
) и изменении декремента затухания (
)
Рисунок 32 – Логарифмические частотные характеристики колебательных звеньев при изменении постоянной времени (
) и неизменном декременте затухания (
)
Рисунок 33 – Переходные функции колебательного звена при неизмененной постоянной времени (
) и изменении декремента затухания (
)
-
Реализация колебательного звена
Реализуем колебательное звено с постоянной времени
и коэффициентом демпфирования
на
-контуре (рисунок 34). ЛАЧХ и ЛФЧХ данного звена и необходимого колебательного звена представлены на рисунке 35, а, а их переходные функции – на рисунке 35, б.
Рисунок 34 – Электрическая принципиальная схема колебательного
-контура
а) б)
а) ЛАЧХ и ЛФЧХ;б) переходная функция
Рисунок 35 – Характеристики колебательного звена и
-контура
При анализе графиков частотных характеристик и переходных процессов (рисунок 35) колебательных звеньев можно сделать следующие выводы:
-
увеличение (уменьшение) постоянной времени звена при неизменном декременте затухания приводит к сдвигу частотных характеристик влево (вправо).
-
при неизменном коэффициенте демпфирования увеличение постоянной времени звена приводит к сужению полосы пропускания; колебательность переходного процесса не меняется.
-
при неизменной постоянной времени увеличение (уменьшение) коэффициента демпфирования приводит к уменьшению (увеличению) колебательности переходного процесса и к более плавной ЛФЧХ.
-
при неизменной постоянной времени увеличение (уменьшение) коэффициента демпфирования приводит к уменьшению (увеличению) перерегулирования, сужению (расширению) полосы пропускания и уменьшению (увеличению) колебательности.
-
Исследование дифференцирующих звеньев
-
Исследование частотных характеристик идеального дифференцирующего звена
Для исследования частотных характеристик идеального дифференцирующего звена в прикладном пакете Proteus\ISIS составляем структурную схему, представленную на рисунке 36. Логарифмические частотные характеристики идеального дифференцирующего звена представлены на рисунке 37, график переходной функции – на рисунке 38.
Рисунок 36 – Структурная схема для исследования идеального дифференцирующего звена
Рисунок 37 – Логарифмические частотные характеристики идеального дифференцирующего звена
Рисунок 38 – Переходная функция идеального дифференцирующего звена
-
Реализация идеального дифференцирующего звена
Реализуем идеальное дифференцирующее звено схемой, изображенной на рисунке 39. ЛАЧХ и ЛФЧХ дифференцирующего звена представлены на рисунках 40 и 41, переходная функция – на рисунке 42.
Рисунок 39 – Электрическая принципиальная схема дифференцирующего звена
Рисунок 40 – ЛАЧХ и ЛФЧХ дифференцирующего звена
Рисунок 41 – ЛАЧХ и ЛФЧХ дифференцирующего звена с инвертором
а)
б)
Рисунок 42 – Переходная функция схемы реализации идеального дифференцирующего звена
-
Исследование частотных характеристик реального дифференцирующего звена
Для исследования частотных характеристик реального дифференцирующего звена в прикладном пакете Proteus\ISIS составляем структурную схему, представленную на рисунке 43. Логарифмические частотные характеристики реального дифференцирующего звена представлены на рисунке 44, переходные функции – на рисунке 45.
Рисунок 43 – Структурная схема для исследования реального дифференцирующего звена
Рисунок 44 – Логарифмические частотные характеристики реального дифференцирующего звена
Рисунок 45 – Переходные функции реального дифференцирующего звена
-
Реализация реального дифференцирующего звена
Реализуем реальное дифференцирующее звено с помощью схем, изображенных на рисунке 46. ЛАЧХ и ЛФЧХ дифференцирующего звена представлены на рисунках 47, переходные функции – на рисунке 48.
а)б)
а)
-цепочка;б)
-цепочка
Рисунок 46 – Электрические принципиальные схемы реального дифференцирующего звена
Рисунок 47 – ЛАЧХ и ЛФЧХ схем реализации дифференцирующего звена
Рисунок 48 – Переходная функция схемы реального дифференцирующего звена
-
Исследование интегрирующих звеньев
-
Исследование частотных характеристик идеального интегрирующего звена
Для исследования частотных характеристик идеального интегрирующего звена в прикладном пакете Proteus\ISIS составляем структурную схему, представленную на рисунке 49. Логарифмические частотные характеристики идеального интегрирующего звена представлены на рисунке 50, график переходной функции – на рисунке 51.
Рисунок 49 – Структурная схема для исследования идеального интегрирующего звена
Рисунок 50 – Логарифмические частотные характеристики идеального интегрирующего звена
Рисунок 51 – Переходная функция идеального интегрирующего звена
-
Реализация идеального интегрирующего звена
Реализуем идеальное интегрирующее звено схемой, изображенной на рисунке 52. ЛАЧХ и ЛФЧХ интегрирующего звена представлены на рисунках 53 и 54, переходная функция – на рисунке 55.
Рисунок 52 – Электрическая принципиальная схема интегрирующего звена
Рисунок 53 – ЛАЧХ и ЛФЧХ интегрирующего звена
Рисунок 54 – ЛАЧХ и ЛФЧХ интегрирующего звена с инвертором
Рисунок 55 – Переходная функция схемы реализации идеального интегрирующего звена
-
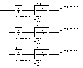
Исследование частотных характеристик реального интегрирующего звена
Для исследования частотных характеристик реального интегрирующего звена в прикладном пакете Proteus\ISIS составляем структурную схему, представленную на рисунке 56. Логарифмические частотные характеристики реального интегрирующего звена представлены на рисунке 57, переходные функции – на рисунке 58.
















