150557 (566884)
Текст из файла
Практическая работа
По курсу «Переходные электромагнитные процессы»
-
При симметричном трёхфазном коротком замыкании в заданной точке «К» схемы определить аналитическим путём, а также методом расчетных кривых, начальное значение периодической составляющей тока и ударный ток.
-
Используя метод расчетных кривых, определить величину тока при несимметричном коротком замыкании К(1) в этой же точке для начального момента времени, через 0.2 с после начала короткого замыкания и в установившемся режиме.
-
Построить векторные диаграммы токов и напряжений в точке короткого замыкания для начального момента времени.
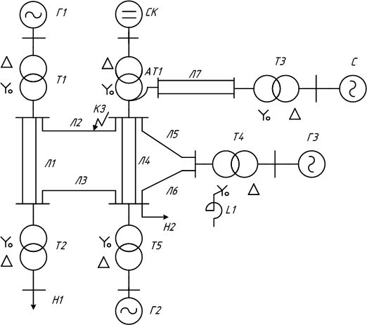
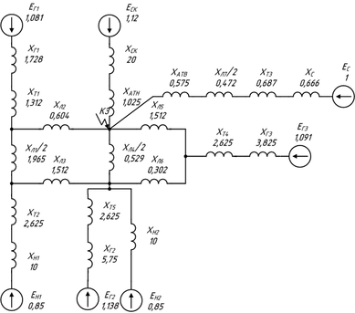
Схема задания показана на рисунке 1.1 .
Рисунок 1.1 – Расчетная схема задания
Исходные данные для произведения расчетов.
Таблица 1- параметры оборудования
| Наименование обородувания | Тип оборудования | Sн,МВА | Uн,кВ | cosφ | x’’d | x2 |
|
| ||
| Генераторы |
|
|
|
|
|
|
|
| ||
| Г1 | ТВФ-63-2ЕУЗ | 78,75 | 10,5 | 0,8 | 0,136 | 0,166 |
|
| ||
| Г2 | СВ-850/120 | 40 | 10,5 | 0,8 | 0,23 | 0,2 |
|
| ||
| Г3 | ТВС-32-2ЕУЗ | 40 | 10,5 | 0,8 | 0,153 | 0,187 |
|
| ||
| Синхронный компенсатор |
| Sн,МВА | Uн,кВ | cosφ | x’’d |
|
|
| ||
| СК | КС-10-10УЗ | 10 | 10,5 | 0,9 | 0,2 |
|
|
| ||
| Трансформаторы |
| Sн,МВА | Uк,% | cosφ | Uквн,% | Uксн,% | Uквс,% | Uнн,кВ | Uнс,кВ | Uнв,кВ |
| Т1 | ТДН-80/110 | 80 | 10,5 | 0,8 |
|
|
| 38,5 |
| 115 |
| Т2,Т4,Т5 | ТДН-40/110 | 40 | 10,5 | 0,8 |
|
|
| 38,5 |
| 115 |
| Т3 | ТЦ-160/200 | 160 | 11 | 0,8 |
|
|
| 15,75 |
| 242 |
| АТ1 | АТДЦТН-200/220/110 | 200 |
|
| 32 | 20 | 11 | 6,6 | 121 | 230 |
| ЛЭП | Длина, км |
|
|
|
|
|
| Х0,Ом/км | ||
| Л1 | 130 |
|
|
|
|
|
| 0,4 | ||
| Л2 | 20 |
|
|
|
|
|
| 0,4 | ||
| Л3 | 50 |
|
|
|
|
|
| 0,4 | ||
| Л4 | 35 |
|
|
|
|
|
| 0,4 | ||
| Л5 | 50 |
|
|
|
|
|
| 0,4 | ||
| Л6 | 10 |
|
|
|
|
|
| 0,4 | ||
| Л7 | 125 |
|
|
|
|
|
| 0,4 | ||
| Реактор |
| Uн,кВ | Iн,А | хр,% |
|
|
|
| ||
| L1 | РТМТ-35-200-6 | 35 | 200 | 6 |
|
|
|
| ||
| Нагрузки | Sн,МВА |
|
|
|
|
|
|
| ||
| Н1,Н2 | 35 |
|
|
|
|
|
|
| ||
| Система | Sс,МВА |
|
|
|
|
|
|
| ||
| С | 1500 |
|
|
|
|
|
|
| ||
Задание 1
1.1 Аналитический метод расчета
Выбираем базисную мощность и базовое напряжение Sб = 1000 МВА, Uб=115 кВ.
Рассчитываем ЕДС генераторов, нагрузок, а также рассчитываем реактивные сопротивления элементов в относительных единицах в схеме.
Для генераторов:
;
;
;
;
;
;
;
.
Для трансформаторов:
2х обмоточные
;
;
;
;
автотрансформаторы
;
;
;
;
;
;
;
;
;
;
;
.
Для линий электропередач:
, где
;
;
;
;
;
;
;
.
Для системы:
;
.
Для нагрузок:
;
;
;
.
Для реактора:
;
;
;
.
Для синхронного компенсатора:
;
;
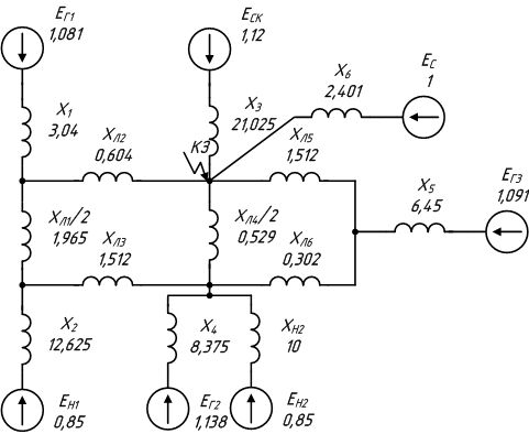
Рисунок 1.2 – Схема замещения расчетной схемы
;
.
Рисунок 1.3 – Первый шаг преобразования схемы замещения
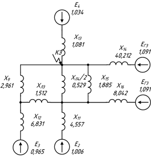
;
;
Х3 = ХСК+ХАТН = 20+1,025 = 21,025; Х4 = ХТ5 +ХГ2 = 2,625 +5,75 = 8,375;
Х5 = ХТ4+ХГ3 = 2,625+3,825 = 6,45;
Х6 = ХАТВ+Хл7/2+ХТ3+ХС = 0,575+0,945/2+0,666 = 2,401.
Рисунок 1.4 - Второй шаг преобразования схемы замещения
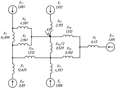
Х7 = Х1+ХЛ1/2+(Х1*ХЛ1/2)/ХЛ2 = 3,04+3,931/2+(3,04*3,931/2)/0,604 = 14,889;
Х8 = Х1+ХЛ2+(Х1*ХЛ2)/(ХЛ1/2) = 3,04+0,604+3,04*0,604/(3,931/2) = 4,581;
Х9 = ХЛ1/2+ХЛ2+(ХЛ1/2*ХЛ2)/Х1 = 2,961;
Х10 = (Х3*Х6)/(Х3+Х6) = (21,025*2,401)/(21,025+2,401) = 2,155;
Х11 = (Х4*ХН2)/(Х4+ХН2) = (8,375*10)/(8,375+10) = 4,557;
Е1 =(ЕС*Х3+ЕСК*Х6)/(Х3+Х6) = (1*21,025+1,12*2,401)(21,025+2,401) = 1,012;
Е2 =(ЕН2*Х4+ЕГ2*ХН2)/(Х4+ХН2) = (0,85*8,375+1,138*10)/(8,375+10) = 1,006.
Рисунок 1.5 – Третий шаг преобразования схемы замещения
Характеристики
Тип файла документ
Документы такого типа открываются такими программами, как Microsoft Office Word на компьютерах Windows, Apple Pages на компьютерах Mac, Open Office - бесплатная альтернатива на различных платформах, в том числе Linux. Наиболее простым и современным решением будут Google документы, так как открываются онлайн без скачивания прямо в браузере на любой платформе. Существуют российские качественные аналоги, например от Яндекса.
Будьте внимательны на мобильных устройствах, так как там используются упрощённый функционал даже в официальном приложении от Microsoft, поэтому для просмотра скачивайте PDF-версию. А если нужно редактировать файл, то используйте оригинальный файл.
Файлы такого типа обычно разбиты на страницы, а текст может быть форматированным (жирный, курсив, выбор шрифта, таблицы и т.п.), а также в него можно добавлять изображения. Формат идеально подходит для рефератов, докладов и РПЗ курсовых проектов, которые необходимо распечатать. Кстати перед печатью также сохраняйте файл в PDF, так как принтер может начудить со шрифтами.















