150557 (566884), страница 3
Текст из файла (страница 3)
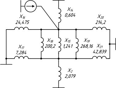
Х14 = (Х6*Х7) /(Х6+Х7) = (0,741*3,261)/(0,741+3,261) = 0,604;
Х15 = (Х4*Х10) /(Х4+Х10) = (1,588*5,697)/(1,588+5,697) = 1,240;
Х16 = Х9+Х13+Х9*Х13 /3ХЛ3 = 15,867+2,136+15,867*2,136/3*1,512 = 25,475;
Х17 = Х13+3ХЛ3+Х13*3ХЛ3 /Х9 = 2,136+3*1,152+2,136*3*1,512/15,867 = 7,284;
Рисунок 2.7 – Четвёртый шаг преобразования схемы замещения нулевой последовательности
Х18 = Х9+3ХЛ3+Х9*3ХЛ3 /Х13 = 15,867+3*1,512+15,867*3*1,512/2,136 = 200,202;
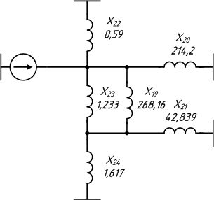
Х19 = Х11+Х12+Х11*Х12 /Х5 = 109,366+21,873+109,366*21,873/16,48 = 268,159;
Х20 = Х11+Х5+Х11*Х5 /Х12 = 109,366+16,48+109,366*16,48/21,873 = 214,195;
Х21 = Х5+Х12+Х5*Х12 /Х11 = 16,48+21,873+16,48*21,873/109,366 = 42,839;
Рисунок 2.8 – Пятый шаг преобразования схемы замещения нулевой последовательности
Х22 = (Х14*Х16) /(Х14+Х16) = (0,604*25,475)/(0,604+25,475) = 0,590;
Х23 = (Х15*Х18) /(Х15+Х18) = (1,240*200,202)/(1,240+200,202) = 1,233;
Х24 = (Х2*Х17) /(Х2+Х17) = (2,079*7,284)/(2,079+7,284) = 1,617;
Рисунок 2.9 – Шестой шаг преобразования схемы замещения нулевой последовательности
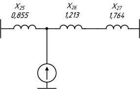
Х25 = (Х22*Х20) /(Х22+Х20) = (0,590*214,195)/(0,590+214,195) = 0,855;
Х26 = (Х19*Х23) /(Х19+Х23) = (268,159*1,233)/(268,159+1,233) = 1,213;
Х27 = (Х21*Х24) /(Х21+Х24) = (42,839*1,617)/(42,839+1,617) = 1,764;
Рисунок 2.10 - Седьмой шаг преобразования схемы замещения нулевой последовательности
Х28 = Х26+Х27 = 1,227+1,588 = 2,978;
Рисунок 2.11 – Восьмой шаг преобразования схемы замещения нулевой последовательности
Х29 = (Х28*Х25) /(Х28+Х25) = (2,978*0,855)/(2,978+0,855) = 0,665;
Сопротивление нулевой последовательности: X∑0 = 0,665
Нахождение тока однофазного короткого замыкания.
Найдем Х∆ :Х∆ = Х∑2 +X∑0 = 0,906+0,665 = 1,571;
Найдем коэффициенты распределения токов:
СТГ= Х∑1/ХТГ = 0,902/1,857 = 0,486;
СГГ = Х∑1/ХГГ = 0,902/9,457= 0,096
ССК = Х∑1/ХСК = 0,902/21,025 = 0,043;
СС = Х∑1/ХС = 0,902/2,401 = 0,375;
Найдем расчетные сопротивления генераторов и системы:
ХрассчТТ= (Х∑1+ Х∆)/Стг *(S∑)/ Sб ;
Храссч.ТГ = (0,902+1,571)/0,486*(40+78,75)/1000 = 0,604;
Храссч.ГГ = (0,902+0,1,571)/0,096*(40)/1000 = 1,037;
Храссч.С = (Х∑1+ Х∆)/СС *SС/ Sб = (0,902+0,1,571)/0,375*1500/1000 = 9,875;
Храссч.СК = (Х∑1+ Х∆)/ССК *SСК/ Sб = (0,902+1,571)/0,043*10/1000 = 0,576;
По расчетным кривым определим расчетные токи для генераторов в моменты времени 0, 0,2 и с.:
Iрассч.ТГ 0 = 1,62; Iрассч.ТГ 0,2 = 1,43; Iрассч.ТГ ∞ = 1,63
Iрассч.ГГ 0 = 1,02; Iрассч.ГГ 0,2 = 1,01; Iрассч.ГГ ∞ = 1,3
Найдем расчетный ток системы :
IрассчС = 1/XрассчС = 1/9,875 = 0,101;
IрасчСК = ЕСК/ХрасчСК = 1,12/0,576 = 1,943;
Рассчитаем номинальный ток генераторов, синхронного компенсатора и системы:
Iн∑ТГ = 118,75 /(√3 115 ) = 0,596 кА
Iн∑ГГ = 40 /(√3 115 ) = 0,20 кА
Iн∑С = 1500 /(√3 115 ) = 7,531 кА.
Iн∑СК = 10 /(√3 115 ) = 0,050 кА.
Коэффициент взаимосвязи токов: m(1) = 3
Рассчитаем периодическую составляющую тока короткого замыкания для заданного момента времени:
IП0 = m(Iрассч.ТГ0* Iн∑ТГ+ Iрассч.ГГ0* Iн∑ГГ+ IрассчС *IнС+ IрассчСК *IнСК)
IП0= m*(IрасчТГ0*IнсумТГ+IрасчГГ 0*IнсумГГ+IрасчС*IнС+IрасчСК*IнСК)
IП0 = 3*(1,62*0,596+1,02*0,20+0,101*7,531+1,943*0,050) = 6,092кА
IП0,2 = m*(IрасТг0,2*IнсумТг+IрасчГг0,2*IнсумГг+IрасчС*IнС+IрасчСК*IнскмСК)
IП0,2 = 3*(1,43*0,596+1,01*0,20+0,101*7,531+1,943*0,050)= 5,746 кА
IП∞ = m*(IрасТГ∞* IнсумТГ +IрасчГГ∞ *IнсумГГ +IрасчС*IнС+IрасчСК*IнСК)
IП∞ = 3*(1,63*0,596+1,3*0,20+0,101*7,531+1,943*0,050)= 6,278 кА
Задание 3
Построение векторной диаграммы токов и напряжений в точке короткого замыкания для начального момента времени.
Граничные условия
IКB1 = 0;
IКC1 = 0;
UКА = 0;
Найдем прямую, обратную и нулевую последовательность тока короткого замыкания:
IКА1= IКА2= IКА0= Iп0/3 = 6,092/3 = 2,03 кА;
Рассчитаем напряжение прямой последовательности фазы А:
UКА1 = j*IКА1*(Х∑2 +X∑0) = j*2,03*(11,985+8,798) = j42,2 кВ
Рассчитаем напряжение обратной последовательности фазы А:
UКА2 = -j*IКА2*Х∑2 = -j*2,03*11,985 = -j24,33 кВ
Найдем напряжение нулевой последовательности фазы А:
UКА0 = -j*IКА0*X∑0 = -j*2,03*8,798 = -j17,867 кВ
Рассчитаем напряжения короткого замыкания фаз В и С:
UКВ = j*IКА1*[Х∑2*(а2-а)+X∑0(а2-1)] = j*2,03*[11,985*(а2-а)+8,798*(а2-1)]
UКВ = j*2,03*[11,985*(-j*
)+8,798*(-0,5-j*
/2-1)] = 57,62-j26,8 кВ
UКС = j*IКА1*[Х∑2*(а-а2)+X∑0(а-1)] = j*1,246*[0,314*(а-а2)+0,485*(а-1)]
UКC = j*2,03*[11,985*(j*
)+8,798*(-0,5+j*
/2-1)] = -57,62-j26,8 кВ
Найдем модули напряжений короткого замыкания фаз В и С:
|UКВ| = 63,55 кВ
|UКC| = 63,55 кВ
Векторная диаграмма токов и напряжений представлена на рисунке 3.1, масштаб: 1см = 8,44 кВ; 1см = 0,8 кА .















