150557 (566884), страница 2
Текст из файла (страница 2)
Х12 = (Х7*Х2)/(Х7+Х2) = (14,889*12,625)/(14,889+12,625) = 6,831;
Х13 = (Х8*Х10)/(Х8+Х10) = (4,581*2,155)/(4,581+2,155) = 1,465;
Х14 = ХЛ5+Х5+ХЛ5*Х5/ХЛ6 =1,512+6,45+1,512*6,45/0,302 = 40,212;
Х15 = ХЛ5+ХЛ6+ХЛ5*ХЛ6/Х5 = 1,512+0,302+1,512*0,302/6,45 = 1,885;
Х16 = Х5+ХЛ6+Х5*ХЛ6)/ХЛ5 = 6,45+0,302+6,45*0,302/1,512 = 8,042;
Е3 =(ЕН1*Х7+ЕГ1*Х2)/(Х7+Х2) =
(0,85*14,889+1,081*12,625)/(14,889+12,625) = 0,956;
Е4 =(Е1*Х8+ЕГ1*Х10)/(Х8+Х10) = (0,85*4,581+1,081*2,155)/(4,581+2,155) = 1,034.
Рисунок 1.6 – Четвёртый шаг преобразования схемы замещения
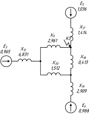
Х17 = (Х13*Х14)/(Х13+Х14) = (1,465*40,212)/(1,465+40,212) = 1,414;
Х18 = (Х15*ХЛ4/2)/(Х15+ХЛ4/2) = (1,885*1,058/2)/(1,885+1,058/2) = 0,413;
Х19 = (Х11*Х16)/(Х11+Х16) = (4,557*8,042)/(4,557+8,042) = 2,909.
Е5 =(Е4*Х14+ЕГ3*Х13)/(Х14+Х13) =
(1,034*40,212+1,091*1,465)/(40,212+1,465) = 1,036.
Е6 =(Е2*Х16+Е3*Х11)/(Х11+Х16) =
(1,006*8,042+0,956*4,557)/(8,042+4,557) = 0,988.
Рисунок 1.7 – Пятый шаг преобразования схемы замещения
Х20 = (Х9*ХЛ3)/(Х9+ХЛ3+Х18) = (2,961*1,512)/(2,961+1,512+0,413) = 0,916;
Х21 = (Х9*Х18)/(Х9+ХЛ3+Х18) = (2,961*0,413)/(2,961+1,512+0,413) = 0,250;
Х22 = (Х18*ХЛ3(Х9+ХЛ3+Х18) = (0,413*1,512)/(2,961+1,512+0,413) = 0,127;
Рисунок 1.8 – Шестой шаг преобразования схемы замещения
Х23 = Х12+Х20 = 6,831+0,916 = 7,748;
Х24 = Х19+Х22 = 2,909+0,127 = 3,037;
Х25 = (Х23*Х24)/(Х23+Х24) = (7,748*3,037)/(7,748+3,037) = 2,181;
Х26 = Х25+Х21 = 2,181+0,250 = 2,432;
Е7 =(Е3*Х24+Е6*Х23)/(Х24+Х23) =
(0,956*3,037+0,988*7,748)/(3,307+7,748) = 0,979.
Рисунок 1.9 – Седьмой шаг преобразования схемы замещения
Е8 = (Е7*Х17+Е5*Х26)/(Х17+Х26) =
(0,979*1,414+1,036*2,432)/(1,414+2,432) = 1,021;
Х27 = (Х17*Х26)/(Х17+Х26) = (1,414*2,432)/(1,414+2,432) = 0,894.
Нахождение тока короткого замыкания
Iп = E∑ / X∑ = 1,021/ 0,894 = 1,141;
Ток К.З. в именованных единицах:
Iп = IпIб = 1,1411000/(1,732*115) = 5,732 кA
Ударный ток короткого замыкания:
Iу = 1,414Ку Iп = 1,414 1,8 5,732 = 14,590кA.
1.2 Метод расчётных кривых
Для решения свернем схему замещения, не смешивая при этом турбо- и гидрогенераторы, систему и синхронный компенсатор, убрав при этом из схемы замещения нагрузки, так они удаленны от точки короткого замыкания.
Также воспользуемся расчётными данными, полученными в аналитическом методе.
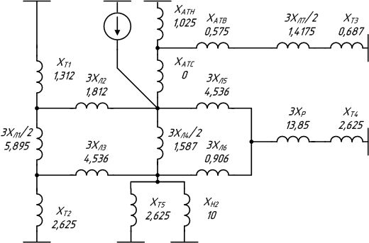
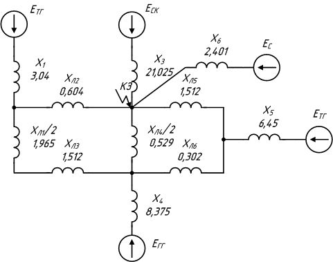
Х1 =ХГ1+ХТ1 = 1,728+1,313 = 3,04; Х2 = ХТ2+ХН1 = 2,625+10 = 12,625;
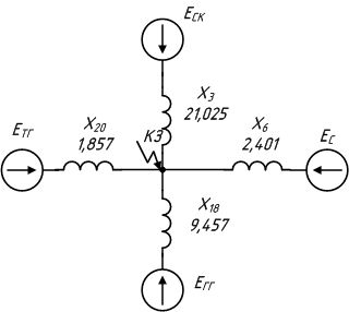
Х3 = ХСК+ХАТН = 20+1,025 = 21,025; Х4 = ХТ5 +ХГ2 = 2,625 +5,75 = 8,375;
Х5 = ХТ4+ХГ3 = 2,625+3,825 = 6,45;
Х0 = ХЛ1/2+ХЛ3 = 3,931/2+1,512 = 3,478;
Рисунок 1.10 – Первый шаг преобразования схемы замещения
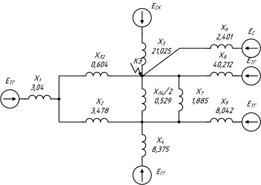
Х6 = ХАТВ+Хл7/2+ХТ3+ХС = 0,575+0,945/2+0,666 = 2,401
Рисунок 1.11 – Второй шаг преобразования схемы замещения
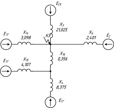
Х7 = ХЛ5+ХЛ6+ХЛ5*ХЛ6/Х5 = 1,512+0,302+1,512*0,302/6,45 = 1,885;
Х8 = ХЛ5+Х5+ХЛ5*Х5/ХЛ6 = 6,45+1,512+6,45*6,45/0,302 = 40,212;
Х9 = ХЛ6+Х5+Х5*ХЛ6/ХЛ5 = 0,302+6,45+6,45*0,302/1,512 = 8,042;
Х10 = (ХЛ4/2*Х7)/(ХЛ4/2+Х7) = (1,058/2+1,885)/(1,058/2+1,885) = 0,413;
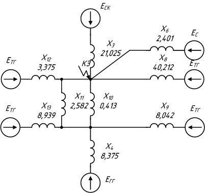
Рисунок 1.12 – Третий шаг преобразования схемы замещения
Х11 = ХЛ2+Х0+ХЛ2*ХЛ3/Х1 = 0,604+3,478+0,604*1,512/3,04 = 2,582;
Х12 = ХЛ2+Х1+ХЛ2*Х1/Х0 = 0,604+3,931+0,604*3,04/3,478 = 3,357;
Х13 = Х1+Х0+Х1*Х0/ХЛ2 = 3,04+3,478+3,478*3,04/0,604 = 8,939;
Рисунок 1.13 – Четвертый шаг преобразования схемы замещения
Х14 = (Х12*Х8)/(Х12+Х8) = (3,357*40,212)/(3,357+40,212) = 3,098;
Х15 = (Х9*Х13)/(Х9+Х13) = (8,042*8,939)/(8,042+40,212) = 4,107;
Х16 = (Х11*Х10)/(Х11+Х10) = (2,582+0,413)/(2,582+0,413) = 0,356.
Рисунок 1.14 – Пятый шаг преобразования схемы замещения
Х17 = Х16+Х15+Х16*Х15/Х4 = 0,356+4,107+0,356*4,107/8,375 = 4,638;
Х18 = Х16+Х4+Х16*Х4/Х15 = 0,356+8,375+0,356*8,375/4,107 = 9,457;
Х19 = Х4+Х15+Х4*Х15/Х16 = 8,375+4,107+8,375*14,107/0,356 = 109,026;
Х20 = (Х14*Х17)/(Х14+Х17) = (3,098*4,638)/(3,098+4,638) = 1,857.
По расчетным кривым найдем расчетные токи генераторов:
ХрасчГГ = Х18*(SсумГГ/Sб) = 9,457*(40/1000) = 0,378;
ХрасчТГ = Х20*(SсумТГ/Sб) = 1,857*((78,75+40)/1000) = 0,220;
ХрасчС = Х6*(SС/Sб) = 2,401*(40/1000) = 3,602;
ХрасчСК= Х3*(Sск/Sб) = 21,025*(10/1000) = 0,210;
I*пСК = ЕСК/ХрасчСК = 1,12/0,21 = 5,326;
I*пС = 1/ХрасчС = 3,602 ;
По расчетным кривым найдем расчетные токи генераторов:
I*пГ = 3,08
I*пТ = 4,6;
IпсумТ = SсумТ/√3*Uб = 118,75/1,732*115 = 0,596 кА;
IпсумГ = SсумГ/√3*Uб = 40/1,732*115 = 0,2 кА;
IпсумС = Sс/√3*Uб = 1000/1,732*230 = 7,53 кА;
IпсумСК = Sск/ √3*Uб = 10/1,732*115 = 0,05 кА;
Рассчитаем периодическую составляющую тока короткого замыкания:
Iп=I*пТ*IпсумТ+I*пГ*IпсумГ+I*пС*IпсумС+IпсумСК*I*пСК= =4,6*0,596+3,08*0,2+3,602*7,53+5,326*0,05 = 5,71 кА;
Найдем ударный ток короткого замыкания:
Iу = 1,414Ку Iп = 1,414 1,8 6,445 =14,55 кА;
Полученный ток отличается от рассчитанного в предыдущем методе на
Δ%=((Iп-Iп)/Iп)*100% = 0,2%.
Задание 2
Использую метод расчетных кривых, определить величину тока при несимметричном коротком замыкании К(1) в этой же точке для начального момента времени, 0,2с после начала короткого замыкания и в установившемся режиме.
Для нахождения тока однофазного короткого замыкания нужно найти сопротивления прямой, обратной и нулевой последовательностей.
Ток прямой последовательности находится по данным метода расчетных кривых:
Х∑1=1/(1/X18 + 1/X20+ 1/X3+1/X36 ) =
1/(1/9,457+1/1,857+1/21,025+1/2,401) = 0,902;
Найдем сопротивление обратной последовательности генераторов:
Xг1 = х2 Sб/Sнг = 0,1661000/ 78,75 = 2,108;
Xг2 = х2 Sб/Sнг = 0,2 1000/40 = 5;
Xг3 = 0,153 1000/40 = 4,675;
Найдем сопротивление обратной последовательности для заданной схемы по шагам метода расчетных кривых:
Х1 =ХГ1+ХТ1 = 2,108+1,313 = 3,42; Х2 = ХТ2+ХН1 = 2,625+10 = 12,625;
Х3 = ХСК+ХАТН = 20+1,025 = 21,025; Х4 = ХТ5 +ХГ2 = 2,625 +5 = 7,625;
Х5 = ХТ4+ХГ3 = 2,625+4,675 = 7,3;
Х6 =ХЛ1/2+ХЛ3 = 3,931/2+1,512 = 2,401;
Х7 = ХЛ5+ХЛ6+ХЛ5*ХЛ6/Х5 = 1,512+0,302+1,512*0,302/7,3 = 1,885;
Х8 = ХЛ5+Х5+ХЛ5*Х5/ХЛ6 = 7,3+1,512+6,45*7,3/0,302 = 45,312;
Х9 = ХЛ6+Х5+Х5*ХЛ6/ХЛ5 = 0,302+7,3+7,3*0,302/1,512 = 9,062;
Х10 = (ХЛ4/2*Х7)/(ХЛ4/2+Х7) = (1,058/2+1,885)/(1,058/2+1,885) = 0,413;
Х11 = ХЛ2+ХЛ3+ХЛ2*ХЛ3/(ХЛ1/2) = 0,604+1,512+0,604*1,512/(3,931/2) = 2,582;
Х12 = ХЛ2+ХЛ1/2+(ХЛ2*ХЛ1/2)/ХЛ3 = 0,604+3,931/2+(0,604*3,931/2)/1,512 = 3,357;
Х13 = ХЛ1/2+ХЛ3+(ХЛ1/2*ХЛ3)/ХЛ2 = 3,931/2+1,512+(3,931/2*1,512)/0,604 = 8,939;
Х14 = (Х12*Х8)/(Х12+Х8) = (3,357*40,212)/(3,357+40,212) = 3,125;
Х15 = (Х9*Х13)/(Х9+Х13) = (8,042*8,939)/(8,042+40,212) = 4,375;
Х16 = (Х11*Х10)/(Х11+Х10) = (2,582+0,413)/(2,582+0,413) = 0,355.
Х17 = Х16+Х15+Х16*Х15/Х4 = 0,355+4,375+0,355*4,375/7,625 = 4,916;
Х18 = Х16+Х4+Х16*Х4/Х15 = 0,355+7,625+0,355*7,625/4,375 = 8,603;
Х19 = Х4+Х15+Х4*Х15/Х16 = 7,625+4,107+7,625*14,107/0,355 = 105,3;
Х20 = (Х14*Х17)/(Х14+Х17) = (3,125*4,916)/(3,125+4,916) = 1,19.
Суммарное сопротивление обратной последовательности:
Х∑2 =1/(1/X18 + 1/X20+ 1/X3+1/Х6) = 1/(1/8,603+1/1,19+1/21,025+1/2,401) = 0,906.
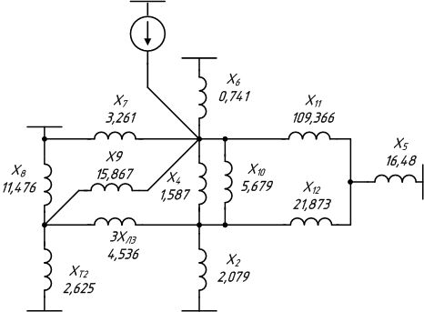
Найдем сопротивление нулевой последовательности. Для этого сопротивления линий и сопротивление реактора увеличим в три раза.
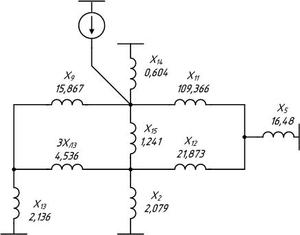
Рисунок 2.3- Схема замещения нулевой последовательности
Рисунок 2.4 – Первый шаг преобразования схемы замещения нулевой последовательности
Х1 = 3ХЛ1/2 = 3*3,931/2 = 5,897;
Х2 = (ХТ5*ХН2) /(ХТ5+ХН2) = (2,625*10)/(2,625+10) = 2,079;
Х3 = ХАТВ+ХТ3+3ХЛ7 /2 = 0,575+0,687+3*0,945/2 = 2,680;
Х4 = 3ХЛ4 /2 = 3*1,058/2 = 1,588;
Х5 = 3ХР+ХТ4 = 3*4,618+2,625 = 16,48;
Х6 = (ХАТН*Х3) /(ХАТН+Х3)+ХАТС = (1,025*2,680)/(1,025+2,680)+0 = 0,741;
Х7 = ХТ1+3ХЛ2+ХТ1*3ХЛ2 /Х1 = 1,312+9*0,604+1,312*3*0,604/5,897 = 3,261;
Х8 = ХТ1+Х1+ХТ1*Х1/3ХЛ2 = 1,312+5,897+1,312*5,897/3*0,604 = 11,476;
Х9 = Х1+3ХЛ2+Х1*3ХЛ2 /ХТ1 = 5,897+3*0,604+5,897*3*0,604/1,312 = 15,867;
Х10 = 3ХЛ5+3ХЛ6+3ХЛ5*3ХЛ6 /Х5 = 3*1,512+3*0,302+9*1,512*0,302/17,471 = 5,679;
Х11 = 3ХЛ5+Х5+3ХЛ5*Х5 /3ХЛ6 = 3*1,512+17,471+3*1,512*17,471/3*0,302 = 109,366;
Х12 = 3ХЛ6+Х5+3ХЛ6*Х5 /3ХЛ5 = 3*0,302+17,471+3*0,302*17,471/3*1,512 = 21,873;
Рисунок 2.5 – Второй шаг преобразования схемы замещения нулевой преобразования
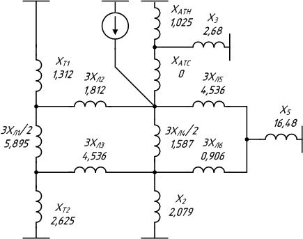
Рисунок 2.6 – Третий шаг преобразования схемы замещения нулевой последовательности
Х13 = (Х8*ХТ2) /(ХТ2+Х8) = (11,476*2,625)/(11,476+2,625) = 2,136;















