62360 (566026)
Текст из файла
Міністерство освіти та науки України
Державний вищий навчальний заклад
„Лисичанський нафтохімічний технікум”
ЖУРНАЛ
Лабораторні роботи
( звіти )
5.05130103.ЕОЕ.096.00.00.ЛР
Перевірив викладач
_______ З. І. Вахрамєєва
Виконав студент
_________ Д. I. Левченко
Лисичанськ
2009
ЗМІСТ
Лабораторна робота № 1 „Ознайомлення з правилами техніки безпеки, правилами збірки схем і правилами користування електровимірювальною апаратурою”
Лабораторна робота № 2 „Дослідження схем з’єднання резисторів”
Лабораторна робота № 3 „Перевірка амперметра і вольтметра”
Лабораторна робота № 4 „ Паралельне з’єднання індуктивної котушки і конденсатора. Компенсація потужності”
Лабораторна робота № 5 „Дослідження трифазного кола при з’єднанні споживача зіркою”
Лабораторна робота № 6 „Дослідження режимів однофазного трансформатора”
Лабораторна робота № 7 „Зняття робочих характеристик трифазного асинхронного двигуна з короткозамкненим ротором”
Лабораторна робота № 8 „Збірка і перевірка роботи схем релейно-контакторного управління трифазним асинхронним двигуном з короткозамкненим ротором”
Лабораторна робота №9 „Визначення втрат напруги і потужності у проводах ЛЕП”
Лабораторна робота № 10 „Дослідження роботи однонапівперіодного і двохнапівперіодного однофазного випрямлячів”
Лабораторна робота № 1
„Ознайомлення з правилами техніки безпеки, правилами збірки схем і правилами користування електровимірювальною апаратурою”
Мета роботи: ознайомитися з правилами техніки безпеки, правилами збірки схем і правилами користування електровимірювальною апаратурою
ВИКОНАННЯ РОБОТИ
Ознайомитися з правилами техніки безпеки
Ознайомитися з правилами збірки схем
Ознайомитися з правилами користування вимірювальної апаратури:
Оглянути зовнішній вигляд пристрою
Визначити призначення пристрою
Ознайомитися з інструкцією; технічною характеристикою пристрою; правилами користування;
Визначити діапазон вимірювання, ціну поділки
4. Здати усний залік по правилам ТБ
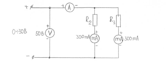
Лабораторна робота № 2
„Дослідження схем з’єднання резисторів ”
Мета роботи: 1) навчитися складати послідовне, паралельне та мішане кола;
2) вивчити співвідношення між струмами і напругами при послі-
довному, паралельному і мішаному зєднаннях резисторів;
3)визначити опір електричного кола
Прилади і обладнання: міліамперметр А (- 50 мА), міліамперметр А (- 300 мА), амперметр А (- 1 А), вольтметр V1 (-50 В), вольтметр V2 (-15 В), резистори R2, R3, R4, R5, з’єднувальні проводи
Таблиця 2.1 Технічні характеристики приладів
| Найменування приладу, його шифр | Система приладу | Клас точності | Діапазон вимірювання | Рід струму |
І. Дослідження послідовного з’єднання резисторів
Рис.2.1 – Схема послідовного з’єднання резисторів
Таблиця 2.2 Результати дослідження послідовного з’єднання резисторів
| № досліду | Експериментальні дані | Результати обчислень | |||||||||||
| Uзаг, В | U2, В | U3, В | U4, В | U5, В | Iзаг, А | U/заг, В | R2, Ом | R3, Ом | R4, Ом | R5, Ом | Rзаг, Ом | R/заг, Ом | |
| 1 | 10 | ||||||||||||
| 2 | 20 | ||||||||||||
| 3 | 30 | ||||||||||||
Перевіряємо виконання другого закону Кірхгофа:
Обчислюємо значення опорів:
ІІ. Дослідження паралельного з’єднання резисторів
Рис. 2.2 – Схема паралельного з’єднання резисторів
Таблиця 2.3 Результати дослідження паралельного з’єднання резисторів
| № досліду | Експериментальні дані | Результати обчислень | ||||||||
| Uзаг, В | Iзаг, А | I2, А | I3, А | I/заг, А | R2, Ом | R3, Ом | Rзаг, Ом | R/заг, Ом | ||
| 1 | 10 | |||||||||
| 2 | 15 | |||||||||
| 3 | 20 | |||||||||
Перевіряємо виконання першого закону Кірхгофа:
Обчислюємо значення опорів за формулами:
Лабораторна робота № 3
„Перевірка амперметра і вольтметра”
Мета роботи: навчитися перевіряти амперметри і вольтметри; виявляти відповідність перевіряємих приладів класу точності, позначеному на них
Прилади і обладнання: міліамперметр mA (~ 300 мА), зразковий міліамперметр mA (~300 мА з класом точності 0.5), вольтметр V1 ( - 15 В), зразковий вольтметр V (-15 В з класом точності 0.5), резистори R/1, R/2, з’єднувальні проводи
ВИКОНАННЯ РОБОТИ
Таблиця 3.1 Технічні характеристики приладів
| Найменування приладу, його шифр | Система приладу | Клас точності | Діапазон вимірювання | Рід струму |
ДОСЛІД І
m
A mA1
~ 0÷ 6.3 В
грубо точно
R/1 R/2
Рис 3.1 – Схема перевірки амперметра
Таблиця 3.2 Результати перевірки міліамперметра
| Покази перевіряємого міліамперметра І, mA | ||||||
| Покази зразкового міліамперметра Iзр, mA | ||||||
| Абсолютна похибка ∆І, mA | ||||||
| Зведена похибка, γзв, % |
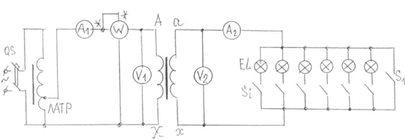
Лабораторна робота № 6
„Дослідження режимів однофазного трансформатора”
Мета роботи: визначити коефіцієнт трансформації і ККД трансформатора в різних режимах; побудувати зовнішню характеристику трансформатора і залежність його ККД від коефіцієнта завантаження
Прилади і матеріали: джерело живлення (мережа змінного струму), однофазний трансформатор ( 220/42 В), лабораторний автотрансформатор ЛАТР, два вольтметри V1 (~250 В), V2 (~50 В), два амперметри А1 (~5 А) і А2 (~5 А) електромагнітної системи, ватметр Р1 (~1500 Вт), ламповий реостат на 6 ламп розжарювання, однополюсний вимикач S1, автоматичний вимикач QF, з’єднувальні проводи
ВИКОНАННЯ РОБОТИ
Таблиця 6.1 Технічні характеристики приладів
| Найменування приладу, його шифр | Система приладу | Клас точності | Діапазон вимірювання | Рід струму |
Рис. 6.1 - Схема для дослідження режимів однофазного трансформатора
Таблиця 6.2 Результати дослідження режимів однофазного трансформатора
| № п/п | Режим роботи трансформатора | Дані досліджень | Результати обчислень | |||||||
| U1, В | I1, А | P1, Вт | U2, В | I2, А | P2, Вт | k3 | η, % | |||
| 1 | Холостий хід | |||||||||
| 2 | Увімкнуто 1 лампу | |||||||||
| 3 | Увімкнуто 2 лампи | |||||||||
| 4 | Увімкнуто 3 лампи | |||||||||
| 5 | Увімкнуто 4 лампи | |||||||||
| 6 | Увімкнуто 5 ламп | |||||||||
| 7 | Коротке замикання | |||||||||
Обчислюємо коефіцієнт трансформації К (тільки для холостого ходу), корисну потужність P2, коефіцієнт завантаження k3, , ККД трансформатора η за формулами:
;
;
Характеристики
Тип файла документ
Документы такого типа открываются такими программами, как Microsoft Office Word на компьютерах Windows, Apple Pages на компьютерах Mac, Open Office - бесплатная альтернатива на различных платформах, в том числе Linux. Наиболее простым и современным решением будут Google документы, так как открываются онлайн без скачивания прямо в браузере на любой платформе. Существуют российские качественные аналоги, например от Яндекса.
Будьте внимательны на мобильных устройствах, так как там используются упрощённый функционал даже в официальном приложении от Microsoft, поэтому для просмотра скачивайте PDF-версию. А если нужно редактировать файл, то используйте оригинальный файл.
Файлы такого типа обычно разбиты на страницы, а текст может быть форматированным (жирный, курсив, выбор шрифта, таблицы и т.п.), а также в него можно добавлять изображения. Формат идеально подходит для рефератов, докладов и РПЗ курсовых проектов, которые необходимо распечатать. Кстати перед печатью также сохраняйте файл в PDF, так как принтер может начудить со шрифтами.
















