62360 (566026), страница 2
Текст из файла (страница 2)
де
де
= Р1 в першому досліді ( досліді холостого ходу),
= Р1 в сьомому досліді ( в досліді короткого замикання)
Лабораторна робота № 7
„Зняття робочих характеристик трифазного асинхронного двигуна з короткозамкненим ротором”
Мета роботи: виявити залежність параметрів двигуна від навантаження на його валу
Прилади і матеріали: джерело живлення (трифазна мережа змінного струму), трифазний асинхронний двигун з короткозамкненим ротором, вольтметр V (~250 В), амперметр А (~5 А) електромагнітної системи, два однофазних ватметри феродинамічної системи W1 i W2 (~1500 Вт), тахометр, механічне гальмо, автоматичний вимикач QF, з’єднувальні проводи
ВИКОНАННЯ РОБОТИ
Таблиця 7.1 Технічні характеристики приладів
| Найменування приладу, його шифр | Система приладу | Клас точності | Діапазон вимірювання | Рід струму |
С2
С3
Рис. 7.1 - Схема для дослідження трифазного двигуна
Розрахунки:
Таблиця 7.2 Результати зняття робочих характеристик трифазного двигуна
| № п/ п | Режим роботи | Дані спостереження | Результати обчислення | |||||||||||
| U, В | I, А | P, Вт | n, об/хв | l, м | m, кг | n0-n, об/хв | s, % | cosφ | M, Нм | P2, Вт | η , % | |||
| 1 | Холостий хід | |||||||||||||
| 2 | Під навантаженням | |||||||||||||
| 3 | Під навантаженням | |||||||||||||
| 4 | Під навантаженням | |||||||||||||
Рис. 7.2 Робо чі характеристики n=f(P2), I=f(P2), M=f(P2), s=f(P2), cosφ=f(P2), η=f(P2)
Лабораторна робота № 8
„Збірка і перевірка роботи схем релейно-контакторного управління трифазним асинхронним двигуном з короткозамкненим ротором”
Мета роботи: вивчити ДЕСТи на графічні і буквенні позначення на електричних схемах; вивчити будову і принцип дії пускової низьковольтової апаратури; здобути навички в збірці схем пуску двигунів; зібрати і перевірити схеми пуску нереверсивного і реверсивного трифазного асинхронного двигунів з короткозамкненими роторами
Обладнання: трифазний автоматичний вимикач, трьох кнопкова станція, два контактори, теплове реле, трифазний двигун з короткозамкненим ротором, з’єднувальні проводи
ВИКОНАННЯ РОБОТИ
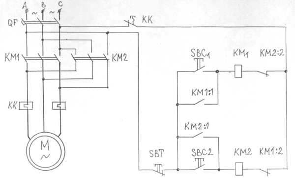
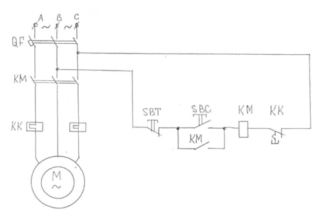
Рис. 8.1 – Схема пуску нереверсивного трифазного асинхронного двигуна з короткозамкненим ротором
Рис.8.2 – Схема пуску реверсивного трифазного асинхронного двигуна з короткозамкненим ротором
Лабораторна робота № 9
„Визначення втрат напруги і потужності у проводах ЛЕП”
Мета роботи: вияснити, який вплив надає навантаження лінії і опір її проводів на напругу приймача; визначити потужність втрат в проводах і ККД лінії електропередач
Прилади і матеріали: двохпровідна лінія з мідними і сталевими проводами, лабораторний автотрансформатор ЛАТР, два вольтметри і амперметр електромагнітної системи, ламповий реостат на 3 лампи, з’єднувальні проводи
ВИКОНАННЯ РОБОТИ
Таблиця 9.1 Технічні характеристики приладів
| Найменування приладу, його шифр | Система приладу | Клас точності | Діапазон вимірювання | Рід струму |
Рис. 9.1 – Двох провідна лінія електропередач
Таблиця 9.2 Результати дослідження проводів ЛЕП
| № п /п | проводи | Опір проводу R, Ом | Дані спостережень | Результати обчислень | |||||||
| U1, В | U2, В | I, A | ∆U', В | ∆U", В | ∆P, Вт | η, % | |||||
| 1 | 2 | 3 | 4 | 5 | 6 | 7 | 8 | 9 | 10 | ||
| 1 | Мідні | ||||||||||
| 2 | |||||||||||
| 3 | |||||||||||
| 4 | сталеві | ||||||||||
| 5 | |||||||||||
| 6 | |||||||||||
Обчислюємо втрати напруги ∆U', ∆U", втрати потужності ∆P, ККД η за формулами
Лабораторна робота № 10
«Дослідження роботи однонапівперіодного і двохнапівперіодного однофазного випрямлячів»
Мета роботи : вивчити роботу випрямлячів; виявити вплив згладжу вального фільтру на випрямлену напругу
Прилади і матеріали: генератор низької частоти ГНЧШ, осцилограф ОМШ-2-76, лабораторний макет випрямлячів, вольтметр і амперметр магнітоелектричної системи, з’єднувальні проводи
ВИКОНАННЯ РОБОТИ
Таблиця 10.1 Технічні характеристики приладів
| Найменування приладу, його шифр | Система приладу | Клас точності | Діапазон вимірювання | Рід струму |
Рис. 10.1 – Схема лабораторної установки для дослідження випрямлячів
Таблиця 10.2 Результати дослідження випрямлячів без фільтру
| Тип випрямляча | Параметр випрямляча | Дані спостереження | |||||||
| Однонапівперіодний без фільтру | Напруга U, В | ||||||||
| Струм І, mA | |||||||||
| Двохнапівперіодний без фільтру | Напруга U, В | ||||||||
| Струм І, mA | |||||||||
Таблиця 10.3 Результати дослідження випрямлячів з фільтром
| Тип випрямляча | Параметр випрямляча | Дані спостереження | |||||||
| Однонапівперіодний з фільтром | Напруга U, В | ||||||||
| Струм І, mA | |||||||||
| Двохнапівперіодний з фільтром | Напруга U, В | ||||||||
| Струм І, mA | |||||||||















