UP-2-4 (562366)
Текст из файла
Р а б о т а 4
ОТРАБОТКА ФУНКЦИОНАЛЬНЫХ ПОКАЗАТЕЛЕЙ МИКРОСБОРОК ЭКСПЕРИМЕНТАЛЬНЫМИ МЕТОДАМИ
Цель работы - изучение методов экспериментальной отработки функциональных показателей МСБ, определение параметров модели функциональной точности и расчет допусков показателей МСБ.
Краткие теоретические сведения
Показатели качества конструкций МЭА принято делить на функциональные и материальные. К функциональным относятся все энергоинформационные показатели: выходная мощность, несущая частота сигнала, чувствительность, коэффициент передачи, ширина полосы пропускания фильтра, быстродействие и др. Материальные показатели (масса, объем, стоимость, интенсивность отказов и др.) характеризуют материальное содержание конструкции.
Исходя из многоуровневого принципа построения, в конструкции выделяются функционально и конструктивно законченные части - конструктивно технологические единицы (КТЕ). Требуемая точность функциональных показателей КТЕ высоких уровней (блоков, устройств) обеспечивается выбором строго определенных значений показателей КТЕ низких уровней {МСБ, функциональных узлов). Отработка функциональных показателей микросборки по своему содержанию является задачей обеспечения функциональной точности и решается в следующем порядке:
получение математической модели МСБ в виде
где
- функциональный показатель МСБ;
- параметры элементов, определяющие значение
;
анализ параметрической чувствительности, состоящий в определения абсолютных
и относительных
функций чувствительности и их количественных оценок - коэффициентов влияния;
составление модели функциональной точности в виде уравнения относительной погрешности функционального показателя
где
- относительные (безразмерные) коэффициенты влияния;
- относительные погрешности параметров
;
расчет допусков функционального показателя
одним из известных методов: наихудшего случая (максимум-минимум), квадратичного суммирования или вероятностным.
Если найденные значения допуска функционального показателя не соответствуют требованиям технического задания, производится корректировка допусков параметров элементов
или их номинальных значений. Наиболее сложной частью задачи отработки функциональных показателей является получение математической модели КТЕ в виде (4.1). Вследствие высокой трудоемкости математического моделирования устройств современных РЭС и принципиальной невозможности получения точных математических моделей для определенного класса устройств (например, нелинейных) возникает необходимость обращения к экспериментальным методам отработки функциональных показателей.
Экспериментальные методы позволяют, минуя этап получения математической модели, находить абсолютные и относительные коэффициенты влияния, производить корректировку допусков и номинальных значений параметров элементов. Знание коэффициентов влияния дает возможность записать модель функциональной точности (4.4).
Для отработки функциональных показателей МСБ применяются методы малых приращений, парциальных характеристик, граничных и матричных испытаний.
Метод малых приращений (малого параметра) предназначен для экспериментального определения абсолютных и относительных коэффициентов влияния. В теоретическом аспекте метод базируется на замене в (4.2) и (4.3) бесконечно малых приращений конечными приращениями. В результате расчет абсолютного и относительного коэффициентов влияния производится по формулам
где
- приращение функционального параметра, обусловленное малым приращением
параметра
;
- номинальные значения функционального параметра и параметра элемента.
Приращение
находят в результате постановки на макете МСБ однофакторного эксперимента, который заключается в парциальном изменении на величину
параметров элементов. Точность определения коэффициентов влияния тем выше, чем меньше
. Однако приращение
- должно быть таким, чтобы используемая в эксперименте аппаратура обеспечивала необходимую точность измерения приращения
.
Метод малых приращений прост в реализации, но из-за тесных корреляционных связей между параметрами активных элементов применяется лишь для определения коэффициентов влияния параметров пассивных элементов.
Метод парциальных характеристик предназначен для экспериментального определения относительных и абсолютных коэффициентов влияния, корректировки допусков и номинальных значений функционального параметра и параметра элемента. Метод состоит в экспериментальном снятии зависимостей относительного изменения функционального
п
Рис. 4.1
араметра В общем случае графики этих зависимостей имеют вид, представленный на рис. 4.1. Для любой точки графика можно определить относительный
и абсолютный
коэффициенты влияния. Номинальные значения параметров
и
задаются условиями эксперимента.
В координатной плоскости
,
строят рабочую область (РО) МСБ, границы которой определяются полями допусков на функциональный показатель
и параметр
. Корректировка параметров и допусков не требуется, если при
отклонение функционального показателя
, а запас работоспособности
достаточен и приблизительно одинаков для правой и левой ветвей парциальной характеристика. Так, например, для характеристики I (см. рис. 4.1) желательно выравнять запас работоспособности S, для чего необходимо уменьшить номинальные значения функционального показателя и параметра
. Положение парциальной характеристики 2 относительно рабочей области говорит о том, что по параметру
МСБ не работоспособна. В целях обеспечения работоспособности требуется уменьшить допуск на параметр
или расширить допуск на функциональный показатель
.
При отработке функциональных показателей МСБ методом парциальных характеристик исследование проводится по всем параметрам
. Множество параметров в общем случае может содержать параметры радиоэлементов, входных сигналов, источников питания, внешних воздействий и т.д.
Как и метод малых приращений, метод парциальных характеристик является однофакторным экспериментом; он неприменим к параметрам активных элементов и не позволяет смоделировать реальные рабочие ситуации, возникающие в аппаратуре, когда под воздействием внешних дестабилизирующих факторов одновременно изменяются параметры всех элементов.
Метод граничных испытаний решает те же задачи, что и метод парциальных характеристик и заключается в экспериментальном построении областей работоспособности (ОР) по результатам исследования макета МСБ или реального изделия. На границах ОР наступает отказ МСБ, определяемый по заранее оговоренному признаку (критерию). Обычно используют два критерия отказа:
-
нарушение выполняемых МСБ функций (отсутствие сигнала на выходе, резкое изменение частоты сигнала, нарушение устойчивости, срыв синхронизации и т.д.);
-
изменение функционального показателя до границ определенного техническим заданием поля допуска.
В первом случае целью граничных испытаний является исследование МСБ на общее функционирование (работоспособность); во втором - исследование функционирования
MCБ no полю допуска. При этом на границах OF функциональный показатель достигает значения, оговоренного ТЗ или же условиями эксперимента.
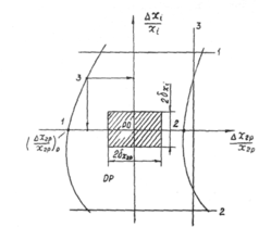
Границы ОР получают в результате активного воздействия на два параметра: граничный
и параметр элемента
.
Г
Рис. 4.2
раничный параметр должен удовлетворять ряду требований. Желательно, чтобы изменение Область работоспособности удобно строить в координатах
и
.
В общем случае границы ОР представляют собой непересекающиеся кривые (рис. 4.2), расположенные справа и слева от начала координат. В верхней и нижней полуплоскостях ОР может быть ограничена допустимым изменением параметра
, при котором обеспечивается безопасный электрический режим работы активных элементов (границы I и 2). В правой полуплоскости граница ОР не должна пересекать линию, определяющую верхнее допустимое значение параметра
(прямая 3).
Для построения ОР сначала при
изменяют значение граничного параметра в сторону увеличения и уменьшения до появления признака отказа. В результате получают точки I и 2 границ ОР. Затем повторяют эксперимент для ряда значений
, и полученные точки соединяют плавными кривыми.
Чтобы упростить анализ результатов исследования, ОР совмещают с рабочей областью МСБ по параметрам
, и
. Корректировка допусков и номинальных значений параметров
, и
, не требуется, если рабочая область лежит внутри ОР симметрично относительно границ и при этом обеспечивается достаточный запас работоспособности.
Характеристики
Тип файла документ
Документы такого типа открываются такими программами, как Microsoft Office Word на компьютерах Windows, Apple Pages на компьютерах Mac, Open Office - бесплатная альтернатива на различных платформах, в том числе Linux. Наиболее простым и современным решением будут Google документы, так как открываются онлайн без скачивания прямо в браузере на любой платформе. Существуют российские качественные аналоги, например от Яндекса.
Будьте внимательны на мобильных устройствах, так как там используются упрощённый функционал даже в официальном приложении от Microsoft, поэтому для просмотра скачивайте PDF-версию. А если нужно редактировать файл, то используйте оригинальный файл.
Файлы такого типа обычно разбиты на страницы, а текст может быть форматированным (жирный, курсив, выбор шрифта, таблицы и т.п.), а также в него можно добавлять изображения. Формат идеально подходит для рефератов, докладов и РПЗ курсовых проектов, которые необходимо распечатать. Кстати перед печатью также сохраняйте файл в PDF, так как принтер может начудить со шрифтами.
















