Мой (561176)
Текст из файла
МОСКОВСКИЙ ГОСУДАРСТВЕННЫЙ АВИАЦИОННЫЙ ИНСТИТУТ
(ТЕХНИЧЕСКИЙ УНИВЕРСИТЕТ)
Курсовой проект
по дисциплине «Антенны и устройства СВЧ»
Тема: ”Расчёт и проектирование зеркальной антенны”.
Выполнил: студент группы 04-316
Филькин К.Н.
Проверил: преподаватель Пономарев Л.И.
МОСКВА – 2005
Содержание.
-
Задание………………………………………………………………. 3
-
Введение и анализ задания…………………………………………. 4
-
Электрическая схема антенны……………………………………... 5
-
Геометрические размеры зеркала………………………………….. 6
-
Расчет основных характеристик направленности антенны……… 7
-
Погрешности изготовления антенны………………………………13
-
Расчет фидерного тракта……………………………………………15
-
Список используемой литературы…………………………………20
Задание
На курсовой проект
Введение.
В настоящее время зеркальные антенны широко применяются в радиостанциях различного назначения - радиолокационных, навигационных, радиорелейных и в ряде других радиосистем СВЧ диапазона.
Зеркальные антенны являются антеннами оптического типа. Они состоят из слабонаправленного облучателя и металлического отражателя (зеркала). Форма поверхности зеркала выбирается такой, чтобы сферический фронт волны, падающей от облучателя на зеркало, после отражения преобразовывался в плоский фронт волны. Лучи, расходящиеся от облучателя, после отражения от зеркала образуют параллельный пучок, формируя остронаправленную диаграмму направленности шириной от десятка градусов до долей градуса.
Широкоугольное сканирование в однозеркальных антеннах осуществляется механическим вращением всей антенной системы в заданной плоскости.
Зеркальные антенны нашли широкое применение благодаря следующим свойствам: сравнительно простоте конструкции, надежности работы, хорошим диапазонным свойствам, способности формировать диаграммы направленности различной формы и ряда других положительных особенностей.
Однако зеркальные антенны обладают рядом существенных недостатков: затенение облучателем поля зеркальной антенны, механический способ сканирования, который является единственно возможным в однозеркальных антеннах, не обеспечивает высокой скорости управления диаграммой направленности при большом весе и сложности механизма вращения, уровень боковых и задних лепестков в диаграмме направленности однозеркальных антенн трудно поддается ослаблению.
Анализ задания.
В процессе проектирования необходимо выбрать оптимальную схему и тип облучающей системы, определить геометрические размеры зеркала, амплитудное распределение поля в раскрыве зеркала, рассчитать диаграмму направленности антенны, её коэффициент усиления, коэффициент полезного действия и разработать конструкцию в целом.
В сантиметровом диапазоне волн широко используется двухщелевой облучатель, который представляет собой прямоугольный волновод, заканчивающийся прямоугольным резонатором с двумя симметрично расположенными полуволновыми щелями в его широкой стенке. Недостатком двухщелевого облучателя являются ограничения на относительно небольшую пропускаемою мощность, связанную с малой электрической прочностью щелей, и узкополосность облучателя, вызванная узкополосностью щелевых излучателей.
Электрическая схема антенны.
От генератора идет сигнал по прямоугольному волноводу, дальше он поступает во вращающиеся сочленение на основе круглого волновода. Основной круглый волновод, вращающиеся сочленение, сверху и снизу заканчивается гасящими объемами, которые представляют собой короткозамкнутые круглые волноводы. Внутри основного круглого волновода размещены резонансные металлические кольца, предназначенные для подавления волны Н11. Дальше идет прямоугольный волновод, соединенный фланцами. Но и затем с помощью изгибов подводят двухщелевой облучатель напротив зеркалу.
Геометрические размеры зеркала:
Исходя из уровня боковых лепестков, выбираем по таблице следующие параметры:
(Аппертурные антенны СВЧ. стр 19 таблица 2)
Ширина диаграммы направленности: 266*/2R.
Откуда R=15,7 см – радиус параболоида.
- коэффициент использования поверхности (КИП) зеркальной антенны.
=0,67 – параметры, определяющие скорость спадания амплитудного распределения к краю круглого раскрыва.
При аппроксимации диаграммы направленности щелевого облучателя функцией cos2() максимальная эффективность зеркальной антенны g=0,82 достигается при =58.
2-угол раскрыва зеркала.
Фокусное расстояние зеркальной антенны:
f=14,2 см.
Глубина зеркала:
h=4,3 см.
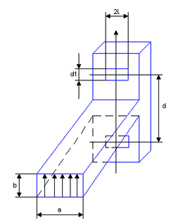
Схема двухщелевого облучателя.
Двухщелевой облучатель имеет простую конструкцию и небольшие размеры, что обеспечивает незначительное затенение зеркала. Излучающие щели располагаются на резонаторе прямоугольного сечения, который возбуждается прямоугольным волноводом. Щели в резонаторе прорезают симметрично относительно питающего волновода и синфазно возбуждают. Для согласования с резонатором и уменьшения влияния его на поле, создаваемое щелями, питающий прямоугольный волновод сужается по узкой стенке. Для обеспечения герметизации облучателя щели закрываются пластинками из диэлектрика. Для улучшения согласования питающего волновода и резонатора со щелями в широкую стенку резонатора напротив разветвления ввинчивается реактивный штырь.
Расстояние между щелями d подбирается таким образом, чтобы диаграммы направленности облучателя в плоскостях Е и Н мало отличались (d = /2 = 1,9 см.). Длина щелей выбирается резонансной (2l 0,48 = 1,83 см.). Ширина щели d1 рассчитывается из условия обеспечения необходимой электрической прочности и требуемой полосы пропускания:
(Расчет антенн СВЧ. Часть 1, стр113 формула 4.4)
G= проводимость излучателя (R=50 Ом – сопротивление излучения)
P=1 кВт – подводимая к антенне мощность.
N=2 – количество щелей.
Е=30 кВ/см – напряженность электрического поля, при которой происходит пробой в воздухе.
d1=0,126 см.
С учетом обеспечения необходимой полосы пропускания в 8% d1=0,25 см.
Диаграмма направленности щелевого облучателя:
d=/2 – расстояние между щелями.
k=2/ - волновое число.
Диаграмма направленности облучателя в плоскости Е:
Диаграмма направленности облучателя в плоскости H:
Амплитудное распределение поля вдоль зеркала:
Е(х)-амплитудное распределение поля в раскрыве зеркала в зависимости от диаграммы направленности щелевого облучателя имеет вид:
,где F()-диаграмма направленности облучателя:
Значение угла , соответствующее координате раскрыва зеркала x, рассчитывается так:
A(x) - аппроксимирующая функция.
N=2
После подстановки, амплитудное распределение поля в раскрыве зеркала принимает вид:
Амплитудное распределение поля в раскрыве зеркала, построенное в зависимости от диаграммы направленности облучателя, практически совпадает с аппроксимирующей функцией, что свидетельствует о правильном выборе облучающей системы.
Диаграмма направленности зеркальной антенны:
Диаграмма направленности зеркальной антенны может быть аппроксимирована следующей функцией:
J1, Jn-функции Бесселя первого и n-ого порядка.
Диаграмма направленности антенны при =0=3,8 см.
Ширина диаграммы направленности: 28,056.
Уровень боковых лепестков: q = 0,047 (или -26,6 дБ).
Диаграмма направленности антенны при =8%=3,496 см.
Ширина диаграммы направленности: 27,414.
Уровень боковых лепестков не изменился.
Диаграмма направленности антенны при=8%=4,104 см.
Ширина диаграммы направленности: 28,697.
Уровень боковых лепестков не изменился.
При изменении рабочей длинны волны в пределах заданной полосы частот происходит незначительное расширение(сужение) диаграммы направленности при сохранении уровня боковых лепестков.
Коэффициент усиления антенны (КУ):
КУ (G) антенны показывает во сколько раз необходимо увеличить подводимую мощность при переходе от направленной антенны к абсолютно ненаправленной антенне, чтобы получить то же значение напряженности поля в точке приема.
Коэффициент усиления зеркальной антенны равен:
S = R2 =772 см2– площадь раскрыва.
- КИП антенны.
g = эффективность зеркальной антенны.
- коэффициент полезного действия антенны.
Так как угол раскрыва зеркала был выбран из условия максимальной эффективности антенны, то при g=0,82 КУ будет равен: G = 550,835.
Коэффициент направленного действия антенны (КНД):
КНД (D) является мерой концентрации излучения в пространстве, которое осуществляется антенной. КНД – это число, показывающее во сколько раз необходимо увеличить мощность излучения при переходе от данной антенны к абсолютно ненаправленной антенне, чтобы сохранить неизменной напряженность поля в точке приема.
Коэффициент направленного действия зеркальной антенны равен:
D = 591,14.
Коэффициент полезного действия антенны (КПД):
Коэффициент полезного действия может быть рассчитан как отношение КУ антенны к её КНД: G/D.
Точность изготовления антенны:
(Литер.(6) стр.370)
Технические допуски на точность изготовления зеркальных антенн определяются допустимой величиной отклонения фазового фронта в раскрыве зеркала от синфазного. Источниками фазовых ошибок в раскрыве антенны могут быть:
-
отклонение формы зеркала от расчетной;
-
смещение фазового центра облучателя из фокуса параболоида;
-
отклонение волнового фронта поля облучателя от сферического;
При отклонении реального профиля зеркала от расчетного на величину фазовая ошибка , возникающая в раскрыве зеркала, равна:
При <, искажения диаграммы направленности будут незначительны, откуда получаем следующий допуск на точность изготовления зеркала:
Максимальная точность выполнения профиля зеркала должна быть у вершины:
0,24 см
При смещении из фокуса фазового центра облучателя вдоль оси параболоида, в раскрыве зеркала возникает ошибка:
Полагая <, получаем допустимое смещение облучателя из фокуса:
, где 0=58 – угол раскрыва зеркала.
1,06 см
При смещении облучателя вдоль оси параболоида фазовая ошибка в раскрыве зеркала имеет квадратичный характер. Поэтому направление основного лепестка диаграммы направленности остается неизменным, увеличивается лишь его ширина и возрастает уровень бокового излучения.
При небольшом смещении облучателя в направлении, перпендикулярном оси параболоида, в раскрыве зеркала возникает линейная фазовая ошибка, что приводит к отклонению диаграммы направленности зеркальной антенны от оси параболоида в сторону, противоположную смещению облучателя, на угол:
=3,87.
Форма диаграммы направленности при этом не меняется, так как <2,
где 28 – ширина диаграммы направленности антенны при несмещенном облучателе.
Коэффициент усиления антенны с учетом неточности изготовления зеркала:
(Литер.(6) стр.370)
При практической реализации зеркало антенны всегда выполняется с некоторыми погрешностями. Отклонение профиля реального зеркала от идеального при правильно организованном технологическом процессе, как правило, имеет случайный характер. Максимальная величина случайной ошибки определяется уровнем технологии и для зеркальных антенн с вероятностью 99% может быть определена следующим образом:
n=3 для обычного серийного производства; n=4…5 – при специальной технологии.
Можно считать, что отклонение профиля подчиняется нормальному закону распределения с нулевым средним значением и дисперсией ()2. При этом с вероятностью 99% максимальное отклонение профиля равно:
Дисперсия фазовой ошибки в раскрыве, обязанная случайному характеру , равна:
2 =0,001605 при n=3.
С учетом этого коэффициент усиления зеркальной антенны будет равен:
G =549,952.
Расчет фидерного тракта антенны.
Параметры прямоугольного волновода:
В сантиметровом диапазоне волн в качестве фидерной линии применяют прямоугольные волноводы с волной Н10. Выбирая размеры поперечного сечения волновода, исходят из условия нахождения основной волны Н10 в докритическом режиме, а высших типов волн, в частности Н20 и Н01, в закритическом режиме.
При этом критическая длинна волны определяется так: кр=2а.
Размер широкой стенки волновода: 0,6 Размер узкой стенки волновода: b</2; b<1,9см; Определив по приведенным формулам ориентировочные размеры a и b, далее по справочнику выбираем стандартный волновод: a=23 мм; b=10мм. Материал стенок волновода – латунь. Поперечное сечение такого волновода имеет вид: Максимальная (предельная) мощность, пропускаемая волноводом с волной Н10, определяется соотношением: (Литер. (7) стр.451) Е=30 кВ/см – напряженность электрического поля, при которой происходит пробой в воздухе. Допустимой мощностью называют предельную мощность пропускания, умноженную на коэффициент запаса электрической прочности, учитывающий неоднородности, вызывающие местные концентрации электрического поля, климатические факторы и наличие стоячей волны. Допустимая мощность Рдоп определяется как: Рдоп = (1/3…1/5)Рпред. Рдоп=155кВт. При повороте волновода на 900, производить скругление изгиба не требуется, так как данная антенна работает в достаточно узкой полосе частот. Параметры круглого волновода: Осевая симметрия поля, необходимая для сохранения постоянства передачи электромагнитной энергии при вращении подвижной части волноводного тракта относительно неподвижного, имеется в круглых волноводах с симметричными волнами типа Е01 и Н01. Поперечное сечение такого волновода имеет вид: Из-за сложности возбуждения волны Н01 в круглом волноводе в чистом виде (одновременно возбуждаются волны типа Н11, Е01, Н21,Е11) использование вращающихся сочленений на основе данного типа волны не получило широкого практического применения. Диаметр основного круглого волновода сочленения D определяется из условия распространения волны Е01 (D>0,76) и затухания высших типов волн (D<0,97), т.е. 2,89 см D = 3,34 см. Rв = 1,67 см. Проверка круглого волновода на максимальную пропускаемую мощность не производится, так как в прямоугольном волноводе с волной Н10 электрический пробой наступает быстрее, чем пробой в круглом волноводе при любом типе волны. 1=6,98 см; 1=4,87см – длины волн в круглом волноводе. Дроссельно-фланцевые соединения: Для соединения отрезков волноводных линий передачи используются дроссельные соединения в круглых, вращающихся друг относительно друга, волноводах и контактные фланцевые соединения в прямоугольных волноводах. В качестве дроссельной секции в круглом волноводе применяется полуволновая замкнутая линия, состоящая из двух параллельных четвертьволновых участков, длиной 1,75см., с разными волновыми с Расчет изгибов. В изгибе с двойным изломом улучшение согласования достигается за счет уменьшения отражения от каждого из изломов и взаимной ( l ), выбираем: Переход от прямоугольного волновода к круглому: Для согласования волнового сопротивления прямоугольного волновода с круглым волноводом используются индуктивные диафрагмы, которые впаиваются с двух сторон в прорези в узких стенках прямоугольного волновода, емкостные диафрагмы в виде кольцевого выступа в круглом волноводе, индуктивные штыри, впаиваемые в прорези в широкой стенке прямоугольного волновода, положение и размеры которых подбираются экспериментально. Подавление паразитных типов волн: При переходе от прямоугольного волновода с волной Н10 к круглому волноводу в последнем возникают волны: рабочая - Е01 и более низкая паразитная - Н11. Волна Н11 имеет несимметричную структуру поля и её энергия в круглом волноводе равна Схема сочленения с «гасящими объемами» и резонансными кольцами имеет вид: «Гасящий объем» представляет собой круглый волновод, включаемый последовательно с возбуждающим прямоугольным и основным круглым волноводами сочленения. Если длину волновода сделать кратной целому числу полуволн типа Е01, то входное сопротивление волноводов для волны Е01 будет мало, и эта волна без затухания будет распространяться в основном круглом волноводе. Если одновременно сделать длину волновода кратной нечетному числу четвертей длин волн для волны Н11, то входное сопротивление гасящего волновода для этой волны будет велико, и волна Н11 в основном круглом волноводе распространяться не будет. Следовательно, длина «гасящего объема» определяется из условий: l=; l=3, где 1=6,98 см; 1=4,87см – длины волн в волноводе. После подстановки получаем: l=3,5 см. Диаметр гасящего волновода определяется из соотношения: d=3,3 см. Схема установки резонансных колец в круглом волноводе: Принцип действия резонансных колец заключается в следующем. Линии электрического вектора перпендикулярны кольцу, поэтому при точной ориентировке кольца в волноводе в нем не возбуждаются токи и волна Е10 распространяется без потерь. В то же время волна Н11 возбуждает в кольце токи, имеющие резонанс при длине кольца, равной длине волны в воздухе. Текущие в кольце токи возбуждают в волноводе волну типа Н11 с фазой поля, сдвинутой на 1800 по отношению к фазе возбуждающего поля. Поэтому в круглом волноводе за кольцом поля волны Н11 взаимно уничтожаются. r0 = 0,0655 см - радиус круглой проволоки для изготовления колец. r = 0,69 см – внутренний радиус кольца. L=(2n+1) - расстояние между фильтрующими кольцами; n=1,2…. L=6,1 см. Расстояние от кольца до дна основного круглого волновода выбирается из конструктивных соображений. Так как оно больше четверти длины волны Н11, то практически не влияет на резонансную частоту кольца. L1=n* - расстояние от кольца до дна основного круглого волновода; n=1,2…. L1=2,43 см Список литературы. Расчет антенн СВЧ. Пособие к курсовому проектированию под редакцией Воскресенского Д. И, часть 1. МАИ, 1970. Расчет антенн СВЧ. Пособие к курсовому проектированию под редакцией Воскресенского Д. И, часть 2. МАИ, 1973. Пономарев Л. И. « Апертурные антенны СВЧ.» МАИ, 1983. «Расчет и конструирование вращающихся сочленений.» Пособие к курсовому проектированию под редакцией Мякишева Б. Я. МАИ, 1962. Фельдштейн, Явич. Справочник по элементам волноводной техники. «Советское радио», 1967. Воскресенский, Гостюхин, Пономарев, Максимов. «Антенны и устройства СВЧ.» МАИ, 1999. 7 А.Л.Драбкин, В.Л.Зузенко «Антенно-фидерные устройства» ,Москва «Советское радио»,1974. 23
опротивлениями. Использование притертого фланца при тщательной обработке и строгой параллельности фланцевых поверхностей позволяет получить в месте соединения двух отрезков волноводных линий хороший электрический контакт. Разборное контактное соединение выполняется в виде гладких фланцев ,припаеваемых к концам волновода. Направляющие штифты обеспечивают необходимую точность установки волноводов . Фланцы имеют отверсия ,через которые с помощью болтов осуществляется стягивание соединения. Для улучшения контакта и обеспечения электрогерметичности между соединяемыми волноводами помещают тонкую контактную прокладку, выполняемую из беррилиевой бронзы.
компенсации отраженных волн от каждого из них. Для этого расстояние между изломами
1%, поэтому необходимы специальные устройства для гашения этой волны (допустимое содержание паразитных волн составляет 0,1%). В конструкциях таких сочленений для подавления паразитных волн широко применяют «гасящие объемы» и резонансные кольца.
Характеристики
Тип файла документ
Документы такого типа открываются такими программами, как Microsoft Office Word на компьютерах Windows, Apple Pages на компьютерах Mac, Open Office - бесплатная альтернатива на различных платформах, в том числе Linux. Наиболее простым и современным решением будут Google документы, так как открываются онлайн без скачивания прямо в браузере на любой платформе. Существуют российские качественные аналоги, например от Яндекса.
Будьте внимательны на мобильных устройствах, так как там используются упрощённый функционал даже в официальном приложении от Microsoft, поэтому для просмотра скачивайте PDF-версию. А если нужно редактировать файл, то используйте оригинальный файл.
Файлы такого типа обычно разбиты на страницы, а текст может быть форматированным (жирный, курсив, выбор шрифта, таблицы и т.п.), а также в него можно добавлять изображения. Формат идеально подходит для рефератов, докладов и РПЗ курсовых проектов, которые необходимо распечатать. Кстати перед печатью также сохраняйте файл в PDF, так как принтер может начудить со шрифтами.
















