lec03 Стандартизация разраб РЭС (560715), страница 3
Текст из файла (страница 3)
Функциональные схемы (Э2) поясняют процессы, происходящие в отдельных функциональных узлах и частях изделия или в изделии в целом. Функциональными схемами пользуются для построения принципиальных схем, изучения принципа работы изделия, а также при его наладке, ремонте и эксплуатации.
Принципиальные схемы (Э3) определяют полный состав элементов, связей между ними, дают детальное представление о принципе работы изделия. На основе принципиальных схем разрабатывают такие конструкторские документы, как схемы соединений (монтажные), чертежи конструктивных элементов, узлов, устройств.
Схемы соединений (Э4) показывают соединения составных частей изделия и определяют провода, жгуты, кабели и другие соединительные изделия, а также места их присоединения и ввода. Схемы соединения используют при разработке конструкторских графических и текстовых документов, а также при ремонте и эксплуатации изделия.
Схемы подключений (Э5) показывают внешние подключения изделия. Схемы подключений используют при монтаже изделия на месте эксплуатации, а также при его ремонте.
Общие схемы (Э6) определяют составные части комплекса и соединения их между собой на месте эксплуатации.
Схемы расположения (Э7) устанавливают взаимное расположение отдельных составных частей комплекса, а при необходимости и соединяющих их жгутов, проводов, кабелей и т. д. Схемами расположения пользуются при установке и эксплуатации изделия.
Составляющие части схем:
элемент схемы - составная часть схемы, которая не может быть разделена на части, имеющие самостоятельное значение (микросхема, резистор, трансформатор и др.);
устройство - совокупность элементов, представляющая единую конструкцию (блок, модуль). Устройство может не иметь определенного функционального назначения;
функциональная группа - совокупность элементов, выполняющих определенную функцию и не объединенных в единую конструкцию;
функциональная часть - элемент, устройство или функциональная группа, имеющие строго определенное функциональное назначение;
функциональная цепь - линия, канал на схеме, указывающие на наличие связи между функциональными частями изделия;
линия взаимосвязи - отрезок линии на схеме, указывающий на наличие связи между функциональными частями изделия;
линия электрической связи - линия на схеме, указывающая путь прохождения тока, сигнала и др.
При проектировании схем следует придерживаться правил, изложенных в соответствующих стандартах ЕСКД. В них устанавливаются условные графические обозначения элементов схем, требования к вычерчиванию связей между элементами, правила помещения различных технических данных на условные графические обозначения и т. д. Так, для схем цифровой техники схемы электрические выполняются по правилам, установленным Государственными стандартами с использованием условных графических обозначений (УГО).
Правила выполнения электрических схем.
Схема электрическая структурная. На схеме электрической структурной (Э1) показывают все функциональные части РЭА и основные взаимосвязи между ними.
Функциональные части можно изображать условно графически или в виде прямоугольников. В последнем случае внутри прямоугольника приводят наименование данной функциональной части. Линии взаимосвязей рекомендуется обозначать стрелками, показывающими направления хода процесса, движения информации и т. п. При большом числе функциональных частей рекомендуется взамен обозначений, наименований и типов вводить порядковые номера, проставляя их слева направо и сверху вниз. В этом случае расшифровку номеров производят в таблице, помещаемой над основной надписью.
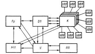
Рис. 3.4.1. Пример структурной схемы
Построение структурной схемы поясняется примером схемы электрической структурной (рис. 3.4.1, где Пр — процессор; 0П — оперативная память; МП — местная память; ПП — постоянная память; У — управление; К — каналы, УВД - устройство ввода—вывода).Схема электрическая функциональная. На схеме электрической функциональной (Э2) показывают функциональные части аппаратуры, участвующие в процессе, и связи между этими частями. Функциональные части изображают, как правило, в виде условных графических обозначений, однако допускается применение прямоугольников. На схеме должны быть указаны:
-
для каждой функциональной группы - наименование;
-
для каждого устройства, изображенного прямоугольником - наименование, обозначение или тип;
-
для каждого устройства, изображенного в виде условного графического обозначения - обозначение или тип;
-
для каждого элемента - позиционное обозначение, присвоенное ему на принципиальной схеме, или тип. Наименования, обозначения или типы рекомендуется вписывать в прямоугольники. Допускается на схеме помещать поясняющие надписи, диаграммы или таблицы, определяющие последовательность прохождения процессов во времени, а также указывать параметры в характерных точках (форма и величина импульсов, реализуемая логическая функция и т. д.).
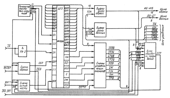
Построение функциональной схемы поясняется примером (рис. 3.4.2).
Рис. 3.4.2. Пример построения функциональной схемы процессорного блока.
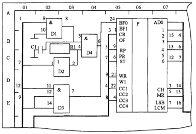
Схема электрическая принципиальная. На схеме электрической принципиальной (ЭЗ) указывают все элементы, необходимые для построения РЭА или ее отдельного узла, связи между элементами и элементы, которыми заканчиваются входные и выходные цепи. Элементы в схеме изображают в виде условных графических обозначений (УГО). Расстояние между двумя соседними линиями условных графических обозначений должно быть не менее 0,8 мм.
Рис. 3.4.3.
Условные графические обозначения на схеме ЭЗ располагают так, чтобы изображения связей между ними были кратчайшими линиями с минимальным числом пересечений. Линии связей должны быть показаны полностью, однако при необходимости их допускается обрывать, заканчивая места обрыва стрелками с обозначением места включения. Для упрощения чертежа схемы можно несколько электрически не связанных линий связи сливать в общую утолщенную линию, но при подходе к контактам каждая линия должна быть изображена отдельно, линии связи при этом необходимо пронумеровать одинаковыми числами на обоих концах (рис. 3.4.3).Каждый элемент, входящий в схему, должен иметь буквенно-цифровое позиционное обозначение, составленное из буквенного индекса и порядкового номера. Порядковые номера элементам присваивают начиная с единицы сверху вниз в направлении слева направо, в пределах группы элементов, которым на схеме дан одинаковый буквенный индекс.
Если элемент состоит из нескольких частей, то допускается к его позиционному обозначению добавлять цифры, присваиваемые каждой части элемента (например, Э1-1, Э1-2, Э1-3 означают первую, вторую и третью части элемента 7).
УГО цифровых элементов строится на основе прямоугольника и может содержать основное и два дополнительных поля (рис. 3.4.3 – элемент Р). Размер прямоугольного поля по ширине зависит от наличия дополнительных полей и числа помещенных в них знаков (меток, обозначения функций элемента), по высоте — от числа выводов, интервалов между ними и числа строк информации в основном и дополнительных полях. Ширина основного поля должна быть не менее 10 мм, дополнительных — не менее 5 мм, расстояние между выводами - 5 мм.
Выводы элементов делятся на входы, выходы, и выводы, не несущие информации. Входы изображают слева, выходы справа, остальные выводы — с любой стороны УГО. При необходимости разрешается поворачивать УГО на 90° по часовой стрелке, располагая входы сверху, а выходы внизу.
Функциональное назначение элемента указывают в верхней части основного поля УГО. Его составляют из прописных букв латинского алфавита, арабских цифр и знаков, записываемых без пробела. Обозначения основных функций приведены в таблице.
| Наименование функции | Обозначение | Наименование функции | Обозначение |
| И | &, И | Регистр | RG |
| ИЛИ | 1 | со сдвигом вправо | RG |
| Сложение по модулю 2 | М2 | со сдвигом влево | RG |
| Эквивалентность | = | с реверсным сдвигом | RG |
| Исключающее ИЛИ | -1 | Одновибратор | S |
| «и, и только и» | -п | Пороговый элемент | TH |
| Логический порог | ≥п | Формирователь сигнала | F |
| Мажоритарность | ≥М | Вычислитель | CP |
| Дешифратор | DC | Процессор | P |
| Шифратор | CD | Память | M |
| Сравнение | - - | Управление | CO |
| Полусумматор | НС | Перенос | CR |
| Сумматор | SM | Прерывание | INR |
| Монтажное И | &, | Передача | TF |
| Монтажное ИЛИ | 1, | Прием | RC |
| Кодовый преобразователь | X/Y | Ввод-вывод | IO |
| Триггер | Т | Арифметика | A |
| Триггер двухступенчатый | ТТ | Мультиплексор | MUX |
| Счетчик: | CT | Демультиплексор | DMX |
| двоичный | СТ2 | Селектор | SL |
| десятичный | СТ10 | Дискриминатор | DIC |
| Задержка | DL | Ключ | SW |
| Генератор | G | Нелогический элемент | * |
| Усилитель | | ||
| Усилитель мощности | |
В дополнительных полях условного графического обозначения элементов цифровой техники дается информация о функциональных назначениях выводов, указатели, метки (см. в ГОСТ). Для указания сложной функции допускается построение составной метки, образованной из основных меток. Например, функция «данные контрольные» отображается как DSO, «разрешение записи» - ERD, «строб считывания» - RDM.
Допускается в качестве меток вывода применять обозначения функции, порядковый номер, а также весовые коэффициенты разрядов. Для нумерации разрядов в группах выводов к обозначению метки добавляют номера разрядов. Позиционное обозначение элемента схемы в общем случае состоит из вида, номера и функции элемента, записываемых подряд. Вид и номер элемента являются обязательной частью его буквенно-цифрового обозначения и присваиваются всем элементам и устройствам. Буквенные коды групп элементов схем приведены в таблице.















