lec09 Электрические соединения РЭС (560721)
Текст из файла
14
КОНСТРУИРОВАНИЕ РАДИОЭЛЕКТРОННОЙ ГЕОФИЗИЧЕСКОЙ АППАРАТУРЫ
Development and creation of geophysical instruments. Electric connections in radio electronic apparatus
Тема 9: ЭЛЕКТРИЧЕСКИЕ СОЕДИНЕНИЯ
В РАДИОЭЛЕКТРОННОЙ АППАРАТУРЕ
Боги пекутся о великом, но малым пренебрегают.
Марк Туллий Цицерон. Римский политик и философ. I в. до н.э.
Хочешь создать великое, не пренебрегай малым. Не раз наблюдал, как один паршивый проводник превращал великое творение в аккуратненькую кучку отлично сделанного металлолома.
Роберт Тимофеевич Шарло. Уральский геофизик. ХХ в.
Содержание:
-
Виды электрических соединений. Линии передач (ЛП). Электрически короткие ЛП. Электрически длинные линии передачи. Отражение сигналов в длинных линиях. Согласование электрически длинных ЛП.
-
Конструкции сигнальных линий передач. Монтажные провода. Свитая пара. Коаксиальный кабель. Печатные проводники. Электрические параметры объемного монтажа. Разводка ЛП. Волоконно-оптические ЛП.
-
Линии электропитания. Виды линий. Падение напряжения на линиях. Развязывающий конденсатор.
-
Конструирование заземления.
-
Электрические контакты. Виды соединений. Выбор электрических соединителей.
9.1. Виды электрических соединений [2]
Линии передач (ЛП). Под электрическими соединениями понимают линии передачи (ЛП) и электрические контакты, служащие для передачи сигналов и электрической энергии между МС, радиодеталями и модулями, образующими РЭА. Электрические соединения бывают внутри- и межмодульными, внутри- и межблочными и т. п., что обусловливает их конструктивное исполнение.
По выполняемым функциям различают сигнальные ЛП, объединяющие входы и выходы элементов и модулей и предназначенные для передачи сигналов, и ЛП электропитания, осуществляющие подвод электрической энергии к элементам. Все ЛП имеют прямой и обратный провод. Обратный провод называют землей, линией нулевого потенциала, общим проводом. Выделяют неэкранированные и экранированные ЛП. Экраны обеспечивают защиту линий от воздействия электрических, магнитных и электромагнитных полей. В зависимости от конструктивных особенностей обратного провода ЛП подразделяют на симметричные, состоящие из двух одинаковых изолированных проводов, несимметричные с одним общим проводом для многих ЛП, и коаксиальные, с обратным проводом по оплетке коаксиального кабеля.
В общем случае, линии передачи должны обладать:
-
минимальным активным и индуктивным сопротивлениями;
-
однородным по длине линии волновым сопротивлением;
-
минимальным полем вокруг линии при протекании по ней тока;
-
способностью передачи сигналов в широком диапазоне частот, токов и напряжений;
-
минимальной толщиной изоляции с диэлектрической проницаемостью, близкой к 1;
-
способностью к объединению в узлы;
-
способностью к автоматизации при проведении монтажных работ.
Универсальных ЛП, удовлетворяющих всем требованиям одновременно, не существует. В реальных конструкциях применяют разнообразные типы ЛП в зависимости от назначения и функциональных особенностей аппаратуры. На выбор типа ЛП влияют форма передаваемых сигналов, их напряжение и частота, ослабление сигнала на единицу длины линии, механическая гибкость, технологические требования и другие факторы.
Радиоэлектронные устройства содержат разнообразные по выполняемым функциям элементы и модули, отличающиеся характером обрабатываемых сигналов, их мощностью, частотой и пр. При передаче электрических сигналов по ЛП происходит искажение формы и спектра сигналов, их затухание. Искажение сигнала определяется степенью рассогласования параметров электронных схем с параметрами ЛП, взаимным влиянием расположенных по соседству ЛП, задержкой сигналов в ЛП. Выбор конструктивно-технологического варианта исполнения электрических соединений - важная и сложная задача, влияющая на качество проектируемой РЭА.
Электрический сигнал передается по проводнику тока, которым является металлическая проволока (провод), пленочные и печатные проводники. В поперечном сечении провода бывают круглыми или прямоугольными, пленочные и печатные проводники - прямоугольными. Провода защищаются изолирующими диэлектрическими оболочками, а при необходимости - экранами. По волноводам и волоконно-оптическим ЛП передается электромагнитная энергия радиочастотного (волновод) и светового (световод) диапазонов.
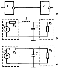
Рис. 9.1.1.
Для повышения производительности труда при сборке РЭА и упрощения электромонтажных работ ЛП объединяют конструктивно-технологически в узлы (рис. 9.1.1), состоящие, например, в жгутах из нескольких десятков линий.Линии электропитания представляют собой объемные провода, пленочные и печатные проводники, либо проводящие пластины. Конструктивное исполнение сигнальных ЛП более разнообразно и во многом определяется частотным диапазоном передаваемых сигналов.
Все сигнальные линии связи разделяют на электрически длинные и электрически короткие, характер искажения сигналов в которых различен.
Электрически короткой называют ЛП, длина которой для гармонического сигнала определяется по выражению
где а - частота сигнала, с - скорость света, - относительная диэлектрическая проницаемость среды, окружающей линию передачи.
Расчет ЛП для импульсных сигналов проводится на гармонику наибольшей частоты, значение которой приближенно равно а = 0.4/tф, где tф - значение фронта сигнала на уровне 0,1 и 0,9 амплитуды сигнала.
Рис. 9.1.2.
Электрически короткие ЛП. При анализе электрических процессов короткую ЛП моделируют эквивалентной схемой, состоящей из емкости и индуктивности ЛП, сосредоточенными в одной точке (рис. 9.1.2-б). Активным сопротивлением линии пренебрегают. Модуль 1, формирующий сигнал, представляется источником напряжения U с последовательно включенным сопротивлением R1. Модуль 2 является приемником сигнала и моделируется входным сопротивлением R2.При R2 >> R1 эквивалентную схему индуктивно-емкостной короткой линии совместно с сопротивлением R1 можно представить резонансным контуром, в котором могут возникнуть колебания с частотой:
В результате колебательного процесса напряжение на входе схемы 2 может многократно пересечь порог ее срабатывания и вызвать многократное изменение ее логического состояния. Если колебания в ЛП прекратятся за минимальное время длительности фронта передаваемого по линии сигнала, то они не окажут влияния на работоспособность аппаратуры. Условие отсутствия колебаний в линии выполняется при L ≤ CR12/4. В этом случае индуктивностью линии можно пренебречь (в).
Реакция емкостной ЛП (в) на синусоидальный сигнал будет проявляться в уменьшении амплитуды выходного напряжения и сдвиге фазы выходного сигнала относительно входного. В общем случае сигналы на входе и выходе ЛП могут существенно отличаться. Если ЛП нагружается на пороговые схемы, то при подаче на вход ЛП прямоугольного импульса амплитудой U время срабатывания схемы задерживается на величину:
tср = |ln(1-Uпор/U|,
где = R1С - постоянная времени, Unop — пороговое напряжение логического элемента 2. Если длительность импульса много больше , то ЛП передаст импульс практически без искажений. В противном случае линия передачи будет себя вести подобно интегрирующей RC-цепи, занижая амплитуду импульса и сглаживая его фронты.
Перекрестные помехи обусловлены электрическим, магнитным и электромагнитным взаимодействием расположенных по соседству ЛП. Микроминиатюризация и увеличение плотности упаковки проводников ставят перед конструктором важную задачу уменьшения помех до уровней, не влияющих на точную и надежную работу аппаратуры. Уровень помех зависит от взаимной индуктивности проводников и межпроводниковой емкости, создавая соответственно индуктивную и емкостную составляющие взаимных помех. Емкостная составляющая возрастает с ростом скорости изменения напряжения на входе ЛП и величин сопротивлений на концах линии, индуктивная помеха - с ростом скорости изменения тока в линии и увеличением числа нагрузок на выходе активной линии.
Снизить значение паразитной емкости между ЛП можно уменьшением длины совместного параллельного расположения проводов на минимально возможном расстоянии друг от друга, увеличением зазора между ними, укладыванием проводов, передающих различные по уровням сигналы, в отдельные жгуты, приближением ЛП к земле, введением экранированных проводов, использованием коаксиальных кабелей. Например, заземление оплетки коаксиального кабеля позволит целиком избавиться от емкостной помехи. Ослабить взаимную индуктивность можно за счет разнесения ЛП возможно дальше друг от друга, уменьшением площадей контуров, образуемых проводами, по которым протекают прямые и обратные токи ЛП, использованием экранированных проводов, свитых пар, коаксиальных кабелей.
Электрически длинные линии передачи. Хотя параметры линии являются распределенными вдоль ее длины, на эквивалентной электрической схеме ЛП их аппроксимируют сосредоточенными на малых фрагментах линии (рис. 9.1.3), где R, L, С - погонные (на единицу длины) сопротивление, индуктивность, емкость.
Рис. 9.1.3.
Важнейшей характеристикой электрически длинной ЛП является ее волновое сопротивление Z0.. Волновое сопротивление – это сопротивление линии электромагнитной волне при отсутствии отражений от концов линии. Оно зависит от первичных электрических параметров кабеля и частоты сигнала. Если электромагнитную волну представить в виде раздельных волн напряжения и тока, то соотношение между ними и представляет собой волновое сопротивление цепи: Z0 = U/I. Волновое сопротивление является комплексной величиной и состоит из активной и реактивной части. Зависимость волнового сопротивления от частоты повышается в области низких частот и имеет емкостной характер (2fL<Отражение сигналов в длинных линиях. При передаче сигналов по длинным линиям важно согласовать сопротивление нагрузки с волновым сопротивлением линии. В несогласованной линии одновременно присутствует прямая (падающая) волна, распространяющаяся от начала линии к ее концу, и отраженная от нагрузки обратная волна, передающаяся от конца линии к ее началу. Отношение амплитуды напряжения Uo отраженной от нагрузки R волны к амплитуде Uп падающей волны определяется коэффициентом отражения:
Uo/Uп = (R-Z0)/(R+Z0).
Отраженная волна распространяется от конца линии к началу (с определенной потерей энергии на Z0), через определенное время задержки tз достигает начала линии, и точно также отражается от выходного сопротивления источника сигнала. Значение скорости распространения волн на высоких частотах стремится к постоянной величине
, и, соответственно, tз =
. На низких частотах, где преобладает емкостной характер линии, время задержки может увеличиваться в 1.5-2 раза.
Если сопротивление в начале и конце линии соответственно R1 и R2 и соблюдается отношение R1 < Z0 < R2, то коэффициенты отражений на входе o1 и выходе o2 линии соответственно будут 0 > o1 > -1 и 0 < o2 < 1.
Рис. 9.1.4.
Искажение импульсного сигнала, когда длительность передаваемого импульса tи << tз, при прохождении его по ЛП показано на рис. 9.1.4. Сигналы на графиках соответствуют моментам их поступления на вход U1 и выход U2 ЛП. Следует обратить внимание на изменение полярности отражаемых сигналов в зависимости от соотношения величин R1 и R2 с величиной Z0. Таким образом, на вход линии поступил один импульс, а на входе нагруженной на линию МС с периодом 2tз может оказаться несколько импульсов, превышающих порог ее срабатывания.Согласование электрически длинных ЛП. Уменьшения или полного исключения отражений в длинных линиях можно добиться их согласованием. Линия передачи считается согласованной, если сопротивление, на которое она нагружена, равно волновому сопротивлению линии, при этом значение o2 становится равным нулю. Рекомендуется также проводить согласование линии и с источником сигнала, если его выходное сопротивление R1 много меньше Z0, что обнуляет значение o1. Согласование обеспечивается введением согласующих резисторов Rc на входах и выходах ЛП. Для источников сигналов с малым выходным сопротивлением применяют последовательное согласование с ЛП (R1+Rc Z0), на приемниках сигналов с высоким входным сопротивлением – параллельное согласование (R2 || Rc Z0). При большем количестве нагрузок на выходе ЛП для согласования используют эмиттерные повторители (см. рис. 9.1.5, в).
Рис. 9.1.5.
При конструировании цифровой аппаратуры входы триггеров, одновибраторов, регистров не рекомендуется подключать непосредственно к длинным линиям. Отсутствие буферных каскадов из-за значительной емкостной нагрузки и наличия отражений приведет к неустойчивой работе аппаратуры. В качестве буферных каскадов для восстановления фронтов импульсов обычно используются триггеры Шмитта. Аналогично буферные каскады рекомендуется использовать и для согласования коаксиальных кабелей с волновым сопротивлением 50 Ом, при этом выход кабеля нагружается на сопротивление 51 Ом.В зависимости от специфики разрабатываемой аппаратуры в качестве длинных линий используют микрополосковые и полосковые печатные проводники, свитую пару, плоский кабель, коаксиальный кабель. При высоком уровне внешних для ЛП электромагнитных помех рекомендуется применение коаксиальных кабелей и свитых пар с формированием разнополярных сигналов на обоих проводах пары.
Высокочастотный переменный или импульсный ток неравномерно распределяется по сечению проводника, имея наибольшую плотность у его поверхности, что является результатом проявления поверхностного эффекта. Поверхностный эффект увеличивает сопротивление проводника переменному току. Влияние поверхностного эффекта сказывается на искажении фронта и формы импульса, так как разные частоты затухают в материале проводника неодинаково. Для ослабления влияния поверхностного эффекта используют провод, свитый из большого числа изолированных друг от друга жил и.
Для устранения перекрестных помех линии передачи экранируют. Применение ЛП с экранирующей металлической оболочкой является эффективным способом ее защиты от воздействий электрического и электромагнитного полей. Экраны необходимо заземлять короткими проводами минимального индуктивного сопротивления либо путем непосредственного контакта с корпусом прибора. Отсутствие заземления экранов ЛП не устраняет емкостную связь между центральными проводами. Если ток, протекающий по центральному проводу ЛП, равен обратному току через его оплетку, то в пространстве, окружающем линию, электромагнитное поле отсутствует.
9.2. Конструкции сигнальных ЛП [2]
Монтажные провода. Материалом токопроводящих жил проводов являются медь и ее сплавы. С уменьшением габаритов аппаратуры, уменьшением длин и диаметров монтажных проводов, а также ужесточением требований механических воздействий, все большее применение стали находить медные сплавы, обладающие более высокой прочностью на разрыв и гибкостью при небольшом ухудшении проводимости.
Монтажные провода бывают одно- и многожильными. Высокая гибкость, долговечность и надежность провода в условиях воздействий ударов и вибраций обеспечивается свиванием нескольких одиночных проводов в многожильный. Промышленность выпускает многожильный провод на 3, 7, 12, 17, 19, 27 и 37 круглых жил. Многожильный провод с суммарной площадью поперечного сечения токопроводящих жил, равной площади поперечного сечения одиночного провода, имеет несколько больший диаметр и стоимость, которые возрастают с увеличением числа жил. Повышение механической прочности многожильных проводов достигается введением в конструкцию провода центральной упрочняющей стальной жилки.
Защиту от электрического замыкания провода на корпус изделия или на соседний провод осуществляют нанесением на токопроводящую жилу изоляционного покрытия. Материал и конструкция изоляции должны обеспечивать высокие значения электрических параметров (диэлектрическую прочность, сопротивление изоляции, диэлектрическую постоянную) в процессе и после приложения внешних воздействий, а также после длительного хранения. В настоящее время существует большое разнообразие различных типов изоляционных покрытий.
Провод выбирают исходя из требуемых условий эксплуатации, нагрузки по току, допустимого падения напряжения, утечки тока, диэлектрической прочности. Одножильные провода рекомендуется использовать в стационарной аппаратуре, не подверженной воздействиям ударов и вибраций. Увеличение числа жил провода повышает его стойкость к многократным перегибам в условиях воздействий вибраций. Многожильные провода применяют в бортовой аппаратуре.
Можно рекомендовать следующий размерный ряд сечений токопроводящих жил монтажных проводов: 0,03; 0,05; 0,08; 0,12; 0,20; 0,35; 0,50; 0,75; 1,0; 1,5; 2,5 мм2. Выбор диаметра провода зависит от протекающего тока и допустимого перегрева провода. Плотности тока для различных диаметров проводов при длительных допустимых токовых нагрузках, приводящих к перегреву провода на 20 °С относительно окружающей среды, приведены в таблице.
Допустимые токи нагрузки медных проводов
| Электрический параметр | Диаметр, мм | |||||||||
| 0,25 | 0,35 | 0,5 | 0,7 | 0,9 | 1,1 | 1,4 | 1,6 | 1,8 | 2,5 | |
| Плотность тока, А/мм2 | 14 | 13 | 12 | 10 | 10 | 10 | 9 | 9 | 8 | 8 |
| Ток, А | 0,7 | 1,3 | 2,5 | 4 | 7 | 10 | 14 | 17 | 20 | 30 |
Ниже в таблице приведены марки широко используемых монтажных проводов.
Марки монтажных проводов
| Провод монтажный | Марка | Темп.,°С | Область применения |
| С волокнистой и полихлорвиниловой изоляцией | МШВ, МГШВ, МГШВЭ | -60/+70 | Фиксированный внутри- и межприборный монтаж устройств для полевых условий |
| С полихлорвиниловой изоляцией | МГВ, МГВЭ, МГВЛ, ПМВ, ПМОВ, ПМВГ | -60/+70 | Фиксированный монтаж слаботоковой аппаратуры |
| С лавсановой изоляцией, теплостойкий | МГТЛ, МГТЛЭ | -60/+150 | Фиксированный и гибкий внутриприборный монтаж |
| Малых сечений | МГТФ, МГСТФ, МГТФЭ | -60/+70 | Монтаж слаботоковой аппаратуры |
| С полиэтиленовой изоляцией повышенной теплостойкости | ПМП, ПМПЭ, ПМПЛ | -60/+220 | Внутри- и межприборный монтаж |
Свитая пара. Свитую пару получают переплетением между собой с определенным шагом двух изолированных проводов. При свивании проводов снижаются электромагнитные связи между цепями и повышается их защищенность от взаимных и внешних помех. Благодаря свиванию проводов вместо одного контура связи получается как бы несколько одинаковых по площади малых контуров, при этом наводимые внешним электромагнитным полем токи помех, имеющие в свитой паре противоположное направление и взаимно компенсирующиеся.
Для ЛП с диаметром жил 0,9-1,2 мм шаг свивания должен быть 100-300 мм, для диаметров 0,3-0,8 мм шаг выбирают в пределах 40-90 мм. Для различных шагов свивания коэффициенты ослабления помех составляют следующие значения:
Шаг свивания, мм ............................. 100 75 50 25.
Коэффициент ослабления, дБ .......... 23 37 41 43.
Индуктивность свитой пары ниже, чем индуктивность несимметричной двухпроводной ЛП. Волновое сопротивление свитой пары вычисляется по формуле:
где в, и - относительная диэлектрическая проницаемость воздуха и изоляции проводов, dи и d - диаметр провода с изоляцией и без изоляции.
Свитая пара обеспечивает хорошую защиту передаваемых сигналов от влияния электромагнитных помех до частоты 100 кГц и удовлетворительную до частоты 10 МГц, гарантируя при этом постоянство волнового сопротивления.
Коаксиальный кабель. Улучшение помехозащищенности ЛП в высокочастотной аппаратуре обеспечивается применением коаксиальных кабелей. Коаксиальный кабель является двухпроводной ЛП, состоящей из внешнего трубчатого проводника (оплетки), внутри которого соосно размещается провод, разделенный диэлектрической средой от оплетки.
Промышленность выпускает коаксиальные кабели с волновым сопротивлением от 50 до 3200 Ом и номинальным диаметром от 0,6 до 120 мм. Марка кабеля указывает на его тип, волновое сопротивление, диаметр, группу изоляции и нагревостойкости, порядковый номер разработки. Например, марка кабеля РК-50-4-11 означает, что это радиочастотный кабель с волновым сопротивлением 50 Ом, диаметром 4 мм, обычной нагревостойкости 1 с порядковым номером разработки 1 .
Коаксиальный кабель используют для передачи разнообразных сигналов в широком частотном диапазоне. Постоянство электрических параметров, высокая защищенность от электрических и электромагнитных полей обусловливает широкое использование коаксиальных кабелей.
При межприборной коммутации низкочастотной аппаратуры оплетка коаксиального кабеля для предотвращения появления контуров заземления заземляется на одном конце через выводы электрического соединителя. Оплетка кабеля высокочастотной аппаратуры соединяется с линией нулевого потенциала в нескольких точках через интервал 0,25 , где длина волны передаваемого сигнала на самой высокой частоте. При протекании значительных токов по линии нулевого потенциала многоточечное заземление кабеля теряет свою эффективность.
В таблице приведены основные марки коаксиальных кабелей.
| Кабель | Марка | Темп., °С | Область применения |
| Радиочастотные со сплошной изоляцией | РК-50-2, РК-75-4,РК- 100-7, РК-50-9, РК-75-9 | -60/+70 | Стационарная и передвижная аппаратура |
| Спиральные | РС-400-7, PC-1600-7 | -60/+85 | Элементы задержки импульсных сигналов |
| Радиочастотные теплостойкие малогабаритные | РКТ-72, РКТ-73 | -60/+125 | Внутриблочный монтаж |
Наличие оплетки коаксиального кабеля приводит к резкому возрастанию емкости прямого проводника на экран, что обязательно должно учитываться на этапе проектирования схем. Коаксиальные кабели имеют значительные габариты, сложны в монтаже и рекомендуются к использованию для внутри и межмодульной коммутации.
Печатные проводники. В низкочастотной аппаратуре узкие плоские сигнальные проводники печатных плат (ПП) располагают на диэлектрическом основании совместно с проводниками электропитания и нулевого потенциала, которые для уменьшения падения напряжения на них выполняются широкими, насколько это возможно. Одно- и двусторонние ПП не обеспечивают для всех проводников однородного и стабильного волнового сопротивления, поскольку сигнальные проводники располагаются на разных расстояниях от проводника нулевого потенциала. Между проводниками имеет место значительная емкостная и индуктивная связь.
В высокочастотной аппаратуре уменьшение паразитной связи между проводниками достигается введением в конструкцию платы экрана, заземление которого обеспечивает также и одинаковые значения волновых сопротивлений сигнальных проводников. Экран является общим для всех проводников платы и выполняется в виде одного или нескольких проводящих слоев многослойной ПП. Функцию экрана в многослойных платах часто выполняет сплошной слой электропитания.
Расчетные соотношения для электрических параметров печатных проводников приведены в таблице. В первой строке таблицы показан эскиз микрополосковой, во второй — полосковой ЛП. При расположении проводников на границе двух диэлектриков, например плата - воздушная среда или плата - лаковое покрытие, можно использовать расчетные соотношения первой строки таблицы, вычислив по приближенной формуле: = (1+2)/2, где 1 и 2 - относительная диэлектрическая проницаемость сред, на границе которых располагается проводник.
П
оскольку диэлектрическая проницаемость лакового покрытия платы выше, чем у воздуха, то волновое сопротивление микрополосковых линий, покрытых лаком, будет меньше, а емкость - выше.
У двухпроводной ЛП, в которой обратный ток протекает по общему для всех схем проводу (земле), с возрастанием зазора между проводом и землей увеличивается индуктивность за счет увеличения токового контура ЛП. Помеха обусловливается действием магнитного поля контуров связи соседних проводов, а также активных компонентов, создающих магнитные поля. Уменьшение паразитной связи возможно сокращением площади контура путем укладки провода непосредственно по поверхности земли. Обратный провод двухпроводной ЛП в низкочастотных схемах должен заземляться в одной точке на входе или выходе линии связи во избежание появления контуров токов заземления и, как следствие, помехи из-за возможной разности потенциалов между точками заземления.
Э
лектрические параметры объемного монтажа. Аналитические зависимости для оценки электрических параметров некоторых вариантов объемного монтажа представлены в таблице. В практике конструирования трудно получить волновое сопротивление ЛП ниже 30 и выше 600 Ом. В зависимости от конкретного типа провода и шага свивания волновое сопротивление свитой пары составляет 110-130 Ом. При конструировании, например, цифровой аппаратуры, стремятся разрабатывать и использовать ЛП с большим волновым сопротивлением и малой шунтирующей емкостью.
Разводка ЛП осуществляется последовательно и параллельно. Сравнение типов разводок проводится по суммарной длине соединений, быстродействию, надежности соединений, развязки.
Рис. 9.2.1.
Последовательная разводка обеспечивает минимальные длины связей, легкость в проектировании и монтаже. Недостатком является наличие цепей, по которым текут суммарные токи приемников П, вызывающие значительные падения напряжения на проводниках и, как следствие, гальванические помехи. Отказ одного контакта или проводника приводит в худшем случае к отказу всех схем, нагруженных на источник сигнала И.При параллельной разводке имеет место наилучшая развязка цепей. Отказ одного проводника или контакта скажется на работоспособности только одного приемника П. Однако суммарная длина проводников монтажа увеличится. Наличие параллельных цепей связи ведет к перекрестным помехам. Но, с другой стороны, параллельная разводка позволяет увеличить быстродействие систем.
Волоконно-оптические ЛП. Использование многожильных волоконно-оптических кабелей позволяет значительно уменьшить объем и массу электрических соединений и исключить влияние перекрестных помех. Основу волоконно-оптической ЛП составляет оптический кабель - световод, состоящий из проводящей среды (сердцевины) и оболочки, с разными показателями коэффициентов преломления. Передача светового сигнала происходит из-за преломления и многократного полного отражения энергии сигнала на границе серцевины и оболочки при переходе из среды с одним коэффициентом преломления в среду с другим коэффициентом преломления.
В волоконно-оптической ЛП (рис. 9.2.2) оптическая энергия от светодиода 1 за счет полного внутреннего отражения передается по сердцевине 2, воспринимается фотодиодом 4, ослабляясь на величину В = 20 lg(Рвх/Рвых)/l, где Рвх и Рвых - мощность оптического сигнала на входе и выходе световода, l - длина световода.
Рис. 9.2.2.
Пропускная способность ЛП характеризуется ослаблением сигнала, которое обычно не превышает 5 дБ/км. Ослабление увеличивается при наличии неоднородностей и искривлений световода и достигает максимума, если радиус изгиба становится равным 1/2 длины волны передаваемого сигнала. Однако для большинства материалов световодов ограничением на минимальный радиус изгиба (обычно около 50 мм) является не чрезмерное ослабление сигнала, а растрескивание материала световода. Ослабление для кварцевых световодов составляет не более 2 дБ/км при диаметре световода 200 мкм и радиусах изгиба 50 мм.В качестве материала световодов используют полимеры, стекло, кварц. Световоды поставляются отрезками длиной до 100 м. Отрезки можно сращивать после шлифования торцов склеиванием, нагревом концевых частей и сращиванием под давлением, соединительными металлическими или пластмассовыми втулками, надеваемыми на концевые части сращиваемых отрезков.
Оптический кабель состоит из скрученных световодов в общей защитной оболочке. По конструктивному исполнению многожильные волоконно-оптические кабели разнообразны и отличаются числом и формой укладки световодов, способом объединения в единую конструкцию, защитой от внешних воздействий. Каждый световод покрывается одно- или двухслойной защитной оболочкой. Внешняя защитная оболочка объединяет световоды в единую жесткую конструкцию, обеспечивая защиту от внешних воздействий. Центральная металлическая жила придает оптическому кабелю дополнительную жесткость.
9.3. линии электропитания [2]
Виды линий. Электроэнергия от источника к потребителям подводится двумя проводами - потенциальным и нулевым. Сложная аппаратура требует нескольких источников вторичного электропитания (ИВЭП). Потенциальные провода всех ИВЭП называются линиями электропитания и выполняются в виде индивидуальных проводов, нулевые провода в большинстве случаев объединяют и выполняют в виде одного мощного провода или металлического листа.
Выделяют параллельные, последовательные, а также точечные и параллельно-последовательные линии электропитания. Сравнение и выбор схем проводится по падению напряжения, нагрузочной способности по току, легкости проведения электромонтажных работ и некоторым другим факторам. В сложной РЭА из-за ограничений на конструкцию одновременно можно использовать несколько вариантов разводки электропитания, если подобный подход позволит улучшить электрические параметры, упростить монтаж, повысить ремонтопригодность.
Электропитание по схемам параллельной и последовательной разводки подводится гибкими одно- и многожильными проводами, подсоединяемыми к выводам питания потребителей электроэнергии (ПЭ). Преимуществом этих схем разводки является простота конструкции, легкость в проектировании и монтаже, необходимость в двух коммутационных выводах ПЭ для каждого питающего компонента (подводящего и отводящего).
Точечную разводку осуществляют жестким проводом и системой гибких проводов, с одного конца подпаиваемых к жесткому проводу, а с другого — к ПЭ. Параллельно-последовательную разводку рекомендуется применять при регулярном расположении ПЭ. Как и при точечной разводке, суммарные токи протекают по мощной линии электропитания с большой площадью поперечного сечения. Линии электропитания и нулевого потенциала выполняют в виде единой конструкции, состоящей из двух медных проводников или проводов круглого сечения, защищенных от короткого замыкания изолирующими пластинами или воздушным промежутком.
Рис. 9.3.1.
Падение напряжения на линиях. Рассчитаем падение напряжения на линии электропитания. Для этого введем следующие допущения. Полагая токи ПЭ независящими от изменения напряжения электропитания, представим ПЭ приемником тока, что правомерно для аппаратуры, разрабатываемой на микросхемах, имеющими допуск по питающему напряжению в 5-10 %. Расчет проведем как для последовательной разводки. Для упрощения будем считать, что токи приемников электропитания Iпэ равны, а также равны и сопротивления Z участков линии, между которыми подсоединяются ПЭ. Без учета падения напряжения на линии нулевого потенциала, падение напряжения на линии электропитания:Uлэ = Iпэ Z (1+2+…+n) = Iпэ Z n(n+1)/2,
где n - число ПЭ.
В приведенном выражении произведение nZ есть сопротивление линии электропитания (ЛЭП). Полагая, что nZ = Znlлэ, получим
Uлэ = Iпэ Znlлэ (n+1)/2,
где Zn - сопротивление на единицу длины линии (погонное сопротивление), lлэ - длина ЛЭП.
Уменьшая сопротивление и длину ЛЭП, а также число подсоединяемых к линии ПЭ, можно снизить Uлэ в любое число раз. Сделать меньшей длину линии можно микроминиатюризацией и соответствующей компоновкой аппаратуры, снижением числа ПЭ - введением в конструкцию нескольких линий, подсоединяемых к одному ИВЭП. Другой путь уменьшения падения напряжения на линии электропитания - уменьшение сопротивлений Z или Zn.
Падение напряжения на ЛЭП при последовательной разводке быстро увеличивается с возрастанием числа ПЭ. Поэтому эти типы разводок, если токи ПЭ велики, а сопротивления линий сравнимы с сопротивлением нагрузки, применять не рекомендуется.
Развязывающий конденсатор, подсоединяемый к выходу источника непосредственно у ПЭ, является для ПЭ как бы индивидуальным источником питания и осуществляет его электропитание накопленной энергией. Требуемая емкость развязывающего конденсатора вычисляется по формуле Ср ≥ k tф2/L, где k - кратность уменьшения падения напряжения на линиях электропитания и нулевого потенциала, tф - наименьшая длительность фронта импульсного сигнала, L - суммарная индуктивность линий электропитания и нулевого потенциала. При расчете конденсатора определяют падение напряжения на линии электропитания и для обеспечения работоспособности ПЭ принимают решение об уменьшении этого напряжения в k раз. Для улучшения режима работы аппаратуры развязывающие конденсаторы с выводами минимальной длины устанавливаются у каждого ПЭ.
Полное сопротивление ЛЭП складывается из активной и реактивной составляющих, однако, уже на частоте 100 кГц активным сопротивлением можно пренебречь и рассматривать только индуктивную составляющую. Уменьшение индуктивности ЛЭП можно достигнуть увеличением размеров ее поперечного сечения. Однако подобный подход не всегда результативен. Например, медный провод длиной 200 мм и диаметром 0,1 и 0,2 мм обладает соответственно индуктивностью 330 и 210 нГн, и при увеличении расхода меди в 4 раза индуктивность уменьшилась только в 1,5 раза.
Меньшей индуктивностью при одинаковых геометрических размерах обладает провод, расположенный над землей, большей - провода круглого и прямоугольного сечений. Наибольшее волновое сопротивление имеет провод круглого, наименьшее — прямоугольного сечения. Для согласования с внутренним сопротивлением ИВЭП волновое сопротивление ЛЭП должно быть минимально возможным.
9.4. конструирование заземления [2]
В схеме, как правило, выделяют базу с нулевым потенциалом, которую называют землей и относительно которой проводят отсчет всех электрических потенциалов схемы. Конструктивно эта база выполняется проводом, проводником (шиной), металлической полосой или листом. Поскольку аппаратуру заземляют (обеспечивают электрическое соединение металлического корпуса с реальной землей), то для отличия реальной земли точку отсчета потенциалов схемы будем называть схемной землей.
Термин «земля» был установлен применительно к электротехническому оборудованию, для которого в качестве обратного провода использовали почву. В РЭА в качестве обратного провода используют не металлический корпус аппаратуры, а общий провод, который из соображений техники безопасности подсоединяют к земле. По общему проводу протекают возвратные токи электронных схем, которые вызывают появление разницы в электрических потенциалах на общих выводах (земле) компонентов схемы и гальванических помех при изменениях токов электронных схем. В сложной аппаратуре с одним общим проводом гальванические помехи могут представлять существенную проблему.
В небольших электронных системах получить низкоомный общий проводник относительно несложно, в сложных системах - крайне трудно. Для снижения уровня гальванических помех при проектировании выделяют общие провода первичной и вторичной системы электропитания, высокочувствительных низкоуровневых схем, относительно нечувствительных мощных высокоуровневых схем, импульсных схем. Для уменьшения помех по земляным соединениям для различных подсхем системы используются несколько ИВЭП каждый со своим общим проводом.
Поскольку размеры систем увеличиваются, то возрастает также влияние взаимных индуктивностей и распределенных емкостей между общими проводами, которые становятся заметными уже на сравнительно низких частотах.
Общие провода электронных приборов объединяются по схемам одно- и многоточечного заземления. В первом случае общие провода модулей системы подсоединяются к общей нулевой точке. Связь модулей через общее сопротивление нулевого потенциала отсутствует, но будет иметь место через взаимные индуктивности и емкости, подсоединяемых к нулевой точке земляных проводов модулей. На высокой частоте паразитная емкость образует низкое, а индуктивность проводов - высокое сопротивление, что ухудшает свойства системы заземления. Для уменьшения взаимной индуктивности общие проводники должны быть ориентированы взаимно перпендикулярно, что для большого числа элементов сделать практически невозможно.
Земля высокочастотной аппаратуры чаще всего представляет собой проводящую плоскость (тонкий медный лист монтажной панели, фольга многослойной печатной платы), к которой модули по месту установки подсоединяются отводами минимальной длины (многоточечное заземление). Для предотвращения излучения проводником в окружающее пространство электромагнитной энергии длина проводника, м, должна быть l ≤ /50 < 6/f, где длина волны, м; f - частота, МГц.
Заземление корпуса РЭА служит для предохранения обслуживающего персонала от поражения электрическим током при прикосновении к металлическим деталям конструкции, а также для защиты РЭА от воздействия помех, создаваемых размещенным по соседству оборудованием. Заземлению не подлежит аппаратура, работающая при безопасном напряжении, имеющая двойную или усиленную изоляцию, а также надежный контакт с корпусом объекта установки.
Заземление корпуса осуществляется системой проводов или одним общим проводом и обеспечивает электрическое объединение всех металлических элементов конструкции модулей с заземлителем. Заземлителем называют проводник или систему проводников, выполненных из проводящего материала и находящихся в непосредственном соприкосновении с почвой, нейтралью первичной питающей сети, располагаемой обычно около фундамента здания, и т. п. Заземление корпуса должно гарантировать сохранение потенциала нейтрали на элементах конструкции при нарушении изоляции провода распределительной системы электропитания и касания этим проводом металлических конструкций. Система блокировки при подобной ситуации отключает аппаратуру от питающего напряжения и защищает персонал от поражения электрическим током.
9.5. электрические контакты [2]
Виды соединений. В РЭА используются временные, постоянные и полупостоянные электрические контакты. К временным следует отнести разъемное и винтовое соединение, к постоянным - сварку, полупостоянным - паяное соединение, соединение накруткой и опрессовкой.
Разъемные соединения обеспечивают быструю установку и удаление элементов конструкции и используются для повышения ремонтопригодности аппаратуры.
Винтовое соединение является основным видом соединения проводов к электрическим машинам и приборам и позволяет коммутировать провода независимо друг от друга. Медные проводники малых сечений изгибают в кольцо под винт, а чтобы не расходились жилы многожильных проводов, пропаиваются или спрессовываются кольцевыми наконечниками. Предотвращение возможного ослабления контактного давления при циклических температурных воздействиях и вибрациях возможно введением под винт пружинной шайбы или шайбы-звездочки.
Соединение пайкой осуществляется расплавленным припоем с температурой плавления ниже температуры плавления соединяемых проводников.
Сварочное соединение обладает высокой механической прочностью, способностью выдерживать циклические температурные воздействия, обеспечивает высокую плотность монтажа и рекомендуется для применения при разработке микроминиатюрной аппаратуры. При выполнении соединений сварочными токами можно повредить МС, диоды, транзисторы.
Соединение накруткой получают без разогрева материалов путем накручивания под натягом вокруг жесткого вывода нескольких витков одножильного провода. В сечении вывод представляет квадратную или прямоугольную форму с острыми углами. Материал вывода должен быть достаточно прочным, чтобы противостоять скручивающим усилиям, обладать хорошим сопротивлением на сминание накручиваемым проводом и низким омическим сопротивлением. Подобными свойствами обладают фосфористая и бериллиевая бронзы. В качестве материала проводника используется относительно мягкий и пластичный материал, сохраняющий форму накрутки. Соединение обеспечивает высокую надежность при жестких механических и климатических воздействиях. Основными причинами отказа соединения является ухудшение переходного сопротивления из-за коррозии соединения.
Использование пайки и накрутки позволяет автоматизировать производство электромонтажных работ. Пайка и сварка обеспечивает высокую плотность монтажа.
При опрессовке два провода вводят в соединительную металлическую трубчатую гильзу, которая механически обжимается, в результате чего между проводами через гильзу будет иметь место электрический контакт. Надежность соединения во многом зависит от соотношения размеров гильзы и диаметра провода, усилия обжатия и герметизации места соединения. Размеры и материал гильзы для каждого случая соединения подбираются экспериментально.
В РЭА используют соединения многих разнородных материалов: серебро, палладий, золото - в контактах соединителей, медь и ее сплавы - для проводов, клемм, гнезд и штырей соединителей; оловянно-свинцовые припои в соединениях; цинк, никель, кадмий - для защитных покрытий крепежа и т. д. В местах соединений разнородных материалов возникают термоэлектрические потенциалы, зависящие как от материалов, так и температуры в соединении. Разница температур в различных частях конструкции может привести к погрешностям из-за наличия термоэлектрических потенциалов электрических соединений в высокочувствительных низкоуровневых схемах с высокими коэффициентами усиления. Основными принципами уменьшения погрешностей термоэлектрических потенциалов являются минимизация числа соединений, использование материалов с низкой термоэлектрической способностью. Наличие окислов на проводах, соединяемых накруткой, в значительной степени увеличивает термоэлектрическую способность соединений (до 0,9 мкВ/°С). Поэтому с проводов перед накруткой должны тщательно удаляться окислы.
Выбор электрических соединителей. Электрический соединитель должен выдерживать более жесткие внешние климатические и механические воздействия, чем аппаратура, в которую соединитель устанавливается. Запас по внешним воздействиям обеспечит его надежную работу в процессе эксплуатации. Чем больше контактов соединителя, тем меньше параметры надежности, приходящиеся на один контакт. Поэтому при отсутствии жестких ограничений на габариты и массу ЭА можно рекомендовать вместо одного устанавливать несколько соединителей с суммарным числом контактов, равным числу контактов внешних цепей изделия.
Цилиндрические соединители обеспечивают более надежную заделку жгута, имеют большую надежность и стабильность параметров. Однако монтаж прямоугольных соединителей за счет линейного расположения выводов более удобен.
Для конструктивных модулей всех уровней РЭА конструктор разрабатывает определенный способ коммутации. При этом, как правило, модули снабжаются соединителями, которые по назначению можно классифицировать как соединители разных уровней коммутации.
Взаимодействие на плате МС и радиоэлементов выполняется, как правило, паяными соединениями. Недостаток этого способа состоит в том, что для многовыводных компонентов затрудняется демонтаж, возникает необходимость в использовании специальной оснастки, паяльников для групповой пайки. Улучшение ремонтопригодности и снижение эксплуатационных затрат возможно применением в конструкции соединителей первого уровня коммутации. Соединители МС распаиваются на печатной плате, затем в них устанавливают МС. Электрический контакт выводов соединителя с выводами МС обеспечивается за счет холодного контактирования металлов.
Соединители второго уровня коммутации обеспечивают электрическое соединение ТЭЗ между собой на шасси или объединительной печатной панели. Соединители третьего уровня осуществляют коммутацию приборов, блоков, рам и стоек.
В зависимости от назначения различают соединители кабельные, приборно-кабельные и приборные. Кабельный соединитель служит для коммутации кабелей приборов. Вилочная и розеточная части соединителя не закрепляются на приборах, а фиксируются на кабелях. В приборно-кабельных соединителях один из элементов (обычно вилка) закрепляется на приборе, вторым элементом соединителя (розеткой) заканчивается кабель, и фактически происходит коммутация кабеля с прибором. В приборных соединителях осуществляется коммутация частей приборов между собой. При этом вилка (или розетка) закрепляется на модуле, а ответная часть соединителя - на корпусе прибора. Соединители снабжаются фланцами или специальными элементами закрепления.
Соединение вилки с розеткой бывает врубным, резьбовым и байонетным. Врубное соединение обеспечивается простым вставлением вилки в розетку, иногда с фиксацией сочлененного состояния замком. Резьбовое соединение кабельных и приборно-кабельных соединителей выполняется, резьбовой накидной гайкой, после завинчивания которой происходит коммутация и фиксация пар штырь-гнездо. Байонетное соединение обеспечивается пазом и выступом, вводимым в конструкцию вилки и розетки. При попадании выступа в паз и легком нажатии осуществляется скольжение выступа в пазе и фиксация в углубление.
Резьбовые соединители обеспечивают высокую надежность электрических соединений в условиях жестких механических воздействий. Врубное соединение позволяет быстро сочленять-расчленять соединитель, но такие соединители имеют низкую надежность в условиях воздействия ударов и вибраций. Байонетное соединение занимает промежуточное положение между врубным и резьбовым.
Соединитель выбирают исходя из назначения, предполагаемого способа монтажа, необходимого числа коммутируемых цепей, электрических и электромеханических параметров, внешних климатических и механических воздействий, надежности. К электрическим параметрам соединителей относятся максимальная рабочая частота, контактное сопротивление, рабочие токи и напряжения, сопротивление и электрическая прочность изоляции. К электромеханическим - усилие сочленения соединителя. Для удобства при эксплуатации усилие сочленения должно быть минимальным. Однако при воздействии ударов и вибраций возникает опасность изменения контактного сопротивления, появление виброшумов и шорохов на контактах, нарушение контакта.
Для аппаратуры низкого и среднего быстродействия из электрических параметров наиболее важными являются максимальные коммутируемые токи и напряжения. Однако при работе на высоких частотах возникает проблема согласования волновых сопротивлений коммутируемых цепей и контактных пар соединителей. Несогласованность приводит к искажению передаваемых сигналов, увеличению времени переходных процессов в цепях передачи сигналов.
В заключение следует отметить, что электрические соединители являются электромеханическими устройствами и чаще всего самым слабым звеном в РЭА. Причинами ненадежности в работе соединителей является их неправильная установка, некачественный монтаж, плохое обслуживание, пыль и грязь. Важнейшее требование к соединителю - прочность и адекватность конструкции изделия, на которое соединитель устанавливается. При установке соединителя на панель или корпус изделия последние должны обладать достаточной жесткостью, чтобы предотвратить передачу механических воздействий на соединитель и жгут.
Литература
-
Ивченко В.Г. Конструирование и технология ЭВМ. Конспект лекций. - /Таганрог: ТГРУ, Кафедра конструирования электронных средств. – 2001. - http://www2.fep.tsure.ru/russian/kes/books/kitevm/lekpart1.doc
-
Конструкторско-технологическое проектирование электронной аппаратуры: Учебник для вузов. – М.: Изд. МГТУ им. Н.Э. Баумана, 2002. – 528 с. URL: http://slil.ru/22574041/529407141/Konstruktorsko-tehnologicheskoe_proektirovanie_elektronnoj_apparatury.rar
Главный сайт автора ~ Лекции по конструированию аппаратуры
О замеченных опечатках, ошибках и предложениях по дополнению: davpro@yandex.ru.
Copyright ©2006 Davydov А.V.
Характеристики
Тип файла документ
Документы такого типа открываются такими программами, как Microsoft Office Word на компьютерах Windows, Apple Pages на компьютерах Mac, Open Office - бесплатная альтернатива на различных платформах, в том числе Linux. Наиболее простым и современным решением будут Google документы, так как открываются онлайн без скачивания прямо в браузере на любой платформе. Существуют российские качественные аналоги, например от Яндекса.
Будьте внимательны на мобильных устройствах, так как там используются упрощённый функционал даже в официальном приложении от Microsoft, поэтому для просмотра скачивайте PDF-версию. А если нужно редактировать файл, то используйте оригинальный файл.
Файлы такого типа обычно разбиты на страницы, а текст может быть форматированным (жирный, курсив, выбор шрифта, таблицы и т.п.), а также в него можно добавлять изображения. Формат идеально подходит для рефератов, докладов и РПЗ курсовых проектов, которые необходимо распечатать. Кстати перед печатью также сохраняйте файл в PDF, так как принтер может начудить со шрифтами.
















