!Полный КУРСАЧ РЭС (560474)
Текст из файла
МОСКОВСКИЙ АВИАЦИОННЫЙ ИНСТИТУТ
(технический университет)
_______
Кафедра 404
Курсовая работа по дисциплине:
"Основы конструирования и технологии РЭС"
Выполнил студент: Авдеенко С.А.
Группа: 04-317
Проверил преподаватель: Борисов В.Ф.
МОСКВА 2003.
Содержание.
Содержание.
Введение.
-
Техническое задание на разработку полосового фильтра.
-
Наименование и области применения.
-
Основание для разработки.
-
Цель и задачи разработки.
-
Источники разработки.
-
Литературные источники.
-
Конструкторские аналоги.
-
-
1.5.Технические требования.
1.5.1. Состав изделия и требования к конструкции.
1.5.2. Показатели назначения.
1.5.3. Требования к надёжности.
1.5.4. Требования к уровню унификации и стандартизации.
1.5.5. Требования к безопасности.
1.5.6. Эстетические и эргономические требования.
1.5.7. Условия эксплуатации.
1.5.8. Дополнительные требования.
1.6. Стадии разработки.
1.7. Комплектность документации.
2. Схемо-техническая отработка конструкции.
2.1. Краткое описание принципа работы полосового фильтра с приведением электрической принципиальной схемы.
2.2. Конструкторско технологический анализ элементной базы.
2.2.1. Обеспечение требований к массо-габаритным характеристакам полосового фильтра.
2.2.2. Обеспечение работоспособности РЭ в условиях эксплуатации выбранных для полосового фильтра.
2.2.3. Конструктивная и технологическая совместимость РЭ.
-
Разработка конструкции РЭС.
-
Выбор типа конструкции и компоновочной схемы модуля.
-
Выбор системы охлаждения.
-
Выбор конструкционных радио материалов.
-
Расчет элементов печатной платы и её площади.
-
Расчет размеров и разработка конструкции корпуса полосового фильтра.
-
Разработка топологии печатной платы.
-
-
Оценка показателей качества конструкции.
-
Тепловое моделирование и расчет теплового режима конструкции.
-
Расчёт вибропрочности.
-
Расчет надежности.
-
Литература.
Введение.
Курсовая работа по дисциплине "Основы конструирования и технологии радиоэлектронных средств" представляет собой заключительный этап изучения данной дисциплины. Ее цель - подготовить студентов к самостоятельному решению проектно-конструкторских задач при выполнении дипломного проекта и последующей работе на предприятиях промышленности.
Задачами курсовой работы являются:
-систематизация, расширение и углубление теоретических знаний по дисциплине;
- развитие и закрепление практических навыков разработки конструкций и технологии радиоэлектронных средств (РЭС);
- приобретение опыта работы с нормативно-технической документацией, технической литературой и разработки конструкторской и технологической документации на РЭС.
В курсовой работе предлагается разработать конструкцию бортового или наземного РЭС функционального различного назначения. Содержание конструкторских и технологических задач курсового проекта соответствует стадиям технического предложения, эскизного и технического проектирования.
-
Техническое задание на разработку полосового фильтра.
1.1. Наименование и области применения.
Наименование изделия – полосовой фильтр.
Применяется в радиоприёмных устройствах бытовой аппаратуры.
1.2. Основание для разработки.
Основанием для разработки служит задание на курсовое проектирование, выданное кафедрой №404.
1.3. Цель и задачи разработки.
Целью разработки служит комплект конструкторско-технологической документации на полосовой фильтр.
Задачами являются : схемо-техническая отработка конструкции, разработка конструкции, оценка показателей качества, оформление конструкторской документации.
1.4. Источники разработки.
1.4.1. Литературные источники.
-
“Основы конструирования и технологии РЭС” В.Ф.Борисов, А.А.Мухин, Ю.В.Чайка 2000 год МАИ.
-
“Элементы РЭУ “ Б.И.Горошков 1988 год.
-
“Конструирование радиоэлектронных средств” А.С.Назарова 1996 год.
-
“Справочник конструктора РЭА” Р.Г.Варламова 1980 год.
1.4.2. Конструкторские аналоги.
Аналогом данного полосового фильтра является узкополосный фильтр электрическая принципиальная схема которого приведена в [2] на стр.90.
Узкополосный фильтр обладает коэффициентом усиления 60 дБ. Центральная частота его равна 1 кГц, а полоса пропускания лежит в пределах от 890 до 1112,5 Гц. Затухание при расстройке на половину октавы от центральной частоты составляет 30 дБ, а на октаву 50 дБ, нестабильность частоты среза менее 1,5*10-6 , напряжение шума 2мкВ, напряжение выходного сигнала 4В.
1.5. Технические требования.
1.5.1. Состав изделия и требования к конструкции.
Конструктивно изделие должно представлять собой модуль выполненный с применением печатного монтажа , заключенный в герметичный корпус.
Требования к конструкции:
Масса не более -36,75 г.
Обьём не более - 61,25 см3.
Высота не более - 4,1 см..
Площадь печатной платы не более - 19см2.
1.5.2. Показатели назначения.
Полосовой фильтр должен обеспечивать следующие значения функциональных показателей :
полоса пропускания – 1кГц,
потребляемая мощность – 192 млВт,
центральная частота f0=3,8*103,
коэффициент передачи Ку=1,567.
1.5.3. Требования к надёжности.
Полосовой фильтр должен обеспечивать следующие показатели надёжности:
-среднее время наработки на отказ полосового фильтра не менее 41666 часов
-вероятность безотказной работы за 8 часов 0,999.
1.5.4. Требования к уровню унификации и стандартизации.
В полосовом фильтре должны быть использованы унифицированные и стандартизированные изделия. Уровни унификации и стандартизации оцениваемые коэффициентами унификации и стандартизации должны быть не менее 0,7.
1.5.5. Требования к безопасности.
Полосовой фильтр должен быть безопасен при производстве, эксплуатации и ремонте. По требованиям безопасности он должен соответствовать ГОСТ12.2.006-86.
1.5.6. Эстетические и эргономические требования.
Полосовой фильтр должен отвечать требованиям информационной выразительности, целостности композиции, рациональности формы, а также психофизиологическим, антропометрическим и гигиеническим требованиям.
1.5.7. Условия эксплуатации.
Полосовой фильтр должен сохранять работоспособность и обеспечивать значения параметров оговоренных в 1.5.2. при следующих уровнях окружающей среды :
температура окружающей среды от –40 до +55 С,
диапазон частот вибрационных воздействий от 10 до 30 Гц,
вибрационные перегрузки 19,6 м\с2,
пониженное атмосферное давление 61кПа.
1.5.8. Дополнительные требования.
Полосовой фильтр должен быть выполнен на основе отечественной элементной базы. В полосовом фильтре должны применяться материалы рекомендованные для выполнения бытовой техники.
1.6. Стадии разработки.
Календарный план сдачи курсового проекта :
8.03. ТЗ и схемо-техническая отработка конструкции,
31.03. Разработка конструкции РЭС,
20.04. Расчет показателей качества,
25.05. Оформление записки и графической части,
26-30.05. Защита.
1.7. Комплектность документации.
В комплект документации должны входить :
-расчетно-пояснительная записка,
-схема электрическая принципиальная,
-чертёж общего вида полосового фильтра,
-сборочный чертёж платы,
-чертежи деталей.
2. Схемо-техническая отработка конструкции.
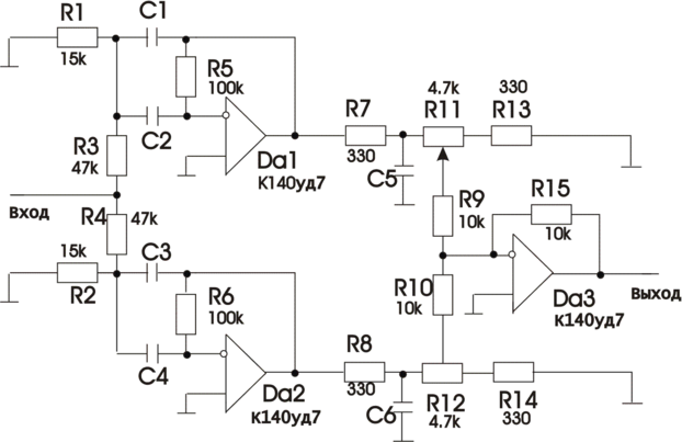
2.1. Краткое описание принципа работы полосового фильтра с приведением электрической принципиальной схемы.
АЧХ полосового фильтра формируется перемножением амплитудно-частотных характеристик двух узкополосных фильтров, центральные частоты которых разнесены. Формирование АЧХ DA1 происходит с помощью конденсаторов С1 и С2 и резистора R3. Формирование АЧХ DA2 происходит с помощью конденсаторов С3 и С4 и резистора R4. Повторитель выполнен на микросхеме К140УД7. Подстройка его АЧХ производится с помощью резисторов R11 и R12. Питание схемы производится источником в 24 В.
Электрическая принципиальная схема полосового фильтра приведена на рисунке 1.
Рис. 1.
2.2. Конструкторско технологический анализ элементной базы.
2.2.1. Обеспечение требований к массо-габаритным характеристакам полосового фильтра.
Данный пункт ставит перед собой цель показать, что радио элементы(РЭ) использованные в электрической принципиальной схеме полосового фильтра обеспечивают требования к массо-габаритным характеристикам полосового фильтра.
Для решения поставленной задачи в таблице №2.1. приведены массо-габаритные характеристики РЭ.
Таблица №2.1.
| Тип элемента | кол-во | Масса, гр | Размеры, мм | Установочная площадь,мм2 | Установочный объём, мм3 | |||
| Высота | Диаметр | L | B | |||||
| К140УД7 | 3 | 1,5 | 4,8 | 9,5 |
|
| 14,9 | 71,52 |
| МЛТ | 15 | 0,15 |
| 2,2 | 12 |
| 26,4 | 45,59 |
| К10-17 "А" С1,С2 | 2 | 1 | 5,6 |
| 8,4 | 6,7 | 56,28 | 315,168 |
| К10-17 "А" С3,С4,С5 | 3 | 0,5 | 5,6 |
| 6,8 | 4,6 | 31,28 | 175,168 |
| К10-17 "А" С6 | 1 | 2 | 5,6 |
| 12 | 8,6 | 103,2 | 577,92 |
Данные таблицы №2.1. позволяют найти суммарные массу конструкции, объём конструкции и установочную площадь. Используя средне статистические значения относительных параметров конструкции РЭС по найденным значениям суммарных массы, объёма и установочной площади элементов можно оценить ожидаемые значения массо-габаритных характеристик полосового фильтра.
Как показано в [1] масса конструкции m k=qm*mэл , где qm- коэффициент дезинтеграции по массе, mэл – суммарная масса РЭ. Примем значение qm=3 и определив по таблице №2.1. mэл=12,25 г ,найдём что m k=36,75 г. Сравнивая полученное значение с требованиями к массе записанной в ТЗ убеждаемся что выбранные РЭ обеспечивают требования к массе.
Объём конструкции может быть найден через массу и плотность конструкции. Vk= m k\m0 ,приняв m0=0,6 г\см 3 находим :
Vk=36,75\0,6=61,25 см3. Пересчитав требования к габаритным характеристикам полосового фильтра записанные в ТЗ в объём, найдём :
VkТЗ=61,25 см3. Сравнивая ожидаемые значения Vk с VkТЗ делаем вывод, что РЭ обеспечивают требования к габаритным характеристикам полосового фильтра.
Вычисляем площадь печатной платы по формуле : Sпп=qs*Sэл , где qs- коэффициент дезинтеграции по площади , Sэл – суммарная установочная площадь радиоэлементов. Примем значение qs=2,5 ,и определив по таблице №2.1. Sэл=7.5см2 ,находим Sпп=18,75см2.
Вычисляем высоту конструкции по формуле h=Vk/Sпп : h=61,25/18,75=3,3см.
2.2.2.Обеспечение работоспособности РЭ в условиях эксплуатации выбранных для полосового фильтра.
Чтобы убедиться в работоспособности радиоэлементов в условиях эксплуатации выбранных для полосового фильтра обратимся к таблице №2.2, в которой записаны условия эксплуатации РЭ.
Таблица №2.2.
| Тип элемента | Диапазон рабочих температур, С | Диапазон частот вибрации, Гц | Допустимые вибрационные перегрузки, м\с2 |
| К140УД7 | от -45 до +85 | от 5 до 500 | 40 |
| К10-17 "А" | от -60 до +85 | от 5 до 5000 | 40 |
| МЛТ | от -60 до +200 | от 5 до 2000 | 30 |
Сравнивая температурный диапазон с допустимыми значениями температур, которые даны в ТЗ, убеждаемся что температурный диапазон эксплуатации полосового фильтра лежит внутри температурного диапазона эксплуатации РЭ.
Из данных таблицы №2.2 также следует, что допустимые диапазоны частот вибрации и допустимые вибрационные перегрузки перекрывают эти же показатели для полосового фильтра, которые записаны в ТЗ, следовательно выбранные РЭ работоспособны в условиях применения полосового фильтра.
2.2.3.Конструктивная и технологическая совместимость РЭ.
Анализ габаритных размеров РЭ и их конструктивно-технологических характеристик позволяет сделать вывод о том, что среди РЭ отсутствуют РЭ выпадающие из общего размерного ряда.
Характеристики
Тип файла документ
Документы такого типа открываются такими программами, как Microsoft Office Word на компьютерах Windows, Apple Pages на компьютерах Mac, Open Office - бесплатная альтернатива на различных платформах, в том числе Linux. Наиболее простым и современным решением будут Google документы, так как открываются онлайн без скачивания прямо в браузере на любой платформе. Существуют российские качественные аналоги, например от Яндекса.
Будьте внимательны на мобильных устройствах, так как там используются упрощённый функционал даже в официальном приложении от Microsoft, поэтому для просмотра скачивайте PDF-версию. А если нужно редактировать файл, то используйте оригинальный файл.
Файлы такого типа обычно разбиты на страницы, а текст может быть форматированным (жирный, курсив, выбор шрифта, таблицы и т.п.), а также в него можно добавлять изображения. Формат идеально подходит для рефератов, докладов и РПЗ курсовых проектов, которые необходимо распечатать. Кстати перед печатью также сохраняйте файл в PDF, так как принтер может начудить со шрифтами.
















