Пункт №2 (560479)
Текст из файла
2. Схемо-техническая отработка конструкции.
2.1. Краткое описание принципа работы полосового фильтра с приведением электрической принципиальной схемы.
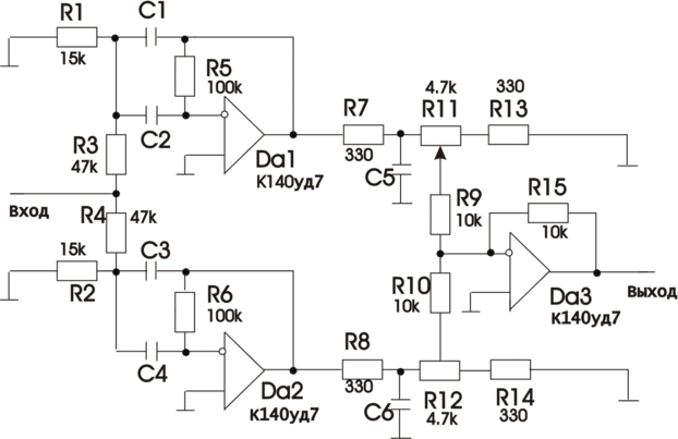
АЧХ полосового фильтра формируется перемножением амплитудно-частотных характеристик двух узкополосных фильтров, центральные частоты которых разнесены. Формирование АЧХ DA1 происходит с помощью конденсаторов С1 и С2 и резистора R3. Формирование АЧХ DA2 происходит с помощью конденсаторов С3 и С4 и резистора R4. Повторитель выполнен на микросхеме К140УД7. Подстройка его АЧХ производится с помощью резисторов R11 и R12. Питание схемы производится источником в 24 В.
Электрическая принципиальная схема полосового фильтра приведена на рисунке 1.
Рис. 1.
2.2. Конструкторско технологический анализ элементной базы.
2.2.1. Обеспечение требований к массо-габаритным характеристакам полосового фильтра.
Данный пункт ставит перед собой цель показать, что радио элементы(РЭ) использованные в электрической принципиальной схеме полосового фильтра обеспечивают требования к массо-габаритным характеристикам полосового филльтра.
Для решения поставленной задачи в таблице №2.1. приведены массо-габаритные характеристики РЭ.
Таблица №2.1.
| Тип элемента | кол-во | Масса, гр | Размеры, мм | Установочная площадь,мм2 | Установочный обьём, мм3 | |||
| Высота | Диаметр | L | B | |||||
| К140УД7 | 3 | 1,5 | 4,8 | 9,5 |
|
| 14,9 | 71,52 |
| МЛТ | 15 | 0,15 |
| 2,2 | 12 |
| 26,4 | 45,59 |
| К10-17 "А" С1,С2 | 2 | 1 | 5,6 |
| 8,4 | 6,7 | 56,28 | 315,168 |
| К10-17 "А" С3,С4,С5 | 3 | 0,5 | 5,6 |
| 6,8 | 4,6 | 31,28 | 175,168 |
| К10-17 "А" С6 | 1 | 2 | 5,6 |
| 12 | 8,6 | 103,2 | 577,92 |
Данные таблицы №2.1. позволяют найти суммарные массу конструкции, объём конструкции и установочную площадь. Используя средне статистические значения относительных параметров конструкции РЭС по найденным значениям суммарных массы, объёма и установочной площади элементов можно оценить ожидаемые значения массо-габаритных характеристик полосового фильтра.
Как показано в [1] масса конструкции m k=qm*mэл , где qm- коэффициент дезинтеграции по массе, mэл – суммарная масса РЭ. Примем значение qm=3 и определив по таблице №2.1. mэл=12,25 г ,найдём что m k=36,75 г. Сравнивая полученное значение с требованиями к массе записанной в ТЗ убеждаемся что выбранные РЭ обеспечивают требования к массе.
Объём конструкции может быть найден через массу и плотность конструкции. Vk= m k\m0 ,приняв m0=0,6 г\см 3 находим :
Vk=36,75\0,6=61,25 см3. Пересчитав требования к габаритным характеристикам полосового фильтра записанные в ТЗ в объём, найдём :
VkТЗ=61,25 см3. Сравнивая ожидаемые значения Vk с VkТЗ делаем вывод, что РЭ обеспечивают требования к габаритным характеристикам полосового фильтра.
Вычисляем площадь печатной платы по формуле : Sпп=qs*Sэл , где qs- коэффициент дезинтеграции по площади , Sэл – суммарная установочная площадь радиоэлементов. Примем значение qs=2,5 ,и определив по таблице №2.1. Sэл=7.5см2 ,находим Sпп=18,75см2.
Вычисляем высоту конструкции по формуле h=Vk/Sпп : h=61,25/18,75=3,3см.
2.2.2.Обеспечение работоспособности РЭ в условиях эксплуатации выбранных для полосового фильтра.
Чтобы убедиться в работоспособности радиоэлементов в условиях эксплуатации выбранных для полосового фильтра обратимся к таблице №2.2, в которой записаны условия эксплуатации РЭ.
Таблица №2.2.
| Тип элемента | Диапазон рабочих температур, С | Диапазон частот вибрации, Гц | Допустимые вибрационные перегрузки, м\с2 |
| К140УД7 | от -45 до +85 | от 5 до 500 | 40 |
| К10-17 "А" | от -60 до +85 | от 5 до 5000 | 40 |
| МЛТ | от -60 до +200 | от 5 до 2000 | 30 |
Сравнивая температурный диапазон с допустимыми значениями температур, которые даны в ТЗ, убеждаемся что температурный диапазон эксплуатации полосового фильтра лежит внутри температурного диапазона эксплуатации РЭ.
Из данных таблицы №2.2 также следует, что допустимые диапазоны частот вибрации и допустимые вибрационные перегрузки перекрывают эти же показатели для полосового фильтра, которые записаны в ТЗ, следовательно выбранные РЭ работоспособны в условиях применения полосового фильтра.
2.2.3.Конструктивная и технологическая совместимость РЭ.
Анализ габаритных размеров РЭ и их конструктивно-технологических характеристик позволяет сделать вывод о том, что среди РЭ отсутствуют РЭ выпадающие из общего размерного ряда.
Установка всех РЭ на плату производится с помощью выводов, монтируемых в отверстиях контактных площадок печатной платы, следовательно РЭ конструктивно и технологически совместимы.
Характеристики
Тип файла документ
Документы такого типа открываются такими программами, как Microsoft Office Word на компьютерах Windows, Apple Pages на компьютерах Mac, Open Office - бесплатная альтернатива на различных платформах, в том числе Linux. Наиболее простым и современным решением будут Google документы, так как открываются онлайн без скачивания прямо в браузере на любой платформе. Существуют российские качественные аналоги, например от Яндекса.
Будьте внимательны на мобильных устройствах, так как там используются упрощённый функционал даже в официальном приложении от Microsoft, поэтому для просмотра скачивайте PDF-версию. А если нужно редактировать файл, то используйте оригинальный файл.
Файлы такого типа обычно разбиты на страницы, а текст может быть форматированным (жирный, курсив, выбор шрифта, таблицы и т.п.), а также в него можно добавлять изображения. Формат идеально подходит для рефератов, докладов и РПЗ курсовых проектов, которые необходимо распечатать. Кстати перед печатью также сохраняйте файл в PDF, так как принтер может начудить со шрифтами.
















