Книга хз0561.1-из интернета (559875), страница 59
Текст из файла (страница 59)
Кондиционирование осадков проводят для разрушения коллоидной структуры осадка органического происхождения и увеличения их водоотдачи или обезвоживания. В промышленности применяют в основном реагентный метод кондиционирования с помощью хлорного железа и извести. Стоимость такой обработки достигает 40 % стоимости всех затрат при обработке осадка. Поэтому ведется разработка и внедрение более экономичных методов кондиционирования: тепловой обработки, замораживания и электрокоагуляции.
Обезвоживание осадков сточных вод предназначено для получения шлака с объемной концентрацией полидисперсной твердой фазы до 80 %. До недавнего времени обезвоживание осуществлялось в основном сушкой осадков на иловых площадках. Однако низкая эффективность такого процесса, дефицит земельных участков в промышленных районах и загрязнение воздушной среды обусловили разработку и применение более эффективных методов обезвоживания. Так, осадки промышленных сточных вод обезвоживают вакуум-фильтрованием на фильтр-прессах, центрифугированием и вибрационным фильтрованием. Обезвоживание термической сушкой применяют для осадков, содержащих сильнотоксичные вещества, которые перед ликвидацией и утилизацией необходимо обеззараживать. Широкое внедрение процессов термической сушки ограничивается высокой стоимостью процесса очистки.
В тех случаях, когда утилизация оказывается невозможной или экономически нерентабельной, осадки ликвидируют. Выбор метода ликвидации определяют с учетом состава осадков, размещения и планировки промышленного предприятия. Сжигание –один из наиболее распространенных методов ликвидации. Предварительно обезвоженные осадки органического происхождения имеют теплотворную способность 16 800...21 000 кДж/кг, что позволяет поддерживать процесс горения без использования дополнительных источников теплоты. Осадки сжигают на станциях очистки сточных вод в многоподовых, циклонных печах, а также в печах кипящего слоя.
К временным мероприятиям по ликвидации осадков относят сброс жидких осадков в накопители и закачку в земляные пустоты.
Более рациональным способом защиты литосферы от производственных и бытовых отходов является, бесспорно, освоение специальных технологий по сбору и переработке отходов.
При сборе отходов необходимо одновременно их сортировать, разделяя на отдельные вещества или группы веществ. В быту такой процесс сбора отходов уже организован, например в Японии, Германии, где на улицах городов установлены специальные контейнеры с емкостями для бумаги, стекла, металла и др. Рассортированные отходы легко подвергаются вторичной переработке. Не случайно во многих странах весьма высок выпуск некоторых видов продукции из вторичного сырья, например выпуск бумаги и картона из вторичного сырья в 1985 г. в Великобритании составлял 55, ГДР –50, Египте –97 % общего выпуска этой продукции.
Аналогично решаются и должны решаться в будущем задачи по переработке промышленных отходов. Примером такого подхода является сбор и переработка отходов металлов. Эффективность использования лома и отходов металла зависит от их качества. Загрязнение и засорение металлоотходов приводят к большим потерям при переработке, поэтому сбор, хранение и сдача их регламентируются специальными стандартами: ГОСТ 2787–75* «Лом и отходы черных металлов. Шихтовые. Классификация и технические требования»; ГОСТ 1639– 78* «Лом и отходы цветных металлов и сплавов. Общие требования» и др.
Основные операции первичной обработки металлоотходов –сортировка, разделка и механическая обработка. Сортировка заключается в разделении лома и отходов по видам металлов, разделка лома – в удалении неметаллических включений. Механическая обработка включает рубку, резку, пакетирование и брикетирование на прессах. Пакетирование отходов организуется на предприятиях, на которых образуется 50 т и более высечки и обрезков в месяц. Каждая партия должна сопровождаться удостоверением о взрывобезопасности. Стружку перерабатывают на пакетирующих прессах, стружкодробилках, брикетировочных прессах. Брикетированию (окускованию механическим уплотнением на прессах, под молотом и на других механизмах) подвергается сухая и неокисленная стружка одного вида, не содержащая посторонних примесей, с длиной элемента до 40 мм для стальной и 20 мм для чугунной стружки. Прессование вьюнообразной стружки целесообразно проводить в отожженном состоянии, так как при этом отпадает необходимость выполнения таких подготовительных операций, как дробление, обезжиривание, отбор обтирочных материалов и мелких кусков металла.
На предприятиях, где образуется большое количество металлоотходов, организуются специальные цехи (участки) для утилизации вторичных металлов. Чистые однородные отходы с паспортом, удостоверяющим их химический состав, используют без предварительного металлургического передела.
Отходы древесины широко используют для изготовления товаров культурно-бытового назначения и хозяйственного обихода главным образом методом прессования. Переработанные древесные отходы применяют в производстве древесно-стружечных плит, корпусов различных приборов и т. п.
Во многих странах промышленные отходы используют в качестве топлива на так называемых контейнерных теплоцентралях. Передвижная теплоэлектростанция монтируется на автомобиле с автоприцепом, она может работать, используя в качестве топлива опилки, щепу и другие отходы, отапливая небольшие помещения: школы, больницы, фермы и т. п.
Радикальное решение проблем защиты от промышленных отходов возможно при широком применении безотходных и малоотходных технологий и производств.
Под безотходной технологией, безотходным производством, безотходной системой понимают не просто технологию или производство того или иного продукта (или продуктов), а принцип организации функционирования производства. При этом рационально используются все компоненты сырья и энергия в замкнутом цикле (первичные сырьевые ресурсы – производство – потребление – вторичные сырьевые ресурсы), т. е. не нарушается сложившееся экологическое равновесие в биосфере.
Малоотходная технология является промежуточной ступенью при создании безотходного производства. При малоотходном производстве вредное воздействие на окружающую среду не превышает уровня, допустимого санитарными органами, но по техническим, экономическим, организационным или другим причинам часть сырья и материалов переходит в отходы и направляется на длительное хранение или захоронение. Основой безотходных производств является комплексная переработка сырья с использованием всех компонентов, поскольку отходы производства – это по тем или иным причинам неиспользованная часть сырья. Большое значение при этом приобретает разработка ресурсосберегающих технологий.
Малоотходная и безотходная технология должны обеспечить:
– комплексную переработку сырья с использованием всех его компонентов на базе создания новых безотходных процессов;
– создание и выпуск новых видов продукции с учетом требований повторного ее использования;
– переработку отходов производства и потребления с получением товарной продукции или любое полезное их использование без нарушения экологического равновесия;
– использование замкнутых систем промышленного водоснабжения;
– создание безотходных комплексов.
В машиностроении разработка малоотходных технологических процессов связана прежде всего с необходимостью увеличения коэффициента использования металла. Увеличение его не только дает технико-экономические выгоды, но и позволяет уменьшить отходы и вредные выбросы в окружающую среду.
В прокатном производстве в последние годы получили широкое распространение так называемые деталепрокатные станы (зубопрокатные, винтовой прокатки в винтовых камерах, поперечно-винтовой, клиновой и др.). В ряде случаев они позволяют отказаться от дальнейшей металлообработки и сэкономить на 10...35 % больше металла по сравнению с резанием. Так, внедрение стана винтовой прокатки по способу ВНИИметмаша для получения пустотелой спиральной буровой стали ПБС позволило не только получить значительную экономию металла (до 1000 т в год), но и улучшить условия труда шахтеров в результате снижения запыленности воздуха в шахтах, уменьшения вибрации и повышения скорости бурения на 10...15 %.
Порошковая металлургия позволяет создавать материалы и изделия с особыми, часто уникальными составами, структурой и свойствами, а иногда вообще недостижимыми при других технологических процессах. Это обеспечивает значительный экономический эффект (1...4 млн. руб. на 1000 т спеченных изделий) за счет снижения потерь материалов до 5...7 % и увеличения коэффициента использования металла в 2...3 раза (при металлообработке отливок и проката часто теряется в стружках до 60...70 % металла).
6.6. ЗАЩИТА ОТ ЭНЕРГЕТИЧЕСКИХ ВОЗДЕЙСТВИЙ
6.6.1. Обобщенное защитное устройство и методы защиты
При решении задач защиты выделяют источник, приемник энергии и защитное устройство, которое уменьшает до допустимых уровней поток энергии к приемнику [6.10].
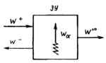
В общем случае защитное устройство (ЗУ) обладает способностями: отражать, поглощать, быть прозрачным по отношению к потоку энергии. Пусть из общего потока энергии W+, поступающего к ЗУ (рис. 6.26), часть Wα, поглощается, часть W отражается и часть W– проходит сквозь ЗУ. Тогда ЗУ можно охарактеризовать следующими энергетическими коэффициентами: коэффициентом поглощения τ= WαW+, коэффициентом отражения d = a/W+, коэффициентом передачи τ = W/W. Очевидно, что выполняется равенство р + а + т = 1. Сумма α+τ=1– p=v (где v = W^W^) характеризует неотраженный поток энергии W, прошедший в ЗУ. Если α = 1, то ЗУ поглощает всю энергию, поступающую от источника, при р = 1 ЗУ обладает 100 %-ной отражающей способностью, а равенство τ = 1 означает абсолютную прозрачность ЗУ: энергия проходит через устройство без потерь.
Рис. 6.26. Энергетический баланс защитного устройства
В соответствии с изложенным можно выделить следующие принципы защиты:
1) принцип, при котором р→ 1; защита осуществляется за счет отражательной способности ЗУ;
2) принцип, при котором α→1; защита осуществляется за счет поглощательной способности ЗУ;
3) принцип, при котором τ→ 1; защита осуществляется с учетом свойств прозрачности ЗУ.
На практике принципы обычно комбинируют, получая различные методы защиты. Наибольшее распространение получили методы защиты изоляцией и поглощением.
Методы изоляции используют тогда, когда источник и приемник энергии, являющийся одновременно объектом защиты, располагаются с разных сторон от ЗУ. В основе этих методов лежит уменьшение прозрачности среды между источником и приемником, т. е. выполнение условия τ→ 0. При этом можно выделить два основных метода изоляции: метод, при котором уменьшение прозрачности среды достигается за счет поглощения энергии ЗУ [т. е. условие τ→0 обеспечивается условием α→ 1 (рис. 6.27, а), и метод, при котором уменьшение прозрачности среды достигается за счет высокой отражательной способности ЗУ [т. е. условие τ→ 0 обеспечивается условием р → 1 (рис.6.27,б ).
В основе методов поглощения лежит принцип увеличения потока энергии, прошедшего в ЗУ, т. е достижение условия v -> I. Принципиально можно различать как бы два вида поглощения энергии ЗУ: поглощение энергии самим ЗУ за счет ее отбора от источника в той или иной форме, в том числе в виде необратимых потерь (характеризуется коэффициентом α, рис. 6.28, а) и поглощение энергии в связи с большой прозрачностью ЗУ (характеризуется коэффициентом τ, рис.6.28. б). Так как при v → 1 коэффициент р → 0, то методы поглощения используют для уменьшения отраженного потока энергии; при этом источник и приемник энергии обычно находятся с одной стороны от ЗУ.
Рис. 6. 27. Методы изоляции при расположении источника и приемника с разных сторон от ЗУ; а –энергия поглощается; б–энергия отражается















