курсач (557276)
Текст из файла
РАДИОВТУЗ МОСКОВСКОГО АВИАЦИОННОГО ИНСТИТУТАФИЗИКО-ХИМИЧЕСКИЕ ОСНОВЫТЕХНОЛОГИИ ЭЛЕКТРОННЫХ СРЕДСТВКурсовой проект на тему:«Разработка конструкции и технологии изготовления усилителя в гибридно-плёночном исполнении.»Пояснительная запискаРуководительГ. В. МорозовСтудентС. А. Миронов2010 |
| Содержание Стр. Введение 3 1 Технические требования 4 1.1 Схема электрическая принципиальная 4 1.2 Технические характеристики изделия 5 1.3 Требования к конструкции 5 1.4 Условия эксплуатации 5 2 Анализ исходных данных 6 2.1 Описание работы схемы 6 2.2 Электрический расчет схемы 6 2.3 Выбор метода практической реализации 6 3 Разработка конструкции МСБ 7 3.1 Выбор и характеристики материала платы 7 3.2 Выбор резистивных материалов и расчет плёночных резисторов 7 3.3 Выбор материалов и расчет плёночных конденсаторов 11 3.4 Выбор материалов плёночных проводников 13 3.5 Анализ технологической точности изготовления плёночных элементов и выбор метода 14 а) Доводки электрического сопротивления резисторов б) Корректировки емкости конденсаторов 3.6 Разработка топологии платы 17 3.7 Выбор конструкции корпуса 20 4 Разработка технологии изготовления МСБ 21 4.1 Изготовление платы 21 4.2 Монтаж ЭРК и ИМС 23 4.3 Корпусирование и герметизация 28 4.4 Разработка структурной схемы маршрута изготовления МСБ 28 4.5 Разработка операционной карты 29 Заключение 30 Литература 31Чертёж платы Сборочный чертеж корпусированной МСБ Структурная схема изготовления МСБ
| |||||||||||||||
МАИ.468714.304.009ПЗ | |||||||||||||||
| Изм. | Лист | № докум. | Подпись | Дата | |||||||||||
| Разраб. | Миронов С.А. | УсилительПояснительная записка | Лит. | Лист | Листов | ||||||||||
| Пров. | Морозов Г.В. | к | 2 | 31 | |||||||||||
| Н. Контр. | |||||||||||||||
| Утв. | |||||||||||||||
| Введение Микросборки играют очень важную роль в создании современных РЭС, особенно это касается РЭС применяемых в системах вооружений, и продукции двойного назначения. Прогресс в этой области постоянно идёт вперёд, а количество выпущенных образцов зачастую не велико. Создавать ради нескольких изделий новые типы высокочастотных СБИС экономически не целесообразно. Поэтому в современных РЭС крайне широко применяются микросборки. Они позволяют создавать новый вид аппаратуры - интегральные радиоэлектронные устройства. Интегральная функциональная микроэлектроника являются фундаментальной базой развития всех современных систем радиоэлектронной аппаратуры. При относительно небольшой стоимости МСБ позволяют добиться заданных массогабаритных и электрических характеристик. Снижению стоимости МСБ способствует применению в модулях стандартных ЭРК и микросхем с простейшими функциями в безкорпусном виде. Разрабатываемые сейчас сложные комплексы аппаратуры и системы содержат миллионы и десятки миллионов элементов. В этих условиях приоритетными становятся проблемы повышения надёжности аппаратуры и её элементов, микроминиатюризации ЭРК и комплексной миниатюризации аппаратуры. | |||||||||||||||
| МАИ.468714.304.009 | Лист 3 | ||||||||||||||
| Изм. | Лист | № докум. | Подпись | Дата | |||||||||||
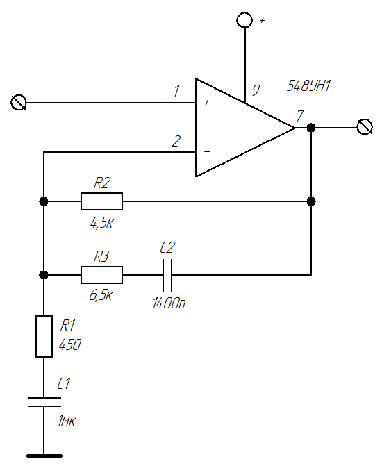
| Технические требования. 1.1 Схема электрическая принципиальная. | |||||||||||||||
| МАИ.468714.304.009 | Лист 4 | ||||||||||||||
| Изм. | Лист | № докум. | Подпись | Дата | |||||||||||
| 1.2 Технические характеристики изделия. 1.2 а) Основные технические характеристики Рабочее напряжение 10В N = 7 1.2 б) Параметры элементов Значения параметров резисторов R1 = 450 Ом ±10% P1 = 10 мВт R2 = 4,5 кОм ±20% P2 = 30 мВт R3 = 6,5 кОм ±5% P3 = 40 мВт Значения параметров конденсаторов C1 = 1 мФ ±20% C2 = 1400 пФ ±10% Микросхема (МСХ) Тип 548УН1, бескорпусная в виде кристалла с размерами: 1,5х1,2х0,5 мм. 1.3 Требования к конструкции изделия. а) Требования к конструкции МСБ. МСБ должна быть выполнена в гибридно-плёночном исполнении. б) Требования к конструкции элементов. Элементы должны быть защищены от воздействия внешних климатических факторов, сохранять значения своих параметров в течение всего срока хранения и эксплуатации. 1.4 Условия эксплуатации изделия. Повышенная температура +55 °С Пониженная температура -40 °С Давление (86,6…1066)х1000 Па Относительная влажность 80% Время работы 3000 ч. | |||||||||||||||
| МАИ.468714.304.009 | Лист 5 | ||||||||||||||
| Изм. | Лист | № докум. | Подпись | Дата | |||||||||||
| 2 Анализ исходных данных. 2.1 Описание работы схемы. Усилитель построен на базе микросхемы 548УН1, которая обладает целым рядом преимуществ по сравнению со схемами на отдельных операционных усилителях. Основное преимущество - низкие шумы. На не инвертирующий вход подается сам входной сигнал, а на инвертирующий - выходной сигнал, поделённый резистивным делителем напряжения R1 -R2. Необходимая частотная коррекция в схеме осуществляется при помощи цепочки R1-C1 и R3-C2. 2.2 Электрический расчет схемы. Таблица 1
Элементами, потребляющими энергию, являются в основном резисторы и микросхема. Для работы конденсаторов не требуется большого количества энергии. Поэтому суммарная мощность элементов схемы не больше 150 мВт, т.е. данное устройство можно выполнить в виде МСБ, т.к. суммарная мощность не превысила допустимые 3 Вт. 2.3 Выбор метода практической реализации Была выбрана толстоплёночная технология изготовления МСБ т. к. она имеет ряд важных в нашем случае преимуществ перед тонкоплёночной технологией. - Относительная прочность сцепления проводников с поверхностью платы выше в 2-3 раза. - Продолжительность производственного цикла в 1,5-2 раза меньше. - Высокий уровень механизации и автоматизации при изготовлении плат. - Пониженные требования к уровню квалификации работников на операции изготовления плат. - Пониженные требования к вакуумной гигиене. - Ниже относительная стоимость основного технологического оборудования и его обслуживания. | ||||||||||||||||||||||||||||||||||
| МАИ.468714.304.009 | Лист 6 | |||||||||||||||||||||||||||||||||
| Изм. | Лист | № докум. | Подпись | Дата | ||||||||||||||||||||||||||||||
| 3 Разработка конструкции МСБ. 3.1 Выбор и характеристики материала платы. В пункте 2.3 была выбрана толстоплёночная технология. В связи с этим выбираем керамику ВК 94-1, которая по электрическим и механическим параметром подходит для выбранной технологии, а также её стоимость ниже по сравнению с керамикой ВК 100-1. Основные достоинства керамики ВК 100-1 перед керамикой ВК 94-1 это лучшая чистота поверхности и однородность внутренней структуры. Данные свойства не являются существенными при толстоплёночной технологии и относительно невысокой частоте работы схемы. В сравнении с Ситаллом и Кварцем керамика имеет на порядок лучшие механические характеристики. Сапфир и Феррит так же не подходят в связи со спецификой их применения (все их достоинства важны только в СВЧ схемах), а по стоимости он на порядок превосходят керамику. Основные свойства керамики ВК 94-1 Таблица 2
3.2 Выбор резистивных материалов и расчет плёночных резисторов 3.2.1 Выбор резистивных паст. а) Отношение максимального сопротивления Rmax к минимальному сопротивлению Rmin. Поэтому разделим сопротивления на две группы: 1-я группа R1, | ||||||||||||||||
Характеристики
Тип файла документ
Документы такого типа открываются такими программами, как Microsoft Office Word на компьютерах Windows, Apple Pages на компьютерах Mac, Open Office - бесплатная альтернатива на различных платформах, в том числе Linux. Наиболее простым и современным решением будут Google документы, так как открываются онлайн без скачивания прямо в браузере на любой платформе. Существуют российские качественные аналоги, например от Яндекса.
Будьте внимательны на мобильных устройствах, так как там используются упрощённый функционал даже в официальном приложении от Microsoft, поэтому для просмотра скачивайте PDF-версию. А если нужно редактировать файл, то используйте оригинальный файл.
Файлы такого типа обычно разбиты на страницы, а текст может быть форматированным (жирный, курсив, выбор шрифта, таблицы и т.п.), а также в него можно добавлять изображения. Формат идеально подходит для рефератов, докладов и РПЗ курсовых проектов, которые необходимо распечатать. Кстати перед печатью также сохраняйте файл в PDF, так как принтер может начудить со шрифтами.















