lab_4 (544373)
Текст из файла
Лабораторная работа №4
ОЦЕНКА ЭФФЕКТИВНОСТИ СИСТЕМЫ ЗАНУЛЕЯИЯ
Цель работы
Оценить эффективность системы зануления в трехфазной четы-рэхпроводной сети с заземленной нейтралью напряжением до 1000 В.
Содержание работы
1. Оценить эффективность системы зануления в сети без повторного заземления нулевого защитного проводника.
2. Оценить эффективность системы зануления в сети с повторным заземлением нулевого защитного проводника.
3. Оценить эффективность повторного заземления при обрыве нулевого защитного проводника.
Зануление
Занулением называется преднамеренное электрическое соединение металлических частей электроустановки, которые могут оказаться под напряжением вследствие замыкания фазы на корпус, о заземленной нейтральной точкой обмотки источника тока. Это соединение осуществляется о помощью нулевого защитного проводника. Область применения аануления - трехфазные четырехпроводные сети напряжением до 1000 В с эаземленной нейтралью).
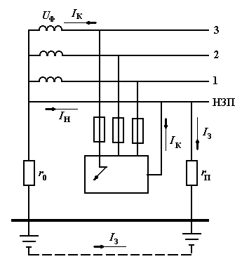
Принципиальная схема зануления показана на рис. 1.
IН

П
Рис.1. Принципиальная схема
зануления
ринцип действия эануления - превращение замыкания на корпус в однофазное короткое замыкание (КЗ) (т.е. КЗ между фазным и нулевым защитным проводниками) с целью вызвать большой ток Iк , способный обеспечить срабатывание максимальной токовой защиты и тем самым автоматически отключить поврежденную электроустановку от питающей сети. В качестве такой защиты используются плавкие предохранители или автоматы, устанавливаемые в цепи питания электроустановок. Н а рис.2 представлена эквивалентная схема системы зануления. На этой схеме: Zr, Zф, Zн - полные сопротивления трансформатора, фазного и нулевого защитного проводников; Хп - внешнее индуктивное сопротивление петли фаза-нуль. С целью упрощения сопротивлениями Zr, Хф, Хн, Хп можно пренебречь. В дальнейшем при рассмотрении теоретической части и выполнении предлагаемых примеров принимаем, что фазный и нулевой защитный проводники обладают лишь активными сопротивлениями Rф, Rн.
В период с момента возникновения замыкания на корпус и до отключения поврежденной электроустановки все зануленные корпуса оказываются под напряжением относительно земли. Безопасность обеспечивается достаточно быстрым отключением поврежденной электроустановки с тем, чтобы при данной длительности воздействия ток через человека и напряжение прикосновения не превысили допустимых значений (табл. I). Кроме того, в указанный период напряжение корпуса относительно земли снижается благодаря наличию повторного заземления нулевого защитного проводника (НЗП).
Таблица I
Наибольшие допустимые напряжения прикосновения Uпр при
аварийном режиме производственных электроустановок
напряжением до 1000 В (ГОСТ 12.1.038-82)
Время действия тока, с | 0,01 0,08 | 0,1 | 0,2 | 0.3 | 0,5 | 0,7 | 1,0 | более 1,0 |
Допустимое напряжениеприкосновения, В | 650 | 500 | 250 | 165 | 100 | 70 | 50 | 36 |
Если повторное заземление НЗП отсутствует, то при замыкании одного из фазных проводов на корпус второй электроустановки в сети (рис. 3) напряжение этого корпуса относительно земли Uз2, B, так же, как и всего участка нулевого защитного проводника за местом замыкания (вправо от точки Б), будет равно падению напряжения в нулевом защитном проводнике па участке А-Б.
где ток короткого замыкания, проходящий по петле «фазаноль», А;
Так как на практике , то
. Например, в сети 380/220 В при
напряжение относительно земли всех зануленных корпусов электроустановок за местом замыкания составит
= 147 В. При времени действия электрического тока (t > 0,3 с) это напряжение создает реальную опасность поражения людей.
Если же нулевой защитный проводник будет иметь повторное заземление с сопротивлением , то при замыкании фазного провода на корпус электроустановки напряжение
снизится до значения
где ток, стекающий в землю через
, А;
сопротивление заземления нейтрали, Ом.
При этом нейтральная точка приобретает некоторое напряжение относительно земли , равное
В данном случае напряжение вычисляется по формуле
, где
ток, протекающий по НЗП, А. Этот ток является частью тока
, другая часть которого
протекает через землю.
Учитывая, что значительно больше Rn, и, следователъно,
, принимаем, что
=
; тогда
.
На рис.3 показано распределение напряжения нулевого защитного проводника по его длине в сети без повторного заземления (I) и с повторным его заземлением (П) при . Графики распределения напряжения вдоль НЗП при замыкании фазы на какойлибо из зануленных корпусов позволяют определять напряжения относительно земли всех электроустановок, входящих в данную систему зануления.
При случайном обрыве НЗП, не имеющего повторного заземления, и замыкании фазы на корпус за местом обрыва напряжение относительно земли оборванного участка нулевого проводника и всех присоединенных к нему корпусов, в том числе корпусов исправных электроустановок, окажется равным фазному напряжению сети. Это напряжение будет существовать длительно, поскольку поврежденная электроустановка автоматически не отключится и ее будет трудно обнаружить, чтобы отключать вручную.
Если же НЗП будет иметь повторное заземление, то при его обрыве, например, между корпусами I и 2 (рис.3), через будет стекать ток
в землю, благодаря чему напряжение зануленного корпуса 2 и других корпусов, находящихся за местом обрыва, снизится до значения
Однако при этом корпуса электроустановок, присоединенных к нулевому защитному проводнику до места обрыва, приобретут напряжение относительно земли
Следовательно, повторное заземление НЗП уменьшает опасность поражения током, возникшую в результате его обрыва и замыкания фазного провода на корпус электроустановки за местом обрыва, но не устраняет ее полностью.
В сети, где применяется зануление, нельзя заземлить корпус электроустановки, не присоединив его к нулевому защитному проводнику. Одновременное зануление и заземление одного и того же корпуса, а точнее заземление зануленного корпуса, не только не опасно, а, наоборот, улучшает условия безопасности.
В сети с изолированной нейтралью обмоток источника тока и без повторного заземления нулевого защитного проводника зануление обеспечит отключение поврежденной установки. Однако при замыкании фазного провода на землю между зануленным оборудованием, имеющим нулевой потенциал, и землей возникает напряжение , близкое к фазному напряжению сети
. Оно будет существовать до ликвидации замыкания на землю или до отключения всей сети вручную.
В сети с заземленной нейтралью при данном повреждении фазное напряжение разделится пропорционально между сопротивлением замыкания фазы на землю и заземления нейтрали
. В связи с чем напряжение корпусов
относительно земли уменьшится и будет равно падению напряжения на сопротивлении заземления нейтрали
где ток замыкания на землю. Таким образом, заземление нейтрали источника тока обеспечивает снижение напряжения зануленных корпусов относительно земли до безопасного значения при замыкании фазы на землю.
Экспериментальная часть
Применяемое оборудование
Стенд включается тумблером В1. При этом загораются сигнальные лампы, рассоложенные около фазных проводов I, 2, 3. Стенд позволяет изменять параметры R, rП, rЗМ, где R сопротивление участка фазного провода, при этом сопротивление участка нулевого защитного проводника имеет значение 2R . Необходимые значения данных параметров устанавливаются нажатием соответствующих кнопок.
В работе с помощью электронного устройства имитируются два автомата защиты АВ1 и AB2. Исходное состояние автоматов - отключенное: горят сигнальные лампы АВ "откл". Нажатием кнопок АВ "вкл" автоматы вводятся в рабочее состояние, о чем свидетельствует подсветка данных кнопок.
Замыкание фазного провода на корпуса электроустановок осуществляется нажатием на кнопки К1 или К2. При этом автоматы защиты срабатывают и отключают электроустановки от сети (включается подсветка кнопок AВ). На цифровом секундомере фиксируется время срабатывания защиты. При срабатывании защиты загорается табло "Снимай показания" и в течение 25-30 секунд на амперметрах и вольтметрах фиксируются значения измеряемых токов и напряжений. По истечении этого времени табло гаснет, показания всех приборов автоматически сбрасываются до нуля, и стенд приводится в начальное состояние.
Цифровой секундомер фиксирует время срабатывания автоматов защиты; максимальное измеряемое время 999 мс. При протекания малого тока однофазного короткого замыкания автомат не срабатывает, табло "Снимай показания" не загорается, и показания всех приборов можно фиксировать только при нажатой кнопке К1 или K2.
Указания по технике безопасности
1. Перед выполнением данной работы необходимо ознакомиться с инструкцией по технике безопасности, вывешенной на стенде.
Характеристики
Тип файла документ
Документы такого типа открываются такими программами, как Microsoft Office Word на компьютерах Windows, Apple Pages на компьютерах Mac, Open Office - бесплатная альтернатива на различных платформах, в том числе Linux. Наиболее простым и современным решением будут Google документы, так как открываются онлайн без скачивания прямо в браузере на любой платформе. Существуют российские качественные аналоги, например от Яндекса.
Будьте внимательны на мобильных устройствах, так как там используются упрощённый функционал даже в официальном приложении от Microsoft, поэтому для просмотра скачивайте PDF-версию. А если нужно редактировать файл, то используйте оригинальный файл.
Файлы такого типа обычно разбиты на страницы, а текст может быть форматированным (жирный, курсив, выбор шрифта, таблицы и т.п.), а также в него можно добавлять изображения. Формат идеально подходит для рефератов, докладов и РПЗ курсовых проектов, которые необходимо распечатать. Кстати перед печатью также сохраняйте файл в PDF, так как принтер может начудить со шрифтами.