lab_3 (544372)
Текст из файла
9
Лабораторная работа 3
ОЦЕНКА ЭФФЕКТИВНОСТИ ЗАЩИТНОГО ЗАЗЕМЛЕНИЯ
Цель работа
Оценка эффективности защитного заземления в трехфазной трехпроводной сети с изолированной нейтралью и в трехфазной четырехпроводной сети с заземленной нейтралью напряжением до 1000 В.
Содержание работы
1.Оценить эффективность защитного заземления в трехфазной трехпроводной сети с изолированной нейтралью напряжением до 1000 В.
2.Оценить эффективность защитного заземления в сети с изолированной нейтралью напряжением до 1000 В при двухфазном замыкании на корпуса электроустановок, имещие раздельные заземляющие устройства.
3.Оценить эффективность защитного заземления в трехфазной сети с глухозаземленной нейтралью напряжением до 1000 В.
Защитное заземление
Защитным заземлением называется преднамеренное электрическое соединение с землей или ее эквивалентом металлических нетоковедущих частей, которые могут оказаться под напряжением вследствие замыкания на корпус и по другим причинам (индуктивное влияние соседних токоведущих частей, вынос потенциала и т.п.).
Замыкание на корпус случайное электрическое соединение токоведущих частей с металлическими нетоковедущими частями электроустановки.
Назначение защитного заземления устранение опасности поражения электрическим током в случае прикосновения к корпусу и другим нетоковедущим металлическим частям электроустановки, оказавшимся под напряжением.
Область применения защитного заземления трехфазные трехпроводные сети до 1000 В с изолированной нейтралью и выше 1000 В с любым режимом нейтрали.
Принцип действия защитного заземления снижение напряжения между корпусом электроустановки, оказавшимся под напряжением, и землей до безопасного значения. Защитное заземление выполняется путем подсоединения корпуса электроустановки к искусственному или естественному заземлителям, выполненным из металла или других токопроводящих материалов и имеющим электрический контакт с грунтом.
Поясним это на примере сети до 1000 В с изолированной нейтралью. Если корпус электроустановки не заземлен и он оказался в контакте с фазным проводом, то прикосновение человека к такому корпусу равносильно прикосновению к фазному проводу (рис.1). В этом случае ток, проходящий через человека, будет определяться по формуле (в комплексной форме):
Ih = Uф/(Rh + z/3), (1)
где Uф фазное напряжение сети, В; Rh, сопротивление тела человека, Ом; z комплекс полного сопротивления провода относительно земли, Ом;
z = 1/(1/r + jc), (2)
З
десь r и c сопротивление изоляции и емкость провода относительно земли соответственно; угловая частота, с1 .
При малых значениях c уравнение (1) принимает вид:
Ih = Uф/(Rh + r/3), (3)
где Ih ток в действительной форме, проходящий через человека, А.
Напряжение, под которым окажется человек, прикоснувшийся к корпусу (напряжение прикосновения), определяется
Uпр = IhRh.
Если же корпус электроустановки заземлен, то при замыкании на него фазного провода (рис.2) через заземление пойдет ток Iз, значение которого зависит от r и сопротивления заземления корпуса rз и определяется выражением, подобным (3):
Iз = Uф/( rз + r/3). (4)
Напряжение корпуса относительно земли в этом случае будет равно
Uкорп = Uз = Iз rз , (5)
а напряжение прикосновения
Uкорп = Uз12,
г
де 1 коэффициент напряжения прикосновения, учитывающий форму потенциальной кривой и расстояние до заземлителя; 2 коэффициент напряжения прикосновения, учитывающий падение напряжения в сопротивлении основания, на котором стоит человек.
Ток через человека, касающегося корпуса при самых неблагоприятных условиях (1 = 2 = 1), будет
Ih = Uз/Rh, (6)
Сопротивление заземляющего устройства выбирается таким, чтобы напряжение прикосновения не превышало допустимых значений. Для электроустановок напряжением до 1000 В с изолированной нейтралью наибольшие допустимые значения rз составляют 10 Ом при суммарной мощности генераторов или трансформаторов, питающих данную сеть не более 100 кВА; а в остальных случаях rз не должно превышать 4 Ом.
При двухфазном замыкании в сети до 1000 В, то есть замыкании двух фаз на два корпуса, имеющие раздельные заземлители (рис.3), эти и другие корпуса, присоединенные к указанным заземлителям, окажутся под напряжением относительно земли, равным: в установке 1 Uз1= Iзrз1, в установке 2 Uз2 = Iзrз2.
Сопротивление изоляции и емкости фазных проводов относительно земли в данном случае практически не влияют на значение тока замыкания на землю, цепь которого устанавливается через сопротивления заземлений rз1 и rз2. При этом Uз1 + Uз2 = Uл (Uл линейное напряжение сети). При равенстве rз1 и rз2 Uз1=Uз2= 0,5Uл. Наличие таких напряжений на заземленных элементах установок является опасным для человека, тем более, что замыкание в сетях до 1000 В может существовать длительно.
Если же заземлители электроустановок 1 и 2 соединить проводником достаточного сечения или эти заземлители выполнить как одно целое, то двухфазное замыкание на корпуса превратится в короткое замыкание между фазными проводами, что вызовет быстрое отключение установок максимально-токовой защитой (предохранители, автоматы), т.е. обеспечит кратковременность опасного режима.
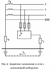
В сети с заземленной нейтралью (рис.4) при замыкании фазного провода на корпус по цепи, образовавшейся через землю, будет проходить ток
Iз = Uф/( r0 + rз),
где r0 сопротивление заземления нейтрали, Ом.
При этом фазное напряжение распределится между rз и r0, т.е. Uз= Iзrз; U0= Iзr0; Uз + Uл = Uф.
Таким образом, напряжение корпуса относительно земли зависит от соотношения сопротивлений r0 и rз. При равенстве r0 и rз напряжение на заземленном корпусе будет
Uз = U0 = 0,5Uф.
Это напряжение является опасным для человека, поэтому в сети напряжением до 1000 В с заземленной нейтралью защитное заземление не применяется.
Экспериментальная часть
Применяемое оборудование
Лицевая панель стенда представлена на рис.8. Стенд включается тумблером "Сеть". При этом загораются сигнальные лампы, расположенные около фазных проводов 1, 2 и 3. Распределенные вдоль фазных проводов сопротивления изоляции относительно земля имитируются на стенде резисторами r1, r2 и r3. Необходимые значения сопротивления изоляции устанавливаются нажатием соответствующих кнопок.
Вольтметр V3 измеряет напряжение относительно земли каждого фазного провода, т.е. фазное напряжение, а также напряжение нейтрали относительно земли. В последнем случае нажимается кнопка с обозначением "Н".
Замыкание на корпуса электроустановок того или иного фазного провода осуществляется кнопочными переключателями. Корпус 1 с помощью тумблера в цепи "корпусамперметрзаземлитель" может быть как изолирован от земли (положение "Откл"), так и заземлен (положение "Вкл").
Напряжение корпуса 1 и корпуса 2 относительно земли измеряется соответственно вольтметрами V1 и V2.
Амперметр измеряет ток Iз, стекающий в землю при заземлении корпуса 1. В случае ошибочных включений, приводящих к короткому замыканию в схеме, загорается транспарант "Короткое замыкание". При этом необходимо отключить стенд и исправить ошибки в схеме.
Указания по технике безопасности
1.Перед выполнением данной работы необходимо ознакомиться с инструкцией по технике безопасности, вывешенной на стенде.
2.Во время работы запрещается производить переключения в электрических схемах под напряжением, оставлять без надзора включенный стенд.
3.При обнаружении в стенде какой-либо неисправности необходимо прекратить работу, отключить стенд и сообщить о случившемся преподавателю или лаборанту.
Порядок проведения работы
I.Оценка эффективности защитного заземления в сети с изолированной нейтралью до 1000 В.
А. Корпус электроустановки не заземлен.
1.В соответствии с номером занятия (табл.1) установить значения сопротивлений, имитирующих сопротивление изоляции проводов относительно земли.
2.Отключить корпус 1 от защитного заземлителя.
3.Отключить нейтраль источника тока от рабочего заземлителя.
4.Включить стенд.
Таблица 1
| Данные | № занятия | ||||||
| для работы | 1 | 2 | 3 | 4 | 5 | 6 | 7 |
| r1 = r2 = r3 = r, Ом | 1 | 2 | 3 | 4 | 5 | 6 | 7 |
5.Проводя поочередно замыкание на корпус первой электроустановки фазных проводов 1, 2, 3, измерить напряжение корпуса 1 относительно земли и напряжения фазных проводов относительно земли (табл.2).
Б. Корпус электроустановки заземлен.
1.Заземлить корпус 1.
2.Проводя поочередно замыкание на корпус первой электроустановки фазных проводов 1, 2 и 3, измерить напряжения корпуса 1 и фазных проводов относительно земли, измеряя одновременно ток замыкания на землю.
3.Отключить стенд от сети.
II. Оценка эффективности защитного заземления в сета с изолированной нейтралью до 1000 В при двухфазном замыкании на заземленные корпуса электроустановок.
1.Заземлить корпус 1 (Корпус 2 заземлен).
2.Замкнуть один из фазных проводов на корпус 1, другой на корпус 2.
3.Включить стенд. При этом загорается транспарант "Шкала 50 А", что соответствует верхнему пределу измерения шкалы амперметра.
Характеристики
Тип файла документ
Документы такого типа открываются такими программами, как Microsoft Office Word на компьютерах Windows, Apple Pages на компьютерах Mac, Open Office - бесплатная альтернатива на различных платформах, в том числе Linux. Наиболее простым и современным решением будут Google документы, так как открываются онлайн без скачивания прямо в браузере на любой платформе. Существуют российские качественные аналоги, например от Яндекса.
Будьте внимательны на мобильных устройствах, так как там используются упрощённый функционал даже в официальном приложении от Microsoft, поэтому для просмотра скачивайте PDF-версию. А если нужно редактировать файл, то используйте оригинальный файл.
Файлы такого типа обычно разбиты на страницы, а текст может быть форматированным (жирный, курсив, выбор шрифта, таблицы и т.п.), а также в него можно добавлять изображения. Формат идеально подходит для рефератов, докладов и РПЗ курсовых проектов, которые необходимо распечатать. Кстати перед печатью также сохраняйте файл в PDF, так как принтер может начудить со шрифтами.
















