ПРСУ ч.1 как делать курсовик (539890)
Текст из файла
Московский государственный технический университет
«МАМИ»
Факультет «Автоматизация и управление»
Кафедра «Автоматика и процессы управления»
Бунько Е.Б.
Жукова А.Ю.
МЕТОДИЧЕСКИЕ УКАЗАНИЯ
Часть 1. Методические указания по выполнению курсовой работы по дисциплине «Программные средства САУ» для студентов, обучающихся по специальностям 210100 «Управление и информатика в технических системах», 21200 «Автоматизация технических процессов и производств» и по направлению 550200 «Автоматизация и управление».
Москва – 2007
Магистр Жукова А.Ю. , к.т.н. Бунько Е.Б.
Методические указания по выполнению курсовой работы по дисциплине «Программные средства САУ» для студентов, обучающихся по направлению 550200 и специальностям 210100, 21200.
С.36 , Рис.9 , Таб.9 , Библ. 6, МАМИ, 2007 г.
В методических указаниях представлена информация, необходимая для выполнения студентами курсовой работы по дисциплине «Программные средства САУ».
Московский государственный технический университет «МАМИ» 2007 г.
Раздел 1.
Тематика и задание к курсовой работе
Курсовая работа по дисциплине «Программные средства САУ» для всех студентов выполняются по единой тематике с различными вариантами заданий. Студенты получают персональное задание от преподавателя. Задания определяются в соответствии с предложенными вариантами. Вариант заданий может быть модифицирован преподавателем. Изменять задание самостоятельно без согласования с преподавателем запрещается.
-
Тема курсовой работы может быть определена как
«Разработка микропроцессорной системы управления (МСУ) Робототехнологическим комплексом (РТК) различного назначения и другими типами технологического оборудования дискретного типа и уточнена в соответствие с заданием.
-
Задание на курсовую работу включает:
По технологической схеме объекта управления (см. варианты) разработать микропроцессорную систему управления (МСУ) объектом, включая:
1. Структурную схему МСУ с использованием выбранной модели микропроцессорного логического контроллера (МКП-1 и другие).
2. Первичное описание функционирования объекта в виде параметрического графа операций (ПГО) (этап алгоритмического проектирования).
3. Промежуточное описание алгоритма управления объектом в виде систем секвенций (этап логического проектирования – логического программирования).
3. Алгоритм управления в виде граф-схемы алгоритмов.
4. Таблицы привязки датчиков и исполнительных механизмов к конкретным портам (входам и выходам) выбранного микроконтроллера.
5. Программу управления в системе команд выбранного микроконтроллера.
При переходе от одного вида описаний к другому, а также к программам проверять полученный продукт на соблюдение принципа локальности преобразований.
Раздел 2.
Пример разработки микропроцессорной системы управления (МСУ) технологическим объектом.
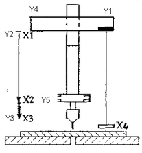
В качестве исходного задания используется технологическая схема объекта управления. Рассмотрим в качестве объекта управления простейший технический агрегат – головку автоматического сверлильного станка.
Рассмотрим систему управления объектом на базе микропроцессорного логического контроллера. Программируемый логический микроконтроллер предназначен для циклового двухпозиционного программного управления манипуляторами и промышленным технологическим оборудованием. Технологический процесс контролируется дискретными датчиками. Сигналы, поступающие от датчиков, обрабатываются программой микроконтроллера и в результате этой обработки вырабатываются сигналы на исполнительные механизмы объекта управления.
Конечной целью курсовой работы является синтез программы управления технологическим процессом в системе команд выбранного микроконтроллера (можно использовать микроконтроллер МКП-1, применяемый в лабораторном практикуме).
В процессе синтеза системы управления мы проходим такие этапы проектирования, как первичное описание функционирования объекта в виде графа операций (ГО) - этап алгоритмического проектирования; промежуточное описание алгоритма в виде систем секвенций - этап логического проектирования; синтез алгоритма управления в виде граф - схемы алгоритмов - первый этап технического проектирования.
2.1. Исходные данные для проектирования микропроцессорной системы управления (МСУ) технологическим объектом.
Рис.1. Технологическая схема сверлильного станка.
X- датчики и органы управления;
Y- исполнительные механизмы и органы индикации.
2.2. Таблицы привязки датчиков и исполнительных механизмов к конкретным портам микроконтроллера ( в качестве микроконтроллера используется МКП-1).
Таблица 1. Датчики и органы управления, адреса входных портов.
| Номера по графу операций | Наименование | Адреса входных портов МКП-1 |
| X1 | Датчик крайнего верхнего положения. | Е01 |
| X2 | Датчик рабочего положения. | Е02 |
| X3 | Датчик крайнего нижнего положения. | Е03 |
| X4 | Датчик посторонних предметов. | Е04 |
| X5 | Общее включение системы. | Е05 |
| X6 | Цикловой пуск. | Е06 |
Таблица 2. Исполнительные механизмы и органы индикации, адреса выходных портов.
| Номера по графу операций | Наименование | Адреса выходных портов МКП-1 | |
| Y1 | Сигнал управления мотором вращения. | Z01 | |
| Y2, Y3 | Сигналы спуска и подъема инструмента. | Z02 | Z03 |
| Y4 | Сигнал на соседний агрегат и на индикацию оператору – станок находится с исходном состоянии (инструмент вверху). | Z04 | |
| Y5 | Сигнал на индикацию – идет рабочий цикл станка. | Z05 | |
Таблица 3. Состояния исполнительных механизмов.
| Y2 | Y3 | действия |
| 1 | 1 | Быстрое перемещение вниз. |
| 1 | 0 | Медленное перемещение вниз. |
| 0 | 1 | Быстрое перемещение вверх. |
| 0 | 0 | Стоп. |
2.3. Первичное описание алгоритма функционирования технологического объекта в виде графа операций.
Модель «граф операций» основана на использовании математического аппарата Сети Петри. Использование этой модели в качестве первичного описания алгоритма функционирования технологического объекта дает возможность на этапе алгоритмического проектирования решать задачи декомпозиции алгоритма, описания стартовых и наладочных режимов, проверяется корректность синтезированного первичного описания.
Рис. 2. Граф операций алгоритма управления сверлильным станком.
Таблица 4. Позиции графа операций.
| Р0 | Исходное состояние системы, крайнее верхнее положение инструмента. |
| Р1 | Быстрое перемещение инструмента вниз. |
| Р2 | Медленное перемещение инструмента вниз (сверление). |
| Р3 | Быстрое перемещение инструмента вверх. |
Таблица 5. Переходы графа операций.
| t0 | момент начала перемещения инструмента вниз. |
| t1 | момент начала медленного перемещения инструмента вниз. |
| t2 | момент начала быстрого перемещения инструмента вверх. |
| t3 | Момент возврата на повторный пуск объекта. |
| t4 | Момент возврата объекта.в исходное состояние. |
-
Структурная схема микропроцессорной системы управления сверлильным станком. Рис. 3.
СС
ПУИ
МКП
БП
ПУИ – пульт управления и индикации.
МКП – микроконтроллер.
БП – блок питания.
СС – сверлильный станок.
2.5. Промежуточное описание алгоритма управления объектом в виде системы секвенций.
На этапе логического проектирования (логического программирования) происходит переход от первичного графического описания логического алгоритма к промежуточному, в процессе которого происходит взаимнооднозначное преобразование графического описания в аналитическую форму, которое, в свою очередь, обладает рядом положительных свойств, необходимых для подготовки ввода описания логического алгоритма в логический микроконтроллер.
Это промежуточное описание можно осуществлять на языке систем секвенций, обладающих известными положительными свойствами. Для алгоритмов логического управления дискретными технологическими объектами очень подходит аналитическая форма графа операций в виде системы конъюктивных секвенций, которая упрощает переход от первичного графического описания к управляющей программе. При этом в левой части секвенциальных операторов содержится конъюкция, состоящая из логических переменных, кодирующих позиции, из которых ведет данный переход графа операций и логических переменных, взвешивающих данный переход. В правой части содержится конъюкция, состоящая из логических переменных, кодирующая позиции, в которые ведет данный переход и логических переменных, взвешивающих эти позиции.
Необходимо отметить, что указанное преобразование обеспечивает соблюдение принципа локальности преобразований.
Рис. 4. Аналитическое описание алгоритма управления сверлильным станком в виде системы конъюктивных секвенций.
2.6. Алгоритм управления сверлильным станком в виде граф-схемы алгоритмов.
Следующим подэтапом в рамках этапа техническог проектирования является построение граф-схемы алгоритмов по секвенциальному описанию, на этом этапе также обеспечивается выполнение принципа локальности преобразований.
Рис. 5. Граф-схема алгоритма сверлильным станком .
2.7. Программа управления в системе команд МКП-1. табл. 6.
| Адрес | Команда | Описание команды |
| 000 | 260А | Активизация счетчика А |
| 001 | 2800 | Запись числа 00 в счетчик А |
| 002 | 0601 | Включить нагрузку Y1 по адресу Z01 |
| 003 | 0602 | Выключить нагрузку Y2 по адресу Z02 |
| 004 | 0603 | Выключить нагрузку Y3 по адресу Z03 |
| 005 | 0504 | Выключить нагрузку Y4 по адресу Z04 |
| 006 | 0401 | Проверка датчика X1 по адресу Е01 на 1 |
| 007 | 0405 | Проверка датчика X5 по адресу Е05 на 1 |
| 008 | 0304 | Проверка датчика X4 по адресу Е04 на 0 |
| 009 | 1201 | Прямой вывод БУ на адрес Z01 |
| 00А | 1202 | Прямой вывод БУ на адрес Z02 |
| 00В | 1203 | Прямой вывод БУ на адрес Z03 |
| 00С | 1304 | Инверсный вывод БУ на адрес Z01 |
| 00Е | 2700 | Переход на адрес 00F если БУ=0 |
| 00D | 0В02 | Инкремент счетчика А |
| 00F | 0402 | Проверка датчика X2 по адресу Е02 на 1 |
| 010 | 0603 | Выключить нагрузку Y3 по адресу Z03 |
| 011 | 0505 | Выключить нагрузку Y5 по адресу Z05 |
| 012 | 0А13 | Переход на адрес 014 если БУ=0 |
| 013 | 2700 | Инкремент счетчика А |
| 014 | 0403 | Проверка датчика X3 по адресу Е03 на 1 |
| 015 | 0602 | Выключить нагрузку Y2 по адресу Z02 |
| 016 | 0503 | Включить нагрузку Y3 по адресу Z03 |
| 017 | 0605 | Выключить нагрузку Y5 по адресу Z05 |
| 018 | 0А19 | Переход на адрес 01А если БУ=0 |
| 019 | 2700 | Инкремент счетчика А |
| 01А | 0303 | Проверка датчика X3 по адресу Е03 на 0 |
| 01В | 0401 | Проверка датчика X1 по адресу Е01 на 1 |
| 01С | 1Е06 | Установка БУ как значение датчика X6 по адресу Е06 |
| 01D | 0А06 | Переход на адрес 009 если БУ=1 |
| 01Е | 0901 | Безусловный переход на адрес 001 |
2.8. Выводы.
Характеристики
Тип файла документ
Документы такого типа открываются такими программами, как Microsoft Office Word на компьютерах Windows, Apple Pages на компьютерах Mac, Open Office - бесплатная альтернатива на различных платформах, в том числе Linux. Наиболее простым и современным решением будут Google документы, так как открываются онлайн без скачивания прямо в браузере на любой платформе. Существуют российские качественные аналоги, например от Яндекса.
Будьте внимательны на мобильных устройствах, так как там используются упрощённый функционал даже в официальном приложении от Microsoft, поэтому для просмотра скачивайте PDF-версию. А если нужно редактировать файл, то используйте оригинальный файл.
Файлы такого типа обычно разбиты на страницы, а текст может быть форматированным (жирный, курсив, выбор шрифта, таблицы и т.п.), а также в него можно добавлять изображения. Формат идеально подходит для рефератов, докладов и РПЗ курсовых проектов, которые необходимо распечатать. Кстати перед печатью также сохраняйте файл в PDF, так как принтер может начудить со шрифтами.
















