ПРСУ ч.1 как делать курсовик (539890), страница 2
Текст из файла (страница 2)
Данная управляющая программа написана для микроконтроллера МКП-1 в кодах входного языка и обеспечивает выполнение заданного алгоритма управления сверлильным станком. Управляющая программа хранится в энергозависимом запоминающимся устройстве (ЭНЗУ) МКП-1. Объем модуля ЭНЗУ составляет 512 байт и позволяет осуществить запись 256 команд. Адресное пространство каждого модуля образует одну зону памяти, а каждая зона памяти делиться на 2 страницы памяти, т.о., объем каждой страницы памяти составляет 256 байт, что позволяет записать в нее 128 команд. Каждая команда МКП-1 в физической памяти занимает 2 байта. Написанная программа имеет 30 команд, следовательно, объем занимаемой ею объем памяти будет составлять 60 байт.
Раздел 3.
Варианты заданий на разработку микропроцессорной системы управления
Вариант 1
Разработка микропроцессорной системы управления (МСУ) отрезным станком.
Вариант 2
Разработка микропроцессорной системы управления (МСУ) РТК на базе отрезного станка и промышленного робота
Вариант 3
«Разработка микропроцессорной системы управления (МСУ) резьбонарезным станком».
Вариант 4
Разработка микропроцессорной системы управления (МСУ) манипулятором для загрузки деталей на конвейер.
Рис. 1
Вариант 5
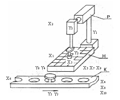
Разработка микропроцессорной системы управления (МСУ) РТК на базе сверлильного станка с автоматической подачей деталей с помощью промышленного робота М1 для сверления отверстий в деталях плоской и цилиндрической формы.
Вариант 6
Разработка микропроцессорной системы управления (МСУ) РТК на базе резьбонарезного станка и промышленного робота M1 для автоматизированного нарезания резьбы на деталях цилиндрической формы.
Вариант 7
Разработка микропроцессорной системы управления (МСУ) Системы разбраковки деталей.
Х4
Х3
Х2
Х1
Х8
Х5
Х6
Бункер для негодных деталей
Бункер для годных деталей
Миниробот М1
Кассета с деталями
Х11
Х7
Y1
Y3
Y2
Y5
Y4
Y6
Вариант 8
Разработка микропроцессорной системы управления (МСУ) Сборочного манипулятора с кассетной подачей деталей.
Вариант 9
Разработка микропроцессорной системы управления (МСУ) РТК на базе токарного станка и промышленного робота (манипулятора) для загрузки-разгрузки деталей.
Вариант 10
Разработка микропроцессорной системы управления (МСУ) сверлильным станком
Раздел 3.
Титульный лист курсовой работы
МИНИСТЕРСТВО ОБРАЗОВАНИЯ РОCСИЙСКОЙ ФЕДЕРАЦИИ
Московский Государственный Технический Университет
«МАМИ»
Кафедра: «АиПУ »
Факультет: «АиУ»
Курсовая работа
по дисциплине:
«Программные средства САУ»
Тема:
«___________________________________________________»
Выполнила студент: Группа:
Допустить к защите: ___________________________
Преподаватель: _____________ / _________/
Дата: «__» ________ 200_г.
Защита работы с оценкой: ______________ /__________ /
Москва 200_г.
Раздел 4.
Задание на курсовую работу
Выдано студенту:____________________ Группа: ___________
Выдано: «___» ______ 200_ г. Срок сдачи: «___» _______ 200_ г.
-
Тема курсовой работы: «___________________________________________».
-
Исходные данные:
-
Разработать:
















