Лекции Паро- и газотурбинные установки эксперимент (539880), страница 9
Текст из файла (страница 9)
В настоящее время при испытаниях ГТУ или их узлов наибольшее распространение получили электрические датчики стационарных и переменных давлений а также жидкостные и механические манометры. В жидкостных манометрах измеряемое давление уравновешивается столбом жидкости, залитой в манометр, в механических – грузом или силой упругости деформируемого элемента. В электрических датчиках давлений деформация упругого элемента преобразуется в электрический сигнал, что уменьшает инерционность прибора и позволяет передать сигнал на необходимые расстояние. Все современные средства измерений давлений предусматривают регистрацию их и при необходимости возможность отображения в реальном масштабе времени на дисплее.
Жидкостные манометры.
Простейшим жидкостный манометр (пьезометр) представляет собой U-образную трубку, в которой измеряемая разность давлений (P2-P1) уравновешивается давление столба жидкости, заполняющей трубку.
- плотность жидкости, залитой в пьезометр,
(h1+h2) – высота столба жидкости.
Жидкостные манометры все еще находят применение для измерения давлений, незначительно отличающихся от атмосферного. Диапазон измерения давления (0,3
3,0)*104 Н/м2 и в каждом конкретном случае зависит от плотности используемой жидкости.(ртуть, вода, спирт метиловый…) Недостатки U- образных манометров является необходимость фиксации уровней жидкости в двух трубках. Одно трубчатый манометр лишен этого недостатка. Резервуар такого манометра по сравнению с трубкой должен иметь значительно больший диаметр, так как изменения уровня жидкости в нем должны быть малозаметными.
Разновидностью жидкостных манометров являются наклонные микроманометры, в которых благодаря наклону трубки с жидкостью удается производить измерения небольших (до 1-2 мм вод.ст.) давлений.
Механические манометры.
Для измерения давлений выше 3*104 Н/м2 могут быть использованы различного типа механические манометры.
Давление в механическом манометре через штуцер манометра подается в трубку , которая под действием этого давления распрямляется, чему противодействует ее упругость. Свободный конец трубки через зубчатый сектор передает перемещение на стрелку, отмечающую величину измеряемого давления по шкале. Часто применяют также мембранные и сильфонные манометры, чувствительным элементом которых являются металлическая гофрированная мембрана или сильфон. Измеряемое давление подается в герметичный объем, закрытый мембраной. Под давлением мембрана прогибается, сильфон растягивается и через передающее устройство поворачивает стрелку прибора.
Общим недостатком рассмотренных выше манометров является зависимость характеристик ударных элементов от температуры.
Достоинством – простота конструкции, малая чувствительность к вибрации. Рабочие манометры выпускаются пяти классов точности: 0,5; 1,0; 1,5; 2,5; 4;. Контрольные манометры служат для проверки рабочих манометров и имеют два класса точности: 0,5 и 1,0. Образцовые манометры также имеют два класса точности: 0,2 и 0,4, что означает максимальную погрешность измерения в
0,2 и
0,4% от верхнего предела измерений.
Электрические манометры.
Основным недостатком механических манометров являются невозможность использования их для регистрации быстротекущих процессов и в электрических измерительных системах с автоматической регистрацией результатов измерений. Поэтому взамен их широко используют электрические датчики давления: индуктивные, тензометрические, пьезометрические, емкостные.
У тензометрического датчика давления тензометры наклеены на упругий элемент, деформация которому передается от мембраны, воспринимающей измеряемое давление.
В результате деформации упругого элемента возникает деформация наклеенных на него тензометров, соответственно изменяется их сопротивления, что регистрируется с помощью соединения тензометров в мостовую схему. Подобные датчики имеют предел измерения до 160*105 Па, частичный диапазон 0-6000 1/с, диапазон рабочих температур до 100 0С при погрешности 3%.
Индуктивные датчики давления имеют две рабочие катушки, включенные в цепь переменного тока, индуктивности которых меняются при изменении положения мембраны. Первичный индуктивный преобразователь обеспечивает измерение давления до 300*105 Па, максимальная рабочая частота составляет величину порядка 1000 1/с.
Емкостной датчик давления имеет в качестве одного из электродов мембрану, выточенную заодно с корпусом. Второй электрод расположен в самом приборе, внутренний объем которого вакуумирован. Под действием измеряемого давления меняется расстояние между электродами, соответственно меняются емкость конденсатора. Такой прибор обеспечивает измерение переменных давлений достигающих величин 160*105 Па. Частотный диапазон 0-10000 1/с. допустимые температуры – 150 0С.
Электрический датчик давления может измерять меняющееся давление величиной от 0,5*105 до 50*105 Па, допускаемая погрешность 7-10%. Частотный диапазон таких датчиков 3-10000 1/с.
5.3 Измерение расходов жидкостей и газов.
При испытаниях газотурбинных и паротурбинных установок возникает необходимость измерения расхода воздуха (газа), топлива, масла, охлаждающей жидкости.
Большое разнообразие ГТУ и ПТУ, их агрегатов и узлов, различие физико-химических свойств рабочих тел (воздух, вода, керосин,…), параметров рабочих тел (давление может меняться сотни раз, а температура принимать значения от 70 до 2000 0К), условий измерения (стационарное или нестационарные течения) объясняет наличие разных типов расходомеров и разнообразие методов измерения.
Выбор метода измерения определяется свойствами рабочего тела и требуемой точностью определения расхода.
Расход воздуха (газа) можно определить непосредственным измерением его объема, протекающего через мерное устройство (счетчики газа) и косвенным путем – измерением определенных параметров потока, характеризующих среднюю или мгновенную скорость движения. При косвенных измерениях расхода применяют более разнообразные средства, в частности:
-
дросселирование потока с целью получения перепада давления
-
измерение скоростного напора потока
-
фиксирование изменения теплового состояния газа при движении его между двумя последовательно расположенными сечениями и теплообмена между чувствительным элементом прибора и потоком
-
фиксирование скорости изменения ультразвуковых колебаний по движению или против движения потока.
-
Измерение оптических характеристик потока.
Дроссельные расходомеры.
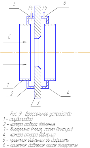
В основе дроссельного расходомера находится сужающее поток устройство из многообразия которых стандартизировано три: диафрагм, сопла и сопла Вентури. Изготовление и применение этих дроссельных расходомеров с определенными правилами позволяет отказаться от индивидуальных градуировок.
Дроссельное устройство рис. 9 создает в потоке перепад давлений, величина которого однозначно связана с расходом рабочего тела (жидкость, газа). Этот перепад обусловлен увеличением скорости потока в дроссельном приборе и его гидравлическим сопротивлением. Связь между перепадом давлений на дроссельном приборе и величиной расхода определяется из уравнения неразрывности и уравнения Бернулли в формуле:
где:
-
- коэффициент расхода, величина которого определяется конструкцией дроссельного прибора
-
F0 – площадь минимального сечения дроссельного прибора
-
- плотность
-
р – перепад давления на дроссельном приборе.
Это соотношение одинаково верно для всех типов дроссельных приборов; изменяется только величина коэффициента расхода. Наибольшие гидравлические потери возникают при обтекании диафрагмы. Несколько меньшие – при использовании мерного сопла. Наиболее оптимален в этом смысле сопло Вентури, плавные контуры которого исключают при протекании потока появление застойных зон в той или иной степени. Стандартные диафрагмы могут быть использованы в трубопроводах диаметром D
50 мм. Модуль диафрагмы (отношение диаметра отверстия к диаметру трубопровода) может иметь значения от 0,05 до 0,7. Проходное отверстие имеет цилиндрическую форму с острой входной кромкой. Измерение перепада давления осуществляется непосредственно у стенок диафрагмы с помощью отверстий равномерно расположенных по окружности или сплошных кольцевых щелей.
Стандартные сопла применяют в трубопроводах диаметром менее 50 мм при 0,05
m
0,65. Стандартные сопла Вентури в дополнение к входной сопловой части имеют выходные конусные участки с углом = 5 300.
Главным недостатком расходомеров с сужающими устройствами является узкий рабочий диапазон каждого конкретного (m = const) расходомера. Отношения Gmax/Gmin не должно превышать 3-4 потому, что с его увеличением резко возрастает погрешность вблизи Gmin из-за квадратичной зависимости между расходом и перепадом давления. Расходомеры с сужающими устройствами, как правило, непригодны для измерения быстропеременных расходов, что связано прежде всего с инерционностью процессов в манометрах и соединительных линиях. При применении электрических преобразователей перепада давления также возникают динамические погрешности, вызванные инерционностью процессов преобразования непосредственно на сужающем устройстве.
Дроссельные расходомеры при правильной установке и эксплуатации в условиях установившихся потоков имеют погрешность не более
1,5%.
Пневмометрические трубки.
Измерения расхода газа по скоростному напору осуществляются с помощью комбинированной пневмометрической трубки, позволяющей определить полное и статические давления в потоках. 0 разности этих давлений Р = Р0 – Р то есть по динамическому давлению потока, в выбранных точках находят скорость потока:
Где - плотность газа.
Расход газа (жидкости) в трубопроводе может быть определен, если известна средняя скорость для данного поперечного сечения. Среднюю скорость потока можно определить, измерив, профиль скорости в данном сечении при перемещении пневмометрической трубке.
















