СНиП II-22-81 (1995) (524623), страница 12
Текст из файла (страница 12)
6.33. В проектах следует предусматривать перевязку облицовки, жестко связанной с кладкой тычковыми рядами, по указаниям п. 6.3.
6.34. При устройстве обрезов в кладке, жестко связанной с облицовкой, в пределах выступающей части стены по всей ее толщине в проекте следует предусматривать укладку у обреза арматурных сеток не менее чем в трех швах.
АНКЕРОВКА СТЕН И СТОЛБОВ
6.35. Каменные стены и столбы должны крепиться к перекрытиям и покрытиям анкерами сечением не менее 0,5 см2.
6.36. Расстояние между анкерами балок, прогонов или ферм, а также перекрытий из сборных настилов или панелей, опирающихся на стены, должно быть не более 6 м. При увеличении расстояния между фермами до 12м следует предусматривать дополнительные анкеры, соединяющие стены с покрытием. Концы балок, укладываемые на прогоны, внутренние стены или столбы должны быть заанкерены и при двухстороннем опирании соединены между собой.
6.37. Самонесущие стены в каркасных зданиях должны быть соединены с колоннами гибкими связями, допускающими возможность независимых вертикальных деформаций стен и колонн. Связи, устанавливаемые по высоте колонн, должны обеспечивать устойчивость стен, а также передачу действующей на них ветровой нагрузки на колонны каркаса.
6.38. Расчет анкеров должен производиться:
а) при расстоянии междуанкерами более 3 м;
б) при несимметричном изменении толщины столба или стены;
в) для простенков при общей величине нормальной силы N более 1000 кН (100 т).
Расчетное усилие в анкере определяется по формуле
Ns =
(50)
где М — изгибающий момент от расчетных нагрузок в уровне перекрытия или покрытия (см. п. 6.10) в местах опирания их на стену на ширине, равной расстоянию между анкерами (рис. 12);
Н — высота этажа;
N — расчетная нормальная сила в уровне расположения анкера на ширине, равной расстоянию между анкерами.
Рис. 12. Определение усилия в анкере от изгибающего момента в уровне перекрытия
Примечание. Указания настоящего пункта не распространяются на стены из виброкирпичных панелей.
6.39. Если толщина стен или перегородок назначена с учетом опирания по контуру, необходимо предусматривать их крепление к примыкающим боковым конструкциям и к верхнему перекрытию.
ОПИРАНИЕ ЭЛЕМЕНТОВ КОНСТРУКЦИЙ НА КЛАДКУ
6.40. Под опорными участками элементов, передающих местные нагрузки на кладку, следует предусматривать слой раствора толщиной не более 15 мм, что должно быть указано в проекте.
6.41. В местах приложения местных нагрузок в случае, когда это требуется по расчету на смятие, следует предусматривать установку распределительных плит толщиной, кратной толщине рядов кладки, но не менее 15 см, армированных по расчету двумя сетками с общим количеством арматуры не менее 0,5 % объема бетона.
6.42. При опирании ферм, балок покрытий, подкрановых балок и т.п. на пилястры следует предусматривать связь распределительных плит на опорном участке кладки с основной стеной. Глубина заделки плит в стену должна составлять не менее 12 см (рис. 13). Выполнение кладки, расположенной над плитами, следует предусматривать непосредственно после установки плит. Предусматривать установку плит в борозды, оставляемые при кладке стен, не допускается.
Рис. 13. Железобетонные распределительные плиты
6.43. При местных краевых нагрузках, превышающих 80 % расчетной несущей способности кладки при местном сжатии, следует предусматривать армирование опорного участка кладки сетками из стержней диаметром не менее 3 мм с размером ячейки не более 60х60 мм, уложенными не менее чем в трех верхних горизонтальных швах.
При передаче местных нагрузок на пилястры участок кладки, расположенный в пределах 1 м ниже распределительной плиты, следует армировать через три ряда кладки сетками, указанными в настоящем пункте. Сетки должны соединять опорные участки пилястр с основной частью стены и заделываться в стену на глубину не менее 12 см.
РАСЧЕТ УЗЛОВ ОПИРАНИЯ ЭЛЕМЕНТОВ НА КИРПИЧНУЮ КЛАДКУ
6.44. При опирании на кирпичные стены и столбы железобетонных прогонов, балок и настилов, кроме расчета на внецентренное сжатие и смятие сечений ниже опорного узла, должно быть проверено на центральное сжатие сечение по кладке и железобетонным элементам.
Расчет опорного узла при центральном сжатии следует производить по формуле
N £ gpRA, (51)
где А — суммарная площадь сечения кладки и железобетонных элементов в опорном узле в пределах контура стены или столба, на которые уложены элементы;
R — расчетное сопротивление кладки сжатию;
g — коэффициент, зависящий от величины площади опирания железобетонных элементов в узле;
р — коэффициент, зависящий от типа пустот в железобетонном элементе.
Коэффициент g при опирании всех видов железобетонных элементов (прогонов, балок, перемычек, поясов, настилов) принимается:
g = 1, если Ab £ 0,1 A;
g = 0,8, если Ab £ 0,4 A,
где Ab — суммарная площадь опирания железобетонных элементов в узле.
При промежуточных значениях Аb коэффициент g определяется по интерполяции.
Если железобетонные элементы (балки, настилы и др.), опертые на кладку с различных сторон, имеют одинаковую высоту и площадь их опирания в узле Ab > 0,8 А, разрешается производить расчет без учета коэффициента g, принимая в формуле (51) А = Аb.
Коэффициент р принимается равным:
при сплошных элементах и настилах с круглыми пустотами — 1;
при настилах с овальными пустотами и наличии хомутов на опорных участках — 0,5.
6.45. В сборных железобетонных настилах с незаполненными пустотами кроме проверки несущей способности опорного узла в целом, должна быть проверена несущая способность горизонтального сечения, пересекающего ребра настила, по формуле
N £. nRbAn + RAk, (52)
где Rb — расчетное сопротивление бетона осевому сжатию, принимается в соответствии с главой СНиП по проектированию бетонных и железобетонных конструкций;
Аn — площадь горизонтального сечения настила, ослабленная пустотами, на длине опирания настила на кладку (суммарная площадь сечения ребер);
R — расчетное сопротивление кладки сжатию;
Аk — площадь сечения кладки в пределах опорного узла (без учета части сечения, занимаемой участками настилов);
п = 1,25 — для тяжелых бетонов и п = 1,1 для бетонов на пористых заполнителях.
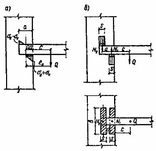
6.46. Расчет заделки в кладку консольных балок (рис. 14,а) следует производить по формуле
(53)
где Q — расчетная нагрузка от веса балки и приложенных к ней нагрузок;
Rc — расчетное сопротивление кладки при смятии;
а — глубина заделки балки в кладку;
b — ширина полок балки;
e0 — эксцентриситет расчетной силы относительно середины заделки
с — расстояние силы Q от плоскости стены.
Необходимую глубину заделки следует определять по формуле
(54)
Если заделка конца балки не удовлетворяет расчету по формуле (53), то следует увеличить глубину заделки или уложить распределительные подкладки под балкой и над ней.
Если эксцентриситет нагрузки относительно центра площади заделки превышает более чем в 2 раза глубину заделки (e0 > 2а), напряжения от сжатия могут не учитываться: расчет в этом случае производится по формуле
(55)
При применении распределительных подкладок в виде узких балок с шириной не более 1/3 глубины заделки допускается принимать под ними прямоугольную эпюру напряжений (рис. 14,б).
Рис. 14. Расчетные схемы заделки консольных балок
ПЕРЕМЫЧКИ И ВИСЯЧИЕ СТЕНЫ
6.47. Железобетонные перемычки следует рассчитывать на нагрузку от перекрытий и на давление от свежеуложенной, неотвердевшей кладки, эквивалентное весу пояса кладки высотой, равной 1/3 пролета для кладки в летних условиях и целому пролету для кладки в зимних условиях (в стадии оттаивания).
Примечания: 1. Допускается при наличии соответствующих конструктивных мероприятий (выступы в сборных перемычках, выпуски арматуры и т.п.) учитывать совместную работу кладки с перемычкой.
2. Нагрузки на перемычки от балок и настилов перекрытий не учитываются, если они расположены выше квадрата кладки со стороной, равной пролету перемычки, а при оттаивающей кладке, выполненной способом замораживания, — выше прямоугольника кладки с высотой, равной удвоенному пролету перемычки в свету. При оттаивании кладки перемычки допускается усиливать постановкой временных стоек на клиньях на период оттаивания и первоначального твердения кладки.
3. В вертикальных швах между брусковыми перемычками, в случаях когда не обеспечивается требуемое сопротивление их теплопередаче, следует предусматривать укладку утеплителя.
6.48. Кладку висячих стен, поддерживаемых рандбалками, следует проверять на прочность при смятии в зоне над опорами рандбалок. Должна быть проверена также прочность кладки при смятии под опорами рандбалок. Длину эпюры распределения давления в плоскости контакта стены и рандбалки следует определять в зависимости от жесткости кладки и рандбалки. При этом рандбалка заменяется эквивалентным по жесткости условным поясом кладки, высота которого определяется по формуле
(56)
где Eb — начальный модуль упругости бетона;
Ired — момент инерции приведенного сечения рандбалки, принимаемый в соответствии с главой СНиП по проектированию бетонных и железобетонных конструкций;
Е — модуль деформации кладки, определяемый по формуле (7);
h — толщина висячей стены.
Жесткость стальных рандбалок определяется как произведение
Еs ×Is,
где Еs и Is — модуль упругости стали и момент инерции сечения рандбалки.
6.49. Эпюру распределения давления в кладке над промежуточными опорами неразрезных рандбалок следует принимать по треугольнику при a £ 2s (рис. 15,а) и по трапеции при 3s ³ а > 2s (рис. 15,б) с меньшим ее основанием, равным a - 2s. Максимальная величина напряжений смятия sс (высота треугольника или трапеции) должна определяться из условия равенства объема эпюры давления и опорной реакции рандбалки по формулам:
при треугольной эпюре давления (a £ 2s)
(57)
при трапециевидной эпюре давления (3s > а > 2s)
(58)
где а — длина опоры (ширина простенка);
N — опорная реакция рандбалки от нагрузок, расположенных в пределах ее пролета и длины опоры, за вычетом собственного веса рандбалки;
s = 1,57H0 — длина участка эпюры распределения давления в каждую сторону от грани опоры;
h — толщина стены.
















