pb_03-381-00 (524177), страница 5
Текст из файла (страница 5)
Таблица 3.1
| Толщина тонкой детали, мм | Допускаемая разница толщины, мм |
| до 4 | 1 |
| свыше 4 до 20 | 2 |
| свыше 20 до 30 | 3 |
| свыше 30 | 4 |
При разности в толщине свариваемых деталей свыше значений, указанных в таблице 3.1., на детали, имеющей большую толщину, должен быть сделан скос под углом 15° с одной или с двух сторон до толщины тонкой детали. При этом конструкцию разделки кромок и размеры сварного шва следует выбирать по меньшей толщине.
3.1.5.3. Не допускается смещение свариваемых кромок более:
а) 1,0 мм – для деталей толщиной t = 410 мм;
б) 0,1t, для деталей t = 1040 мм, но не более 3 мм.
3.1.5.4. Максимальные катеты угловых сварных швов не должны превышать 1,2 толщины более тонкой детали в соединении.
3.1.5.5. Для деталей толщиной 4-5 мм катет углового сварного шва должен быть равен 4 мм.
Для деталей большей толщины катет углового шва определяется расчетом или конструктивно, но должен быть не менее 5 мм.
3.1.5.6. Заводские сварные соединения рулонных заготовок выполняются встык.
3.1.5.7. Нахлесточное соединение со сваркой с одной стороны допускается при сборке днища и крыши из рулонных заготовок. С величиной нахлестки не менее 30 мм. При полистовой сборке днищ и крыш допускаются сварные соединения листов встык на подкладке и нахлесточные соединения с величиной нахлестки 5t, но не менее 30 мм.
3.2. Применяемые соединения
3.2.1. Вертикальные соединения стенки.
Вертикальные соединения стенки должны быть стыковыми с полным проплавлением по толщине листов (рисунок 3.1.).
Вертикальные соединения листов в прилегающих поясах стенки должны быть смещены друг относительно друга на расстояние не менее 8t, где t – наибольшая из толщин листов прилегающих поясов.
Для резервуаров классов II и III при изготовлении стенки из рулонных полотнищ допускаются вертикальные заводские и монтажные стыковые соединения без смещения.
Расстояния между швами патрубков, усиливающих листов и швами стенки должны быть не менее: до вертикальных швов – 250 мм, до горизонтальных швов – 100 мм.
Вертикальные соединения первого пояса стенки должны располагаться на расстоянии не менее 100 мм от стыков окраек днища.
3.2.2. Горизонтальные соединения стенки.
Горизонтальные соединения листов должны выполняться двусторонними стыковыми швами с полным проплавлением (рисунок 3.2.).
Листы вышележащего пояса должны располагаться в пределах толщины листа нижележащего пояса. Взаимное расположение листов соседних поясов устанавливается проектом.
Рис. 3.1. Вертикальные стыковые соединения стенки.
а) без разделки кромок;
б) со скосом двух кромок;
в) с двумя скосами кромок;
г) с криволинейным скосом кромок.
Рис. 3.2. Горизонтальные стыковые соединения стенки.
а) без разделки кромок;
б) с криволинейным скосом одной кромки верхнего листа;
в) с двумя скосами одной кромки верхнего листа.
3.2.3. Соединения днища.
3.2.3.1. Стыковые соединения применяются при заводском изготовлении рулонируемых полотнищ днищ. Стыковые соединения на остающейся подкладке применяются для сварки кольцевых окраек, а также при полистовой сборке центральной части днищ.
3.2.3.2. Нахлесточные соединения днища применяются для соединения между собой рулонируемых полотнищ днищ, листов центральной части днищ при их полистовой сборке, а также для соединения центральной части днищ с кольцевыми окрайками (рисунки 3.3, 3.4, 3.5).
Рис. 3.3. Соединение полотнищ днища
Рис. 3.4. Соединение листов центральной части днища
Рис. 3.5. Соединение центральной части с окрайками днища.
3.2.4. Соединение днища со стенкой.
Для соединения днища со стенкой применяется тавровое соединение.
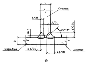
Для резервуаров с толщиной листов нижнего пояса стенки 20 мм и менее рекомендуется тавровое сварное соединение без разделки кромок (рисунок 3.6,а.). Размер катета каждого углового шва должен быть не более 12 мм и не менее номинальной толщины окрайки.
Для резервуаров с толщиной листов нижнего пояса стенки более 20 мм должно применяться тавровое сварное соединение с разделкой кромок, представленное на рисунке 3.6,б. Сварные швы должны выполняться как минимум в два прохода.
3.2.5. Соединение листов крыши.
Для соединения листов крыши применяются стыковые и нахлесточные соединения.
3.2.6. Соединения стационарной крыши со стенкой резервуара см. п. 3.7.
Рис. 3.6. Соединение стенки с днищем
3.3. Исходные данные для проектирования
3.3.1. Общие положения:
-
расположение резервуаров – наземное на специально устроенном основании, выполненном по заданию Заказчика;
-
геометрические параметры – с учетом требований СНиП 2.11.03-93, а также с учетом геологических изысканий площадки строительства;
-
в Приложении 1 приведены основные параметры резервуаров объемом от 100 до 50000 м3, которые предпочтительно применять в соответствии с требованиями настоящего документа;
-
метод изготовления (полистовое или рулонное исполнение) – задает Заказчик.
3.3.2. Данные, представляемые Заказчиком:
-
геометрические параметры или объем резервуара;
-
тип резервуара: со стационарной крышей (с понтоном или без понтона), с плавающей крышей и другие конструктивные особенности;
-
район строительства;
-
наименование хранимого продукта с указанием наличия вредных примесей в продукте (содержание серы, сульфидов водорода и т.д.) для обеспечения необходимых мероприятий;
-
удельный вес продукта;
-
максимальную и минимальную температуру продукта;
-
избыточное давление и относительное разрежение;
-
нагрузку от теплоизоляции;
-
схему расположения и нагрузки от технологического оборудования;
-
потребность в зачистных люках и зумфах;
-
оборачиваемость продукта (изменение уровня налива продукта во времени);
-
уровень подтоварной воды;
-
срок службы резервуара;
-
припуск на коррозию элементов резервуара.
Данные должны быть согласованы Заказчиком и Проектировщиком.
3.3.3. При отсутствии полного задания следует руководствоваться пунктом 1.4. настоящих Правил.
3.4. Конструкция днища
3.4.1. Днища резервуаров могут быть плоскими или коническими с уклоном от центра или к центру (рекомендуемая величина уклона 1:100).
3.4.2. Все листы днища резервуаров объемом 1000 м3 и менее должны иметь номинальную толщину не менее 4 мм, исключая припуск на коррозию.
Днища резервуаров объемом от 2000 м3 и более должны иметь центральную часть и утолщенные кольцевые окрайки. Все листы центральной части днища указанных резервуаров должны иметь номинальную толщину не менее 4 мм, исключая припуск на коррозию.
3.4.3. Кольцо из листов окраек должно быть круговой формы с внешней стороны, внутренняя граница окраек может иметь форму правильного многоугольника с числом сторон равным числу листов окрайки. Радиальная ширина окрайки должна обеспечивать расстояние между внутренней поверхностью стенки и швом приварки центральной части днища не менее 300 мм.
Толщина кольцевых окраек должна быть не менее величин, приведенных в таблице 3.2.
Таблица 3.2
| Толщина нижнего пояса стенки резервуара, мм | Минимальная толщина кольцевой окрайки, мм |
| до 7 вкл. | 6 |
| 8 — 11 вкл. | 7 |
| 12 — 16 вкл. | 9 |
| 17 — 20 вкл. | 12 |
| 20 — 26 вкл. | 14 |
| свыше 26 | 16 |
3.4.4. Кольцевые окрайки собираются между собой с клиновидным зазором и свариваются между собой односторонними стыковыми швами на остающейся подкладке (рисунок 3.5).
3.4.5. Центральная часть днища может быть выполнена как в полистовом, так и в рулонном исполнении. Рулонные полотнища изготавливаются на заводе из листов, сваренных встык.
При монтаже центральной части днища полистовым методом применяются нахлесточные и стыковые соединения на остающейся подкладке (рисунок 3.4).
Нахлесточные соединения днищ свариваются угловым швом только с верхней стороны (рисунок 3.3).
В зоне пересечения нахлесточного соединения днища с нижним поясом стенки должна быть образована ровная поверхность (рисунок 3.5).
3.5. Конструкция стенки
3.5.1. Расчетные значения толщины листов стенки должны определяться исходя из проектного уровня налива продукта или воды при гидроиспытаниях. Номинальные толщины листов стенки резервуара назначаются с учетом минусового допуска на прокат и могут включать припуск на коррозию.
3.5.2. Номинальные толщины стенок резервуара определяются в три этапа:
-
предварительный выбор толщин поясов;
-
корректировка толщин при поверочном расчете на прочность, включая и расчет на сейсмическое воздействие для сейсмоопасных районов;
-
корректировка толщин при проведении расчета на устойчивость.
3.5.3. Предварительный выбор номинальных толщин поясов производится с помощью расчета на эксплуатационные нагрузки, на нагрузку гидроиспытаний и по конструктивным требованиям.
3.5.3.1. Минимальная расчетная толщина стенки te в каждом поясе для условий эксплуатации рассчитывается по формуле:
где g – ускорение свободного падения в районе строительства;
– плотность продукта,
Н – высота налива продукта,
z – расстояние от дна до нижней кромки пояса,
r – радиус срединной поверхности пояса стенки резервуара,
Rу – расчетное сопротивление материала,
с – коэффициент условий работы:















