2405-88 (523541), страница 7
Текст из файла (страница 7)
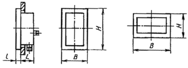
Таблица 10
мм
| Размеры передней рамки корпуса прибора Н×В | Размеры отверстий в щитах | |||
| b | h | |||
| Номин. | Пред. откл. | Номин. | Пред. откл. | |
| 40×40 | 35 | +0,6 | 35 | +0,6 |
| 48×48 | 45 | 45 | ||
| 72×72 | 68 | +0,7 | 68 | +0,7 |
| 80×80 | 75 | 75 | ||
| 96×96 | 92 | +0,8 | 92 | +0,8 |
| 100×100 | ||||
| 144×144 | 138 | +1,0 | 138 | +1,0 |
| 160×160 | 155 | +1,0 | 155 | +1,0 |
| 36×72 | 33 | +0,6 | 68 | +0,7 |
| 40×80 | 35 | 75 | ||
| 48×96 | 45 | 92 | +0,8 | |
| 36×144 | 33 | 138 | +1,0 | |
| 72×144 | 68 | +0,7 | ||
| 40×160 | 35 | +0,6 | 155 | |
| 80×160 | 75 | +0,7 | ||
| 96×192 | 92 | +0,8 | 186 | +1,1 |
| 72×36 | 68 | +0,7 | 33 | +0,6 |
| 80×40 | 75 | 35 | ||
| 96×48 | 92 | +0,8 | 45 | |
| 144×36 | 138 | +1,0 | 33 | |
| 144×72 | 68 | +0,7 | ||
| 160×40 | 155 | 35 | +0,6 | |
| 160×80 | 75 | +0,7 | ||
| 192×96 | 186 | +1,1 | 92 | +0,8 |
| 200×100 | 182 | 82 | +0,9 | |
Черт. 18
Черт. 19
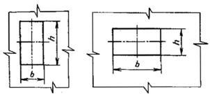
Таблица 11
мм
| В | H | L | ℓ | b | h | ||
| Номин. | Пред. откл. | Номин. | Пред. откл. | ||||
| не более | |||||||
| 144 | 144 | - | - | 138 | +1,0 | 138 | +1,0 |
| 160 | 160 | 155 | 155 | ||||
| 160 | 240 | 230 | +1,2 | ||||
| 192 | 288 | 186 | +1,1 | 282 | +1,3 | ||
| 320 | 240 | 305 | +1,3 | 230 | +1,2 | ||
| 340 | 280 | 100 | 60 | 325; 333 | +1,4 | 274 | +1,3 |
| 384 | 288 | 360 | 282 | ||||
9. Присоединительные размеры штуцеров приборов для подвода измеряемого давления должны соответствовать черт. 20 - 25 и табл. 12.
10. Для манометров с верхним пределом измерения свыше 160 МПа (1600 кгс/см2) и по заказу потребителя допускаются штуцеры других видов, присоединительные размеры которых устанавливают в ТУ.
Черт. 20
Черт. 21
Черт. 22
Черт. 23
Черт. 24
Черт. 25
Таблица 12
мм
| d | d, не более | d | D | D1, пред. откл. В11 | D2 | D3, | D4, | ℓ | ℓ1 | ℓ2 | ℓ3 | Испытание штуцера | Верхний предел измерений, МПа |
| не более | не более | ||||||||||||
| M10×l-6g | 3 | - | - | - | - | - | - | 10 | 2 | - | - | Черт. 20 | 40* |
| M12×l,5-8g | 5 | 12 | 3 | ||||||||||
| M16×l,5-8g | 6 | 16 | 4 | 160 | |||||||||
| M20×l,5-8g | 20 | 5 | |||||||||||
| M10×l-6g | 3 | 8,7 | - | - | - | - | - | 10 | 2 | 1 | - | Черт. 21 | 40* |
| M12×l,5-8g | 5 | 9,5 | 12 | 3 | 2,5 | ||||||||
| M16×l,5-8g | 6 | 13,5 | 16 | 4 | 3 | 160 | |||||||
| M20×l,5-8g | 17,5 | 20 | 5 | 3,5 | |||||||||
| M20×l,5-8g | - | - | 4 | 10 | - | - | - | - | - | Черт. 22 | |||
| M10×l-6g | 3 | 6,5 | 5 | 10 | 5,5 | Черт. 23 | 40* | ||||||
| M12×l,5-8g | 4 | 8,1 | 6 | 7 | 160 | ||||||||
| M16×l,5-8g | 5 | 10,1 | 8 | 12 | |||||||||
| M20×l,5-8g | 6 | 14,3 | 12 | 7,5 | |||||||||
| M16×l,5-6g | - | - | - | - | - | 16 | 4 | - | Черт. 24 | 250* | |||
| M20×l,5-8g | 5 | 7 | 20 | 5 | |||||||||
| M10×l-6g | - | - | 8,5 | 9,5 | 4,5 | Черт. 25 | 100 | ||||||
| M12×l,5-8g | 10,5 | 9,5 | 5,5 | 250 | |||||||||
| M16×l,5-8g | 14,5 | 10 | 6,0 | ||||||||||
| M20×l,5-8g | 17,8 | 13,5 | 6,5 | ||||||||||
* Допускается применять больший предел измерений, если это не противоречит технике безопасности.
ПРИЛОЖЕНИЕ 6
Рекомендуемое
ЦИФЕРБЛАТЫ И ШКАЛЫ ПРИБОРОВ
1. Исполнение шкалы приборов, направление отсчета и положение нулевой отметки указаны в табл. 13.















