2405-88 (523541), страница 6
Текст из файла (страница 6)
Остальные размеры устанавливают в ТУ на прибор конкретного типа.
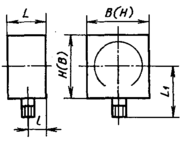
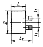
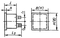
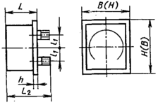
Приборы без фланца
Черт. 1
Черт. 2
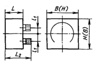
Черт. 3
Черт. 4
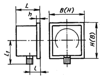
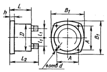
Приборы с фланцем
Черт. 5
Черт. 6
Черт. 7
Черт. 8
Черт. 9
Таблица 7
мм
| D | B(H) | Н(В) | B1 | L | L1 | L2 | ℓ | ℓ1 | h | A | d | ||
| Номин. | Пред. откл. | Номин. | Пред. откл. | ||||||||||
| не более | |||||||||||||
| 40 | - | - | - | 28 | 40 | 60 | 15 | 3 | - | - | - | ||
| - | 40 | 40 | - | 40 | |||||||||
| 44 | 72 | ||||||||||||
| 60* | - | - | 65 | 45 | 60 | 75 | 20 | 22 | 12 | 48 | ±0,2 | 4,5 | +0,2 |
| 63 | - | - | 51 | ||||||||||
| - | 60 | 60 | - | - | |||||||||
| 100 | - | - | 110 | 60 | 100 | 105 | 40 | 40 | 19 | 80 | ±0,2 | 5,5 | |
| - | 100 | 100 | - | 95** | 150** | - | - | ||||||
| 144 | 144 | 175*** | 160*** | ||||||||||
| 160 | - | - | 170 | 70 | 125 | 60 | 55 | 128 | ± 0,4 | 7,0 | +0,2 | ||
| - | 160 | 160 | - | 120** | 120 | 80** | - | - | |||||
| 160 | 240 | 200*** | 170*** | ||||||||||
| 250 | - | - | 265 | 70 | 175 | 120 | 55 | 100 | 200 | ± 0,4 | 7,0 | +0,2 | |
* В новых разработках не применять.
** Для приборов с сигнализирующим устройством прямого действия.
*** Для приборов с сигнализирующим устройством непрямого действия, тягомеров, напоромеров, тягонапоромеров.
Примечание. Размер D не распространяется на обечайки и крышки (стекла) приборов.
Черт. 10
Черт. 11
Черт. 12
Черт. 13
Таблица 8
мм
| Диаметр корпуса прибора | D1 | D2 | D3 | z не более | d | |||
| Номин. | Пред. откл. | Номин. | Пред. откл. | Номин. | Пред. откл. | |||
| 40 | 60 | 50 | ±0,1 | 41 | + 1,0 | 6 | 3,6 | +0,2 |
| 50 | 70 | 60 | 51 | |||||
| 60 | 80 | 70 | 62 | 4,5 | ||||
| 63 | 85 | 75 | 65 | |||||
| 100 | 135 | 116 | ±0,2 | 102 | 12 | 5,5 | ||
| 160 | 200 | 178 | 165 | + 2,0 | 7 | |||
| 250 | 290 | 270 | 255 | |||||
3. Приборы с сигнализирующим устройством, изготовленные по черт. 9 - 12, могут иметь выступ за фланцем корпуса высотой не более 80 мм. Форма выступа должна обеспечивать утопленный щитовой монтаж прибора.
4. Приборы с сигнализирующим устройством и с контрольной стрелкой могут иметь выступ за лицевую плоскость для устройства перевода указателя или контрольной стрелки.
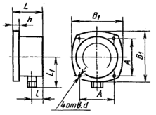
5. Размеры фланцев, надеваемых на корпус прибора, должны соответствовать указанным на черт. 14 и 15 и в табл. 9.
Черт. 14
Черт. 15
Таблица 9
мм
| Диаметр корпуса прибора | D1 | D2 | D4 | D5 | D6 | Т, не более | T1, не более | d | ||||||
| Номин. | Пред. откл. | Номин. | Пред. откл. | Номин. | Пред. откл. | Номин. | Пред. откл. | Номин. | Пред. откл. | d, | ||||
| 40 | 60 | 50 | ±0,1 | 34 | +0,6 | 41 | +0,6 | 39,8 | ±0,6 | 8 | 10 | 3,6 | +0,2 | М3 |
| 50 | 70 | 60 | 44 | 51 | 49,8 | |||||||||
| 60 | 80 | 70 | 51 | +0,7 | 62 | +0,7 | 59,8 | ±0,7 | 4,5 | М4 | ||||
| 63 | 85 | 75 | 54 | 65 | 62,8 | |||||||||
| 100 | 135 | 116 | ±0,2 | 86 | +0,9 | 102 | +0,9 | 99,6 | +0,9 | 16 | 5,5 | М5 | ||
| 160 | 200 | 178 | 142 | +1,0 | 165 | +1,0 | 159,3 | ±1,0 | 10 | 7 | М6 | |||
| 250 | 290 | 270 | 232 | +1,1 | 255 | +1,3 | 249 | + 1,1 | ||||||
6. Размеры отверстий в щитах показывающих приборов в круглых корпусах приведены на черт. 16 и в табл. 7, 8 и 9.
Черт. 16
7. Размеры отверстий в щитах для крепления показывающих приборов в прямоугольных и квадратных корпусах должны соответствовать указанным на черт. 17 и в табл. 10.
Черт. 17
8. Габаритные размеры самопишущих приборов и размеры отверстий в щите для их крепления должны соответствовать указанным на черт. 18 и 19 и в табл. 11.















