Part2 (514335)
Текст из файла
ЛЕКЦИЯ №1
Метрология (метрио – измерение; логос – наука) – наука об измерениях физ. вел-н, способах обеспечения единства измерений и путях повышения точности.
Физ. вел-на – св-во, одинаковое для группы однородных объектов в качественном отношении, но индивидуальное для каждого объекта в количественном отношении.
Виды стандартов:
ISO – междунар. организ. по стандартизации (1941)
МЭК – междунар. электротехнич. комиссия
EN – европейские нормы
ГОСТ – госуд. (межгосуд.) стандарты
ГОСТ Р – российские гос. стандарты
ОСТ – отраслевые стандарты
РСТ – региональные стандарты
СТП – стандарты предприятий
Сертификация: документ, подтверждающий соответствие продукции установленным требованиям.
Правовые основы стандартизации и сертификации:
1. 1993г. – закон о защите прав потребителя
2. 1993г. – закон о сертификации продукции и услуг
3. -------- – закон об обеспечении единства измерений
4. 1994г. – закон о стандартизации
5. 2000г. – закон о техническом регулировании
ГОСТ Р 1.0-96 – ГСС (гос. сис-ма стандартизации)
ГОСТ Р 2. … – ЕСКД
ГОСТ Р 3. … – ЕСТД
ГОСТ Р 8. … – ГСН (гос. сис-ма обеспеч. единства измерений)
ГОСТ Р 8.563-96 – методика выполнения измерений
ГОСТ Р 8.568-97 – аттестация измеряемого обор-я
ГОСТ Р 12. … – стандарт безопасности
ГОСТ Р 15. … – сис-ма постановки продукцию на производство
Д
ействительный размер – размер, полученный с использованием высокоточного средства измерения, настолько близко приближающийся к истинному размеру, что действительный размер можно принять вместо истинного.
ЛЕКЦИЯ № 8
Принципы построения средств измерения.
1. Принцип опережающего развития средств измерения.
ГОСТ Р 8.563-96
МИ 2377-96
2. Выбор средств измерений по точности.
m – бракованные детали, которые признаны годными;
n – годные детали, которые признаны бракованными;
Как правило n < m, поэтому смещают на вел-ну С внутрь поля допуска.
3. Принцип Аббе (компораторный принцип):
Линия измерения должна совпадать с линией сравнения.
Дополнение к ЛЕКЦИИ от 28.11.2003 (№11)
Совместное проявление отклонений формы и расположения:
Радиальное или торцевое биение -
Полное радиальное или торцевое биение -
l – расстояние, радиальное биение на котором не должно превышать заданного;
А – ось (база);
0,02 – биение в мм (допуск)
В качестве базы надо выбирать основную базу детали (которая определяет положение детали и в пространстве)
З
ависимый допуск – допуск, который зависит от допусков на отверстие (зазор между валом и отверстием).
0,05 – минимальный допуск.
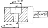
Данная конструкция не является технологичной и не рекомендуется к применению, т.к. проявляется неопределенность базирования (неорганизованная смена баз).
Характеристики
Тип файла документ
Документы такого типа открываются такими программами, как Microsoft Office Word на компьютерах Windows, Apple Pages на компьютерах Mac, Open Office - бесплатная альтернатива на различных платформах, в том числе Linux. Наиболее простым и современным решением будут Google документы, так как открываются онлайн без скачивания прямо в браузере на любой платформе. Существуют российские качественные аналоги, например от Яндекса.
Будьте внимательны на мобильных устройствах, так как там используются упрощённый функционал даже в официальном приложении от Microsoft, поэтому для просмотра скачивайте PDF-версию. А если нужно редактировать файл, то используйте оригинальный файл.
Файлы такого типа обычно разбиты на страницы, а текст может быть форматированным (жирный, курсив, выбор шрифта, таблицы и т.п.), а также в него можно добавлять изображения. Формат идеально подходит для рефератов, докладов и РПЗ курсовых проектов, которые необходимо распечатать. Кстати перед печатью также сохраняйте файл в PDF, так как принтер может начудить со шрифтами.
















